Fórum témák
» Több friss téma |
Fórum » Trabant átfolyásmérőből fordulatszámmérő
Témaindító: Barna Tamás, idő: Szept 19, 2008
Témakörök:
Halihó. Kipróbáltam imént az átfolyás mérőmet, hogy egyáltalán működik e, ez eredmény ez :Video
Próbáltam autóban és tápról is, ahogy egyre jobban pörög a kis fogaskerék, ki is gyullad öt ledig, aztán mikor a hatodik gyulladna ki vissza ugrik a három led ég állásba. Ekkor abba hagyom a fogaskerék forgatását, és ahogy csökken a sebessége kigyullad megint az 5 led és szépen lassan kialszik mind. Buherálva nem volt ledeket sem forrasztottam sem bele sem ki belőle. Ötlet? Jeladó rossz vagy a kijelző szerintetek?
Megoldódott a probléma, egy jó tanácsnak hála kiderült hogy egyik led kiégett. Rakok fel pár képet, hátha valakinek jó lesz majd később. Ebbe már én is betettem plusz ledeket közelben sehol nem árultak ilyet, ezért én a 4T trabi kombinált műszeréből szedtem ki (km óra melleti). Már csak a fordulatszám mérővé alakítás van hátra. Én egy sima 12v-os 1600mA táppal próbálgattam hogy miként is működik a kütyű.
Sziasztok! Egy trabi átfolyásmérővel kapcsolatban szeretnék segítséget kérni. Hibásan vettem az autóval és gondolta megnézem mi baja. Az egyik ellenállás van megégve, valószínűleg rosszul lett bekötve. Azt szeretném kérdezni hogy mekkora ellenállás való oda? Vagy hogy lehetne meghatározni? Köszi a segítséget!
Sziasztok!Segítséget szeretnék kérni most újítottam fel a motoromat és nagyon megtetszett amiket olvastam a trabant átfolyásmérőből átalakított fordulatszámmérőről szóló cikkek sokasága.A videókat is megnéztem. Sikerült szert tennem egy egy 7 ledes átfolyásmérőre és már bele is forrasztottam a plusz 5 ledet ami működik is (világít)! Bekötésben kellene nekem segítség, sajna elég laikus vagyok ebbe a témába és ezért kérek segítséget. Addig eljutottam hogy a BARNA a -12 a FEKETE +12, és ha a zöld és piros összeér akkor kigyullad az összes led.Gondolom a pirosnak kell egy állandó 5V-t amit egy ilyennel meg tudok csinálni http://orfeusz.unas.hu/spd/orfeusz_214570/DC_DC_lefele_allithato_fe...or_15A de zöldet hova kössem???
Vagy teljesen hülyeségeket beszélek? A teljes kábelezését én csináltam a mocinak, azzal még elboldogultam de ez sajna fel adta a leckét! Kérlek titeket ha tudtok nekem segíteni akkor minél egyszerűbben leírni hogy én is megértsem! Ugyan olyan órám van mint pár sorral feljebb ,,kerbor"-nak! Segítségetek előre is köszönöm!
Szia Mindenek elott el kel dontened hogy mit akarsz beloluk kesziteni, van hogy nem lesz szukseged a csavarokal viszintes reszre. Azt tanacsolom hogy tobbe ne erincsd ossze a ket vezeteket, ha megfogod ,akkor is felgyulnak a ledek ( egymas utan), ami azt igazolja hogy jol mukodik. Olvazsd el figyelmesen a topikot , rengeteg jo tanacs van, es rajz, majd a szerzett tapasztalatal neked is konyebb lesz kerdezni .
Sziasztok! Segítség kellene ismét! Megcsináltattam burgdavid féle kapcsolást! de nem igazán értem a működési elvét, hiába kötöttem össze ahogy a rajzon van akkor sem történik semmi!
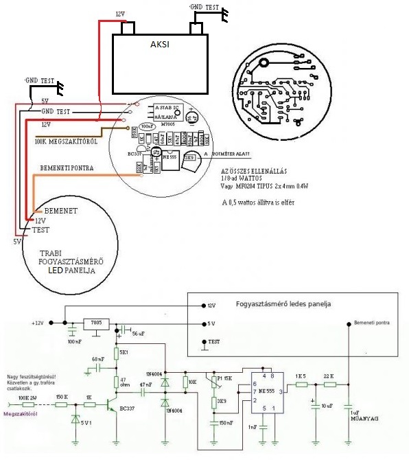
Lehet valamit rosszul csináltam. Értelem szerűen kötöttem össze test+test, 5v+5v, 12v+12v,jel+kimenet a led panelra. viszont a motoron működés közben nem történt semmi!mit rontottam el?Hova kell kötnöm a motoron a jelet?Hova kössek még be gnd-t és +12v-t???? Segítsetek mert nem nagyon boldogulok!Még nagyon kezdő vagyok ezen a téren! Egyenáram vagy váltóáram kell a bemeneti pontra?
Természetesen eggyenáram szükséges. Természetesen összekötsz mindent ahogy a rajzon van és pluszba a gnd-t a motor testjéhez (-) és a +12V a +12V hoz
a jel bemenet ahogy te is cimkézted meg ahogy a kapcsolási rajz is mutatja a motor megszakítójára kell kötni ahova a trafo és a kondi is csatlakozik.
d*e ha mindezt megcsinálom simán az asztalon összekötve akkor nekem világít az összes led! Igaz még motorral nem próbáltam ki, de gondolom az nem egészséges ha az összes led világít?
Rajz szerint kötöttem mindent!lehet hibás lenne az átfolyásmérő? Mert úgy is próbáltam hogy hogy a gnd-t és a +12V-t össze kötöttem és egy plusz vezetéket is tettem be a kötés közzé és azon keresztül adtam neki az aksiról a -12 és a +12V-t. Ez így helyes? Előre is köszönöm a segítséget!!! A hozzászólás módosítva: Márc 2, 2013
A gnd-re a testet (-) de nem -12V kell... csak simán az aksi - jelöléséhez. Ez megy az elektronikához meg a ledes panelra. A +5V az elektronikától a ledes panelra . A +12V az is az elektronikához meg a ledes panelhoz is . Ne nagyon érints semmit semmivel se össze mert csak kinyírod az ic-t kipróbálni egy jelgenerátor kellene de gondolom az nincs, így marad a motor megszakítója, Én sem teszteltem agyon, megnéztem meg van e a stabíl +5V és ment máris rá a motorra utána belőttem az érzékenységét és kész jöhet a dobozolás... nem kell rajta izgulni hogy jó e vagy sem az úgy is kiderül.
![]() Ha meg arra célzol hogy nem világít az összes led jel nélkül hát nem is kell ... A hozzászólás módosítva: Márc 2, 2013
Kedves gulu19! Előre is köszönöm a segítséget rajta leszek a dolgon és kipróbálom majd.
Nagyon rendes volt tőled a segítség!
Hello! Összekötöttem ahogy írtad de még mindig az a baj hogy mikor össze akarom kötni a az órát a +12 aksi kivezetéssel akkor világít az összes led! Valamit én baszarintottam el? már nem tudom mi lehet a baj! Kipróbáltam az órát ugy is ha csak +12 és test megy neki és akkor világít az összes led. mi lehet a baj???
Akkor mérni kell, vedd csak a ledes panelt találd meg azt a vezetéket ami az ic 18 as lábára megy és a ledekhez is, arra kell kötni a +12V ot. A testet meg az 1 es lábához menő vezetékhez.
Ha így kötötted be és még mindig világít minden led akkor valami biztos h nem jó... Ebben a helyzetben mérd meg a 17-es lábát ha azon van feszültség akkor köss le róla mindent hogy ne legyen de a 3-as és 16-os lábán lévő feszültséget is mérd meg mielőtt lekötnéd, a hármason olyan 5V alatt kell hogy legyen a 16-oson is. Ha így van és nem világítanak akkor a 17 es lábára kösd az elektronikától jövő jelet. Ha jól emlékszem akkor a jeled ami a 17 es lábra megy vagy a 16 os lábon lévő feszültség is csak max 3V lehet. A hozzászólás módosítva: Márc 5, 2013
Sziasztok! Azt szeretném megkérdezni,hogy trabant átfolyásmérőt be lehet-e kötni töltés mérőnek?
2t trabiba szeretném bekötni.
Üdv! Igen, meg lehet csinálni én már csináltam régebben igaz hogy az csak 4 ledes volt.
A akkunak a feszültségét kell leredukálni mondjuk ha 15V az 3V legyen a 10V meg 0,5V ezt én feszültségfelezős kapcsolással oldottam meg. Nem tudom hogy mennyire érted. A lényeg hogy van két sorba kötöttellenálás és az egyikra a + a másikra a test és az ellenálás közötti feszültség kell. Mint egy potméter. ha a kimenő feszültség nem több mint 3V akkor rá kell kötni az átfolyás jelére ha nem jó akkor meg az ic 17-es lábára.
Üdv. Nemrég vettem egy trabi átfolyásmérőt ami működött pár percig, majd behalt. Most az összes led világít halványan, ha feszkót kap és nem csinál semmit. Haver ránézett és felvetette, hogy az ic a rossz. Kicseréltem, de a helyzet nem változott. Esetleg valakinek ötlet?
Szervusztok! Szervusz köbzoli!
Nézegetem már egy ideje ezt a "fordulatszámmérőt" és úgy döntöttem megépítem. Bár még a "műszer" nincs meg,de az 555-tel a kapcsolást megcsináltam. Na most itt van a bibi,mert nincs még alap elektronikai képesítésem sem és akadályba ütköztem. Hozzá kell tennem,készítettem már kb. 200db astabil kapcsolást az 555-el,amik jól teljesítenek azóta is. (nem tudom,hogy kell egy rajzra hivatkozni,ezért beillesztem) Az itt található áramkört vittem NYÁKra és a 15K poti bekötésével vagyok gondba,illetve az lenne a kérdésem,hogyan helyezzem el? Melyik lába merre nézzen? Illetve szeretném,hogy átnézné valaki a NYÁKot. Már teszteltem készen is,de a változó frekvenciájú jelre nem változik a kimeneti feszültség. Köszönöm előre is. A hozzászólás módosítva: Jan 20, 2014
Szia! Első ránézésre így ebben a formában a fólia felőli oldalra kellene beültetni az alkatrészeket, mert ha az alkatrész oldal felől raktad be, úgy az 555-ös eleve rossz lábkiosztással kerül beépítésre, a tranzisztort már nem is említeném. Szerintem.
Igen,igen. Jól látod,sajnos azt elfelejtettem leírni,hogy én vasalom a nyákot és ez megfelel a felülről való szerelésnek.
Wartburg digi kombinált óra esetében nekem is ez a hiba jött elő: összes led világított folyamatosan, és az átfolyásmérő felé a +5V-os táp nulla volt. Multiméteres méregetést követően derült ki, hogy az átfolyásmérőből érkező jelet ("G") felügyelő 5,1V-os zéner dióda vált zárlatossá - vélhetően tulfesz miatt -, és a környéken mindent a földre vitt - a 16-os kivezetésen az Umax-ot is, nem csoda hogy parázslott rendesen az összes led
. Csere után szépen kihunytak a ledek, meglett a +5V-os tápfesz, és a bekötött átfolyásmérővel rendben együttműködött az áramkör kis megfújással. Lényeg, hogy az A277D-nek semmi baja nem volt, pedig lelkileg már készülgettem a kiforrasztásra...
"a 16-os kivezetésen az Umax-ot is"
Elrontottam, ez a helyes: a 3-as kivezetésen az Umax-ot is
Sziasztok!
Gondolom ez a kis kiegészítő kapcsolás a wartburg átfolyásméröjéhez is jó. Ugyanis nekem van egy házi építésű kistraktorom és van a sublót fiókban egy bontott wartburg műszer.Ezzel gondoltam megoldani a vízhőfok és az üzemanyag jelzését. De ha jó ez az elektronika,akkor csinálnék fordulatszámmérőt is kihasználva az adoot "helyet". Mi a véleményetek?
Igen, meg lehet csinálni itt van rá a példa (a benzinszintjelző pedig akku töltötségét lejzi).
http://www.youtube.com/watch?v=6M84kLS_Jz4
Sziasztok!
Én is megcsináltam a trabi átfolyásmérőből a fordulatszámmérőt és az a gondom vele hogy alapjáraton az első 3db led vibrál,ha növelem a fordulatot akkor szépen megszűnik a vibrálás és normálisan működik de ha ismét alapjáratra engedem elkezdenek vibrálni. Mi lehet a gond? Valaki segítsen!
Akkumulátorról hajtod meg ? Alacsonyfordulaton is megvan a stabil feszültség ?
Szia!
Igen aksiról kapja a tápfeszt!Esetleg ha hengerfej hőmérséklet mérőt szeretnék csinálni belőle akkor milyen átalakítással járna? A hozzászólás módosítva: Márc 3, 2014
A vibrálást még mindig nem tudom... talán jel forrássa.. Megszakítós gyújtás ?
A hőfokmérőhöz kissebb átalakíás szükséges. http://www.hobbielektronika.hu/forum/getfile.php?id=159251 Ezen a rajzon rajta van a kapcsolás (a bekeretezett felett).
Üdv!Kérdésedre válaszolva tirisztoros gyújtás van a motoron,de úgy néz ki ha a trafóról veszem a jelet akkor vibrálnak a ledek ha átkötöm a tirisztor 2pontjára ami a leállító vezeték és egyben a gyújtótekercs is akkor viszont tökéletesen vibrálás mentesen működik!
|
Bejelentkezés
Hirdetés |











a jel bemenet ahogy te is cimkézted meg ahogy a kapcsolási rajz is mutatja a motor megszakítójára kell kötni ahova a trafo és a kondi is csatlakozik. 



