Fórum témák
» Több friss téma |
Fórum » Inverteres hegesztőtrafó
Az IGBT body (belső) diódáján nem folyik akkora áram ami azt jelentősen melegítené. Hogy mekkora folyik sosem mértem, de nem lehet nagy ha a 3A-es dióda is bírta.
Annak idején azért vettem a dióda nélküli IGBT-t (IRG4PF50W) mert majdnem fele annyiba került mint a HGTG. Tettem mellé 6A-es diódát és azóta is megy. Sajnos a 4148-ak az először feltett rajzról lemaradtak, de azt már nem tudom utólag törölni, javítani.
A diódákon akkor folyik áram amikor induktív terhelés van a hídon, ez lehet akár egy nagy szórású trafó is.
Szia. Nincs azzal semmi gond, hogy lemaradtak a diódák. Azért is kérdeztem Ati fórumtársunkat a meghajtó tranzisztor párakkal kapcsolatban és a diódákról, mivel azért van szerepük a kapcsolásban. Én személy szerint bármilyen induktív terhelést hajtok meg tranzisztorral alapból rakom rá a diódát. Legyen az egy relé vagy egy tekercs vagy.... A lényeg az, hogy azon kedves kollégák közé tartozol akik aktívan segítik a fórum fejlődését és amiben csak tudnak segítenek az elakadt fórumozóknak.
Üdv.: Zoli
Szia. Kicsit vissza olvastam a hozzászólásodat és feltűnt egy dolog. Azt írtad 8db 0,51/5W kerámia ellenállás a söntöt. Ha jól emlékszem itt a fórumon volt róla szó, hogy semmiképp nem szabad a sönt helyére huzal ellenállást tenni, oda szénréteg, vagy indukció mentes ellenállás kell. Viszont a kerámia ellenállás az biztosan huzal ellenállás, feltekerve egy kerámia testre és beöntve egy másik kerámia testbe, tehát olyan mint egy tekercs. Nem biztos, hogy igazam van de nekem ez rémlik a fórumról.
Üdv.: Zoli! A hozzászólás módosítva: Máj 18, 2014
Létezik nem huzal kerámia ellenállás, valamint bifiláris tekerésű is. Bár a szerző nem tér ki rá.
Szia!
Gondoltam, hogy lehet nem lesz jó, az a baj, hogy nem volt feltüntetve, hogy milyen felépítésű az adatlapján, mivel 200A körüli gépet szeretnék összerakni, úgy tudom nem elég az 1-2W-os hozzá, és csak az lett volna tuti fémréteg.
Szia. Ezzel tisztában vagyok én is, viszont a legtöbb elektronikai szaküzletben a mezei sima huzalos kerámia ellenállásokat lehet kapni. Sajnos nem tudom milyen van az áramkörében, viszont amit írtam azt saját tapasztalatból írtam.
Üdv.: Zoli!
Egy képet tudsz ide feltenni róluk?
Üdv.: Zoli
Akár hogyan fényképezem nem látszik belőle semmi, csak egy fényes fehér paca látszik.
De ha megnézed a kontel honlapján fent van elég annyit írni a keresőjébe, hogy 0,51.. 5W-os csak ez van (fehér tégla)
Szia. Megnéztem a honlapon, 1db találat volt rá, de ez bizony nekem huzal ellenállásnak tűnik.
Üdv.: Zoli!
Az is!
Most kaptam le egyről a bőrt és egyértelmű fel van tekerve a huzal egy ellenállás alakú cuccra. Az a baj, hogy csak 2W-os van mindenhol, azt meg nem tudom jó lesz -e. Üdv.:Ati.
Ha tudod mekkora teljesítményű kellene, akkor össze tudod rakni több darabból is, csak más érték kell, hogy kijöjjön a kívánt érték. Ha nem 5-ből, akkor 8-ból rakod ki, csak nagyobb értékű ellenállások kellenek, hogy a végén azt kapd, amire szükség van.
Szia. Esetleg 16db ebből ugyanaz mint a 0,51-ből 8db, és így még több hőt is képes eldisszipálni.
Üdv.: Zoli! A hozzászólás módosítva: Máj 18, 2014
Kérhetnék egy nyáktervet a vezérlésről amiben benne vannak a BD-k is. Lay-t nem tudok megnyitni, inkább csak fényképezd ki printscreenel a teljes képernyőt. Köszönöm.
Üdv.: Zoli!
Esetleg ellenálláshuzalból le kell vágni a megfelelő darabot, és kész
Nem igazán jó megoldás, mert csak akkor lenne indukciószegény, ha a két fél egybe lenne tekerve, hogy közös mágneses teret gerjesszenek. Így nem elég szoros közöttük a csatolás, vagyis túl nagy szórt induktivitást képeznek. Vagyis úgy kellene megcsinálni, hogy levágni a kellő hosszúságú ellenálláshuzalt, félbehajtani és úgy feltekerni. Persze ne érjenek össze. Ekkor a két kivezetés is egymás mellé kerülne.
Lehet több ellenállásból is összerakni, lényeg, hogy párhuzamosan legyenek kötve, mert akkor az eredő induktivitása is csökken, nem csak az eredő ellenállása. De azért az smd sokkal jobb lesz.
Szia. Köszi a nyáktervet, ment privátban a javítás, próbáld ki, de tedd vissza a 100ohmokat a bd139/140 bázisára. Szedjél le mindent a gate trafó szekuder oldaláról tegyél helyette egy kondit (100nF) és egy ellenállást (4R7) sorba kötve, és csinálj pár szkóp képet a primer oldalról és szekunder ágban lévő kondikról. Köszönöm.
Üdv.: Zoli! A hozzászólás módosítva: Máj 18, 2014
Inverteres CO gépnek talán ez is jó lehet legalábbis kiindulási alapnak.
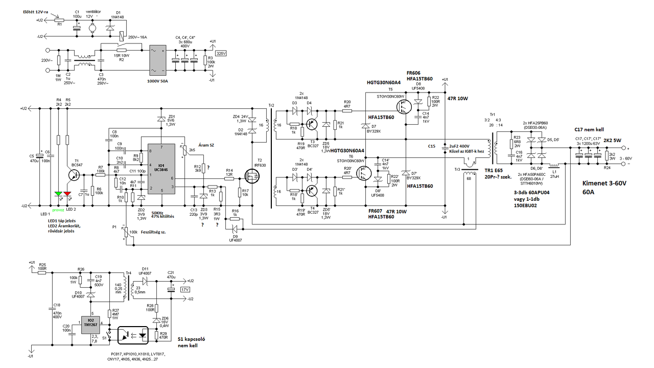
Ez egy inverteres 60A-es tápegység 3-60V szabályozható kimenettel, áramkorlátozóval, rövidzár védelemmel. Kis átalakítással jó lehetne, egy-két dolgot kiegészítettem rajta, hogy legalább 100A tudjon, de az áramváltó részt is módosítani kell. Meg a feszültség kimenetet is, hogy ne 3-60V legyen, hanem mondjuk 15-40V A hozzászólás módosítva: Máj 18, 2014
Szerintem nem jó ötlet. mint már leírtuk a CO-ra jobb egy teljes hidas, ez ugyanolyan kapcsolás mint a Maci ami agyon dokumentálva sem sikerül mindenkinek elkészíteni (elsőre), nem még egy új kapcsolás amely bár működik ránézésre de itt is újra kell megoldani a részleteket amitől működni fog, mint már írtam a Maci is átalakítható CO ra csak az ide feltett 2T forward CO kapcsolásból rá kell szerelni akár egy öcsi panelre a komparátoros feszültség szabályzó áramkört, miután kipróbálva lett normál üzemben, csak a CO-hoz nagy áram kell és min 160-180A re kell elkészíteni alapból. Meg amúgy sem olyan egyszerű hogy a kimenetről lehúzom a kondenzátorokat és mint ha mi sem történt volna megy tovább.
Sziasztok. Megjöttek az SG3524-ek. Még kell neki csinálnom valami átalakítót mert SO tokozásban volt csak raktáron, de nekem az is jó. Amint van időm elkezdek próbára valamit kihozni belőle és majd rakom fel a szkóp képeket róla. Áram és feszültség figyelés is lesz rajta, valamint ha minden igaz akkor a kitöltés állítható lesz.
Üdv.: Zoli!
Azt nézd meg első körben hogy a comp lábra adott fesszel változtatható-e a kitöltés, elvileg igen. Aztán én még arra lennék kíváncsi hogy hogy szabályozza az áramot, bár ahhoz igazából egy tárolós szkóp kellene, hogy látni lehessen mi történik attól a pillanattól kezdve amikor túláram van és elkezd "szabályozni". Mert igazából szerintem kikapcsolgatni fog csak az érdekelne hogy hogyan, hogy rá lehet-e nyugodt szívvel bízni 4db IGBT-t.
Nekem is majdnem kész az SG3525 tel a szabályzó csak még a gate trafót kell megvenni és megtekerni, saját tervezés, a kitöltést már most potival tudom szabályozni, meg áramváltós túláram védelem rajta.
Jó nagyot fogsz kínlódni vele. Ez az ic nem erre való. Miért nem jó az UC sorozat, az kifejezetten current mode control. Ugyanúgy működhetne mint a maci, az ic-n belül ott van a 2R/R ellenállásosztó, onnan kapja az áramszabályozó az alapjelet. Addig növeli a kitöltést, míg ki nem alakul akkora áram, ami az adott terhelőellenálláson akkora feszültséget nem állít elő, amit a feszültségszabályozó ( szintén benne van a tokban (error amp ) előír.
Tubinak igaza van, nagyon egyszerűen át lehet alakítani a macit CO-hoz. Az egy másik kérdés, hogy teljes híddal célszerűbb megépíteni, de biztos, hogy több szenvedés lesz rajta.
Szia. Tárolós digitális oszcilloszkóp az van csak még soha nem használtam ezt a funkciót rajta. De majd elolvasgatom a kézikönyvet hozzá. Csak idő kérdése a dolog. Úgy akarom megoldani az egész tesztet, hogy akkora söntöt teszek , hogy kis teljesítménynél is elérjem a max limitet. Ha lehet akkor ezt 12 vagy 24V-on akarnám elérni a BD139/140-nel. Max áramot 0,7A környékére akarnám belőni, hogy a BD-k még túléljék.
Üdv.: Zoli!
Szia. Nekem semmi bajom sincs az UC sorozattal. Erre jó lenne akár az UCC3570, viszont az is csak félhíd, de feszültség módú és áramkorlátos is. Teljes híd szerintem egyszerűbb kialakítású, nem kell snubber, nem kell gondolni a gate kisütésére sem, stb.....
Még nem álltam neki semminek sem, úton van az sg3525 is. Még keresem a vezérlő IC-t nem gond ha marad itthon tartalékban pár típusú vezérlő ic. Ahogy elnéztem az összes feszültség módú vezérlőben van kialakítva áramkorlátnak valamilyen áramkör. Üdv.: Zoli!
Hát, te tudod... de a teljes hídba is kell snubber, majd meglátod, hogy a gate-et is ki kell sütni, stb. csak kétszer kell megcsinálni mindent, egy félhídhoz, vagy egy aszimmetrikus félhídhoz képest. Nem véletlenül nyomják a maci féle kapcsolást mindenhol. Mert egyszerű a működése.
Szia. Hát nem tudom, de mióta keresek megoldást az inverteres CO-hoz, rengeteg kapcsolást néztem már. Akárcsak a Ge Lee féle teljes hidas kapcsolásban azokban sem találtam snubber kört és külön gate kisütő kört sem. Persze ettől függetlenül a gate-et ki kell sütni csak ez kicsit másképp történik. Nem vitatom, hogy tényleg egyszerű a maci féle kapcsolás, de nem véletlenül hangsúlyozzák minden fórumon amit olvasgatok a teljes hidat és feszültség motoros vezérlést a CO-hoz. Én egyenlőre csak információt gyűjtök mielőtt neki állok bárminek is. Ettől függetlenül, amit tudok kipróbálok itthon. Abban nem lehet semmi rossz. Amint van valami fejlemény már rakom is fel ide a fórumra.
Üdv.: Zoli!
Szia. Az UCC sorozatban találtam még 1-et. UCC3895. Ehhez mit szólsz(-tok)?
Üdv.: Zoli.
Jó lenne látni egy jó és működő CO kapcsolást, Ha van ilyen tehetnél fel többen is érdeklődnek utána.
|
Bejelentkezés
Hirdetés |












