Fórum témák

» Több friss téma
Fórum » DC-DC konverter
 
Témaindító: Placi84, idő: Nov 10, 2005
Témakörök:
Lapozás: OK   68 / 133
(#) pont válasza Saggitarius hozzászólására (») Jún 7, 2014 /
 
Köszönöm!!! Ezen én is gondolkodtam, de mivel a neten bőven találtam ellenpéldát kihagytam. Pl. Rosszul tettem...
A hozzászólás módosítva: Jún 7, 2014
(#) pont válasza Saggitarius hozzászólására (») Jún 8, 2014 /
 
A bemeneti kondenzátor (330μ) volt kevés!!! Tettem rá 100v 15 000μ és a 330μ kicseréltem egy 160v 100μ-ra, és a régi nyáktervvel, 150μH induktivitással, az előlapra 30cm hosszan kivezetett potméterrel, tökéletesen, (sőt) tudja a 3A a 6v 21W-os izzóval. De tettem rá 24V 60W izzót is 24V-on járattam, az ic alig langyos, melegebb volt a 100W-os trafó, (no meg az izzó) Egyedül a bemeneti 100μ-s kondi volt kicsit meleg kb. 50 fokos, ez normális? Még egyszer köszönöm mindenkinek a segítséget!
A hozzászólás módosítva: Jún 8, 2014
(#) Kulusz hozzászólása Jún 10, 2014 /
 
Sziasztok!
LM2596 5.0-val szeretnék építeni egy konvertert. A bemenő feszültség 30-35V, a kimenő áram pedig az idő 99%-ában 40-50 mA, 1%-ában viszont 3A. A következő alkatrészeket választottam ki:
Tekercs
Kimeneti kondenzátor
Bemeneti kondenzátor
Dióda

Ezek az alkatrészek megfelelőek lesznek?
Előre is köszönöm a segítséget.
(#) pont válasza Kulusz hozzászólására (») Jún 11, 2014 /
 
Az adatlapjában nem ezek az értékek szerepelnek, miért választanál ilyen magas értékűeket?
(#) Saggitarius válasza Kulusz hozzászólására (») Jún 11, 2014 /
 
Pont-nak igaza van, miert nem a gyari ajanlast koveted? Inductor: 47uH, kimeneti kondenzator 330µF/35V. Nem tudom hova lesz beepitve, de inkabb arnyekolt induktivitast valasztanek, pl.: Wurth 7447709470 Bővebben: Link
(#) Kulusz hozzászólása Jún 11, 2014 /
 
A TI webench nevű kalkulátorával számoltam. Akkor ezek nem lesznek jók? Ez egy elég rossz hír, ugyanis már megrendeltem.
(#) pont válasza Kulusz hozzászólására (») Jún 11, 2014 /
 
Ha már megvetted, próbáld ki! Azt hittem, hogy oka van a gyári ajánlástól való eltérésnek, valószínűleg csak feleslegesen nagyok, bár a tekercsnél az sem jó ha túl nagy, ("majd letekersz belőle")
(#) Kulusz válasza pont hozzászólására (») Jún 11, 2014 /
 
Milyen problémát tud okozni a túl nagy tekercs?
(#) fecameca válasza pont hozzászólására (») Jún 11, 2014 /
 
Sziasztok! Nekem a problémám a következő: Bekapcsoláskor zárlatba megy, azaz a bemeneti oldalon zárlati áramot vesz fel, főleg, ha a tápomat 220V oldalon kapcsolom be. Az inputon olyankor, ha ott nem szakítom meg, a tápban levő elkók is párhuzamosan ott vannak, és a töltődésük ideje alatt az IC egyszerűen zárlatba megy, bár találtam rá megoldást, az 5-ös lábra az indulási késleltetést, nem zavarna engem a dolog, ha az összes rajzon rajta lenne az az R-C tag, de ezt külön kellett hozzá kikeresnem, és megépítettem már többször, de mindig ez a baja. Normális ez az LM25xx IC esetén? Mert például ennél sokkal primitívebb dolog, pl.: egy 555-tel meghajtott FET ilyenkor sohasem megy zárlatba, csak annál még a visszaszabályzással kell külön bíbelődni,és gondolom annak a kimenete sohasem lesz ennyire stabil, ezért inkább beteszem az LM 2576-ot, azzal a megjegyzéssel, hogy kicsit beteg ez az áramkör, de szerencsére lehet késleltetni az indulását.
(#) kadarist válasza fecameca hozzászólására (») Jún 11, 2014 /
 
Szia!
Ilyenkor tönkre is megy az IC, vagy csak szimplán nagy áram folyik át rajta? Sikerült már úgy bekapcsolnod, hogy nem volt gond vele?
A hozzászólás módosítva: Jún 11, 2014
(#) pont válasza fecameca hozzászólására (») Jún 11, 2014 /
 
Az biztos ,hogy úgy nem normális, Nálam ilyen nem fordult elő. Gondolom más alkatrészértékeink vannak más a nyákterv stb.
(#) Saggitarius válasza Kulusz hozzászólására (») Jún 12, 2014 /
 
Nem fogod tudni kivenni a maximalis terheloaramot.
(#) Saggitarius válasza fecameca hozzászólására (») Jún 12, 2014 /
 
Mekkora terhelhetosegu a tapegyseged?
Tapasztalat>>>Az is gondot tud okozni, ha tul lassu a tapegyseg kimeneti feszultseg felfutasa, megha nagyobb terhelhetosegu mint amennyire szukseged van. Megprobalom felvenni hogy lasd kulonbseget a ket bekapcsolasi esetre.
A hozzászólás módosítva: Jún 12, 2014
(#) eyess válasza fecameca hozzászólására (») Jún 12, 2014 / 1
 
Itt lesz neked a megoldás , aztán beállíthatod , hogy mire , és milyen feszültségre szeretnéd megépíteni.
Bár nem írtad , hogy a kimenet milyen értékeket is képviselne áram , és feszültség terén , de felteszek neked egy kalkulátort , és egy pdf anyagot .A pdf anyag vége felé egy konkrét megépített változat is nyákrajzzal rendelkezésre áll , ami egy dc dc konverter módban van , és 5v 3A a kimenete.Előtte viszont egy szabályozható mód , ami 1,2v-35v ig , és 3A kimenettel rendelkezik.Érdemes átnézni.

Bővebben: Link
A hozzászólás módosítva: Jún 12, 2014

LM2576-D.pdf
    
(#) fecameca válasza kadarist hozzászólására (») Jún 13, 2014 /
 
Már azelőtt leírtam. Ezzel a késleltetős megoldással működik. Úgy lehet bekapcsolni egyébként, hogy a törpefesz. oldalon kapcsolom ki. Nem szokott tönkremenni, mert vagy áramkorlátozós táppal, vagy max. 1A terhelhető táppal kísérletezem. A +-12 Voltos, felfelé transzformálós megoldást használom leginkább, mert piezóhoz kell, és a legkönnyebben beszerezhető 12 Voltos tápról azok nem mennek, min. 24V (max.40V) kell nekem általában, milliamperes terhelhetőséggel. Nekem az egész nem gond, mert tudom, hogy a 12 Voltot kell bekapcsolni, akkor nem zárlatosodik le, de így nem eladható a készülék, mert a kuncsaft tuti, hogy a 220 Voltba dugja be a trafót, és lehet, hogy bekapcsolt állapotban, és ő nem tudhatja, miért nem akar indulni, leégeti. Beépítem a rajzon látható késleltetést, és akkor nincs gond, csak azt nem értem, miért nem írják, hogy ez általában feltétlenül kell bele, különben gond lesz az indulással? (Lehet, hogy a lefelé alakítós változatnál nincs ilyen indulási gond?)
(#) Kulusz hozzászólása Jún 13, 2014 /
 
Tekercs választásnál van annak jelentősége, hogy hány kHz-es a tekercs? Pl ez elvileg 100 kHz-ig használható, az megfelelő annak ellenére, hogy az LM2596 150 kHz-en dolgozik? Bővebben: Link

Mi történik ha túllépem a frekvenciát?

Ha veszek egy ilyet amihez nincs frekvencia írva, viszont direkt lm2596-hoz hirdetik, ez megfelelő lehet?
(#) kadarist válasza fecameca hozzászólására (») Jún 13, 2014 /
 
Lehet, hogy csak az áramkorlátozós táp túláramvédelme szólal meg az IC kimeneti pufferkondenzátor miatt és valójában nincs is túláram.
(#) fecameca válasza kadarist hozzászólására (») Jún 14, 2014 /
 
De zárlatos olyankor, és egy pillanat alatt felforr az IC. Le is égne, ha nem kapcsolnám ki azonnal. Sima trafó, graetz, és 1000µF puffer, ugyanezt produkál. 19V, 4A-es kapcsolóüzemű laptop táp dettó. Üresjáratban is mindig, ha a 220V felől dugod be. Nyák terv teljesen mindegy. Sokszoros utánaépítés során is mindig csinálja, Függetlenül attól, hogy próbapanel, maratott nyák, vagy közvetlenül ráforrasztott SMD alkatrészekkel van-e, teljesen mindegy. Gyári 100 uH tekercs, vagy az általam készített, nem számít, ez az LM2576 IC tipikus hibája, hogy a puffer elkó töltődése alatt zárlatba megy. Mind ezt csinálja kivétel nélkül, és teljesen mindegy, milyen tápról, csak legyen benne 100 µF-nál nagyobb pufferkondenzátor. Én csak szóltam hogy az 5. lábra tett időzítéssel ez kivédhető. Ír az adatlapja alacsony bemeneti feszültség elleni védelmet is, biztosan jó az is, de az bonyolultabb.
(#) Saggitarius válasza fecameca hozzászólására (») Jún 14, 2014 /
 
Kivancsi lettem az okara. Pontosan melyik tipust es milyen beallitassal hasznalod?

Ha kell, a megoldashoz bevonom a Texas Istruments-et is.
A hozzászólás módosítva: Jún 14, 2014
(#) Primary hozzászólása Jún 18, 2014 /
 
Sima 5V-os LM2576-hoz van nyáktervetek? Megcsinálnám, de ha tényleg ennyire számít, hogy mi hol van, akkor inkább egy működőt építenék után.
(#) pont válasza Primary hozzászólására (») Jún 18, 2014 /
 
Amit eyess feltett Bővebben: Link abban van gyári nyákterv. Nekem van sprint layoutban szintén működő saját terv, ha érdekel felteszem.
(#) Primary válasza pont hozzászólására (») Jún 18, 2014 /
 
Köszi. Elég a doksiból.
Telefontöltéshez kell rá borda?
(#) pont válasza Primary hozzászólására (») Jún 19, 2014 /
 
Én azért tennék rá egy kényelmesen elférő méretű alu lemezt, még ha túl robusztus is ez a kapcsolás telefontöltésre. Azt is szokták, hogy a nyákra fektetik és az hűti.
A doksis nyáktervvel az volt a problémám, hogy nem tudok 1,7mm-enként 1mm-es lyukat fúrni
(#) Saggitarius válasza Saggitarius hozzászólására (») Jún 19, 2014 /
 
Szerintem ez a legfobb oka a hibanak >>> fameca:" felfelé transzformálós megoldást használom", ami egy STEP DOWN szabalyozoval nem igazan mukodik.
(#) pont válasza Saggitarius hozzászólására (») Jún 19, 2014 /
 
Csak ez az eredeti hozzászólásból nem derült ki...Bővebben: Link
(#) Saggitarius válasza pont hozzászólására (») Jún 19, 2014 /
 
Valamint az sem, melyik tipust hasznalta, csak gondolom az allithatot. Mar epp rendelni akartam egy mintat a TI-tol, gondoltam atolvasom megegyszer, hogy melyik tipus legyen. (Hozzateszem meg mindig nem tudjuk a valaszt, bolcsen hallgat, pedig online volt 15 oraja)
(#) Primary válasza pont hozzászólására (») Jún 19, 2014 /
 
Gondolom ha nagyon nem rendezem át, csak a lábakat kicsit szétrakom, akkor nem okoz számottevő gondot. Eleve akksiról lesz táplálva, azért nem 7805-tel oldom meg.
(#) Primary hozzászólása Jún 25, 2014 /
 
Valaki esetleg rá tudna nézni?
Én jónak vélem. Az IC lábait széthúztam.
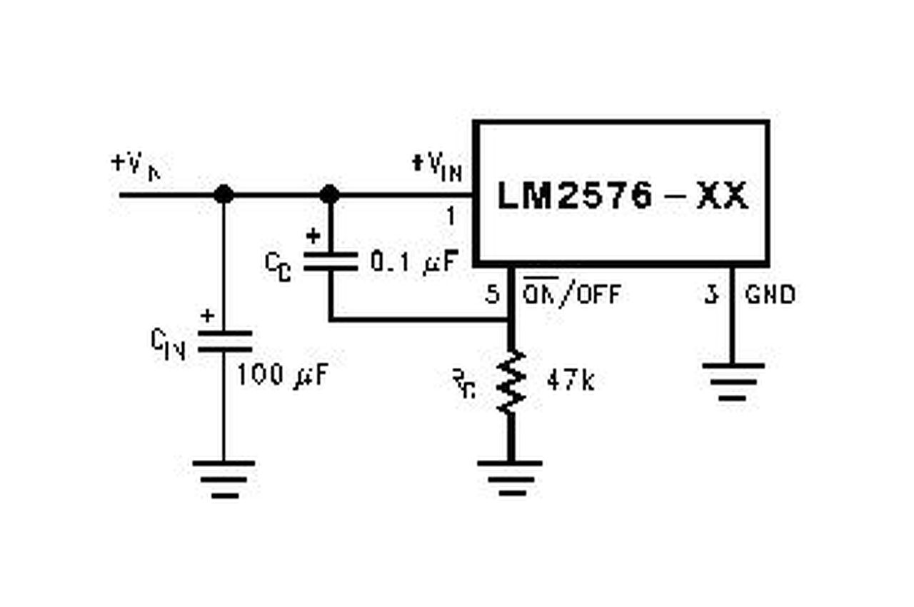
On/off lábat jó ha földre kötöm és kész?

t.JPG
    
(#) pont válasza Primary hozzászólására (») Jún 25, 2014 /
 
Ha ekkora méretű alkatrészeid vannak akkor jónak tűnik. (Pl. az én 5822 diódám brutál nagy ide nem lenne jó, max állítva) Az 5 lábat simán földre igen.
(#) Saggitarius válasza Primary hozzászólására (») Jún 25, 2014 /
 
Ez az alkatresz feloli oldal, vagyis tukroznod kellene ha az alkatreszoldallal szembeni oldalon szeretned a nyakot.
A hozzászólás módosítva: Jún 25, 2014
Következő: »»   68 / 133
Bejelentkezés

Belépés

Hirdetés
XDT.hu
Az oldalon sütiket használunk a helyes működéshez. Bővebb információt az adatvédelmi szabályzatban olvashatsz. Megértettem