Fórum témák
» Több friss téma |
Fórum » Ki mit épített?
Ez a téma ha úgy tetszik a mi "kiállítótermünk", nem pedig a ki mit csinált volna másképpen, mások helyett, és legfőképpen nem javítós téma.
Minden készüléknek van saját témája, ott kell kitárgyalni a részleteket!
FONTOS! A kapcsolási rajzok keresésére is van saját téma, ott keressetek rajzokat!
Sziasztok!
Elkészült az első csöves gitárerősítőm. Annak ellenére, hogy minimális költsége volt, hangban ez nem érezhető, SŐT! A kapcsolási rajz tulajdonképpen két gyári erősítő "elegye". Kisebb módosításokat folyamatosan kellett alkalmazni a készítés során, amíg a végleges kapcsolásig eljutottam. A "finomhangolás" majdnem több idő volt mint a teljes összeszerelés, ennek oka, hogy még kezdő vagyok csöves témában. Hogy idáig eljussak, mindenképpen szeretném megköszönni a segítőkész fórumtársaknak! Köszönöm!
Sziasztok!
Kész lett a kék ledes mátrix kijelző is az órához!! A hozzászólás módosítva: Jan 18, 2015
Szép nagy, gratulálok a türelmedhez (forrasztás).
Tetszetős darab! Nem is tudtam hogy léteznek ilyen kék LED-ek is!
Bizony léteznek, s a fényük nekem nagyon tetszik!!
Sziasztok!
Legújabb nixie-s hőmérőm. Egyenlőre még nincs DS1820 hozzá, így a tesztrutin fut a csövekben. A program szerint, ha nincs a hőszenzor csatlakoztatva, akkor a számok lépkednek folyamatosan. A csöveket még csak úgy beledobáltam, a teszt kedvéért, szerencsére mindegyik számot szépen kijelzik. Elég zsákbamacskának néztek ki ezek a használt csövek. Innen építettem.
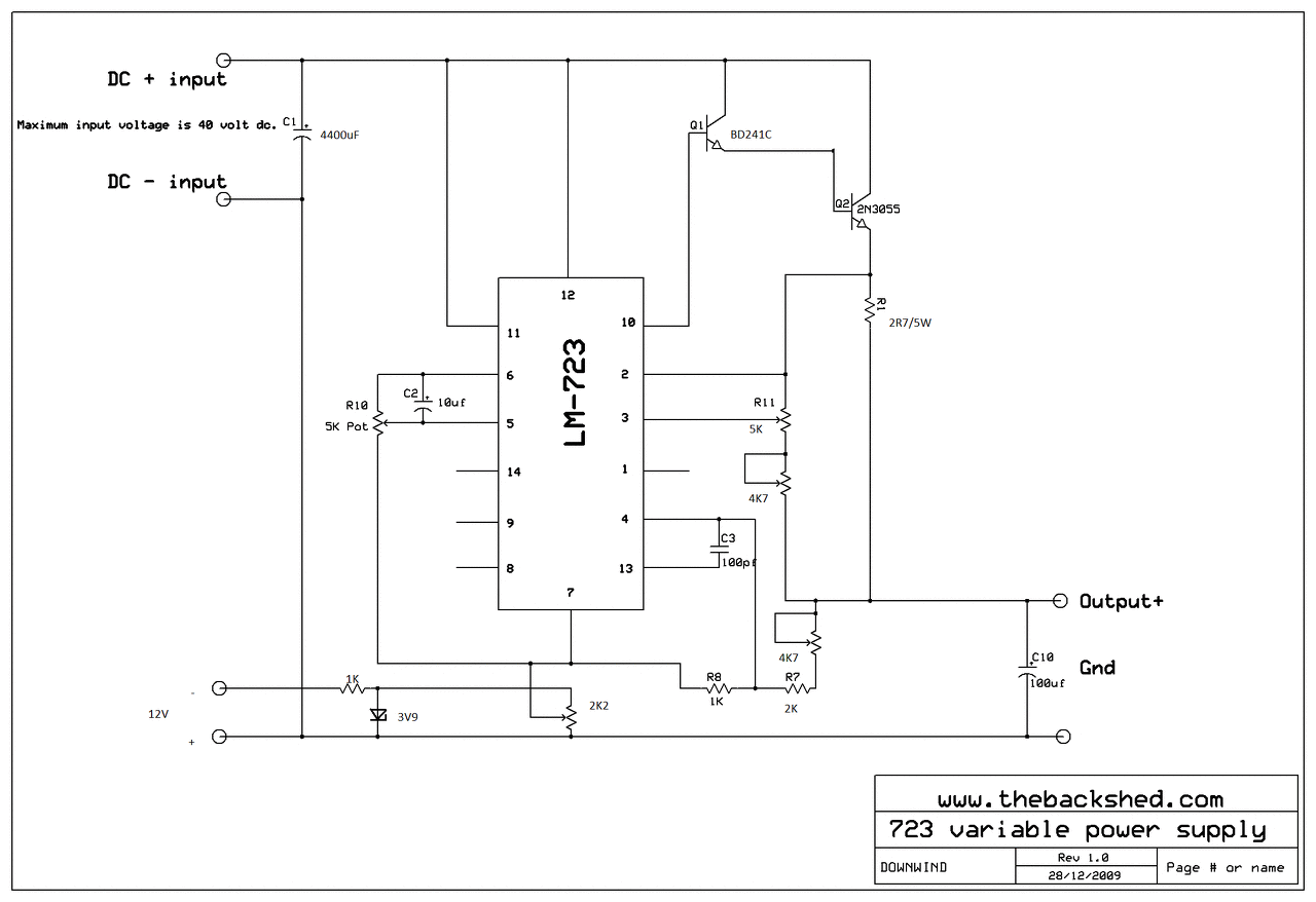
Épülőben van a labortápom, a doboz még nincsen kész, lézerrel vágatom 0,8-as lemezből, a belvilág viszont már elkészült és fel is éledt. Ha elkészül, akkor 0-20V-ig 250mA-1,5A-ig tud majd feszt szolgáltatni, nem egy nagyágyú, de mivel az utóbbi időben inkább mikrokontrollerekkel foglalkozom, bőven elég lessz. Az alap a régi ua723-as IC és a szintén nem mai csirke 2N3055. A kapcsolást neten találtam, és kicsit alakítottam rajta, mert eredetileg 2-20A volt az áramkorlát és 3-35V a feszültséghatár. Teszek fel pár képet, a már átrajzolt kapcsolási rajzot, és a paneltervet Sprint Layoutban.
Labortáp mindenképpen kell, de ha mikrokontrollerezel, akkor ahhoz csinálj egy sima, jól szűrt stabkockás tápot, sok bosszúságtól tudod megkímélni magad. Nekem is Simpi tanácsolta.
Az már megvan, 3,3V, +/-5V, +/-12V amit tud, és minden ágon 1A terhelhetőséggel, és egy sor LC szűrés van benne, de sokszor van szükségem a kontrollertől galvanikusan független tápra, a fejlesztésekhez.
Hosszú idő után elkészült az ajutós fejegység korrekt szobai használatát lehetővé tevő tápegység és doboz. Itt köszönöm Proli007-nek a remek kapcsolást. Előzmények és néhány fotó itt, és amire válaszol a hsz.
Üdv!
Én is közzé teszem a "kis" kreálmányom. Egyenlőre még csak a ház alakul, de készülnek a panelek is. A trafó egy kb. 320W-os darab - saját tekercselés (2x26VAC és 2x15VAC) és 2 darab TDA7294-et fog meghajtani. Lesz benne bemenetválasztó (IC-s), hangfalvédő, hangerő-hangszín kombó (LM1036+NE5532) és hasonló finomságok. A hűtést 2db 6cm-es ventillátor szolgáltatja, 2db 21x6x5-ös bordára. Haladok vele folyamatosan, csak mivel elrendezési és eghyéb problémák adódtak így az összes NYÁK-ot át kell terveznem... (a kondi nem tartozék )
Pár hete készítettem ezt a nixie órát: óra
Azóta elkészítette egy barátom is, de mivel nincs regisztrálva megkért, hogy rakjam fel ide az óráját. A dobozolásnál a rusztikusság volt a cél, 23 éves pezsgős ládából készült a doboz. 99%-ban készen van, a gyorskötöző helyett 4db csavar lesz még besüllyesztve.
Bocs a kritikát, valóban szép, és rusztikus, csak aránytalanul kicsik a csövek a dobozhoz mérten.
![]()
Illett volna nem eltakarni a faanyagba beégetett mintát. (Szerintem szárított füge volt abban a ládában...)
Ez ilyen lett
Azt elfelejtettem írni, hogy ez az első ilyen jellegű munkája.
A mai "termés" egy hektárszámláló. (És elkészült életem első mikrovezérlős kapcsolásocskája egy rendőrlámpa vezérlő a kisebbik Fiam terepasztalára.)Bővebben: Link
Honnan tudja, hogy egy jeladó impulzusra mennyi úthosszt tesz meg a gép? Mert az géptípusonként eltérő. És a munkaszélesség is.
A ledes kijelző köré esetleg jó lenne árnyékoló keret, nyári tűző napban a ledet nem biztos, hogy látni. Nekem mindig kellett, amiket én csináltam. A hozzászólás módosítva: Jan 19, 2015
Nem azt tudja. Először meg kell számláltani vele, egy hektár alatt hány jel érkezik, mondjuk 4000, ezt századra leosztva az 40, tehát 40 jel lesz egy század hektár, negyven jelenként számol egyet. És ezt a 40 jelből, egy 4040-es osztó és egy 4081-es 4xkétbemenetes and kapu ami "programozhatóan" leosztja. Állítható a tápfesz, így a fényerő is, de ha szükség lesz rá (bár elég böhöm nagy a doboz is, jó ötlet az árnyékoló)
A hozzászólás módosítva: Jan 19, 2015
Milyen gépben lesz? Mert ugye egy traktorra több munkaeszköz is szerelhető, tehát munkaeszközönkénti állítási lehetőség nem volna rossz, mivel nem minden eszköznek ugyanakkora a munkaszélessége.
Ez konkrétan egy géphez lesz, de bármilyen munkaszélességhez be lehet állítani a fent leírt módon. Van a cégnél GPS-is, másik vetőgépnek saját monitorja stb. ez egy minimal konstrukció 5 ezerért. olyan kezelőnek aki nem akar gombokhoz nyúlni.
Nagyon jó!
AVR-es tücsköt szívesen építenék, nincs pic programozóm.
Elsőre jó lett, így tovább!
Annyi a kérdésem, hogy nem hiányolod a hangszínszabályzót?
Köszönöm! Adott volt pár gyári kapcsolás ami alapján elindultam, ezekben nem volt hangszínszabályzás. Úgy gondoltam először szólaljon meg, aztán később lehet még változtatni. Miután elkészült, úgy érzem nem hiányzik. "Naturális" csöves lett!
(Magas hangot kicsit hiányoltam szólónál, de 2db katód ellenállásra tett kondival megoldódott ez is) A hozzászólás módosítva: Jan 19, 2015
Szia!
Nagy gratuláció hozzá, nagyon szépen összehoztad. Milyen gitárral használod (single coil, humbucker)? Kíváncsi lennék a hangjára, én annak idején rengeteget kínlódtam csöves egyenirányítással, nekem a félvezetős vált be
Taviranyitos mini kisauto.
Nyaklemezbol keszult alvaz, ezen az elektronika tobbsege, PIC18F25K80, hidvezerleses fomotor. Gyari tengely es kerekek, szervobol atalakitott hajtomu, apro szervobol a kormanyzas. RFM70 transmitter. Sajat progi. Sajat taviranyito, esztetikatol mentes kivitel ![]() A kisautot egy lepukkant helikopterakksi hajtja, a taviranyitot egy nagyobb ugyanolyan. A pendrive csak a meret erzekeltetese miatt van ott. Video a mukodeserol, nem rohogni a benazas miatt, akkor eloszor iranyitottam ilyet. Bővebben: Link A hozzászólás módosítva: Jan 20, 2015
Sziasztok, rég láttam már itt elkészült erősítőt ezért megosztom veletek ma készült el a festés.
A végfok ST151 2×100W, előfok: NE5532+LM1036. A hangszín szabályzó panel lett az első amire még a pozíció rajz is sikerült. A hűtést egy 300×110×30 mm-es hűtőborda biztosítja, már csak a potméter gombok hiányoznak A hozzászólás módosítva: Jan 20, 2015
Szép munka, nekem is 1036-os hangszínszabályzóm van, teljesen meg vagyok elégedve vele.
|
Bejelentkezés
Hirdetés |












































