Fórum témák
» Több friss téma |
- Ez a felület kizárólag, az elektronikában kezdők kérdéseinek van fenntartva és nem elfelejtve, hogy hobbielektronika a fórumunk!
- Ami tehát azt jelenti, hogy a nagymama bevásárlását nem itt beszéljük meg, ill. ez nem üzenőfal! - Kerülendő az olyan kérdés, amit egy másik meglévő (több mint 17000 van), témában kellene kitárgyalni! - És végül büntetés terhe mellett kerülendő az MSN és egyéb szleng, a magyar helyesírás mellőzése, beleértve a mondateleji nagybetűket is!
Ez egy li-po akkutöltő és annyi a gond hogy 0.8 amperrel töltene de a trafó 0.5 ampert ad le ezért annyival tölt.Viszon van egy aksi aminek 0.5 amper a max töltőárama de annyival nem akarom tölteni.
Ezaz.
Sziasztok!
Van nekem egy SM85B trafóm az lenne a kérdésem hogy egy csévén van a primer meg a szekunder vagy 2 csévén.
Ott van asztalodon, ide látszik, hogy egy csévetest van. Pontosan mi is a kérdés?
Azért mert led-et kapcsolok vele, és hova tegyek egy led égőt a kapcsolóhoz hogy ott mutasson otrombán?? De ha még el is rejtem a szekrénybe akkor ott fog világítani ami elég béna és értelmetlen!
Szeretném ha valaki a kérdésemre válaszolna, mert eddig bármit is kérdeztem a többség csak hülye válaszokat adott, amivel nem tudok mit kezdeni! Tehát aki tud az légyszives adjon már technikai választ hogy hány ohm os ellenállásra lenne szükségem! Köszi Attila
Az hogy cséve test volt a kérdés. Le szabad földelni?
Sziasztok.ECG 125 ös diódára tudna nekem valaki helyettesítőt mondani.Előre is nagyon köszí!
Próbáltad már az
Ohm törvénnyel meghatározni? Mert megírták!
Sajnos nem ismerik itt sem.Tengerentúlról rendelhető csak.Euban nem találtam.Gondolom van itteni helyettesítése.
Kattints az alápontozott "Keresés" szóra.
240V-nál, akkor lesz 10W a disszipált teljesítmény, ha 5760 ohm-os ellenállást raksz rá. De szerintem nincs sok értelme ennek, a LED-es világításnak az lenne az értelme, hogy keveset fogyaszt, ezzel ez így elveszik. De ha mindenáron meg akarod csinálni arra vigyázz, hogy ki ne gyulladjon valami, 10W az már melegszik rendesen.
Szerintem ehhez a töltőhöz kár hozzányúlni, főleg ha nem rendelkezel megfelelő tapasztalatokkal.
Keress inkább egy olyat, ami megfelel az igényeidnek, és azt építsd meg.
Sziasztok!
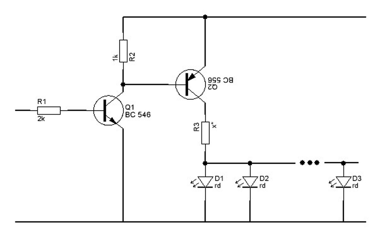
Arra keresnék egyszerű (1-2 tranzisztoros) kapcsolást, hogy egy LED-et egy ellenálláson eső adott feszültség túllépésekor be lehessen kapcsolni. Konkrétabban: adott egy (már megépített) szabályozható áramkorlátozó IC-s kapcsolás, és egy DC 12V-os tápegység. Ezzel egy 7Ah-s zselés akkut szeretnék tölteni, és elvileg élettartam szempontjából előnyös, ha a 0.7A-t nem lépi túl a töltőáram.. Ezt szeretném jelezni úgy, hogy a szabályzót addig szabad feltekerni, amíg még nem világít a LED. Szóval arra gondoltam, hogy sorbakötni a szabályozható kimenettel egy kis (kb. 0,5 ohmos) ellenállást, és az azon eső feszültséggel kéne vezérelni egy tranzisztort. És az adott feszültség felett kinyit és felkapcsolódik a LED.. csak konkrét kapcsolást, a méretezés leírásával nem találtam sajos. Előre is köszönöm a segítséget!
Ha működik a ketyeréd, nem valószínű, hogy bármi sérült. Hiszen mint írtam - az üzemi 5V-ról szokták tölteni. Szinte biztos, hogy a "töltő áramkör" csak egy ellenállás.
Hello! A jelzést egy-két tranyóval, kb. így lehet megoldani. Az áramkör a PNP tranyó bázis-emitter küszöbfeszültségére és az R1-en eső feszültségre hagyatkozik. Így túl nagy pontosságra számítani nem igazán lehet, mert a tranyó küszöbe valahol 600..700mV körül van. Így a Shunt ellenállásnak kb. 1ohm-nak kell lenni. Az NPN tanyó, egy pozitív visszacsatolást hoz létre, hogy az erősítés nőjön, és a jelzés "meredekebb" legyen. De ha túl nagy a visszacsatolás mértéke (R5 csökken) akkor a ki-be kapcsolás közötti hiszterézis is nőni fog.
Nem akarok belenyúlni a töltőbe hanem amit csináltam tápegységet abba akarok áramkorlátot.
Hello! A trafó primer és szekunder tekercsek között, egy kondenzátor alakul ki. Az pedig kapacitív ellenállásának megfelelően vezeti a váltóáramot. De a méréseddel és a fázisceruzával megtévesztő eredményre juthatsz. Ha megfogod a műszerzsinórt, akkor is fog mutatni, mert a nagy belsőellenállása miatt azt a feszültséget is képes mutatni, ami a hálózat szór rád.
Hello!
Olyan problémám van hogy van egy 220V-ről működő stroboszkópom, na most én ezt szeretném kocsiba beépíteni csak nemtudom mien transzformátort kellene hozzá ami átalakítja pl az aksiról lehozok 2 kábelt az be a transzformátorba át a strobiba azon van ki-be kapcsoló mert csak simán potméterrrel szabályozható....... aztán had villogjon linket megköszönönnék vagy hogy mi kell hozzá...
Egyen feszültség nem transzformálható.
Egy hozzászólás, egy helyre! Amott válaszoltam.
Akartam is javasolni, hogy az nagyságrendekkel jobb és modernebb IC.
Szia, daewoonexia! Itt olvashatod linkeket: - 1_hozzávaló - 2_hozzávaló - 3_hozzávaló
A hozzászólás módosítva: Jún 21, 2014
Nem bonyolult. Annyi LED -et tehetsz, amennyit a PNP tranzisztor elbír. A LED -ek mennyiségéhez számold az R3 ellenállást. Elég, ha egy LED -en 5 - 10 mA folyik.
A hozzászólás módosítva: Jún 21, 2014
Sziasztok!
2mm-es lábtávolságú szalagkábel csatlakozóhoz hol lehet szalagkábelt kapni? Sajnos a RETben csak a csatikat árulják ![]() Köszönöm
pucuka!
Nekem nem az kell, hogy egyszerre 10 db LED villogjon! Hanem 30 db, a HDD használattól függően, 3 db 10-es ledsoron lévő ledek gyulladjanak ki!
Ha a PNP tranzisztornak BD240 -et használsz, az 2 A -t tud, akár 100 db LED -et képes meghajtani.
Az adatforgalom nagyságát csak a HDD led villogásának sebessége jelzi úgy ahogy. Az adatforgalommal arányos feszültséget egyszerű módon sehonnan sem tudsz kicsiholni, márpedig ez kellene a kivezérlés jelződ meghajtásához. Ezért felesleges használni. De Te tudod. A hozzászólás módosítva: Jún 21, 2014
Üdv!
Rápillantana valaki a CD4053 adatlapra? Az érdekelne, hogy jól gondolom ha 13V az IC tápfesze akkor kapcsolhatok vele ekkora feszültséget? |
Bejelentkezés
Hirdetés |







Ohm törvénnyel meghatározni? Mert megírták! 








