Fórum témák

» Több friss téma
Fórum » RF műszerek, mérések
 
Témaindító: pucuka, idő: Júl 10, 2010
Témakörök:
Lapozás: OK   19 / 53
(#) hid0 hozzászólása Jan 16, 2014 /
 
Sziasztok! Térerőindikátor rajzot keresek,30MHz-ig.Deprez műszeres,uA-s jelzéssel,schottky,tunnel vagy egyéb megoldással.
(#) papus51 válasza szilva hozzászólására (») Jan 16, 2014 /
 
Senkit nem áll szándékomban bántani, de kedves sziva, lehet, hogy magad sem nézted még meg az általad belinkelt kapcsolást?
Itt mindenki MHz-ekről beszél, amikor a készüléked egyenirányítóval indul, és a további áramköröknek már csak DC-vel kell megbirkózniuk.
Ha jól nézem az 1N270-es diódákkal legalább 400MHz a kapcsolás határfrekvenciája. Akkor most hogy jönnek ide FM KF IC-k és egyéb nagyfrekis dolgok?
(#) Kovabe válasza gerenk hozzászólására (») Jan 16, 2014 /
 
Szia
Az RF meter kapcsolásban az OA91 helyettesíthető pl 1n4148-al?
(#) szilva válasza papus51 hozzászólására (») Jan 16, 2014 /
 
Én ezzel tökéletesen tisztában vagyok. Ezért írtam Kera_Will válaszára, hogy az általa ajánlott második megoldás, az FM KF IC-s, ami kb. 30MHz-ig működőképes, az nekem most nem megfelelő. Az AD8307 alkalmas, de mint írtam, az egy másik műszer lesz majd.

Amit én elkezdtem összerakni, az egy klasszikus, egyenirányítóval induló, majd az így kapott egyenfeszültséget megjelenítő műszer lenne. Egyedül a diódás egyenirányítón kis feszültségnél tapasztalható nonlinearitást szeretném kiküszöbölni, mert nincs kedvem 5 skálát rajzolni az 5 méréshatárnak. Ezt szeretném megoldani olyan módon, hogy adott esetben más diódához is viszonylag könnyen "idomítható" legyen, ezért választottam a szoftveres megoldást.
(#) papus51 válasza szilva hozzászólására (») Jan 16, 2014 /
 
Nézz utána, hogy a HSMS 2850 shottky dióda megfelelne-e Neked a bemeneten. Ilyet én rendeltem korábban és maradt belőle felesleg. Tudok belőle küldeni. Ez kb. 0,3mV-tól indul és kb. 1,5GHz frekiig használható, SMD méret.
A Texastól tudsz rendelni mintaként LOG104-et. Ez 7,5 dekádos logaritmikus erősítő.
Én ezt a párost tervezem a sweep generátoromhoz.
(#) gerenk válasza Kovabe hozzászólására (») Jan 16, 2014 /
 
Az 1N4148 szilicium dióda, nyitófeszültsége 0,7 V körüli, e szint felett demodulálja az a modulált rf jelet az is elég rosszul. A másik Ge. alapanyagú 0.3 V nyitófeszültséggel tehát kisebb jelszintre alkalmas.
Keress Ge diódát helyettesítésre, pl. OA1160 AA116-119. Csak üvegtokos tűsdióda jó
az alacsony kapacitása és magas frekvenciára alkalmazhatósága miatt.
Még jobb 0,1-2 V körüli nyitójával a Schottky tipusu tűsdióda pl HP 5082-2800 1N 5711 1N5712
(#) Kovabe válasza gerenk hozzászólására (») Jan 16, 2014 /
 
Igy már értem nem tiszta de felfogtam a lényegét illetve hogy ami itthon van az nem jó.
(#) gerenk válasza Kovabe hozzászólására (») Jan 16, 2014 /
 
Ge diódát találsz bármilyen régi keleti gyártmányú zsebrádióban, táskarádióban, az utolsó
KF transzformátor környékén. Lehet AM de FM is. Az FM rádióban kettőt is.
(#) gerenk válasza hid0 hozzászólására (») Jan 17, 2014 /
 
Szia !
Ez a rf meter egy
jó projekt, érdemes megépíteni
(#) hid0 válasza gerenk hozzászólására (») Jan 17, 2014 /
 
Sziasztok! Köszönöm.
(#) pucuka válasza hid0 hozzászólására (») Jan 17, 2014 /
 
Az ilyen egyszerű műszereknek is van méréstechnikája. Nagyon fontos tudni, hogy ezek csak közvetlen csatolással, közeltérben működnek a kis érzékenységük miatt. A csatolást érdemes addig lazítani, amíg értelmes kitérést tudunk létrehozni. Ilyen állásban lehet max teljesítményre hangolni, persze érdemes egyúttal frekvenciát is mérni. (szintén a lehető leglazább csatolással)
Ha túl szoros a csatolás, könnyen elhangolhatjuk a vizsgálandó adót. Az áramkör kisugárzott teljesítmények összehasonlítására nem igazán alkalmas, de egy adó + antenna lehangolására jó. A körülményekre is figyelni kell, 5 -6 hullámhossznyi távolságra zavaró fellület, fémtárgy, fal, ne legyen.
(#) szilva válasza papus51 hozzászólására (») Jan 18, 2014 /
 
Köszönöm a tippet, utána fogok nézni.
(#) hid0 hozzászólása Jan 20, 2014 /
 
Sziasztok! Felületi szürő után beköthető-e demodulátor dióda (AM). Csillapítás? Jeldetektálás lehetséges? 38MHz-en?
(#) pucuka válasza hid0 hozzászólására (») Jan 21, 2014 /
 
Közvetlenül nem, mert a szúrő kimenetet illeszteni kell viszonylag széles frekvenciasávban. De egy impedancia illesztő erősítő nem lehet probléma.
A jeldetektálást az analóg TV -nél is megoldották, nem? A szűrő csillapítását megtudhatod az adatlapjából, ha fellelhető egyáltalán. Ha nem, 10 dB körül számolhatsz az áteresztő tartományban.
(#) Ferkógyerek hozzászólása Feb 22, 2014 / 2
 
Sziasztok!
Felmerült az igény a wobblerszkópom 200MHz-es méréshatárának kiterjesztésére, ezért építettem egy PLL-el működő frekvencia szorzót. Szerencsére volt itthon egy másik projectből visszamaradt gyári VCO modul, amely mellé betettem egy PLL-t, az őt meghajtó PIC-et és máris kész a többszöröző. A szorzásnak kerek 100-at választottam, így csak két nullát kell fejben a mérési eredményhez hozzágondolni. A kimenő jel tisztasága hagy maga után kívánnivalót, de ami a lényeg stabil és pontos, illetve pontosan követi a bemenő frekvenciát (x100).
(#) szendi001 válasza Ferkógyerek hozzászólására (») Feb 23, 2014 /
 
Nagyon fain lett!
(#) MAGA VAN válasza szilva hozzászólására (») Márc 6, 2014 /
 
Üdv.Szilva!
A melléklet egy támpont, mire lehet számítani. 1GHz-ig használható. 100-200mV-felett teljesen lineáris. 10V felett nem garantált a BAT-62 épsége. A 3089 -es lin-log nem igazán jó. Valamivel jobb az NE604 , NE615 , de ott is van egy kis hiba, és 70 dB-es csak a dinamika . Az adatlapon szerepló RSSI több példány mérésénél sem jutott még a közelébe sem a felső határnak. A jól használható változat a AD8307.(-90-+6dBm-ig és 500Mhz-ig tökéletes. A kimeneten közvetlen DC 300mV--1,5V. (sajnos egy kicsít drága) Közbenső megoldás lehet ,ha a HSM egyenirányít és az DC szinten kerül logaritmizálóra. Ezzel csak az a gond, hogy 1-2V- feletti szint nem tesz jót a HSM-nek.
Üdv.
M-V
A hozzászólás módosítva: Márc 6, 2014

LIN-UKI.pdf
    
(#) szendi001 hozzászólása Márc 16, 2014 /
 
Sziasztok! Ferkógyerek vobblerével elég sokat mértem tavaly. Jelentős fejelsztésbe invesztáltam: olcsón vettem egy tabletet. Az a terv, hogy egy dobozba építve a műszert a doboz tetejére gyártva lenne a tablet. Ezzel teljesen mobil vobbler és antenna analizátor készül 1 kg tömeggel. Csütörtökre jön a tablet, aztán jön a kompatibilitás vizsgálat.
A hozzászólás módosítva: Márc 16, 2014
(#) gtk hozzászólása Jún 24, 2014 /
 
Sziasztok ! Valaki meg tudna mondani, hogy a YIG oszcillatorok futeset szoktak szabalyozni, vagy csak rajta van x teljesitmeny, aztan annyi ?
(#) dokidoki válasza gtk hozzászólására (») Jún 24, 2014 /
 
Szia.
Emlékeim szerint a yig osc-nál mágneses mező hangolja ... ennek a mágneses mező fenntartásához kell a teljesítmény jobbára. A fentebbi mezőt előállító tekercs melegedhet, az átfolyó áram és a veszteségek hatására.
(#) gtk válasza dokidoki hozzászólására (») Jún 24, 2014 /
 
Szia. Igen, ez igy van. Tovabba nem egy tekercs van hanem sok esetben ketto van, ebbol egyik a finomhangolasnak van, erre erdemes PLL-t kialakitani, es a nagyaramu tekercset pedig DAC-al hajtani. Vagy FM modulaciora is hasznaljak a kissebb tekerset. De vannak YIGek amelyeket futenek is, ez adja a hostabilitasat. Innentol a kerdesem ugyanaz.
A hozzászólás módosítva: Jún 24, 2014
(#) gpeter hozzászólása Jún 25, 2014 /
 
Sziasztok, szeretnék találni valakit, *************
Nem kell mindenhol hirdetni!
A hozzászólás módosítva: Jún 25, 2014
(#) dokidoki válasza gtk hozzászólására (») Jún 25, 2014 /
 
Igen, így már látom. Ha van benne fűtési lehetőség, és nincs kivezetve valami hőmérő szonda, akkor valószínűleg csak valamilyen feszültségforrással hőn-tartják(akár belső elektronikával), ha van akkor külső szabályozású.
(#) dokidoki hozzászólása Júl 6, 2014 /
 
Sziasztok!
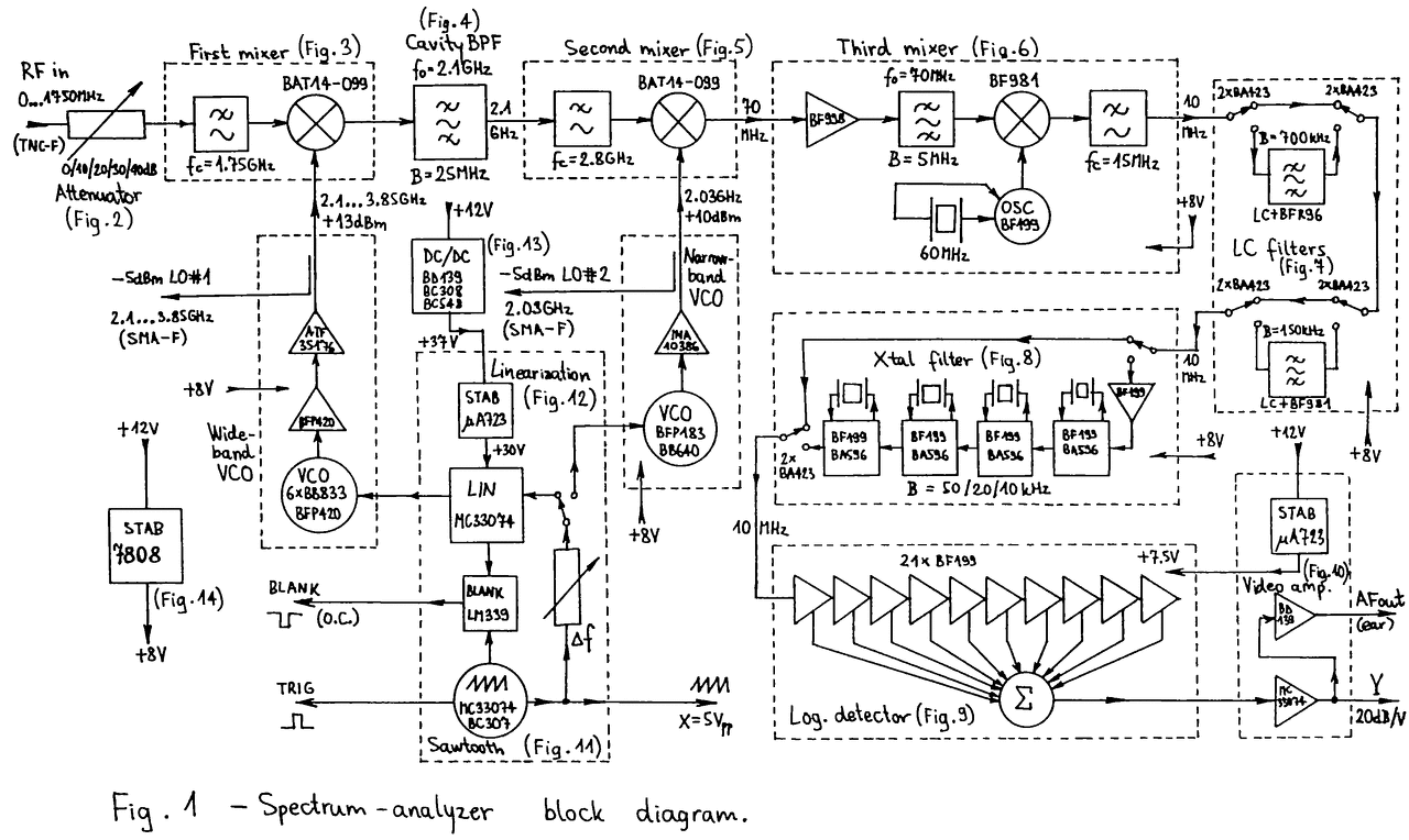
Szeretném feldobni egy kicsit a topikot... Találtam magamnak egy jó projektet, ez egy spektrum analizátor lenne, aminek jócskán lenne helye minden amatőr "laboratóriumban" csak hát az ára és a használt példányok beszerezhetősége nem épp szívderítő. Ezért úgy döntöttem felveszem a hosszútávú építési céljaim közé. Erről lenne szó: spektrum_analizátor Kíváncsi vagyok a véleményekre, ki hogy látja? Van -e jobb ötlet, illetve a buktatókra gondolnék... Egyet már találtam, Máshol írja a szerző, hogy talán százan építették után a szerkezetet, és a legkritikusabb része a széles-sávú VCO megépítése. Sajnos nem részletezik pont azt a részét, melyet én kiszúrtam magamnak. Vagyis, hogy nincsenek hozzáférhető állapotban a microstrip panelok gyártási fájlai, mert a dokumentációkban szereplő GIF - képek meglehetősen szerények, és még finoman fogalmaztam.
Ezért nekifogtam átrajzolni a képek alapján a kritikus részeket sprint-layoutban, így nyomtatás és kinézet szempontjából legalább nem lesz gondom. De szerintem még ez is kevéske lehet a sikerhez.
Mivel hónapok óta csemegézek a fellelhető ilyesmi projektek között, és egyedül ez van kellően dokumentálva, és viszonylag beszerezhető alkatrészekből áll, így feltett szándékom nem tágítani tőle.
Kíváncsi vagyok, hogy törte már -e a fejét ilyesmiben valaki, és mire jutott?

sa01.gif
    
(#) Ferkógyerek válasza dokidoki hozzászólására (») Júl 6, 2014 /
 
Szia!
Építettem már TV tunerre épülő hasonló analizátort . Játéknak jó, semmi másra.
Az alapjai jók, de a szkópos megjelenítés kissé idejétmúlt és a leolvashatósága sem az igazi. Kell hozzá legalább egy markergenerátor.
Kicsit kellene jobban digitalizálni, számítógéppel vezérelt frekvenciahangolás, egy AD konverter a detektor után, úgy már használhatóbb lenne. Akkor még mindíg ott van az oszcillátor és a bemenet frekvenciafüggő viselkedése, esetleg szoftveres kompenzációja egy referencia műszer segítségével.
A hozzászólás módosítva: Júl 6, 2014
(#) dokidoki válasza Ferkógyerek hozzászólására (») Júl 6, 2014 /
 
Szia.
Igen, ennek a szerzője is emlegeti az ilyesfajta megoldásokat, és nem is ír róluk biztatóan. Amit Ő épített, már ezek gyermekbetegségeit kikerülve tette. Ehhez tartozik szintén a tracking generátor, marker generátor, normalizáló - tároló, frekvenciamérő, és jelszintmérő, és mellette igaz kicsike de kontrolleres szkóp lehetősége, még harmonikus konverter ha esetleg 2-26Ghz felé törne az ember.
Persze nem vitatom, hogy sajna még ennyi se kell versenyre egy igazi erre teremtett céleszközzel, de olyan sajnos közel utánaépíthetetlen és az árát földi halandó egy élet alatt se nyögi össze.
Ha alapjaiban megfelelően megépíthető, és mivel moduláris jellegű így továbbfejlesztésre, későbbi modernizálásra alkalmas alap lesz.
(#) dokidoki válasza Ferkógyerek hozzászólására (») Júl 6, 2014 /
 
Látom még így utólag, a betett linkedből, hogy van ilyen topik is. Átrágom magam rajta, mert ez a módja az autodidakta tanulásnak...
(#) Ferkógyerek válasza dokidoki hozzászólására (») Júl 6, 2014 /
 
A vicc az, hogy egy modern spektrumanalizátor analóg része ennél jóval egyszerűbb és kevesebb alkatrészből áll. Itt van pl. ez a Tektronix szkópba épített 3GHz-es analizátor. Ha eltekintünk a nagyfrekvenciás szerelés buktatóitól és az alkatrészek nehézkes beszerzésétől, szinte gyerekjáték lenne az utánépítése. A varázslat az AD átalakítás után kezdődik. Itt egy másik bemutató Davidtól, én ezt a Rigol analizátort tartom a minimumnak, innen kezdődnek a spektrumanalizátornak nevezhető műszerek.
Érdekesnek tartom hogy a rengeteg SDR-t fejlesztő emberből senkinek nem fordult meg a fejében, hogy egy kis átalakítással remek spektrumanalizátorhoz lehetne jutni, csak az "elejét" kellene cserélni és a szoftvert módosítani.
(#) dokidoki válasza Ferkógyerek hozzászólására (») Júl 7, 2014 /
 
A világ naposabbik felén könnyebb hozzájutni ilyen csemegékhez, de ha építeni vágyik az emberfia akkor talán az alkatrészekhez és építőelemekhez is.
Megnézegettem a cuccokról készült képeit, hát nem kispályás a belseje egyiknek sem... Ahogy látom, akad benne pár még mezei smd-nek látszó alkatrész, pld. szűrőkör alkatrészei, de azok sem mezeiek.
Igen gondoltam rá, hogy majd kivezetem még az agyonszűrözött rész előtt a jelet (70MHz - nél) hogy a kölcsönben lévő SDR-stickemmel majd láthatóvá tegyem a cirka max 2 MHz spektrumot. Mert már régebben beleszerelmesedtem a vizuális megjelenítésébe. Bár a fül is igen érzékeny alaktrésze az embernek, de a szemünk se pite... A waterfall-on látható és rövidebb ideig megmaradó jelek sokkal jobbak mint az egyszerű szkópon megfigyelhető jelek.
Valamelyik online SDR oldalon van olyan vevő kilinkelve, mely komoly és folyamatos spektrumot digitalizál be... Van is elfekvőbe hozzá 12bit 350MHz AD-m, csak Én vagyok kevés az ilyen feladatra.
Jól publikált építési leírást meg eddig nem találtam. Szerintem bizonyos fejlesztések nem a széleskörű publikumnak szántak, mert ugyebár az aranytojást tojó tyúkra illik vigyázni.
Tegnap 99%-ra elkészültem a analizátor necces microstrip panelterveivel, a többi szerintem elkészíthető a gif képek alapján nyomtatva is. Már csak az alapanyagokat és a hozzávaló pénzt és paripát kell összeboronálni.
(#) gtk válasza dokidoki hozzászólására (») Júl 8, 2014 /
 
Szia. Feri nagyon jol latja a korabbi hozzaszolasaban a dolgokat Jo muszert akkor lehet epiteni ha van nagyon jo merestechnika. En is jo nehany eve spektrumanalizator epitesen varialok. Aztan vettem egyet. De hogy ne beszeljek melle: Szerintem YIG-gel erdemes foglalkozni. Ebayen egesz olcson lehet venni olyan tiipusokat amely 2..4GHz-ig mukodnek. Tisztabb a jele mint egy szellessavu VCO-nak, es a meghajto aramkort megcsinalni sem annyira veszes, szerintem. Legfejlebb olyanra kell bizni az iranycsatolok elkesziteset, bemereset akinek van merestechnika, aztan ha egyszer osszeallt a muszer, profi lesz.
Következő: »»   19 / 53
Bejelentkezés

Belépés

Hirdetés
XDT.hu
Az oldalon sütiket használunk a helyes működéshez. Bővebb információt az adatvédelmi szabályzatban olvashatsz. Megértettem