Fórum témák
» Több friss téma |
Mielőtt kérdezel, a következő két dolgot ellenőrizd!
I. A helyes tápfeszültségek megléte.
II. A kimeneten van-e egyenfeszültség.
Élesztés.
Üdv. Van egy 5.1-es házimozi erősítőm. Az érdekelne, hogy hogy tudnám átalakítani 2.0-ássá?
Szia! Mit értesz átalakítás alatt? Használhatsz a hatból csatornából kettőt, nem lesz a készüléknek semmi baja.
Van 6 kimenetem amiből egy a mély, 5 pedig az éles. Szeretném ezt az erősítőt úgy használni, hogy 2 db 3 utas hangfalat hajtson meg. Azokban a hangfalakban van külön mély, közép és éles rész is és van saját panelje, hogy a frekvenciákat magának szétoszthassa. Tehát egy csatija van. Ezt az 5.1-et tudom hozzájuk használni?
Elképzelhető, hogy a szatellit hangszórókról le van vágva a mély hang. Rajzot, vagy legalább típusszámot adnál a készülékről?
aeg dvd 4602 hc
kapcsolási rajzot még sajna nem találtam
Ebbe kár belenyúlni, a szatelit csatornák teljesítménye nagyon szerény lehet.
Építs egy kétcsatornás erősítőt a háromutas hangsugárzóid számára. Hány ohm-osak és hány watt a terhelhetőségük?
4db végfok ic van a panelen, összesen 130W teljesítménnyel. Ezt szeretném valahogy kihasználni. A hangfalak most nincsenek itt, de 2x70w és ha jól emlékszem 8Ohm
István ha a páciens azt nem tudja hogy hogyan kell belenyúlni egy adott cuccba akkor hogyan fog egy TDA7294 -el megbirkózni , szerintem ha vásárol egy gyári cuccot azzal jár a legjobban !
Szia! Pár kezdőt megtanítottam már TDA-t építeni, hátha újabb trófeát szerzek
Értem , esetleg ha ráadom a fejem egy TDA építésre akkor nekem is kell majd segitség .
Egyszer ráveszem magam, akkor befejezem a blogom azon részét, ahol ilyeneket szándékozom elég szájbarágósan leírni
Meg van beszélve
Remélem nemsokára ismét újdonsággal szolgálhatok.
Abból főzök ami van. Görgess a 31. oldalra! Egyébként tényleg annyi.
1 kimenetre annyi jut. De a kimenetek teljesítményét nem lehet valahogy összesíteni? És még a mélyet is hozzácsatolni? Így kaphatnánk egy vegyes frekvenciájú, viszonylag erős teljesítményű kimenetet. Ez az amire egyébként én az elejétől kezdve gondolok.
Az elméleti lehetőség valóban meg van rá, jól gondolkodsz. A kivitelezése az adott keretek között merem mondani - esélytelen.
Tapasztalatból mondom, tényleg csak elméletben lehet könnyedén összegezni több csatorna teljesítményét.
Értem. Minden esetre köszönöm az eddigi segítségeket
Sziasztok!
Az erősítő: Yamaha RX-V457 http://elektrotanya.com/yamaha_rx-v457_v557_sm.pdf/download.html Hiba: Nem kapcsol be. (88. oldal / C3) Subtrans(1)-el lehet a probléma(Tipp). Cseréltem C405-öt, mert lecsökkent a kapacitása. Cseréltem Q401, Q404, D401, D405, D406, és C406. S10 - 11.5V PRY - 0V E - 0V (Ehhez képest mértem) PDET - 0V +5M - 4.97V /RES - 5.15V. Az IC402 7-14 lába közt 6V-ot mérek. A stby transzformátor szekunderén lévő feszültséget fényképeztem. Ucs-cs=6V. Elég csúnya, de egyenirányítás/pufferelés után szép 11.5V DC. Némi irányt, tanácsot, tippet elfogadnék. Köszönöm!
Hali! nézd meg, hogy a Mictro Computer ( PDF 90. oldal ) nevű ic-nél lévő fesz. stab. ic452 után megvan e az 5V. Ha ez megvan, akkor nézd meg, hogy a bekapcsoló gomb jele eljut e ameddig kell.
Ha nincs meg az 5V, akkor húzd le azt a csatlakozót, amin keresztül arra a panelra megy a készenléti feszültség, és mérd meg, hogy ott jelen van e, ha megvan és visszadugod a helyére, akkor ismét mérj rá, hogy mennyit csökken. ( volt egy RX-v450 nálam, amiben a MCU volt zárlatos, és úgy jöttem rá, hogy a készenléti feszültség leesett, mikor a csatlakozó be volt dugva )
Heló!
IC452 előtt 11.5V , utána 5.7V A bekapcsoló gomb jele is eljut a Micro Computer 74-es lábára az R534-es ellenálláson keresztül. Köszönöm az eddigi segítséget, továbbra is keresem a hibáját.
Sziasztok!
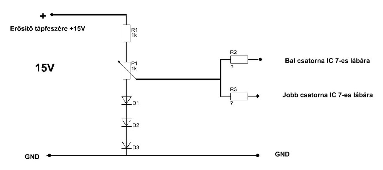
Egy TDA1013B IC-vel megépített sztereo erősítő hangerőszabályzását kellene megoldanom (1. ábra). Az IC feszültségvezérelt hangerőszabályzással rendelkezik és ezt a gyakorlatban a 2. ábra szerint szeretném megvalósítani. Az IC adatlapja azt írja, hogy a 7. lábra kapcsolt 2 - 6,5V feszültséggel lehet a hangerőt szabályozni, ezt a rajzon szereplő feszültségosztóval szeretném az erősítő tápfeszéből leosztani. Egyik kérdés, hogy ez így megvalósítható-e, nincs esetleg valami buktatója a dolognak A másik, hogy közösíthetem-e a két csatorna (jobb és bal oldal) 7-es pinjét annak érdekében, hogy a hangerőszabályzás egy mono potival elvégezhető legyen. Köszönöm!
Csak úgy össze nem kötheted. Egy egy soros ellenállással szétválaszthatod, de vedd figyelembe, hogy a 7. lábon áram folyik, (Fig.8) és a soros ellenálláson ne essen túl nagy feszültség.
Szia! Számoltál a gain control láb +0,2/-0,6mA bemenő áramával? Az R2 ellenállásod helyén 2-3 nyitó-irányú diódát szoktam használni.
Nem, nem számoltam még, egyenlőre az elv helyességére lettem volna kíváncsi.
Az 1K-s ellenállás és poti mellett 7mA-t enged a körben, az megfelelő, nem? A módosított ábrán R2 és R3 értékére tennétek javaslatot? Pucuka: Köszi a választ neked is!
Megépíteném R2, R3 helyén egyelőre átkötéssel (0 ohm ), igény szerint tennék be ellenállást, ha az együttfutás indokolja.
Megnéztem, nálam simán össze van kötve. Igaz, másik IC. A hozzászólás módosítva: Jún 26, 2014
Tudnátok ajánlani nekem valami jó hangú AB osztályú diszkrét félvezetős erősítőt? Olyan 2*20W kimenő teljesítmény elég is lenne. Jöhet több ötlet is.
![]() Jelenleg egy kis gainclone (lm1875) van nem invertáló kapcsolásban. |
Bejelentkezés
Hirdetés |




Remélem nemsokára ismét újdonsággal szolgálhatok. 







