Fórum témák
» Több friss téma |
Mielőtt kérdezel, a következő két dolgot ellenőrizd!
I. A helyes tápfeszültségek megléte.
II. A kimeneten van-e egyenfeszültség.
Élesztés.
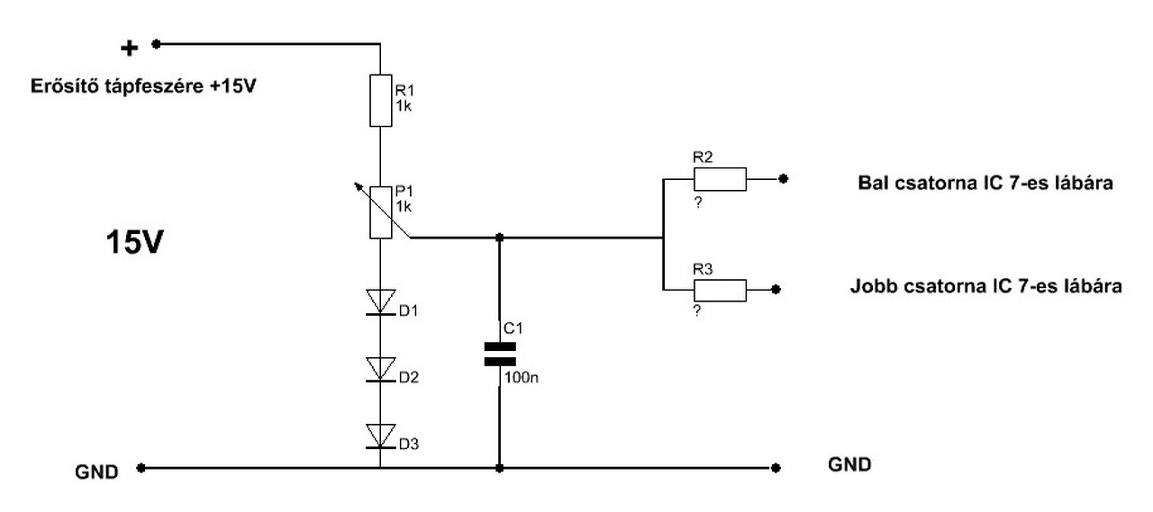
Ok, köszi! Kipróbálom R2 R3 nélkül először.
100nF-ot is teszek a csúszkára hidegítésnek, ahogy a Te alkalmazásodnál láttam. Az 1K ellenállás és poti érték az osztóban véleményed szerinted megfelelő? A hozzászólás módosítva: Jún 27, 2014
Az osztó szerintem jó lesz, C1-et 10-100µF közé választanám.
Üdv mindenkinek!
Adott egy Grundög V5000 típusú erősködő amiben oldalanként 1-1 db pnp végtranzisztor hibás volt. Mivel 2-2 db pár van benne, jobb híján kiiktattam a hozzájuk tartozó npn-eket is, így minden okés, szól is szépen. Két tiszteletteljes kérdésem lenne: 1., Nem lapul e valakinek a fiók mélyén esetleg 2 darab G746C jelölésű tranzisztor? 2., Jelen felállásban, terhelhetem e büntetlenül 4 Ohm-mal? A táp +- 40 Volt. Nem nagyon szeretnék 8 db végtranyát beleönteni, na meg jó lenne eredetiben meghagyni... Köszi!
Bulit ne rendezz vele és ne nagyon döngesd, de túlélheti, ha ésszel használod. Én előtte azért átpasztáznám a tranzisztorokat!
Bulit ezzel semmiképp...
Pasztázás mindenképp meglesz, sőt jó pár elkó is ki lesz cserélve, hiszen legalább 30 éves a lelkem. Az lenne a legjobb ha lenne valakinek bontott G746C. Nem igazán találtam hirtelen semmilyen infót erről a tranyáról. Nagyon szép hangú, minőségi cucc. Ebbe még toltak anyagot. ![]() Köszönöm! A hozzászólás módosítva: Jún 27, 2014
Nos, kb. fél órája hajtom félig ésszel, és nem melegszik rendellenesen.
Én keresnék bele valami korszerű helyettesítő tranzisztort. biztos, hogy ez a típusa? Mi van még ráírva?
Úgy látom TIP36C jó bele, az árban is kedvező.
Nincs ráírva semmi más. A manuál szerint is ennyi a típusjelzés.
Köszi, ezt leltem Én is egyéb helyeken helyettesítőnek. Bár ennyi erővel talán pl. BD250c vagy hasonló is mehetne bele ami kéznél van, de tartok a béta és az fT különbségek miatt.
Ez a kapcsolás szerinted mennyire érzékeny az ilyesmire? Habár a TIP36C is "csak" 3Mhz-es... A hozzászólás módosítva: Jún 27, 2014
Ha megbecsült készülékről van szó, nem sajnálnám tőle a teljes végfok-garnitúrát sem.
A szomszédos párok legyenek egy sorozatból valók, az áram arányos megoszlására így lesz a legnagyobb esély. A TIP, BD sorozatú tranzisztorok megállják a helyüket, a ±40V amúgy sem nem nagy kihívás. Egy ilyen szépség vendégeskedik nálam, BD911-BD912-est kapott, nagyon jól viselkedik tőle ![]() Szerk.: Példa a helyettesítésre. A hozzászólás módosítva: Jún 28, 2014
Nem tudom még mennyire lesz megbecsült, de magam is a komplett cserét fontolgatom.
Azóta is folyamatosan dolgozik 1-1 párral 4 Ohm-ra és eddig nagyon rendben van. Majd még kitalálom mi legyen, de korrekt leszek vele, megérdemli. ![]() Tényleg szépike a Kenwood vendéged!! Ez a Grudig ilyen: V5000 Köszönöm a figyelmet uraim!
Sziasztok!
A kezeim közé akadt egy 80-as évekbeli lemezlejátszó. Lider 306 Mono a típusa. Tökéletesen működik egy dolgot leszámítva. Max hangerőn is elég halkan szól bakelitről de észrevettem, hogy ha a bemenetére külső jelet vezetek rá akkor is elég nagy jelszint kell neki a normális hangerőhöz. Egyszóval kicsi az erősítése a benne lévő tranzisztoros erősítőnek. Nem tudom, hogy alapból ilyen-e vagy idővel lett ilyen. Ugyebár tranyós végfokoknál néhány ellenállás állítja be az erősítést szóval ezeket kéne csak módosítanom és szuper lenne. Ebben szeretnék kérni segítséget, hogy melyik ellenállást cseréljem ki és milyenre esetleg potira, hogy közben tudjam állítani. Erről a szerkezetről lenne szó. Itt a kézikönyve aminek a 30. oldalán a kapcsolási rajz.
Szia! Ezek az elektrolitkondenzátorok nem az időtállóságukról híresek, pláne 30+ korukban. Mindet cseréld le kíméletlenül!
Egy érdekesség, ha már megemlítetted az elko-kat. Szíjgarnitúrát cseréltem, egy 1983-as JVC rádiósmagnóban, és igencsak nyafizott utána is. Erre kicseréltem a motor tápkondiját, és megjavult. Rámérve jött a meglepi. A kapacitása, és az ESR értéke is magasan jó volt, mégis valami gáz volt vele. Tehát cserélni mindenképp érdemes.
Átnéztem a rajzát, a telep táplálás kapcsolója szorosabb visszacsatolást eredményez, az a kapcsoló rendben?
Telep kapcsoló rendben, csak úgy használtam hogy az benyomva volt miközben külső 12 Voltot adtam rá a megfelelő helyen mert nincs hozzá 220-as dugóm. Átkondizásra gondoltam de annyira túl vannak méretezve a kondik, hogy egyenlőre nem láttam szükségesnek. A hangja nagyon szép és olyan basszusa van, hogy ki sem nézné belőle az ember. Ezért is szeretném ha tökéletesen működne.
Ha nincs a mélyhangra panasz, akkor nem vészes az elkó helyzet. Emeld ki az R30 egyik lábát, vagy valamilyen praktikus módon iktasd ki.
Sziasztok! Egy Sharp erősítő illesztésével akadt gondom quad 405 végfokhoz.Azz STK043 helyére szeretném bekötni de halkabb az erősítő mint direktben adott jelnél.
A quados topikban reloop kolléga ajánlotta hogy jöjjek ide. Tehát ide kötöttem a végfokról az árnyékolt kábelt és gyengusz a jel.Plusz egy kép az eredeti vékfokról.
Szia kadarist! q105,106 E-C ellenállásainak változtatásával nem lehetne beállítani az erősséget? Ha minden kötél szakad csinálok hozzá előerősítőt 4558-ból,mert csak ilyen ic van itthon.
Üdv.:Roymen
Ott hagytuk abba, hogy kap tápot a Sharp panel? 20V kell a tranzisztoros fokozatnak.
Szia! Igen kap tápot.A gyári trafójáról üzemeltetem,egyenlőre kívül van,holnap helyet kap ő is a dobozban.Megvan a 20V a panelen.
A hozzászólás módosítva: Jún 28, 2014
Az aux-ot. A többi bemeneten még nem próbáltam, de ma nem is fogom, mert a szomszéd megjelent, és finoman szólva elég morcos volt. Holnap folytatom, mert meglincselnek ha ma még zenét hallanak.
![]() Jó éjt! Üdv.: Roymen
Az AUX elvileg rendben. A MIXOUT-ról lehetne jelentős veszteséggel jelet bevinni.
Szia!
Szerintem nem az erősítője rossz, hangszedő döglött. Kerámia alapú fejek hamar öregednek, kimeneti szintjük lecsökken, 300-500 mV feszültséget kéne produkálnia ha jó.
Sziasztok! Van egy olyan problémám, hogy van egy Vermona Regent 25 G-1 típusú gitárerősítőm amiben a panel tönkrement ehelyett kellene nekem egy kapcsolási rajz hozzá ami a lényeg, hogy 8-10 W legyen a teljesítménye és legyen rajta gain , volume, bass és treble állíthatóság. Előre is köszönöm.
Sziasztok!
Kellene nekem egy 2x50w-os erősítő lehetőleg úgy hogy 12 voltról (pc tápról) elmenjen tudnátok javasolni kapcsolási rajzot? |
Bejelentkezés
Hirdetés |






Pasztázás mindenképp meglesz, sőt jó pár elkó is ki lesz cserélve, hiszen legalább 30 éves a lelkem. Az lenne a legjobb ha lenne valakinek bontott G746C. Nem igazán találtam hirtelen semmilyen infót erről a tranyáról. Nagyon szép hangú, minőségi cucc. Ebbe még toltak anyagot. 







