Fórum témák
» Több friss téma |
Fórum » Aktív hangváltó
Ez szubjektív egy kicsit. Valószínűleg a szelektivitás nem a legjobb, de mivel csak egy szűrő van, jobb lehet a fázismenet.
Nekem van egy 3utas ilyen hangváltóm már vagy 10 éve, de soha nem hallgattam még meg. (megvetem több lommal együtt azóta a padlás lakója)
Én úgy gondoltam, hogy felül/alulnak is 1-1 poti és két mono modul lenne
Van esetleg egy ilyen kapcsolási rajzod?
Akkor is csak 12dB lenne, de lehet kapni, ha ritka is, quadro (4es) potit is! Azzal már meg lehet a 24dB.
Primary! Keresek neked olyan rajzot.
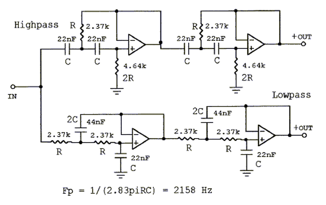
Na találtam !
Érdekes hogy elsőnek angol terminológiával kerestem, és azzal nem találtam, de magyarral igen. Az áramkörben a A4 , A7 és a környéke alkotja a szűrőket (12dB), az A2 és az A5 pedig a kivonó áramkör része.
Sziasztok!
Valaki tudna nekem segíteni kiszámolni ezt a hangváltót 4,5KHz keresztezési frekvenciára? Bárhogy számolom sehogy nem jön ki ez a 2158Hz, rossz a képlet?
Szia! Képlet jó, eredmény pont annyi. A keresett ellenállás 1,14k.
Szia!
Le vezetnéd nekem? Mert nekem 0,6Hz jön ki meg ehhez hasonló eredmények.
f=1/(2,83*3,14*1140*22*10-9)
Azt áruld el mit csináltál másképp
Sziasztok! Szükségem volna egy egyszerű LOW PASS filter kapcsolásra, gain állíthatósággal, 120 Hz-en vágva.
Volt egy kapcsolás a cikkek között, ami egy 3 utas másodrendű hangváltó volt, még előlap terv is volt hozzá. Most nem találom. Hova lett?
Sziasztok
Nemrég vettem egy aktiv szubbasszus szűrőt, melyet meg is építettem! Visont valami hiba van a szerkezetben mert nem teljesen egyértelmű a leírás! PL.: Az ültetési rajzon baloldalt egy 10mF-os kondi polaritása pont fordyítva van mint az ehhez tartozó kapcsolási rajzon! Most akkor melyik a jó? o.O Az általam összeépített panelen a Jumper rossz helyen van, de már kijavítottam, de sajnos még mindig búg és a zene is torzít. :/ Jelenleg a Tl072-es IC-k helyett TL082esek vannak mert tévedésből ilyet adtak a boltban viszont nagy különbséget nem találtam a specifikációikban ezért beraktam hátha.. .(nemtudom h ez lehet e a baj) Ha valakinek van tippje meghalgatom
Nekem az a gyanús hogy nem látok árnyékolt jelkábelt az összeépített panelon. A 10µF os kondit fordítsd meg, mert a rajzon és a beültetési rajzon jól van, csak az összerakott panelen nem. Tehát a poláris kondik negatív jelzésű csíkja a negatívabb feszültségű "vezetéken" kell legyen.
A hozzászólás módosítva: Ápr 23, 2015
Hello! Ha torzít, vagy túlvezérlés van, vagy valamelyik (vagy mind) IC-k munkapontja nem jó. Minden IC kimenetén (TL082 1 és 7-es láb, TL071 7-es láb) fáltápfeszültségnek kell lenni.
Ha búg, vagy zavarjel kerül rá (ahogy Szabi írja nincs árnyékolt), vagy földhurok van a GND hálózaton, vagy szűretlen a tápfeszültség. Amúgy egy basszus, pont érzékeny erre a dologra, hiszen pont a "mély hangokkal foglalkozik"..
Ha nincs féltáp valamelyik kimeneten, akkor vagy a munkapont beállítás nem jó, vagy a visszacsatolásban van hiba.
A munkaponti féltápot, a bemenetnél található két 10kohm állítja elő. Ez a féltáp jut el, minden IC neminvertáló (+) bemenetére. Ezt kell esőként ellenőrizni. Ha eljut, és még sincs féltáp a kimeneten, akkor a visszacsatoló hálózatban van vagy zárlat, vagy szakadás. Mert minden invertáló bemenetre (-) ugyan ennek a féltápnak kel visszajutni. De egy péda.. Az első fokozatnál az 1a IC 1-es kimenetéről a feszültség a potin keresztül jut vissza a 2-es lábra. Mivel a két bementi 330nF felé egyenáram nem folyik, a poti állításával, csak a váltóáramú erősítés változik, az egyenáramú nem, az mindig egyszeres. Tehát az 1-es kimeneten mindig féltáp van. Az 1b erősítő erősítése -1-szeres. De mivel az 5-ös lába is féltápot kap, és a 6-os is az 1-es kimenetről, így gyakorlatilag "nincs mit erősítenie", ezért a kimeneten is féltáp van. De ha pld. megszakadna a 6-7 láb közötti 10k, akkor nem lenne visszacsatolás, és maximális erősítés (nyílthurkú) miatt, a kimenet kiakadhat a tápra. Ugyan ez történne, ha a 6-1 láb közötti 10k zárlat lenne. (Vagy mondjuk egy 10ohm a 10k helyett.)
A 10 K ohm-os ellenállások jók kiforrasztva mértem 9,99KOhm
Az ültetési rajz bal felsö sarkában van egy forrasztó tüske amiről nemtudok semmit ,hogy miert van ott ha nemkell jumpert rakni rá... Vagy esetleg kell rá?!
A hozzászólás módosítva: Ápr 25, 2015
Én nem ismerem ezt a valamit, csak amit az általad feltett képen látni vélek azt írom. (Mert alig látom, a beültetési rajzon a nyák honnan-hova megy.)
Gyanítom hogy a két tüske arra szolgálna, hogy ha a 100kohm-os trimmer helyett külső potival szabályoznánk az erősítést ide lehetne kötni. Attól, hogy az ellenállás jó, még a nyákon lehet hiba. De a nemműködő fokozatok feszültség mérésével a hiba esetleg kideríthető. Minden estre "nagyszerű", hogy a kapcsolási rajzon pozíciószámok nem szerepelnek, jól megnehezíti a hivatkozásokat úgy mint a hibakeresést.. Úgy kell körülírni valamit, az helyett, hogy a pozíciószámára lehetne hivatkozni. Pld. így hogy R24
A biztonság kedvéért itt van pár kép.
Ha eredményre szeretnél jutni, akkor feszültségeket kell méregetni az IC-k lábain. Mert amíg a munkapontok (féltápok) nincsenek rendben, addig nem lehet továbblépni..
Szeretnék előrelépni nagyon.
Amiket kimértem korábban leírtam.. A 10Kohm ellenállások rendben vannak.
"Az egyik(panelen középen) TL082-es IC 1es és 7eskimenetén féltápfesz van , a masikon mindket lábon majdnem a tápfesz (kb 0,8V-al kevesebb mint a tápfesz). A TL071-esen a 7es lábán szintén majdnem tápfesz az 1es lábán kb 0,14V"
Mindössze ennyit írtál. De ezek szerint két panel van. Akkor lehet össze kellene hasonlítani a kettőt. Továbbá, nem mérted meg az IC-k egyéb lábain a feszültségeket. És jó lenne egyszerre csak egy panelről beszélni, és azonosítani melyik alkatrészről van szó. Mert pld. TL071-ről beszélsz, és 7-es és 1-es lábról. De ez meg egy TL082 kimeneteinek felel meg.. Szóval egyszerű a kérdés, mit mérünk és hol?
Legbiztosabb, ha az áram irányát követve végig méregetek mindent! Csak szeretnék némi segítséget h a mért érték megfelelő e vagy sem.
Pl.:Rögtön a betápnál, a dióda után mekkora feszt kellene mérnem kb? A hozzászólás módosítva: Ápr 26, 2015
A dióda mondjuk nincs az elvi rajzon, de ha jól látom a tápfeszültséggel van sorba. Tehát az után a dióda nyitófeszültségével kisebb lesz a tápfeszültség. Jelentősége viszont nem sok van.
Értem, akkor tovább haladva az ültetési rajzon a betáp felett a 15K ill. 120K megkapja a féltápot az elmenőjük mekkora kell h legyen?
A kapcsolási rajzot célszerű nézni, nem a beültetésit. Ott láthatod, hogy a baloldali két 10kohm osztja le felére a tápot. Ezt a feszültséget kapja meg minden erősítő munkaponti feszültségnek (többek között az emlegetett 15k és 120k is). Innentől kezdve mindenhol ezt a féltápot kell mérni. Ahol nincs meg, ott hiba van.
Hibás kondi okozhatja a problémát?
|
Bejelentkezés
Hirdetés |



















