Fórum témák
» Több friss téma |
- Ez a felület kizárólag, az elektronikában kezdők kérdéseinek van fenntartva és nem elfelejtve, hogy hobbielektronika a fórumunk!
- Ami tehát azt jelenti, hogy a nagymama bevásárlását nem itt beszéljük meg, ill. ez nem üzenőfal! - Kerülendő az olyan kérdés, amit egy másik meglévő (több mint 17000 van), témában kellene kitárgyalni! - És végül büntetés terhe mellett kerülendő az MSN és egyéb szleng, a magyar helyesírás mellőzése, beleértve a mondateleji nagybetűket is!
Köszönöm, a segédprogram nagyon hasznos, nem tudtam hogy ez is van az oldalon.
Így számoltam: 12 volt a táp, két led. vagyis 12-(2,03+2, 03)= 7,94. 7,94/0,01 A = 790 ohm. (korábban 2,2 miatt lett kisebb. ) A másik ág 3 leddel, de fehérek, meg 12-9,6 = 2,4; 2,4/0.01A = 240 ohm (itt is 2,2-vel számoltak korábban). Vagyis 790 és 240 ohm, szóval a nagyságrend az ugyanott maradt. Nekem meg a hátam mögött most is 10K és 15Kval világít. Vagy ezek a LED-ek ennyire nem érzékenyek az áramerősségre és "elmennek" nagyságrenddel kisebb árammal is? Mert a 10mA helyett ezeken most kb 0,5 és 0,2 milliamper folyik, ha jól számoltam. Ez is elég nekik? A hozzászólás módosítva: Júl 10, 2014
A LED paraméterek között megadott áram egy maximum érték, amit folyamatos üzemben átlagos környezeti hőmérsékleten elvisel. Ezt az értéket tartósan nem szabad túllépni.
Az, hogy az általad igényelt, elfogadott fényerőt mekkora árammal tudják produkálni, az változó. Egészen pontosan a hatásfok függvénye, amit elég nehéz meghatározni. Sötétben milliamper környéke is elég lehet, napsütésben pedig a maximális érték közelében van. Legjobb hatásfoka a kék és fehér LEDek nek van, de az újabb, más színű LEDek is megközelíthetik ezt. Ezek az úgynevezett szuperfényes LEDek.
Hello!
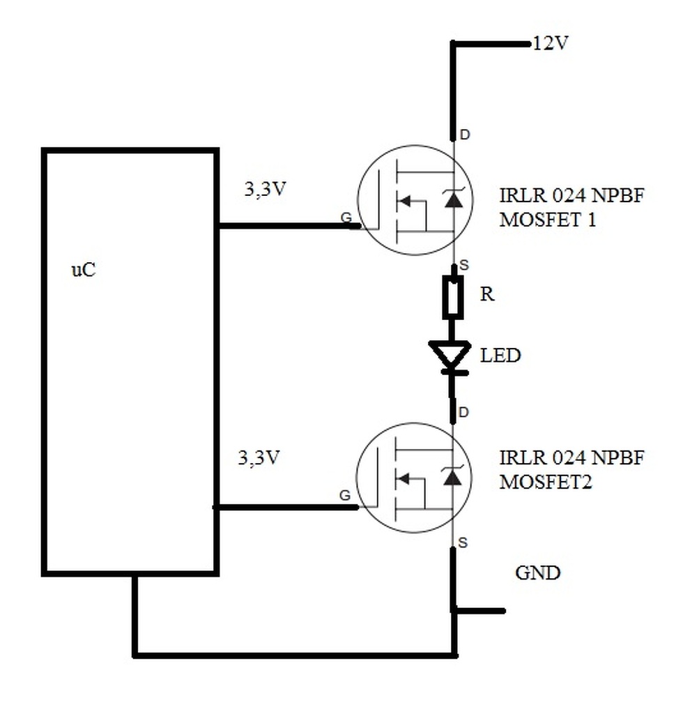
Lenne egy alapkérdésem. Van egy mikrokontrollerem, amivel egy nagy kijelző szegmenseit kapcsolgatom. A 7szegmenses kijelző tápfeszültsége 11VDC körüli. Egyelőre 2db MOSFETet (egyelőre értelmetlennek tűnik a 2 db, de ha 3 kijelző lesz, akkor kelleni fog) használok. Először csak egy szegmenst szeretnék életre kelteni, tehát csak az világítson. Feltöltöttem egy kapcsolást (bocsi gyenge minőségért), de így nem működik. Viszont ha az első MOSFET-et kiveszem, és helyére rövidzárat teszek, akkor gond nélkül világít a LED. Mit rontottam el, és hogyan orvosoljam szerintetek? Köszönöm! László A hozzászólás módosítva: Júl 10, 2014
Elég feszültséget ad a kontroller, hogy a MOSFET nyisson?
Mikrokontrolleres alkalmazás esetén logikai FET kell.
Igen, megmértem. Szerintem a felső MOSFET kapcsolásánál van valami baj.
Amikor a uC nyitná a fetet, mérd meg, tényleg ott van-e a szükséges minimális feszültség a nyitáshoz. Ebben a konfigurációban mind a két elemnek nyitva kell lennie, hogy folyhasson áram. Nem tudom elképzelni, hogy hogyan fogod ezt bekötni a három kijelzőhöz.
Azt most nem is kell elképzelni
, de majd küldök egy ábrát arról is, ha ez működik.IRLR 024 NPBF logikai FET szerintem. Ott van a minimális feszültség a nyitáshoz.
Erre nem lehet válaszolni, például ebay-en olcsóbb a motorvezérlő panel Bővebben: Link mint Magyarországon maga a l298n.
Esetleg nem nyírtad ki a fetet? ESD-re figyelni kell feteknél. Ez a fet valóban logikai fet, ott van az adatlapján, a legelső sor. Ha jók a fetek, és ki is nyitnak, akkor ennek működnie kell, Murphyt leszámítva. Min van összerakva? Dugipanelen? Nem dugtál véletlen valamit félre esetleg?
Forrasztva van, megpróbálom kicserélni (bár elég rövid ideig forrasztottam), hátha kinyiffant.
Taperolás is hazavághatja.
Üdv!
Valahol, a képen látható feszültségszabályzó megépítése során, hibát követtem el. A gondom, hogy pár száz mA-es terhelésnél már nem működik, csak 2-3V-ot kapok 5V helyett. A feszültséget egy RECOM R-78B5szabályozná, ami egy step-down dc konverter. Milyen hibát köthettem el? SB
kicseréltem mindkét MOSFET-et. A jelenség ugyanaz. Ha a 2. MOSFET van csak az áramkörben, akkor működik, ha az 1-es is, akkor nem
.Sőt, kipróbáltam külön tápegységgel is uC nélkül. (amin van 3.3, és 12V DC), de ugyanazt produkálta. A hozzászólás módosítva: Júl 11, 2014
Azt is kipróbáltam, hogy megcseréltem most a két MOSFET-et, és így is ugyanazt a jelenséget produkálja (tehát mindkét MOSFET jól működik)
És ha csak az 1-es van? A programban is lehet hiba.
Mondom kipróbáltam csak tápegységgel, program, uC nélkül. 2-essel működik, együtt nem. Akkor sem, ha a 2-est helyettesítem rövidzárral, tehát ' ha csak az 1-es van'. Mostmár szinte biztos, hogy az 1-es kapcsolásával van valami baj. Betegyem egy nem kezdő kérdések topikba?
Most lemodelleztem egy programban, és ha ugyanarról a tápról hajtom a feteket, mint amivel táplálom a ledet is, akkor tökéletesen megy. Ha viszont külön feszforrással, itt a uC, akkor pedig ugyanazt kaptam mint te.
A hozzászólás módosítva: Júl 11, 2014
Esetleg valahogy, más elrendezésben nem lehet megoldani, hogy ne legyenek sorban a fetek?
Kapcsolóüzemű PC tápokban még az egyenirányítás előtt van egy fázis-föld és egy nulla-föld kondenzátor (gondolom zavarszűrésre). Ha a kondenzátor átengedi a váltófeszültséget, akkor hogy lehet, hogy nem keletkezik rövidzár?
Mivel a kondenzátorra kötött feszültség frekvenciájától is függ a kondenzátoron átfolyó áram, ezért nem alakul ki akkora áram, hogy ez gondot okozzon. Tehát kis kapacitású kondenzátor plusz kis hálózati frekvencia egyenlő kis átfolyó áram.
A felső FET-et csak akkor tudod kinyitni, ha a gate-re a tápfesznél nagyobb feszültséget kapcsolsz (ugye a source közel tápon lenne). Ezt macerás megoldani, szerintem egyszerűbb P csatornás FET-et használni.
Jól sejtem, hogy az Xc=1/(2pi*f*C) összefüggéssel kell számolni? Ezért ha kicsi az f és C akkor az Xc nagy?
Szia!
A felső FET ebben a kapcsolásban nem működik, mert a nyitásához 12V+Ugs feszültség kellene. P csatornás FET-re kellene kicserélni aminek Gétjét egy NPN tranzisztor kollektora húzná földre, biztosítva ezzel a P csatornás FET nyitófeszültségét. Üdv.
Köszönöm a modellezést! Ezt melyik programmal csináltad?
Sajnos nem lehet másfajta elrendezés. Kisebb kijelzőkkel is így van megoldva, csak azt a uC is simán meg tudja hajtani, ezért nem kellett hozzá MOSFET. De itt kell sajnos. :s (Ez nem a jelenlegi problémához kapcsolódik: mivel 3 kijelzőt használok, ezért 3 db uC lábon +3,3V-al kapcsolom, hogy melyik kijelző aktív éppen. Hogy melyik szegmens világítson éppen, azt meg 7 db uC lábon földre húzom (most, hogy MOSFET van így nyilván nem földre húzom, hanem ott is +3,3V-al kapcsolgatom). Ezt ugye a másodperc töredéke alatt, ezért mindhárom kijelző világít [látszólag csak]. csatoltam a képet. A lényeg, hogy minden kijelzőhöz vezető lábnál FET-et teszek be)
A program a googleban rákeresve megtalálható. Beírod, hogy circuit simulator, nekem első találat, de egy falstad.com/xyz címre mutat az oldal.
Vedd ki a BA diódát és próbáld ki úgy. Igaz így csak 4,3 V lesz a kimenőd, de az legalább lesz
![]() A kimenetre ne 4007-et tegyél, hanem egy schottky-t.
Még egy fontos dolog: ezeknek a kondenzátoroknak Y kategóriájúaknak kell lenni (általában Y2). Ezek a kondik meghibásodás esetén szakadásba mennek, így nem okoznak rövidzárat.
Oké, köszi. Szerintem kipróbálok valami szimulátort. LTspice-t használtam eddig, de az másik gépen van, ahhoz most nem férek hozzá.
|
Bejelentkezés
Hirdetés |





, de majd küldök egy ábrát arról is, ha ez működik.
.






