Fórum témák
» Több friss téma |
Mielőtt kérdezel, a következő két dolgot ellenőrizd!
I. A helyes tápfeszültségek megléte.
II. A kimeneten van-e egyenfeszültség.
Élesztés.
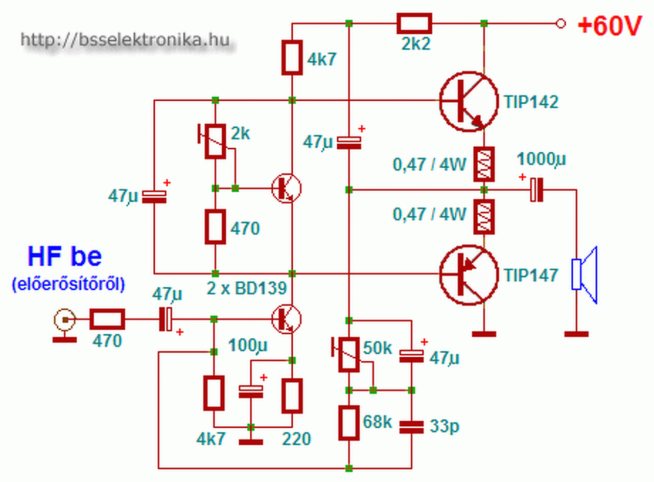
Szia! Olvastam másnak is meggyűlt már ezzel a baja. A Bluetooth Receiver táptest és a kimeneti jack test között úgy tűnik van egy kis zaj. Egy szimmetrikus jelfogadóval tisztán le lehetne választani, igen szerény költség mellett.
Sziasztok!
Bátyámnak még régebben elhalálozott a studio monitorhangdobozaiban a táppanel. Már egy ideje javítják. Tegnap felvetette, hogy lehetne e addíg még készül összedobni valami egyszerű kapcsolást, amivel megtud hajtani 2 elfekvőben lévő 2 utas hangdobozt. Igazából a kérdés, hogyan oldják meg ezekben a cuccokban, hogy akármit kevernek rajtuk, az minden eszközön (autó,házimozi,pc,tv, stb.) ugyanúgy szól? Nem tudom jobban kifejezni, nem vagyok muzsikus. Gondolom függ az erősítőtől is, meg nemmellesleg a hangszórótól is. Van erre valami szentírás? Hangszer kellene, nem hifi kapcsolás. Köszönöm mindenkiek előre is! Zoli A hozzászólás módosítva: Júl 28, 2014
Hello!
A legtöbb aktív stúdió monitor biamplifikált, vagyis külön erősítője van a csipogónak és külön a mély-közép hangszórónak. Ha addig használni akarjátok, amíg a tápok javítás/beszerzés alatt vannak, akkor talán az egyszerűbb az a megoldás, ha átmenetileg külső tápról használjátok. Talán ez az egyszerűbb, mint két-két végfokot keríteni aktív hangváltókkal. Lehetne egy sztereó végfokról is hallgatni a két dobozt, de akkor passzív hangváltók kellenének a magasak és a mélyek közé, viszont akkor tuti, hogy már nem úgy fognak szólni. A hozzászólás módosítva: Júl 28, 2014
Nem másik erősítőről szeretném hajtani őket. Azok félre vannak rakva. A képen lévő hangsugárzóból van egy pár a polcon. Az lenne a kérdés, hogy meg lehet e őket valahogy hajtani a fennt említett céllal. Lehet-e készíteni hozzájuk erősítőt.
Vagy hagyni az egészet, és venni újat.
köszönöm szépen .a segítséget bocs!!! a helyes írási hibákért.
Átforrasztottam az összes forrpontot. Nem javult a helyzet, sőt, romlott. Majdnem leégett a hangszóróm. Testre zárt bemenettel a hangfal csatlakozón 8-15V feszültséget mértem. (csatoló kondi nélküli)
A tápfeszültség a testhez képest -30V és 41V. Valami nem kerek a negatív oldalon szerintem. Fene, hogy neten nincs kapcsolási rajz hozzá....
Kicsit elolvastam, elnézést.
A monitoroknak jórészt a hangszórók és a hozzájuk hangolt doboz határozza meg a hangját. Persze, az erősítő, meg a hangváltó is, de leginkább a hangszórók, meg a doboz, ennél a párnál pedig még a passzív hangváltó is. Először ki kellene próbálni egy normálisabb erősítőről, hogy milyen a hangjuk, aztán építeni, ha van hozzá kedvetek. Gyanítom, hogy nagyon máshogy fog szólni, mint amit a monitoroknál megszoktatok. Idézet: „Fene, hogy neten nincs kapcsolási rajz hozzá....” Ez nem annak a szervizkönyve, amit te keresel?
Sziasztok!A mellékelt kapcsolásból +-38 volttal hajtva kb. hány wattot lehet kihozni ha a trafó teljesítménye megfelelő?Illetve hány wattos trafó kellene hozzá?Ez elvileg egy ibiza amp 300-as erősítőnek a kapcsolási rajza, a neten találtam,ha nem jó akkor elnézést kérek érte,nem értek túlzottan a dologhoz,csak egy másik fórumban arról folyik a vita,hogy mennyit tudhat ez a végfok?Én 50 wattra tippelném 8 ohmra max. , de ez csak feltételezés.
38V-ról 70W a max 8ohm-ra, minden kapcsolással, a tápfeszültség határozza meg a kimenő teljesítményt.
Értem.És ebben a konkrét esetben nem tudnád pontosítani ezt az értéket?A végfetek (tranzisztorok?) típusára gondolok,hogy azok mennyit bírnak leadni ?
Írd be a gugliba a tipusukat és meg tuod, hogy mekkora a terhelhetőségük, a kapcsolás +-38V-os tápfeszről 70W-ot tud kipréselni magából 8ohm-on, mert még mindíg a tápfeszültség határozza meg a maximális kimenő teljesítményt. A tranzisztorok terhelhetősége ezt nemigazán befolyásolja.
hát beírtam a google-ba de nem jutottam előrébb, tudnál segíteni?megköszönném,fontos lenne a végeredmény.
A hozzászólás módosítva: Júl 28, 2014
A végtranzisztorok alul vannak méretezve, de a 8 ohm 70W belefér maximálisnak.
Köszi a választ!Egy nagy trágyadomb ez a végfok az már biztos!
Valaki megépítette már ezt a kapcsolást véletlenül?
Működőképes lehet? Nekem hiányzik a kimenőkondi elől a gerjedésvédő ellenállat és kondi a testre. Valaki esetleg megszakértené hogy ez így mire jó?
Köszönöm szépen!
Remek kapcsolási rajz! Viszont azt nem értem, hogy a +5V miért kell oda, és a végfok bemeneti test miért ott van ahol van? A középiskolai műverősítő tananyag alapján erre nem sikerült rájönnöm.
Ezek a dobozok 1982-ben készültek. Kaptak egy 81-es 30W-os STk erősítőt. Kaptak még egy pár Philips 3 utas dobozt.
Igy hibridben közelítenek a valósághoz. Próba szerencse. Holnap kiderül.
De.
Pedig az elektrotanyán kerestem. Köszi!!!
Hello!
Én nem javaslom ennek a megépítését. Kis impedanciás a bemenete, úgyhogy még egy jó előfok mindenképpen kell hozzá. Vannak ettől jobb egytelepes táplálású rajzok.
A 'shift' (kis-nagy betűváltó) gomb a klaviatúra bal alsó (és jobb alsó) sarkában helyezkedik el. Használata erősen javallt e fórumon!
A műveleti-erősítőnek egytelepes táplálásnál kell egy referencia feszültség féltáp táján, gondoltam kapóra jön a feszültségstabilizátorod, amiről beszámoltál
![]() A végfok bemeneti test esetedben az akkumulátor negatív sarka lesz, az valamilyen módon eljut a végfok RCA csatlakozójára. Ezen a vezetőn is léphet fel feszültségesés, amit az előzőhöz hasonlóan ki lehetne trükközni a jelből, de mivel a D-osztályú végfok tápáram zaja kívül esik a hallható tartományon, megelégednék annyival, hogy az illesztő fokozat referencia fezültsége az RCA testhez legyen hidegítve.
A google-on csak sima adatlapokat találtam hozzá.
Ha rövidre zárom a bemenetet, akkor a kimeneten 0V-ot kellene mérnem?
A VR200 -as potméter középső lábát GND -re zárva kell 0V -nak lenni a kimeneten. Pár 10 mV -ig még elfogadható az eltérés. 100mV -ok, vagy még nagyobb DC szint esetén valami gond van.
Igen, így csináltam. +5V van a kimeneten. Ezek szerint a pozitív ágban van a gond, vagyis a 2SD1047 nem zár le teljesen.
Biztos, hogy nem az az oka. A végfok egy zárt szabályozó kör. Ha jobban nyitna a pozitív oldalon lévő végtranzisztor (egyébként kettő van benne), akkor a visszacsatolás miatt a diff. fokozat csökkentené a pozitív oldali végtranzisztorok nyitófeszültségét és növelné a negatív oldalét, hogy visszaálljon az egyensúly.
Meghibásodott a végfok, ki kell méregetni az alkatrészeket.
Sziasztok
Egy fél nyáklapon találtam egy IC-t de nem tudom mire lehet jó. Az IC BA328 Szerintem egy audios cucc egyik darabja lehet mert a nyákon van 2 potméter 1 100k-s és egy 20k-s és a potméterek melett oda van írva a 100k-s nál L a 20k-s nál meg hogy R.
BA328
Katettás magnókhoz használt előerősítő ic, automatikus erősítésszabályozási funkcióval. A hozzászólás módosítva: Júl 29, 2014
|
Bejelentkezés
Hirdetés |











