Fórum témák
» Több friss téma |
Fórum » Motorgyújtás
De túl akarod bonyolítani...
Puszta kíváncsiság, és építeni akarok
Tényleg túlbonyolítod az egészet már. Nem így kell építeni, hogy ismeretlenül nekiszaladunk egy olyan áramkörbe, amit senki se csinált még, aztán 2 hónap kínlódás után kitedd félre, mert nem megy. Szerintem jobban jársz ha megépített áramkörökkel kísérletezel és azokat építgetsz. Ez csak az én véleményem, nyilván azt csinálsz amit akarsz, ez csak egy jó tanács.
Idézet: „Tényleg túlbonyolítod az egészet már.” Idézet: „amit senki se csinált még” Pedig a megoldás egyszerű mint egy faék! Elsőnek is kell egy digitális kilométeróra mikrovezérlővel. Ilyet már tuti csináltak többen is! Célszerűen olyan aminek leközölték a forrását is. Abba beszúrni néhány sort hogy aktiváljon egy kimenetet, nem nagy ügy. De ha nincs ilyen akkor a digitekről is le lehet lopni az infót kisebb logikai áramkörrel. Mellékesen megjegyezném hogy egy sima km/h óra kód megírása sem egy ördöngösség... De tovább megyek! Lehet hogy egy analóg kilométerórát is meg lehetne tuningolni...
Köszi
Igazad van, de én amiatt mondtam, mert azt írta, hogy nem jártas annyira az elektronikában. Ezért nem akartam semmi bonyolult dolgot, hanem egyszerű és megépített áramkört. Egyetértek a PIC-es verzióddal, nagyon stabil kis órát össze kehet vele hozni és a fejlesztése is jobb, már aki tud vele bánni.
Ha sebességhez akarja társítani a szabályzást, akkor esetleg mutatós óra belsejét meglehet mókolni, hogy egy mágnest ragaszt a forgórészre, és ugy állítja be, hogy 40nél a mágnes egy hall elem elé érjen az kapcsol egy szabályzó elektronikát aztán ennyi.
Igen, bár eléggé pici hely van ott az óramutatónál, de meg lehet csinálni.
én már nem tudom mit és miért akar, csak segíteni tudok, ha kell abban amit épp kivitelezésre szánt.
Sziasztok!
Egy Moto Guzzi 650-hez kellene hall jeladós gyújtás, megoldható ez valamilyen formában? Ha igen, hogyan? Minden segítséget megköszönnék! Üdv!
Fogalmam sincs, egy barátom kért meg rá, hogy segítsek neki ezt megépíteni, mármint az elektronika részét, mert én ehhez a konyítok, ők meg a többihez, szóval kicsit ki tudod fejteni bővebben mit jelent az, hogy megszakítós?
Egy megszakító kalapács van a gyújtásban, amit a lendkerék bütyke emelget. De ha mondjuk jeladós ahhoz van 1-2 elektronika. Hány hengeres?
Két hengeres , jeladós, ilyen van benne. Igen, van benne 1-2 elektronika, le lettek mérve elméltileg, és csak a hall jeladós rész nem működik...
Bocs, arra gondoltam, hogy tekercs jeladós, szerintem ez is az, mert csak 1-1 vezeték megy a jeladóhoz.
Szia.
Nemrég fejeztem be, egy Guzzi V-75 -ös gyújtását ,amit kénytelenek voltunk vissza butítani,megszakítósra.Az eredetiben tönkre ment az előgyújtás szabályzás,próbáltuk javítani de eredménytelen.Maradt a jól bevált megszakítók,mechanikus előgyújtás szab.,tranzisztoros gyújtás kombinációval.Kaptam egy gyújtást kapcsolást ami az alternátorról(főtengely) szedi a jelet két optóval,csak sajnos a hex. nincs meg a Pic -hez,úgy hogy ezzel ilyen formában nem próbálkoztam.Mivel a legnagyobb gond a gyúj.elöszabályzás.A V-75 höz egy V-35 ös elögyújtás szabályzója lett lemásolva,ami gyárilag is mechanikus. A hozzászólás módosítva: Aug 1, 2014
Szia!
Köszi szépen, de a barátom azt mondja, ez egy teljesen másik alkatrész , neki nem ez kell, hanem pontosabban ezt kellene után építeni! Ebben tudsz segíteni? Üdv!
Ez biztos a gyújtás része?Nem fesz szabályzó?Nekem annak tűnik,de lehet tévedek!
Nekem fogalmam sincs, ő folyton gyújtásról beszél, én viszont semmihez sem konyítok ami motor, tőlem ne kérdezd..
Ha te mondod, én hiszek neked!
Csak azt írtam ,hogy annak tűnik,nem gond segíteni,ha el van döntve ,hogy miben,addig elég nehéz
.Egyszerű kideríteni,ha motor gyújt,akkor nem a gyújtás,ha begyújt,majd az akkun mérve a fesz,nem megy 14,5 Volt körülire,még gázadásnál sem ,akkor valószínű töltés hiba lessz.Persze,lehet ha töltés a ludas,előszőr le kell kötni az akkuról,mert ha zárlat van,stb. nagy esélyel miatta nem gyújt.
Bocsánat a belekontárkodásért a beszélgetésetekbe, de...
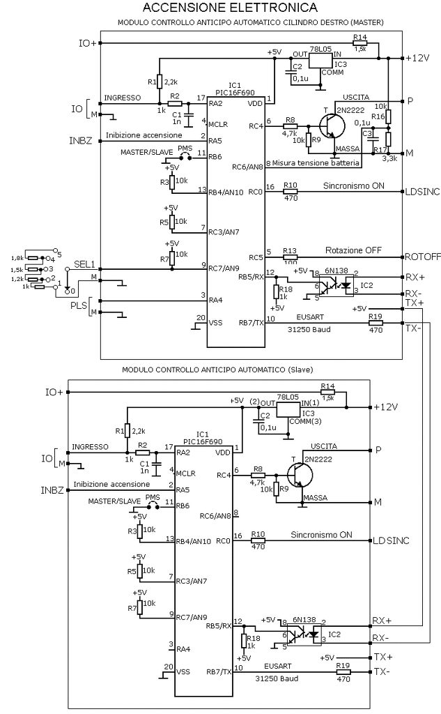
A kérdőjeles elektronika ----> Digital Ignition Találtam még egy ilyen rajzot is, ami elvileg a "fekete doboz"-ban van. 98% hogy az amit linkeltem, a maradék 2% Murphy bácsié, aki megszívat minket mindig.
Ez 2T re biztos jó.Átalakítható 4T-re is,csak a gyújt.elöszabályzás még mindig megoldatlan marad.Mert a szóban forgó Guzzi 4T.
A hozzászólás módosítva: Aug 2, 2014
A motor működik az egyik hengerrel, mivel ebből a rossz alkatrészből kettő van és csak az egyik működik, de ha felcseréli a barátom ezt a két ugyanolyan alkatrészt, akkor meg a másik működik, az első nem.
A rossz alkatrész a gyújtás elektronika! A jeladók jók, úgyhogy az elektronikát kell feléleszteni valahogy. Bontható a doboz?
Érdekes megoldásokat használ a Guzzi.Érdekes, hogy nem egy dobozban helyezték el a két gyújtást.Ha induktív jeladós ,Toyota targonca gyújtás egységével tudtok próbálkozni,Kawasaki 450 -est már láttam eme megoldással.
Uraim segítséget kérnék !
Van egy 2T robogóm ami tulpörög 8ezer fölé,holott elég lenne a 7 ezer is.Tudom hogy ebben a kipufogóm a ludas,de hát ez van.A CDI nem korlátozott,nagyfesztekercs a tápja-induktiv jeladó a vezérlő.Arra gondoltam,hogy a jeladó bemenethez kéne egy kapcsolóval bekapcsolható áramkör,ami a megfelelő fordulat fölött söntölné a vezérlőjelet.Magyarán olyan lenne mint egy tiltásos szabályzó.Szerintetek mi lenne a legegyszerűbb megoldás? Köszi előre is!
Bezzeg az én kérdésemre soha nem érkezik meg a válasz.
Leírtuk egy tucatszor, hogy minek hogy kell állnia, ez a te esetedben is igaz.
|
Bejelentkezés
Hirdetés |




én már nem tudom mit és miért akar, csak segíteni tudok, ha kell abban amit épp kivitelezésre szánt. 





