Fórum témák
» Több friss téma |
Hello Papi!
Sajnos a kért rajzal nem szolgálhatok, de nem tudom ismered-e ezt a linket. Egy link Link. Ezek a tápon néha nem sokban különböznek, hasonló a felépítésük, így könnyen meglehet, hogy eligazodsz a másik rajzal is. üdv! proli007
köszönöm a segitséged proli 007 igy már könnyebb
Sziasztok!
Azért nyitottam ezt a témát, mert a minap kaptam egy elektronikát, ami egy szabályozható DC tápegységben van. Elvileg ez 0- 30V ig állítható, de az egyik tranzisztor csúnyán elégett benne. Ezt valaki két sorba kötött diódával helyettesítette, de így csak 12 V-ig lehet feltekerni a feszültséget.... Ez egy K.E.R.T márkájú olasz táp. A szabályzás egy IC vel történik. MA723PC T842941 A kérdésem az lenne, hogy milyen tranzisztort tehetnék bele? Előre is köszi a segítséget. Csatolom a képet is. Kicsit homályos sajna.....
Szia,
Olasz vagy Orosz táp?! Na szóval csinálhatnál egy nagyobb képet a nyákról, és a hátulyáról is,.. Amgy szerintem egy 2N3055 -os megteszi, nem kell több neki, főleg ha bele is volt ültetve az áramkörbe akkor valami TO220 típusú tranyó lehetett benne,.. üdv, Imre,..
Olasz táp. Nem olyan tranzisztor. Valami kisebb. A mérete kb egy BC212-nek felelhetett meg. Csináltam még két képet. Remélem ezen jobban látszik. A képek azért nem valami jók, mert telefonnal készítettem.
Hát ahhoz, hogy az ember ezt jobban megértse, vissza kellene rajzolni a tápot. Akkor viszont élesebb kép kell az alkatrész oldalról és a nyákoldalról is. A poti csvart is le kellene szedni, hogy látható legyen mi van alatta. Esetleg a nyomtatott huzalozást "kézzel" áthúzhatnás egy vonallal, hogy ki van kivel összekötve.
(mint ahogy a karikát rárajzoltad.) Mert elsősorban, azt kell kideríteni, mi volt a tervező szándéka, aztán hogy miért szált el az eredeti tranyó, utána lehet valamit is mondania cseréről. üdv! proli007
Ok. Most nem tudok fényképezőhöz jutni, de hétfőn az lesz az első dolgom, hogy ezt megcsinálom. Ha feldobtam vetnél rá egy pillantást? Előre is köszi a segítséget.
Üdv: Jocó
Nem egy nagy kaland, persze azonnalra nem igérem.
Esetleg az alkatrész oldalra, írd rá, az ellenállások értékét, tranyók-diódák típusát. Monitoron persze ez nem egy álom. (visszarajzolás) üdv! proli007
Hello!
Hozzájutottam két labortáphoz. Egyik 40V-os másik 15V-ot tud mindkettő magyar gyártmány. A 40V-os-t ha bekapcsolom akkor szépen lassan elkezd pörögni fel a feszültség kb 10V-ig és ott megáll jobban mondva nagyon lassan megy fölfelé de ha leterhelem valamivel azonnal visszaesik kb 1V-ra. Ez javítható vagy nem éri meg vele foglalkozni. A másik pedig a kisebbik ott ha bekapcsolom az vílágít rajta hogy OVERLOAD vagyis túl van töltve de néha ha tekergetem az áramhatárt meg a feaszültséget úgy gondolja hogy okés és működik. Ennél szintén kérdésem megéri vele bajlódni? Képeket rakok fel meg pontos típusokat csak most nem vagyok a közelükben.
A 40 voltossal biztosan megéri bajlódni!
Vannak képek a tápokról.
Én is adok egy .gif képet segítségül.
Itt van egyikröl egy kis doksi:
A második (tekergetem megjavul) szerintem csak kontakt
hibás poti/yackley .Szétszeded potiba kontaktspray esetleg egy kis mech szemrevételezés (arra vigyázz ha a feszültség potit /Yackley -t nem javítod meg rendesen kapcsolgatásnál kiadhatja a max feszültsédet)
Erre már én is gondoltam de akkor sem kellen túlterhelést mutatnia ha teljesen le vannak tekerve a potik először kipróbálom hogy befújok egy kis WD-40-et
Ne wd40-nel probáld a potit javitani, hanem a csuszkát alkohollal mosd ki, és utánna savmentes vazelinnel töltsd tele a poti házát.
Hello!
Hát ha nem wd-40 akkor csere mivel nincs savmentes vazelinem azt se tudom hol lehet kapni de felfedeztem egy érdekes dolgot benne csináltam is róla képet. Az egyik hogy egy huzalellenállás bekötési pontjainál a nyák meg van kicsit barnulva a másik pedig hogy a két belső potinak nincs hátlapja és ilyen órarugó szerű fémtekercs lóg ki belőle összevissza. Ezekről képet is csináltam.
Hmm de szép soros huzall-ellenálás.Ezt a potit egyébként nem érdemes bántani.Az alapvetö hibát inkábba bc301-es cseréje oldja meg.(meghajto.Egyébként a savmentes vazelin gyogyszertárban kapható.
Ma szétszedtem a nagy tápot is láttam benne 2N3442 tranzisztort. Esetleg ezek lehet nek a hibásak vagy a többi tranzisztorok? Most próbálgattam is kb úgy 12V-ig megy fel a fesz. Az nem lehet hogy a trafó ment tökre? Ha igen hogy lehet megállapítani?
A diódák esetleg lehetnek hibásak? Miket mérjek meg rajtuk és milyen módszerrel?
Hello!
Amíg nem mondod meg, melyik tápot javítod, és nem látom a rajzát, nehéz lesz tanácsotadni. üdv! proli007
Hello!
Segítséget szeretnék kérni. LM317-es IC-vel fogok egy labortápot építeni, és szeretnék bele rakni egy analóg mérőműszert. Annyit tudok róla, hogy 1,2 V-os feszültségnél éri el a csúcspontját a mutató. Lenne egy kapcsoló, amivel váltani tudok feszültség és áramerősség mérése között. Az lenne a kérdésem, hogy ezt a kapcsolást hogy lehet átalakítani ahhoz, hogy be lehessen kalibrálni a mutatót. Aki tud, legyenszives segíteni! Előre is köszönöm! Üdv. Balázs
Szia!
- Az átváltást egy kétállású-kétáramkörös kapcsolóval lehet megoldani. - A műszer előtétellenállás számításához, nem csak a műszer végkitéréshez szükséges feszültség, hanem az áram is szükséges. - Ha ez 1,2V-ra megy végkitérésbe, akkor vélhetően egy előtét ellenállás már a dobozában van. - De ebben az esetben az árammérő shunt ellenállásán, végáramnál legalább 1,2V-nak kell lenni. Ez 0,5A áramnál teljesül. - De nem írtad, hogy hány voltra és hány amperre gyártod a tápot, és milyen a skála osztása. (Hogy hogyan akarod illeszteni a méréshatárát a skálához.) - Az Urbán féle kapcsolásban az 1kohm-os poti jelenlegi bekötésével nem túl kultúr a megoldás. (pld P3-nál 0..100%-ig szabályoz, és ha maxra tekered, meggunnyadhat a műszer, ha egyéb előtét ellenállása nincsen) üdv! proli007
Helo!
Kösz a gyors választ! Az a helyzet, hogy a műszerben nincs semmi, legalább is ameddig szét tudtam szedni. Egy régi műszerről van szó, valamiféle gáz nyomást mutatott ki, elektromos vezérléssel. A tápot 24 V-os trafórol akarom üzemeltetni, ezt még egyenirányítani stb. (nem tudom ez mennyit változtat a feszültségen), és 1,5 A-ig terhelni. Az fölé már nem mennék. Annyi lenne a dolog, hogy először egy multiméterrel beskáláznám a feszt és az áramerősséget is. Azért akarom ezt használni, mert mióta "kioperáltam" az erdeti helyéről, csak ide-oda rakosgatom, és nem tudom használni semmire sem. Ide pedig jól jönne! Ha kell, akkor csinálok képet is róla.
Csináljál, de legfőképpen mérd meg, akkor segítek kiszámolni az előtét ellenállásokat.
A 24V-ból nyersen kb. 35V lesz. Erre lehet alapozni, meg egy jó nagy hűtőbordára. üdv! proli007
Itt van pár kép.
Annyit tudok még mondani, hogy az 1,2 V-ot egy merülőben lévő AAA elemről nyertem. Úgyhogy elég kicsi volt az áram. Holnap még egyszer megmérem, meg megpróbálok csinálni jobb képeket. Természetes fényben. Kösz a segítséget. Üdv. Balázs
Ismerem ezeket a műszereket, 100uA..1mA-es szokott lenni az alapműszer, és kb 60..120mV a feszültsége.
Nem kell kimerült elem, egy jó, az jobb, köss vele sorba egy ellenállást meg egy potit és azt változtatva vidd végértékre. (vigyázz közvetlen ne kösd rá, mert megsértődhet!) Egyszer a feszültséget mérd meg a műszerkapcson párhuzamosan, egyszer meg sorba vele az áramot. (végkitéréskor) Akkor megtudod mind két értéket. Ja, van ezeknek egy kis hibája is. - Feltöltődik a plexi előlap és ezt-meg azt mutat. - Szétpereg a spiáter kengyel, ami belül a tekercset (csapágyat) fogja. Akkor vége. üdv! proli007
Köszi a segítséget. Holnap megmérem, és informállak az adatokról.
Üdv. Balázs
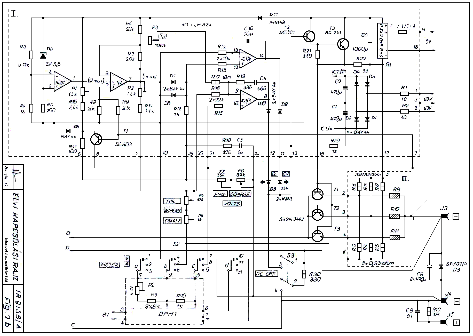
Legfőképp a nagyobbik 40V/10A-es tápot szeretném megjavítani. Típusa TR-9158A. Erre a tápra értettem a kérdéseimet. Mellékletbe van a rajza.
Nekem a torziós feszített szálas fajta van, az egyiknél a szál hagyta el magát.(semmit nem kapott, alig dolgozott) Ahogy emlékszem, a kékek mind Nagymarosiak (Lambda,GÉM) Még kényesebbek, mint a csapágyasok...
|
Bejelentkezés
Hirdetés |





















