Fórum témák
» Több friss téma |
Üdv! Még fel sem merült bennem hogy valakitől is jótállást kérjek olyan területen amelyben nem vagyok otthon! Csak van egy két dolog amit erről az oldalról sikeresen megépítettem és hát a siker elkapott de (valószínűleg) még erősen rá kell tanulnom...
Egyébként a szonda roppant profán: 20cm 0,5-ös kábel érvéghüvellyel és csipesszel (a csipesz a szonda) no meg egy pohár víz. Találtam régebbről tőled egy CD4060-al működőt de abba meg véletlenül rossz diódát vettem AMATŐR!!!! de kipróbálom azt is Nem adom fel !
Nagyon köszönöm a segítségeket mindenkitől ! Kiderült, hogy a potméter nincs a toppon és az ominózus 214-es tranzisztor valószínűleg megsült a forrasztásnál. Működik a dolog most egy pár napig tesztelem mert kínai relét raktam bele.
Megépítettem a CD4060-al működő késleltetett vízszintjelzőt! Nagyon jól működik! Köszönöm szépen, hogy anno közzétetted!
Kicsit továbbgondolkodtam, a kapcsolási rajzodat, miután megnéztem mi is ez a CD4060. Ha jól gondolom akkor a 3-as lábtól a diódához menő vezetőt ha másik pl 14-es lábhoz kötöm - mondjuk egy jumperrel - akkor más az időkeret amelyben érzékel. Igy akár több láb /több időkeret/ között is lehetne válogatni Vagy rosszul gondolom?
Hello! Jól gondolod e így van. A 4060 egy oszcillátor, és egy 14 tagú bináris számlánc, amiből 10 kimenete ki van vezetve. Minden Qn+1 kimenet a Qn kimenet idejének kétszerese.
Szivattyú indító relé kellene nekem az öntöző számítógépemhez. Hogyan tudnám azt megcsinálni házilag? Itt írnak róla: Bővebben: Link 13. oldal. Köszi!
Ezeken nézzve csak egy relé:
http://www.ebay.com/itm/Orbit-57009-Sprinkler-System-1-2-Horsepower...4137c4 Bővebben: Link Bővebben: Link Bővebben: Link A hozzászólás módosítva: Júl 17, 2014
Hello! Az utolsó oldal tetején látható a mesterszelep/szivattyú kimenet terhelhetősége. Vagy is 24V-os váltófeszültségű relé kell, aminek fogyasztása nem több, mint 250mA.
Üdv! Nem oly régen proli007-től megépítettem egy konduktív vízszint ellenörző áramkört amely nagyon bevált. Ez kapcsolódott egy egész kis buta tartályszint ellenőrzéshez, ami úszókapcsolós. Közben egy CD4066-al működő áramkört találtam itt ( Bővebben: Link ) A kérdés az lenne, hogy ha ez 12V DC-ről megy akkor hogyan változnak az ellenállások értékei, illetve ledek helyére hogyan tegyek reléket? Gondolom egy BC547-el (vagy hasonló) kellene megoldani. A linken szerepló kapcsolás a képen.
Hello! Ha az áramkör nem telepes táplálású, akkor nem célszerű a tartályra a plusztápot kötni. De a CD4066 bemenete pont olyan mint bármely más CMOS bement, azt fellehet húzni egy ellenállással. Kb. egy 100kohm meg szokott felelni. De célszerű relék esetén szűrőhálózatot is alkalmazni a berregés-kerregés megakadályozása miatt. (Led nél ez nem gond, max neked.)
A 40660 viszont képes akár egy kis-teljesítményű relét, közvetlen is kapcsolni. Pld. egy OMRON G2R-2-őt. De ha ez gond, Lehet a relé helyére tenni egy ellenállás+Led kombót, és egy emitterkövető NPN tranyót a relé felé.
Elsőre megértettem! Köszi! Viszont így ha van vízjelenlét akkor ez nagyban csökkenti az áramkör működési idejét mivel folyamatos reléműködés van.
Vagyis a következő kérdés: Akkor húzzon be a relé amikor a szonda nincs vízkapcsolatban. Ám ha van vízjelenlét akkor ez egy leddel megjeleníhető legyen. Valamilyen ellentés elvén alapuló kapcsolás? Csak megérzés.
Bocsánat....ellentöltés elvére gondoltam
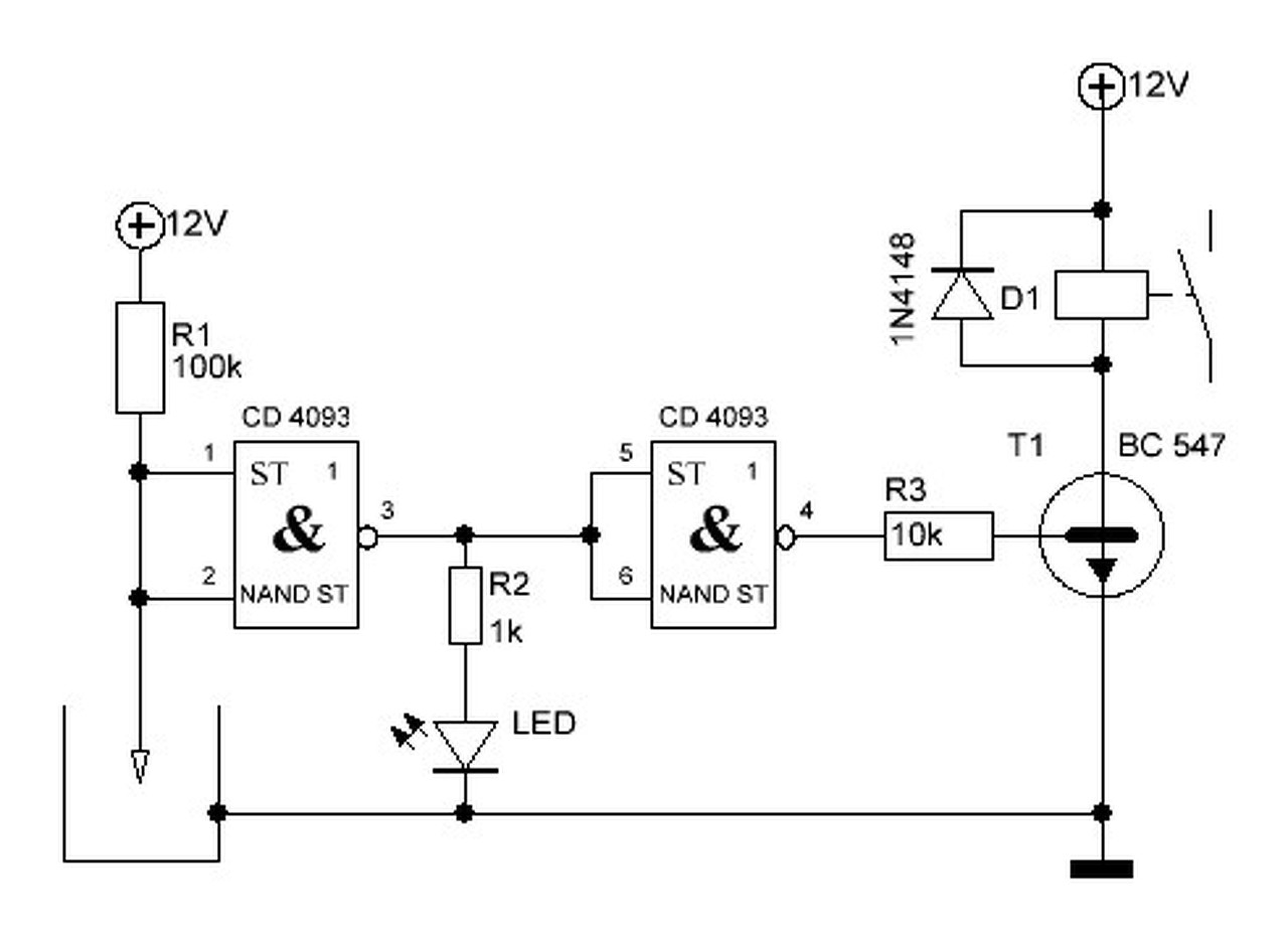
A dolog, szerintem nagyon egyszerű. Kell betenni egy inverter logikai IC-t a relék elé, pl. CD40106-ot. Az inverter elötti jel a LED-ké, az utánna levő meg a reléké.
Egyébként meg nem 4066-al csinálnám, hanem a teljes áramkörbe 2db CD4093 Schmitt kapus NAND-ot használnák. A hozzászólás módosítva: Aug 24, 2014
Üdv! Értem (nagyjából) kipróbálom mind a kettőt meglátjuk melyik tetszik jobban . no és persze el is kell férnie minden más mellett. Köszi az infót!!!!
Ez tetszős.... összeraktam egy 40106-al ahogy elektroton említette. Ha nem szondafejet használok akkor tényleg beremeg az áramkör (pl drót esetén). Mekkora kondit tegyek be? 100nF elég ? Ezt hogy tudom kiszámolni? Te minden képletet tudsz fejből :-O
Üdv! Naggyon köszi! Müködik szépen! gondolom ha a led helyére valamilyen fogyasztót szeretnék akkor 10K-val tegyek be egy azonos tranzisztort?
Hello! Az időállandót az R2*C1 határozza meg. De sajnos az analóg kapcsolók között nincs hiszterézises bemenetű, mint a 40106-nak. Viszont ott is érdemes ugyan úgy kialakítani az integráló bementi tagot, mit a 4066-nál. Mert ha a víz hullámzik, ott is kapkodhat a relé.
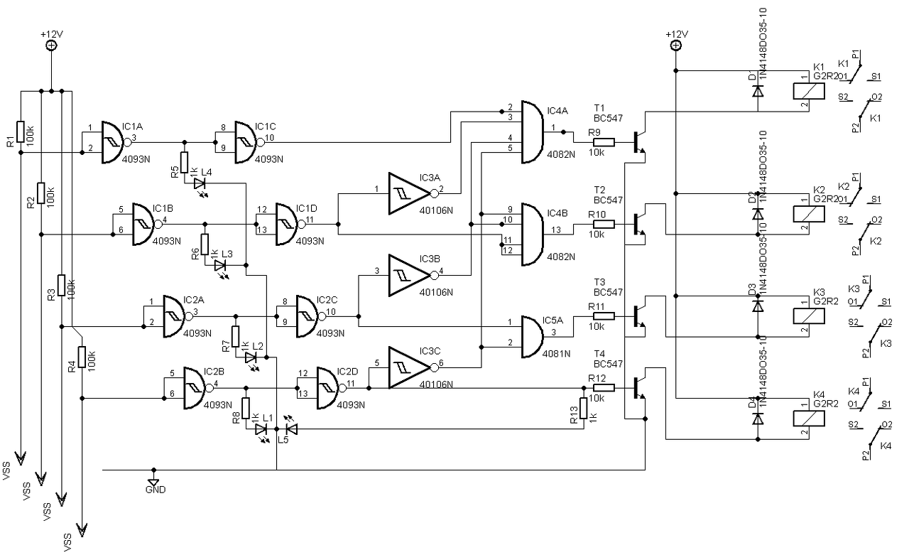
Megépítettem és a következő dilemmám van: a mellékelt kapcsolási rajz lesz majdan a vezérlés, de ha egy szint "bekapcsol" vagyis megy a relé akkor a felette lévő relének nem szabad mennie. Nézegettem egy két CD 40xx IC-t de nem nagyon találtam olyat amit szerettem volna.
Nem ismerem a pontosan mi is a cél, hogy csak egy relé legyen húzva. Egy rajzot készítettem egy lehetséges megoldásról, itt a relék érintkezőik biztosítanák a funkciót az 1. sorkapocshoz képest.
A hozzászólás módosítva: Szept 9, 2014
Köszi! Ez nekem is eszembe jutott de ha lehet nem relével oldanám meg, mert a relé 2 ágára szükség lesz.
A cél, hogy szintenként be lehessen állítani a folyamatot vagyis kútról töltünk utána vagy hálózatról. Engedélyezi a locsoló autómatikát vagy nem. Persze ez sok mindentől függ....pl tartályméret, szivattyú vízhozam, kút hozama (ha van), stb-stb. Egy ehhez hasonlót már csináltam de az úszókapcsolós. No meg ha lehet minél kevesebb hiba lehetőséget szeretnék beleépíteni (relé) Felrakok róle egy képet
A duplapostot kivettem. Kérlek, használd a hozzászólás módosítását, vagy kérj moderátori segítséget, ha legközelebb ilyen kiegészíteni valód akad.
Köszönöm.
Szerintem további három logikai IC-vel lehetne megoldani. Megrajzoltam az ötletem, le is modeleztem, logikailag müködik. Tehát mindig csak a legalsóbb aktív kimenet reléje tud húzni. (Nem fordított sorrendbe kellene?!)
Az eredetileg küldött érzékelő áramköröm nem kipróbált, csak elméleti!
Az áramkörödet megépítettem működik! Tehát kipróbált.
Azért kell hogy mindig a legalsó működjön mert minden szinten a tevékenység kapcsolható lesz. A másik ok, hogy nem csak utántöltésre lesz alkalmas, hanem leszívásra is. Pl. a másik vezérlés csak 3 részre oszta a tartályt (teli, félig, üres) és ott a felső felénél lehet választani, hogy akarom-e utántölteni és ha igen akkor honnan; kútról, vagy hálózatról, persze csak ha a kútban van víz.
A CD 40106-nál gondolom a bemeneti oldal(ak) van(ak) a 4093-ra kötve..... Tehát akkor elméletileg így nézne ki:
A hozzászólás módosítva: Szept 9, 2014
Igazad van! Ezt elszámoztam, a 3-4. ill. 5-6 fölcserélendő.
Ezekről a logikai áramkőrökről van valami átfogó kiadvány esetleg? No mert akkor én is gondolkozhatnék egy kicsit
Igen, pl. van egy könyvem melynek szerzője Madarász László, címe: "Digitális cmos kapcsolásgyűjteménye". Elég régi kiadvány, legfeljebb antikváriumban kapható meg.
Mellesleg Madarásznak több hasznos könyve született hasonló témában is a 80-as évek végén. Továbbá interneten rákeresve az adott IC-re, adatlapjából is sok tanulható.
Igen az adatlapokból tanulgatok. A könyvnek meg utána nézek .... hátha. Az adatlapokat már külön dossziéban gyűjtöm
Egyébként ha egy tápon van a két áramkör akkor nem fogják zavarni egymást?Pont Kecskeméten árulnak Madarász könyveket :-O A hozzászólás módosítva: Szept 9, 2014
|
Bejelentkezés
Hirdetés |




AMATŐR!!!! de kipróbálom azt is
Nem adom fel !







Azért kell hogy mindig a legalsó működjön mert minden szinten a tevékenység kapcsolható lesz. A másik ok, hogy nem csak utántöltésre lesz alkalmas, hanem leszívásra is. Pl. a másik vezérlés csak 3 részre oszta a tartályt (teli, félig, üres) és ott a felső felénél lehet választani, hogy akarom-e utántölteni és ha igen akkor honnan; kútról, vagy hálózatról, persze csak ha a kútban van víz. 



