Fórum témák

» Több friss téma
Fórum » Kapcsolóüzemű (PWM) végfok építése
Lapozás: OK   139 / 240
(#) PiperR válasza sny hozzászólására (») Aug 27, 2014 /
 
A tesztet egy kis mp3 lejátszóval végeztem alap beállításon (semmiféle mélyhangkiemelés nemvolt, a lejátszón a hangerő is kb háromnegyeden volt). Tekertem az erősítőn egy kicsit, kb 20%-os hangerőnél jelentkezett a tünet, a védelem reléje azonnal kapcsolt, és túlzott mélyhang a közelbese volt. Aztán tettem az előfok kimenetére 10µF kondit, és lám a probléma megszünt. Igen a végfokon 22µF kondi van csatolásnak. Ha megcsináltam a hangerőszabályzást, akkor kiveszem a 10µF kondit is, meglássuk (illetve hallgatjuk ) mi történik majd.
Idézet:
„Ha DC van a kimeneten, akkor az IRS2092 hamarabb tilt le.”

Nah ez nekem új, mert úgytudom nincs kimeneti dc elleni védelem, akkor nem is nagyon kéne relés, vagy bármi más védelem.
(#) sny válasza PiperR hozzászólására (») Aug 27, 2014 /
 
Az irs2092 letilt, ha a kimeneten 4V-ot meghaladó DC feszültség van. Azonban ez MOSFET meghibásodás ellen nem véd.
(Hozzáteszem, hogy normálisan beállított rövidzárvédelemmel, normális tápegységgel ez soha nem megy tönkre. Nekem a saját moduljaim közül csak mérés közben sikerült MOSFET halált előidézzek, mikor menet közben rámértem a gate eletródára- na azt nem szerette...)

LJM moduljairól nem nyilatkoznék, elvileg működik.
(#) lorylaci válasza PiperR hozzászólására (») Aug 27, 2014 /
 
A kis vacak MP3 ljátszók meg satöbbi alapból egy nagyon durva EQ-val rendelkeznek, mivel a fülbedugós kis vacak fülhallgatóknak nincs általában semmi mélyük. Így kompenzálnak.

Az IRS2092 valóban hamarabb detektál és tilt. Csak a relő feloldási ideje több, mint az IRS2092 detektálási ideje.

A relé vagy MOSFET relé nem arra menne, hogy ha jön egy nagyon alacsony frekvenciás hang (azt egy alulvágú szűrővel kellen még a végfok előtt elintézni), hanem arra, hogyha elszállna egy tranzisztor és tápfesz kerülne a kimenetre.
(#) PiperR hozzászólása Aug 28, 2014 /
 
Hali!
Megtörtént az átalakítás. Bejön a jel megy a hangszínszabályzóhoz, hangerőszabályzóhoz, utána megy az előerősítőbe, és onnan a végfokba. Az előfokon az utólag odatett kimeneti kondit (10uF) elhagytam. Bekapcsolom, a relé nemhúz meg, az egyik végfok le is kapcsol (a rajtalévő kék led kialszik), gyorsan kikapcsolom. Aztán az előerősítő bemenetét szabadon hagyom, bekapcsolom minden rendbe van, hangszórókon síri csend semmi zaj. Majd az előfok kimenetére visszateszem a 10µF kondit, visszakötök mindent. Bekapcsolom, relé meghúz, hangszórón búgás, zúgás hallatszik, folyamatos, hangerő fel-le tekerésre nem változik a hangereje. De viszont a zenének a hangerejét szépen szabályozza, egyenletesen, tehát ez a része jólesz . Sajnos az előfok meg a végfok elég messze van egymástól, kb. 30cm-re, a bemenő meg a kimenő kábel ami megy az előerősítőbe egymás mellett futnak, de más nemmegy mellette. Gondolom zajt szed össze vagy valami ilyesmi lehet a gond.
(#) sny hozzászólása Aug 28, 2014 /
 
Gyakorlatilag összegerjed a két végfok.
A bemenetek kábeleit kapcsolóüzemnél tilos a kimenetekkel párhuzamosan vinni.
A GND vezetékezését alaposan átnézném.
(#) PiperR válasza sny hozzászólására (») Aug 28, 2014 /
 
Hoppá, akkor ez lehet valószínűleg a gond (mármint az előerősítőbe bemenő, meg kimenő kábel együttfutása). GND-vel nem hinném hogy gond lenne, mert csak a jelkábelt húzagoltam át (a jelvezeték gnd-jét nem bántottam).
A hozzászólás módosítva: Aug 28, 2014
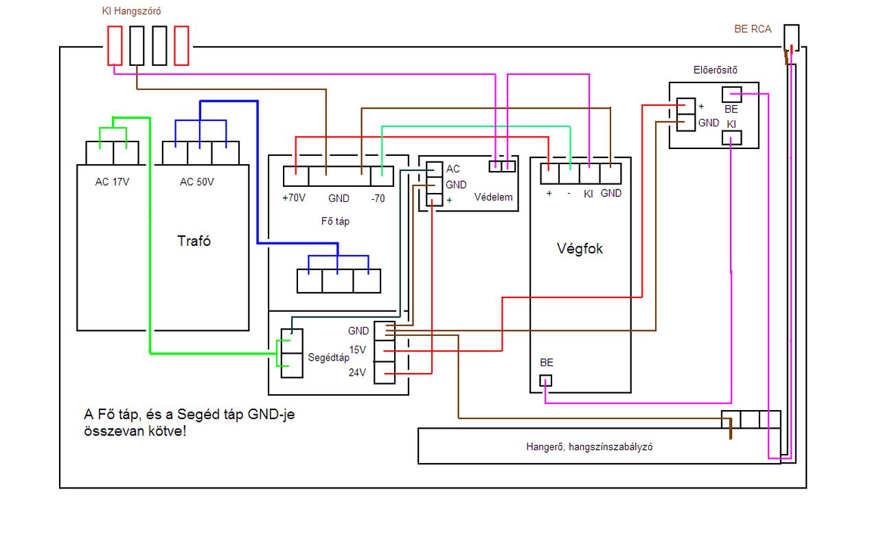
(#) PiperR válasza sny hozzászólására (») Aug 29, 2014 /
 
Hát sajnos huzagolási probléma lesz , egyszerűen nemsikerül működésre bírni, búg, zúg, végfok le is tilt. Összedobtam egy rajzot hogy hogy néz ki a huzalozás. Ha az előerősítő bemenetét üresen hagyom, akkor okés minden, közelítem a kezem a bemenete felé akkor erősödő zajt tapasztalok, ha a kezemet hozzáérintem az erősítő házához akkor elhallgat. Megpróbáltam az előerősítő bemenetére közvetlenül rákötni az mp3 lejátszót, szól is, csak akkor is hallani a zúgást, bár jelentősen halkabban.
(#) (Felhasználó 46585) válasza PiperR hozzászólására (») Aug 29, 2014 /
 
Lehet, hogy csak én nem látom, de hol van összekötve az előerősítő és a végfok GND-je?
(#) PiperR válasza (Felhasználó 46585) hozzászólására (») Aug 29, 2014 /
 
A végfoknak a főtáp paneljébe megy, az előfoknak meg a segédtáp paneljébe megy. A főtáp, meg a segédtáp GND-je összevan kötve!
(#) (Felhasználó 46585) válasza PiperR hozzászólására (») Aug 29, 2014 /
 
Ja, látom, csak a drót hiányzik, de szövegben odaírtad.
(#) PiperR hozzászólása Aug 30, 2014 /
 
A huzalozás így rendben van amúgy? De valamiért gerjed, ha visszakötöm úgy hogy az előerősítő a hangerő hangszín előtt van akkor minden rendbe, csendbe van. Csak így ugye furán szabályoz.
(#) Ge Lee válasza PiperR hozzászólására (») Aug 30, 2014 /
 
Az szerintem egyértelmű hogy a végfok előtt a lánc utolsó szeme a hangerőpoti kell hogy legyen. Ellenkező esetben minden katyvasz ami azokban a fokozatokban termelődik, akadálytalanul juthat tovább a végfokra. Tehát az előfok, hangszínszabályozó stb. zaja az mind ott fog ülni a végfok bemenetén. Ha viszont ott a poti akkor csak abban az esetben ha az teljesen fel van tekerve, mert minden más esetben a hasznos jellel együtt osztja.
A végfokon a saját zaján kívül egy pisszenés sem lehet, normál szobai hangerőn hallgatva. Nálam pl. a dobozoktól 2m-re már nem mondtad volna meg hogy be van-e kapcsolva az adott erősítő vagy sem.
(#) sny válasza Ge Lee hozzászólására (») Aug 30, 2014 /
 
"A végfokon a saját zaján kívül egy pisszenés sem lehet, normál szobai hangerőn hallgatva. Nálam pl. a dobozoktól 2m-re már nem mondtad volna meg hogy be van-e kapcsolva az adott erősítő vagy sem."

Nálam meg ha a hangszóróra tapasztod a füled, csak akkor hallasz valami neszt. Nem két méterről. Ez ráadásul szubjektív, mert én 91dB érzékenységű hangsugárzóval rendelkezem.

Egy ilyen alacsony bemeneti impedanciájú végfokozatnál nem tudod azt megjátszani, hogy a poti legyen a végfok előtt. Mindenképpen aktív hangerőszabályozás szükséges.
Azt te sem gondoltad komolyan, hogy 100k forrásimpedanciával hajtasz el 3k bemeneti impedanciát.
A hozzászólás módosítva: Aug 30, 2014
(#) PiperR hozzászólása Aug 30, 2014 /
 
Most visszakötöttem, úgy ahogy eredetileg volt (bemenet, előfok, hangszín, hangerő, végfok sorrendbe), így okés a dolog teljes csend van a hangszórókon. Egyenlőre így marad nemtudok jobbat. Eszembejutott még valami: az előfokba a bemenő kondit eredetileg 680nF, de én 1µF elektrolit kondit tettem oda (250v-os, mert ilyen volt csak), esetleg ez nemgond?
(#) Ge Lee válasza sny hozzászólására (») Aug 30, 2014 /
 
Miért hajtanék 100k-val 3k-t? A műveleti erősítő kimenő impedanciája kicsi, a poti meg egy nagyságrendben van a végfok bemeneti ellenállásával. Szóval teljesen komolyan gondoltam, minden végfokom így üzemel, a pwm is.
(#) sny válasza Ge Lee hozzászólására (») Aug 30, 2014 /
 
Az ő végfokozatának a bemeneti impedanciája 3k alatti, a poti, amit használ az meg 120k.
(#) Ge Lee válasza sny hozzászólására (») Aug 30, 2014 /
 
Arról a megoldásról már leírtam a véleményem...
(#) Suncorgo hozzászólása Szept 10, 2014 /
 
Sziasztok!

Elég hosszú lenne végigolvasni a topikot így felvetem azt a kérdést hogy valaki próbálkozott-e már gate meghajtó transzformátorral? PL egy komparátor, komplementer tranzisztorokkal bikázott kimenete amelyre egy pl pctáp-ból kitermelt gate driver transzformátorra van rákötve a 2 végfok fet és szűrő előtt van visszacsatolva. Szerintetek működőképes ötlet lenne?
(#) sny válasza Suncorgo hozzászólására (») Szept 10, 2014 /
 
Amennyiben holtidőt is tudsz biztosítani, sok kiegészítéssel működőképes lehet.

Gate meghajtónak szoktak /itt is/ trafót használni.
(#) (Felhasználó 46585) válasza sny hozzászólására (») Szept 10, 2014 /
 
Csak az a baj, hogy el kell viselnie mondjuk a 20Hz-es, 10 V-os amplitudót is. Ugyanis, ha az alapharmónikus 20 Hz-es, akkor pl. 25 ms-ig csak a felső FET akarna vezetni.( Hanyagoljuk el a dióda vezetést. ) Ehhez elég nagy méret jönne ki és még nagyobb szórt induktivitás, meg kapacitás. Az a baj, hogy egy erősítőnek 20...20000 Hz-ig kell működnie.

Mégis meg lehet csinálni, de nem így. Két trafó kell hozzá és két, fáziban eltolt, mondjuk 1MHz-es négyszögjel, amik táplálják a trafókat. Ezek vannak kapuzva a gatemeghajtó jelekkel. A szekunder oldalakon egyenirányítani kell, stb. Egyrészt bonyolult, másrészt a mágnesezőáramok miatt jitteres lesz, még 1 MHz-es négyszögjeleknél is. Ezt a megoldást használják pl. tirisztorok gyújtására, ha "végtelen" hosszú impulzusok kellenek a gate-ekre. De ott ugye nincs ekkora frekvencia... felejtős, kipróbáltam, sosem lesz jó, pedig 3 MHz-en ment. Nincs jobb a diszkrét szinteltolóknál.

Te hol láttál gatemeghajtó trafókat pwm erősítőben? Egy link?
A hozzászólás módosítva: Szept 10, 2014
(#) sny válasza (Felhasználó 46585) hozzászólására (») Szept 10, 2014 /
 
Idézet:
„Csak az a baj, hogy el kell viselnie mondjuk a 20Hz-es, 10 V-os amplitudót is.”


Igazad van., ezzel nem számoltam.
(#) lorylaci válasza sny hozzászólására (») Szept 11, 2014 /
 
Fogalmazhatunk úgy is, hogy el kell viselnie nagyon széles kitöltési tényező tartományt. Egy 30-70% még gyerekjáték (egy plusz zéner a gate-re még megoldja), de mi jön 5-95%-nál?

Az önrezgő megoldások szerintem legnagyobb hátránya a fixfrekvenciás megoldásokkal szemben, hogy nagyv kiverzélésen már kiesnek a lineáris tartományból (lásd UcD, ahol kb szinusz a komparáló jel), a visszacsatolás miatt a torzítás alacsony marad, a freki esik, ebből látszik.

Egy gate trafó esetében nagyon nagy kitöltések esetén fellépő feszülésg asszimetria miatt vagy nagy gate trafó kell, ahogy katt mondja, vagy vívőfrekin kell átvini.

Ezen kívül van még egy megoldás. Használj alsó oldai gate meghajtó IC párt, amiknek a jelét a gate traf viszi át (nem szogláltat áramot, csak a logikai jelet viszi). Az IC tápját pedig ugyanúgy bootstrap adja.
Ennek vannak előnyei és hátrányai is:
- az előny, hogy így nincs szinteltolás. Normál BJT-s szinteltolás eetén (philips UcD) így nincs a folyamatos disszipáció a szinteló áram x szinteltoló fesz miatt. RCD tárolós megoldás esetén pedig nincs a plusz késés az RCD tároló időkapuzása miatt. Szóval a megoldás gyors, megy széles kitölétsi tényező tartományban, az alsó oldlai FETmeghajtók pedig nagyon gyorsak (<30ns prop delay, <5ns rise/fall time 1nF-ba könnnyen megy ma már)

- a hátrány az, hogy ugyanúgy ottvan a bootstrap kondi, ami alsó fet nyitásakor töltődik fel, és lebeg. Nagy kitöltési tényező tarotmányban ezt a kondit kicsit túl kell méretezni (mert az alsó oldai FETmeghajtónak nem csak a FET bekapcsolásakor vesz fel áramot, bár keveset). A lebegő pontnak meg a zavar dolgai ugyanúgy jelen vannak, habár ez alapvetően a 2xNFET miatt jön ki.

Az alsó oldai FET meghajtó helyett össze lehet rakni diszkrét kapcsolást is, ha valaki szeretné, de az alsó oldali FET meghajtók olcsók és jók. Legutóbb kiszámoltam, hogy melyik olcsóbb: diszkrét UcD >100 db apró vacakkal vagy az IC-sített megoldás (komparátor, szinteltoló FETmeghajtó. Utóbbi olcsóbb lett, pedig az előbbi alkatrészköltsége negyedannyi sincs, ki tippel miért?
(#) Suncorgo válasza lorylaci hozzászólására (») Szept 11, 2014 /
 
Én a rengeteg beleölt munkára gondolok, a fejlesztési időre.

Ehhez mit szóltok?

Egy Ilyenem már van üzemben de, annak nem ilyen a modulátora. (2x500W)
A hozzászólás módosítva: Szept 11, 2014
(#) (Felhasználó 46585) válasza lorylaci hozzászólására (») Szept 11, 2014 /
 
"A lebegő pontnak meg a zavar dolgai ugyanúgy jelen vannak,"

Hát ez az. Nem hiszem el, hogy a FET gyártóknak még nem jutott eszébe, hogy csináljanak rendes P csatornás FET-et...
(#) (Felhasználó 46585) válasza Suncorgo hozzászólására (») Szept 11, 2014 /
 
Az egész áramkörnek túl sok lesz a késleltetése. Nagyon szellemes a DT megoldás, ez már visszaköszön a régebbi hozzászólásokból. De ennél sokkal egyszerűbb, gyorsabb megoldásokat is lehet találni. Nem szerencsés ennyi kaput sorbakötni, még a HC sorozatból sem. Meg az a 311 sem idevaló. A másik, hogy a szűrő után nincs visszacsatolás. Mit fog ez csinálni, mondjuk négyszögjel meghajtásra és úgy, hogy nincs rajta hangszóró?

Nézd meg szimulátorban. Egyébként, lehet tenni pluszban a szűrő utánról visszacsatolást, az sokban javít a helyzeten.
(#) Suncorgo válasza (Felhasználó 46585) hozzászólására (») Szept 11, 2014 /
 
Működési elvnek most ez megy az asztalomon. 2x6V-ról járatom.

Holtidőnek mit szólsz ehhez a megoldáshoz?

LM311 helyett esetleg LM319?
A hozzászólás módosítva: Szept 11, 2014
(#) (Felhasználó 46585) válasza Suncorgo hozzászólására (») Szept 11, 2014 /
 
Ez már jobb megoldás, legalábbis kevesebb felesleges késleltetést visz be. A 319-es is sokkal jobb megoldás, de az az igazság, az igazán jó megoldásokat egyszerre kell tervezni. Vagyis, a bemeneti erősítő ( vagy ahogy használod: integrátor ) szinteltoló, komparátor, DT, ezeknek szerves egységet kell alkotnia. Ahol látszik, hogy ki vannak használva az alkatrészek adottságai, az egyes áramköröknek egymásból kell következnie, amiből látszik, hogy teljesen logikus a felépítés, nem is nagyon lehetne másképp megcsinálni. Az elrendezésnek egy komplett egészet kell alkotnia. Ezt nem nagyon tudom máshogy elmondani. Mint egy jól megtervezett opamp. Nézd meg például a CA 3094 ( OTA ) belsejét. Egyszerűen zseniális az áramtükrök használata. Ehhez kell egy jó nagy adag rutin, szimulátor, idő, türelem, stb.
(#) Suncorgo válasza (Felhasználó 46585) hozzászólására (») Szept 11, 2014 /
 
És ez a szinttoló megoldás? Ezt is láttam már pár erősítőben viszont itt már a holtidő generálást a fet gate-jébe kell. (ellenállás+párhuzamos diófa) csak nincs tapasztalatom vele, mennyivel fognak jobban melegedni a fetek ha lassabban nyitnak?
(#) (Felhasználó 46585) válasza Suncorgo hozzászólására (») Szept 11, 2014 /
 
Szinttoló lehet ez is. De ahogy az előbb írtam, szerves részét kell alkotnia az áramkör többi részével.
Nyilván, ez az ellenállás, dióda kombináció nem egy teljesen korrekt megoldás. Ettől még működhet.
(#) Suncorgo hozzászólása Szept 11, 2014 /
 
Már elég réóta foglalkoztat, mivel is lehetne kiváltani az IR2110-est. Az alsó oldal még oké, azt megoldom, de a felső oldallal vannak gondjaim. Pontosabban a lebegő táp és a szinttoló miatt. Létezik ilyen célokra gyors optó vagy valami diszkrét szinttolás? Esetleg a nemrég említett transzformátoros megoldás?

Ezekkel mostanában kezdtem el szemezgetni: ADUM5230 vagy ADUM3220

Nem tudom, nekem valahogy mániám a melegedés csökkentése, nem szeretem ha már valami olyan meleg hogy a kezem nem állja, tudom hogy az attól még az alkatrésznek üzemi hőfok de nem szeretem.

Ezen kívűl igazán nagy teljesítményekre akarok majd építeni, akár IRF540-9540-est használnék fet meghajtásra 3-4-5db végfok fetet párhuzamosan hajtva vagy valami egy tokba integrált komplementer fet "párt".
A hozzászólás módosítva: Szept 11, 2014
Következő: »»   139 / 240
Bejelentkezés

Belépés

Hirdetés
XDT.hu
Az oldalon sütiket használunk a helyes működéshez. Bővebb információt az adatvédelmi szabályzatban olvashatsz. Megértettem