Fórum témák
» Több friss téma |
Köszönöm a tanácsod!
Utánanéztem, hogy mit raktam be az áramkörbe... eredetileg én is azt terveztem bele.... Sajnos véletlenül rossz zacsiból vettem ki az alkatrészt és felcseréltem őket, egy másik típust ültettem be. ![]() Köszi még egyszer!
Sziasztok!
Adott egy feladat, amelyben két 12V 7,5W ventilátor fordulatszámát kell PWM-mel vezérelnem. Felhasználói beavatkozásra a két venti közül az egyiket (mindig ugyanazt) ki kell kapcsolni, míg a másik működtetése folyamatos. Készítettem egy tápegységet amelyre párhuzamosan kötöttem a két ventilátort, és egy-egy FET-en keresztül kapcsolgatom rá a tápfeszt (gate-re a pwm), majd hogy folyamatos nyomatékkal menjen, a kimenetet puffereltem egy 2200u-s kondival. A tápegység a klasszikus trafó-graetz-puffer trióval lett megoldva. A jelenség: a ventilátor kikapcsolásakor a bekapcsolva hagyott másik ventilátor felpörög. Ezt a jelenséget szeretném kiküszöbölni. Ötletet, tanácsot, javaslatot, esetleg kapcsolást szeretnék kérni, amellyel a probléma kiküszöbölhető lenne. (Áramgenerátoros megoldás, kapcsolóüzemű táp, esetleg valami más?) A válaszokat előre is köszönöm! Üdv: Máté
Vedd le a puffert a PWM kimenetéről és megszűnik a hiba. Ha kicsi a nyomaték növeld a frekvenciát.
Eltávolítottam a puffert a kimenetről, de a felgyorsulást az alul méretezett tápegység (is) okozta. Megtápláltam egy határozottabb labortáppal. Ezzel már >80%-os kitöltés felett nem volt érzékelhető a különbség, egyik probléma megoldva, de minthogy programozáskor ismeretes a 98 kicsi bug, egyet kijavítasz - 134 kicsi bug jelensége, így ez itt sem lett másként
![]() Alacsony kitöltésnél <20% a felvett teljesítmény annyira megnövekszik, hogy a tápfeszt leülteti 16-18V közelébe (24V 8W ventikről beszélünk, és 24V - 2A tápról). Lehetséges hogy a folyamatos be-kikapcsolásokkal állandóan előállítom a kezdeti túllövéseket, és ezek időben úgy követik egymást, hogy folyamatos nagy teljesítmény felvételnek összegződnek? Mi lenne az ideális PWM freki? Tudom, van az a háromszög, ahol kettőt választhatsz (széles fordulatszám tartomány - folyamatos nyomaték - csendes, nem ciripelő működés) én az elsőt és a harmadikat mondanám
Tegyél diódát a kimenetre, ami megakadályozza, hogy a motor szétrúgja a feteket kikapcsoláskor, lehet, hogy azért melegszik. A ventilátor felpörgését a tápfesz emelkedése okozta, stabilizálni kellett volna, vagy szabályzott kapcsolóüzemű tápegységről járatni..
A hozzászólás módosítva: Szept 5, 2014
melegedéses probléma már nincsen (volt egy nagy gate-ellenállás, ami lelassította a kapcsolást - lassan vált vezetővé)
ha minden igaz olyan fetet használok amiben már van beépítve ilyen dióda. érdemes rátenni még egyet?
A kimenetre tedd, ami a fetben van az más, most nem mennék bele.
Szia. Hol méred ezt a 16V-ot? A ventinél? Mennyi az a megnövekedett teljesítmény pontosan 20% kitöltésnél? Bár valószínűleg négyszögjelen nem fog tudni áramot mérni értelmesen.
Sziasztok! Van egy munkahelyi 40V-os 10A-es régi FOK-GYEM tápegység, LM324-es IC-kkel, tirisztoros egyenirányítással.
Teljesen rossz volt, a következő szintre már sikerült eljutni: Bekapcsolásnál ha felfelé szabályzom a feszültséget, korrekten tartja, terhelt állapotban is. Viszont ha leszabályzom a feszt, vagy ha mérni próbálok az egyik (I.) áramköri panelon (vagy ha fémmel érintkezik mondjuk az egyik bc301 kalapja) hirtelen "bekattan", egy pillanatig búg, a feszültség elkezd szabálytalanul mozogni, persze fel le még mindig tudom szabályozni, de nem áll be a pontos értékre.Ilyenkor a fő 22000 µF-os pufferkondi feszültsége hirtelen felugrik 90V-ra, ami egyébként a kijövő trafó 64V-os egyenirányított szintje. Szinte mindent cseréltem már, mégsem tudom mi lehet a probléma. Mire utalhat ez a jelenség? Kondi, félvezető? :/
Hali ismét!
Tudom, már ezzel kapcsolatosan tettem már fel kérdést, de most ismét jó lenne biztosítéknak a segítő válaszotok. Számítógép tápegységről lenne szó. A helyzet, hogy már előzőleg fércelt atx kábelt próbáltam rendesen visszakötni, illetve praktikai okoból kihosszabbítani. 2,5 mm2-es kábelem volt, ami ehhez már elég vastag, ezért azt csináltam, hogy az három narancssárgát, a négy pirosat, és a 7 fekete földkábelt mind-mind egybe rákötöttem 1-1-1 külön 2,5 mm2-es kábelre, a lilát és a sárgát is külön egy-egy ilyenre. A négy megmaradt, a -5V, a -12V, a power-on és a power-good kábeleket megkockáztattam rákötni egy-egy hangfalkábelre, mivel tudtommal azokon nem futna akkora teljesítmény. Ha esetleg ez így nem jó, akkor mi lehet a legrosszabb, ami történhet? Egy rossz átkötéstől már fel tud robbani a táp? Ill. tesztelésnél, ha a kimenő feszültségeket akarnám ellenőrizni multiméterrel, akkor szabad használjam a földelés vezetékeit méréshez, vagy problémás, ha valamelyik kimenő vezeték és a földelés vezetéke(i) között zárom az áramkört a mérővel?
A lilát nem kell vastagra fogni, az csak készenlét és a szekunder nullája le van földelve, tehát foghatod a burkolathoz. Felrobbanni nem fog, ha helyesen kötötted be..
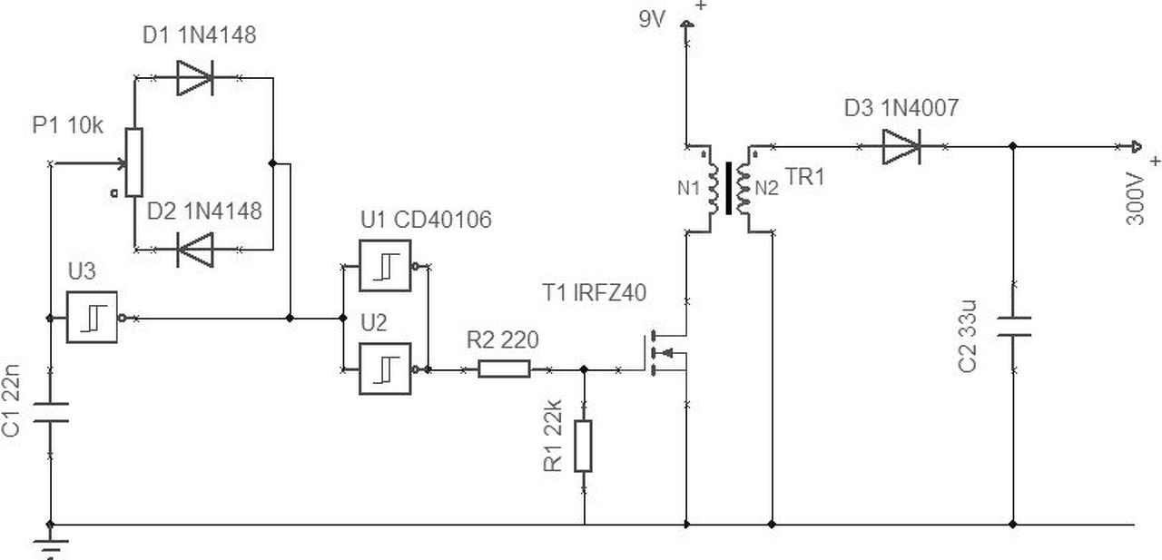
Hello! Adott a lentebb csatolt kapcsolás, amely egy egyszerű kisteljesítményű stroboszkóp tápegységéül szolgálna. Problémám az, hogy a kondenzátor viszonylag lassan töltődik fel (kb 1-2sec), viszont 1-8Hz-es villanásokhoz ez lassú, 0,1sec alatt lenne ideális.
Kondenzátor értékét nem akarom módosítani (villanás erőssége miatt), így (ha jól gondolom) a töltőáramnál kell keresni a választ. Mi befolyásolja ezt? Trafókat PC tápból bontottam, de nem nagyon hoztak változást különböző típusok. Potméterrel szabályozható pulzusszélesség is csak kis mértéken módosította, ill. egyik állásban nagyon megnövekedett (~0.5-1A) az egész kapcsolás áramfelvétele. Mit módosítsak? Köszönöm a válaszokat.
Szia!
Használj kisebb áramú logikai FET-et, mert lehet, hogy nem nyit ki eléggé 9V körüli gate-feszültségnél. A tápfeszültségen is emelhetsz, hátha jobb lesz.
Ha nagy a trafó szekunderének az ellenállása, nincs mit tenni.
Biztos, hogy nem nagy, a meghajtásnál lesz a gond. Egy PC táp trafója, azért elég masszív primert kell viseljen, itt egyszerűen gyenge a meghajtás.
Szia. 9V-os elemröl táplálod a kapcsolást?
Nem tudom. Egy PC tápegység trafója a primer oldalon nagyobb ellenállású, mint a szekunderen. A kapcsolásban fordítva van bekötve, tehát relatíve lehet nagy, mármint az igényhez képest (0,1 s alatt feltölteni a kondit). Kovidivi kérdése is jogos, 9 V-os elemről járatva hátrányt okoz az elem nagy belső ellenállása is.
Többszáz watra van tervezve és a trafó méretéből is adódik, hogy nem lehet nagy ellenállású, mert nem férne rá.
Nem hinném, hogy elemrő táplálná, írta, hogy 0.5-1A is a meghajtóáram szerintem túl alacsony frekvencián dolgozik, ahol egyszerűen a trafó nem működik! Hiába hajtja nagy árammal a primert, a szekunderen nem jelenik meg az áram, csak gondolj bele, párszáz mkró kondiról lehet, szó, számold ki mekkora ellenállás kell ahhoz, hogy pár másodperc alatt tölse fel. Egy 230-as 100W trafónak sincs akkor primer ellenállása.
Rosszul írtam a kapcsolásban, IRF640 FET-et használok. Ez tényleg elég nagy teljesítményekre készült, lehet ez a ludas. Milyen típus(ok)ra cseréljem?
Stabilizált (változtatható feszültségű) tápegységről megy (melyen látom a pillanatnyi áramfelvételt is). Csatoltam képet, amilyen trafókat próbáltam már (meg jópár hasonlót). Ezeknek kb. 0,2-0,8ohm körül mozog a primer, 40-60ohm körül a szekunder tekercseik. Tápfeszültség nem fontos 9V legyen, lehet 12, 15 is akár. Eleinte 5Vról próbálom, aztán lassan emelem. (Mert nem tudom mennyit fog leadni a trafó és a kondenzátorra nehogy túl sok feszültség kerüljön.) Sajnos ezek a trafók se a legidálisabbak, mert van amelyik már 7V tápfeszültségnél 400V felé is tölti a kondenzátort. Illetve valamelyikkel meg 6-7V felett hirtelen el kezd emelkedni az felvett áram (0.5-1.0A).
Szia.
FET kinyitásához szükség van kb. 5V-ra, de hogy teljesen kinyisson, 10V is kellhet. 5V-ról nem fog működni a kapcsolás, csak logikai FET-tel. Annyit tegyél meg, hogy 100k-t, vagy 1Mohmot raksz a kimenetre terhelésnek. A kondi pedig bármekkora feszültségre feltöltődhet, mert nincs visszacsatolás, így csak a trafó áttétele szab határt, viszont figyelembe kell venni a csúcsértéket, mert terhelés nélkül ezt fogja tárolni a kondi.
A FET-ek egyik közös tulajdonsága a maximálisan ráköthető feszültség. Ez, ahogy növekszik, úgy növekszik a belső ellenállása Rds(on). Ha csak 9 V-ról akarod járatni, akkor érdemes olyan Fet-et keresni, ami kb. csak 30 V-ot visel el maximálisan. A 40-60 ohm-os szekunder ellenállás, meglátásom szerin, sok ahhoz, hogy 0,1 s alatt fel tudd tölteni a kondenzátort. Esetleg annyira kellene hűteni, hogy nem tudsz vele mit kezdeni.
Milyen fajta PC tápot használsz? Ellenütemű, két tranzisztoros meghajtással, vagy együtemű FET meghajtással. A rajzodhoz csak az utóbbi, vagy a monitor-TV tápok trafói használhatók. A meghajtó jelet adó IC-t meg kell toldani nagyobb áramú meghajtó fokozattal. Nem képes a FET nyitásához-zárásához szükséges áramot biztosítani. A Gate előtti 220 Ohm-os ellenállás helyett is jóval kisebb kellene. ~10 Ohm.
Kimenetre tettem egy 560kΩ-os ellenállást, így már tényleg stabilabb.
FET-et kicseréltem IRFZ48N-re. (Ezt találtam itthon, de elég jónak tűnik.) (VDSS = 55V; RDS(on) = 0.014Ω) Javított a helyzeten, észrevehetően gyorsabban töltötte. Gate előtti ellenállást is megpróbálom majd kisebbre cserélni, ill. az IC-ben van összesen 5db ilyen kapu, azokat is akkor mind párhuzamosan kötöm. Megmértem még néhány trafó ellenállását, van ami 0.1-0.2Ω/4-8Ω. Leginkább 2-2 kivezetéseseket próbáltam. Potméter középső és a kapu bemenete közzé beraktam egy 47kΩ-os másik potmétert ill. kicseréltem a kondenzátort kisebbre. Így szabályozhatóvá vállt a frekvencia: Magasabb frekvenciákon még lassabban töltött /Pedig pont az ellenkezőjére számítottam = több impulzus -> gyorsabb töltés... és a kitöltési tényező változtatása se nagyon hozott látványos eredményt/. Alacsonyabb frekvencián megnövekedett az áramfelvétel (300-400mA), de szinte pillanatok alatt feltöltötte. (és a kitöltési tényező variálása is szembetűnőbb volt)
(Közben rájöttem, hogy az utóbbival nem csak a frekvenciát állítom, hanem a kitöltési tényező 0-100%os variálását is lerontom akár csupán 40-60% körülire, az újabb potméter egyik szélső pozíciójában. Szóval nem teljesen jól alakítottam át.)
A hozzászólás módosítva: Szept 23, 2014
Sziasztok!
Egy viszonylag egyszerü kérdésem lenne én kb 30V egyenfeszültségből szeretnék 12V viszonylag stabil feszültséget. Az átfolyó áram minimális egy előfok menne róla csak. 7812-es ICvel nem akarok kisérletezgetni, ahogy néztem max 30Vot bírnak. Tudnátok javasolni egy egyszerű megoldást?
PTN78060W-t tudom ajánlani, mint "privát" megoldás
Szia! Az LM723-at tartom a feszültségstabilizátorok svájci-bicskájának, nézz bele az adatlapjába!
Bővebben: Link A hozzászólás módosítva: Szept 28, 2014
Szia. LM317 bírja ezt a feszültség különbséget.
Üdvözletem!
Adott egy Gigabyte Superb 460W tápegység. Egyszer csak kifagyott a gép, elment a kép, a táp pedig elkezdett ciripelő hangot adni. A videókártya hűtője (nincs a videókártyán plusz tápcsatlakozó, PCI buszból veszi fel) nem forgott, illetve a CPU ventilátora is "ritmusra" hol felpörgött (nem teljesen, csak picit emelt a fordulaton) aztán hol visszavette. A gépet rögtön kikapcsoltam. Azóta a tápegység semmilyen konfigot nem képes üzemben tartani, bekapcsolni bekapcsol, de se kép, se hang és van amikor magától ki is kapcsol. Táp teszter szerint terhelés nélkül mindegyik ágon adja a megfelelő feszültség értékeket. Viszont ami szintén érdekes, hogy ha rákötöttem egy próba alaplapot, benne procival, vga-val, winchesterrel, memóriákkal és rá mértem pl. a 12V-os ágra akkor sem mutatott ingadozást. Szóval nem értem. De képet pedig nem ad egy konfiggal sem, annyi "erő" már nincs benne, csak ciripel meg fel-le szabályozza a ventillátorok fordulatát. Ötlet esetleg? |
Bejelentkezés
Hirdetés |







Nem hinném, hogy elemrő táplálná, írta, hogy 0.5-1A is a meghajtóáram szerintem túl alacsony frekvencián dolgozik, ahol egyszerűen a trafó nem működik! Hiába hajtja nagy árammal a primert, a szekunderen nem jelenik meg az áram, csak gondolj bele, párszáz mkró kondiról lehet, szó, számold ki mekkora ellenállás kell ahhoz, hogy pár másodperc alatt tölse fel. Egy 230-as 100W trafónak sincs akkor primer ellenállása. 





