Fórum témák
» Több friss téma |
Lehet témaidegen : Folytatás ma faragtam két oldalt is na még a fedlap hiányzik .
Nagyon szép lesz!
A potméter gomb véletlenül nem egy AKAI magnónak a nyomógörgője? Nagyon hajaz rá.
Olyannak ismersz aki nem saját kútfőből csinál valamit ? Egyéb iránt meg ha lenne olyan görgőm akkor oda adnám olyannak aki tudja használni , na de visszatérve a potméter tekerőre , az most ezúttal egy gyári és nem saját , csak a kép kedvéért !
Nehezen de elkészült remélhetőleg jó szolgálatot tesz majd , szépen szól nagyon és megfelelő hangerőt is produkál igaz nekem csak 32 ohm -os fülesem van de ezzel is remekel .
A képek nem 100% os minőségüek ezért elnézést kell kérnem de a fényviszonyok nem mindig kielégítőek ... A hozzászólás módosítva: Okt 7, 2014
Nagyon szépek a munkáid!
Sziasztok.
Erősen haladok visszafele az erősítővel. Először megépítem aztán szétfaragom és most nézegetem Tinába. A táp része most már jó,24V,12Vés 6,3V. Ez eddig rendben. A constant current source eredetileg 125 mA volt beállítva ami kevésnek bizonyult ez most 223mA van állítva vagyis az R4 5.6Ohm-ra változott. Így most elégedett vagyok a teljesítményével. De nagyon melegszik.Az első kérdésem hogy erre hogyan lehetne megoldást találni.Az megoldás lehet ha az LM317 est valami nagyobb teljesítményűre cserélem? A másik, hogy letöltöttem a Tinát és próbálgatom. Az általam már említett Sunrise-III tetszik mert itt is annyira van beállítva a CCS vagyis a teljesítménnyel nem lesz gond. Viszont nem nagyon kapom vissza a tesztekből a gyári adatokat.(Bár mint említettem most ismerkedem vele).Ott akadtam el hogy a bemenetre mit kell állítanom.Meg aztán ezek a grafikonok sem mondanak sok mindent. Örülnék ha valaki megnézné és elmondaná róla a véleményét. Esetleg miben lehetne változtatni és segítene hogy mit hogyan kell . Végül a gyári adatok:Input Resistance: 11k / 31kOhm gain module dependent Input Sensitivity (6N23): 270mV (dependent on tube) Gain: 14-26dB (dependent on tube) Max Output voltage (no load): 5.4V Output Resistance: Selectable 1, 32 or 69Ohm Frequency Response: 4 Hz – 350 KHz (-3dB) with 32 Ohm load Signal to Noise ratio: 91dBA (dependent on tube) Crosstalk: -88dB (dependent on tube) THD: > 0.013% (dependent on tube) Suitable for: 32 - 300 Ohm HeadphonesTubes Köszönöm szépen.
Több hibát is elkövettél, legrosszabb a kicsatoló kondit átkötötted, zárlatba.
Próbáld így.
Hát így teljesen mást mutat.Köszönöm.A C4 470u direkt törölted, mert ott maradt a vezeték?
Egyébként vélemény róla?
C4-et tudatosan vettem ki, mert így is nagy a fokozat erősítése, érdemes csökkenteni és a torzítás is kisebb lesz. Próbálj rajta végig minden szimulációt.
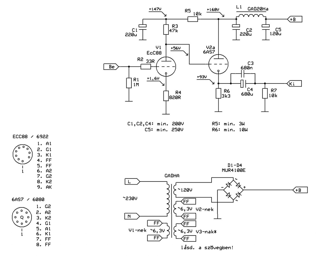
Sziasztok! Építem a 6N13C OTL fejhallgató erősítőt, és jó minőségű potiból (Noble)20K ohm értékű van itthon.Nagy hibát követek el ha ezt teszem bele,rajzokon 50 és 100K szerepel.
A tápfeszültség 24V szűrve.
Hogy állapítsam meg az ellenállást?
A hangerőt potival adom 50K, a testek közösítve vannak mindenhol. A munkaellenállások kivannak vezetve mert nem tudom még pontosan milyen fülessel lesz használva, 20ohm van rá kötve.
Elkészültem az OTL erősítővel.Megéri a fáradtságot,nehéz utána hangdobozt hallgatni.
Köszönöm szépen, csak az itt található erősítők képeiből lopkodtam ötleteket.
Nem, bocsánat helyesbítek, akkor is zúg amikor rövidre zárom.
Grat! Szép lett.
Milyen meghajtó cső van benne? Munkaellenállások, kicsatoló kondik milyenek? Én is ilyenen hallgatózom
Köszi ! Egyenlőre még nincs kihegyezve,csak átlagos alkatrészekkel raktam össze, a meghajtó cső Tesla E88cc a kicsatoló Epcos.
Sziasztok!
Az ESP erősítő megépíthető UPC4570C-ic-vel is? Ez találtam itthon ami adatlapja alapján elég jónak tűnik. Van még itthon 4558DD,4558DX,4558P,sima 4558 és 4560D. És még ezek: LA6358,LA6517,BA15218 És a BD-k helyett 2SB1761 és 2SB1187 párban. Ezek mind vannak itthon. A többi alkatrészen szükséges valamilyen módosítás még? Egyenlőre próbanyákon csinálom meg. Minden segítséget előre is köszönök.
Üdv Mindenkinek.
Gondoltam megépítem a klasszik 6AS7G - ECC88 füles erősítőt, de egy kis segítség kellene a kapcsolás testre szabásában. Egy AKG K242HD-m van, ami 55 ohm-os, 200mW maximális teljesítményt tud feldolgozni. Így max teljesítményen 60mA kell neki. Gondolom a végcsőnek ennél többet kell tudnia, de ennyit biztos. A cső 150V anódfeszültség, -70V rácsfeszültségmellett rendelkezik 60mA nyugalmival. A katódellenállás pedig kb 1160 ohm-ra adódik, ami jelentősen eltér a rajzon szereplőtől. A kicsatoló kondi pedig 1/(2*pí*55ohm*20Hz): 144uF. Ez is eltér kissé. Kérném, erősítsétek vagy cáfoljátok meg a gondolatmenetem.
Az, hogy 200mW-ot tud feldolgozni, az egy dolog. A másik, fontosabb, hogy mekkora az érzékenysége. 104 dB/V-ot adnak meg, az 104 dB/18 mW-nak felel meg. 200 mW-ra kb. 115 dB hangnyomás adódik, ami gyakorlatilag a fájdalomhatár. (100 dB: légkalapács, 110 dB: diszkó) Úgyhogy -szerintem- elég lesz a rajzon szereplő kb. 30 mA, azzal is 110 dB hangnyomást tud, ami több mint elég.
91dB/mW az érzékenység. Max 114dB jön ki belőle. Oké, nyilván nem akarom maxi hangerőn hallgatni, mert a szemem repül ki a fejemből, csak az eszmefuttatás helyességét akarom, hogy más is lássa és jelezze ha nem jó.
Ha 70V előfesz kell, akkor a katódellenálláson kb +126 V lesz. 60 mA-nél ez 2,1 K katódellenállást jelent. Gond lehet még, hogy ilyen beállításban már kevés fesz marad a végcsövön. A 91dB/mW gyakorlatilag azonos a 104dB/V-al.
Köszönöm a segítséget. Kicsit kiokosítanál, hogy ezt hogyan számoltad ki, mert teljesen beesteledett számomra.
Tiszta hülye vagyok, most látom csak, hogy direkt csatolt...
Sziasztok! Megépítenem a következo fejhalgato erősítőt.Szerintetek működhet?fülhalgatóhoz szeretném mp3 hoz.A c kondi jelöléshez milyen és mekkora kondit rakjak?
A hozzászólás módosítva: Nov 18, 2014
Hordozhato kellene.
A linkelt rajzon mi mond ennek ellent?
|
Bejelentkezés
Hirdetés |
























