Fórum témák
» Több friss téma |
Fórum » Csöves erősítő készítése
Ne feledd betartani a fórum viselkedési szabályait, és a topik megmaradásának feltételeit. [link]
A téma átmenetileg fagyasztva lett, hozzászólni nem tudsz!
Amúgy BÁBUMM kész lett a második és egyben utolsó DVD dobozba épített csövesem 6L6-al.
Ím néhány kép.:
Oké, le lesznek kötve katódra vagy földre.
A trafók igen, 50W-os BEAGból vannak (AET-453 asszem) 2 db van. Az egyikből kínkeservesen kihúztam egy lemezt, de mégsincs benne légrés. Így is jó lehet? Gondolom akkor más menetszámokat kell majd használni. Nagyon jól néz ki a műved. A DVD elején nem is voltak gombok, vagy valahogy átdizájnoltad? Mondjuk nem szeretném követni a példát, de igazán jó ötlet.Üdv!
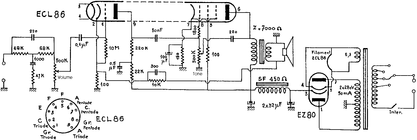
Itt van pár rajz.
Már elkészült a kicsike. Van vagy 30 kiló. Itt éppen Beethovennel izzítja a levegőt.
Bővebben: 6P3SZ-E PSE Az egyenirányítása 2db. 5Ц3С-re van bízva, a végcsövek segédrácsát oldalanként egy-egy EL84-es tartja 280 V-on. Meghajtás 6N9SZ, SRPP kapcsolásban. Brumm vagy sus nyomokban sem lelhető fel. 18 W-ot tud színuszban. Csodálatos hangja van, de jobb kimenőkkel mégjobb lehetne (ekkora vasnál már sok a 0,35-ös lemez, lasúak a négyszögjel élei). A nyákra építés csak azért van, mert a panel már készen került hozzám, én csak összeszereltem. A trafókat is csak összerakni összekötözni, mérni kellet. A dobozt sem én csináltam, úgyhogy szinte csak a jó dolgok jutottak nekem Most két db. BEAG AE110-est próbálok egy rendszerbe moddolni.
Ha ellenütemű erősítőben használnád, nem is kéne légrés...
Az elejét tényleg átdesigneltem, kapott egy új sárgaréz előlapot, ugyanolyan formában, mint az eredeti feliratos kijelzőtakarós, dvd tálcás előlap... Viszont ennek a szubminiatürizálásnak van sajnos hátulütője is... mégpedig, hogy nagyon közel kerül egymáshoz a kimenőtrafó, és a hálózati trafó. Akármennyire le is van árnyékolva az a fránya hál. trafó, az igen kicsi gerjesztésű, és így annál érzékenyebb kimenőtrafó úgy összeszedi a szórt mágneses teret, hogy még a hangszóróban is hallható. Persze nem zavaró mennyiségben, csak ha odadugom a fülem hallom, és innentől kezdve nem tökéletes. Nem szép zene a BÚÚÚÚÚÚÚÚÚÚÚÚÚÚÚÚ!
Csakhogy nem ellenteműben használnám. Így?
Igen szépen sikerült amúgy. Hát a brumm meg sajnos nagyon nehezen kiirtható..
PCL86-tal lehet 149MHz-et erősíteni? Van egy pár STABO kézi adó-vevőm, és ahhoz csinálnék egy erősítőt, hogy messzebbre lehessen vele adni. esetleg még PL509 es csővel? Tud valaki kapcsrajzot?
Elég kizártnak tűnik, hogy az a hálótrafó megszórja a kimenőket (persze nem lehetetlen). Én futnák még egy kört a tápellátással.
Pár javaslat (ha már tul vagy rajt, tárgytalan): Előerősítő csövek ki, ha nem brummog nem a trafó szór. Fűtéseket kölön kikapcsolni pár pillanatra, ha a brumm eltűnik nem a trafó szór. Ilyenkor a fűtésközepelést kell másképpen megoldani, pl. felkötni +50-60 V-ra. Ha a tápszűrés RC, akkor általában (dióda-puffer)-(ellenállás-puffer)-(ellenállás-puffer) kell a csendhez. Ha pentódás a vége, akkor a segédrácsnak még egy lépcső is kellhet. Fojtótekercsesnél elég a (dióda-puffer)-(fojtó-puffer). Ha a hálótrafó elforgatásával változik a brumm, akkor a trafó szór (amúgy eleve tekercsrésszel a kimenők felé kellett volna szerelni)
Helló Ecopityu!
Ezer éve nem voltál itt köztünk. Látom ezért nem tétlenkedtél.Szép lett az erősítőd,minden elsmerésem. üdv. Máté
Helló Sturbi,
téged is rég láttalak errefelé. Szereztem ma 2darab SM85B hiperszilt 230-as primerrel,megy próbára az SE ECL86-ba kimenőnek.Nemsokára fejleményekről is beszámolok. Az erősítőd nagyon jó lett,szívesen maghallgatnám... (akár Beethovennel is )üdv. Máté
Hali!
PCL86al tényleg ellehet menni RF tartományba. Amit biztosra tudok mondani: én 100MHzig elvittem a csövet. Azonban ha nagyfrekit szeretnél csővel erősíteni, akkor inkább kifejezetten nagyfrekis csővel kéne próbálkoznod. Az orosz GI sorozatból ajánlom a 21b (110W) illetve a 6b,7b csövet (350W). Ezekkel a csövekkel sok erősítőt építettem/építek, bátran ajánlom őket. Olcsók, jók, megbízhatóak, és mivel triódák nemkell nekik 2-3db feszültség. (persze mindez megoldható tranyóval is, de én cső párti vagyok )
Sok-sok féle erősítőt építettem már hosszú évek során, voltak közte szép hangúak is, amik szebben szóltak mint a gyári (SANYO és MARANTZ) erősítőim, de nemrég vásároltam egy "Tube gigapakk"-ot
párszáz (kb400db) csővel. sokminden van benne. Úgy döntöttem, hogy csinálok végre egy csöves erősítőt is. (Mivel nemrég kaptam apósomtól 1 ECC83-at és azzal csináltam egy hibridet. Ennek volt a legszebb hangja eddig amit csináltam. Ezután vettem a gigapakkot.) Azóta azt a PCL86-os "Piccolo" végfokot hallgatom, amiben 2 cső van párhuzamban. Na azóta teljesen leakadtam a csöveknél és egyenlőre csak azon agyalok, hogy mi mindent lehetne ezekkel csinálni. ez a párhuzamos csöves piccolo hol lelhető fel? amiket én ismerek (és 'piccolo' fantázianéven futnak) azok mind egyetlen pcl86-ot használnak csatornánként, teljesítményük kb 2W illetve 4W (UL). tudsz mutatni egy rajzot a tiédről? regards,
Arról a Piccoloról van szó (walton audio), csak két cső van oldalanként, tehát tulajdonképpen két külön csatorna is lehetne, de a bemenetük össze van kötve (a két rács /1-es láb/ egy potenciálon) és a kimenetük is egy trafón megy át (A 6-os lábak, tehát az anódok is egy potenciálon), így nagyobb a kimenő teljesítmény. Egyszer, ha sok pénzem lesz trafókra akkor párhuzamba rakok majd 4 vagy 6 csövet. Egyébként nagyon szép hangja van.
Kettőstrióda kihúz,- búú, fűtés egyik vége testen, így már jobb lett, tápelkó már össz 400v 880uF...
RC-szűréssel elmentem már a soros 150 ohm-ig, és még akkor is hallattszott. Folytó nem jött be. A trafót, meg ha keresztbe teszem nem olyan SZÉÉÉPPP(bár nem próbáltam), ne haragudj, de a külcsíny ebben az esetben inkább mérvadó volt mint az a néhány milivoltnyi BÚÚÚ. Amúgy , amikor még senki fel sem fűtött, és éppen (bootol) az erősítő, már hallatszik a búúú. A pillanatpákámat 30 cm-re bekapcsoltam, és belebúgott, ilyen érzékenyek a gyári vermona kimenők(azaz az egyik BÖHM). ![]() A gitárerősítőkben úgy látom(hallom) nem véletlenül volt az egyik végén a táp, a másik végén a kimenő, egymástól 50cm-re...
Nem volt net-em több mint egy hónapig, és a 6l6-ot is be akartam már végre fejezni, így nem üres kézzel tértem vissza..
![]() De készül még egy dupla PCL86-os sztereo SE 6w-os, fabetéttel, és egy nagyobb SE párhuzamba kötött duplatriódákkal, kór trafóburkolattal teljesen keményfa alapzattal, ez még titkos, be fogok még én is szarni a látványtól, ha kész lesz. /A csúnya szavakat tessék kisípolni/
Most látom, hogy abraboro-ék is pont ilyenről beszélnek.
Ha összeválogatjuk a csöveket, akármennyit párhuzamosan lehet kötni, és annyiadrészére csökken legalább az illesztőellenállás.., nameg a katódáram terhelhetőség is összeadódik. 1 db pcl86-al SE-ben 3w-ot lehet csinálni véggázon, ezért rakok 2db-ot a 6w-hoz, ha 3-at raknék, már majdnem 10w-os lehetne, és nem is lenne csúnya. Nameg végre felhasználnám a pcl86-jaimat. Pcl84-85-el is csináltam már SE-t, kamu néprádióba, autórádiósmagnó rádiórész, sorbakötött 2x 6,3v váltó, ez a fűtés, és innen megy egyenirányítva stabkockával a rágyó, a maradék cucc meg a komplett pcl85-ös se végfok. lassan szólal meg és, a vége csak csöves . ![]() Ez a kamu néprádió. Idézet: „a gyári vermona kimenők” így könnyű ám csöves erősítőt építeni.... Viccet félretéve nagyon szépen és gyorsan dolgozol...Kíváncsi lennék a 6L6-ok hangjára. Én most egy (illetve kettő) EA080-ast építek át,és párhuzamba épül az ECL86-os SE.Közben a PL504-es PP-t hallgatom,ez ám az élet. üdv.
Hello!
PCL84 és 85 höz milyen illesztésű trafó kell? Jó hozzá ami 86hoz való? A múlthéten építettem egy PCL86 SE-t orion tv hiperszil képkimenőből, lehet hogy a PCL85 mégjobban komálná? Eredetileg ugyebár az az eltérítést volt hivatott szolgálni, gyárilag az hajtotta meg. A sima képkimenő hallhatóan torzított 8ohmon, 4ohmos MINIMAX viszont szépen muzsikál vele. A hiperszilek meg ezzel kínlódnak, viszont a HS280nal szólnak szépen, bár kicsit több mély elmenne, de hallgatható. Akarok egy olyat csinálni, hogy sztereó PCL86 SE, és az anódfesz késleltetés egy csővel lenne megoldva 12AT6(miniatűr novál kettősdióda+trióda, azért ez mert van itthon ), aminek a dióda része ha bemelegedne, adná egy tranyó bázisára a vezérlést, ami kapcsolná az anódfeszt. A trióda része pedig az EM84 varázsszemnek lenne az előerősítője. Az a baj, hogy nincs még normális hálótrafóm, ill ami van az ormótlanul nagy lenne a dobozhoz képest. Másik project: használt már valaki PY88 diódát egyenirányítónak?
mm a tranyó egy relét kapcsolna, ami kapcsolná a delejt
Én épp most bontok 1 szalagmagos trafót (150W) eredetileg egy régi orosz aksitöltőben volt. áttekerem a szekundert az anódfesznek meg fűtésnek és már csak két jó minőségű kimenőtrafó kell amin van leágazás 60%-nál, hogy ultralineárisra lehessen kapcsolni. Akkor elkészítem a sztereó PCL86 SE-t amiben párhuzamba kötök 6 vagy 8 csövet csatornánként.
Reszursz (PECYPC-1) ből való?
Nekemis van egy olyan nagyon bikának néz ki. Azt a tranyós gitárerősítőmbe akarom majd. Természetesen csöves lesz az előfok
Sajna nem tudom, mert már nincs meg az előlapja, de úgy néz ki, hogy két csévetest van ami ketté van osztva. Tehát ahogy egymás mellett van a két csévetest az egyik oldalon van egymás mellett a két szekunder. Az egyik csévetest fehér kicsit átlátszó, a másik narancssárga.
Mennyünk szépen sorba.:
A PCL84, és a PCL85 is ugyebár teljesen azonos felépítésű trióda-pentóda cső, és csak teljesítményben különbözik a 86-tól. Talán még a bekötésük is azonos, bár a fűtésük nem emlékszem pontosan hány voltra jön ki a 300mA-el, de tán 12-14v körüli. A kimenő amit én használtam hozzájuk, az a pcl86 gyári videoton osztott tekercses kimenő volt, és nagyon kamálta. Ha ugyanaz a bekötés/most lusta vagyok megnézni/nyugodtan dugd be helyette, és halgatsd meg. A hiperszil kimenőd pedig bizonyára mivel a függőleges eltérítő tekercsek is k.b. 4ohm-osak voltak, arra van illesztve, azért szól jól csak 4 ohm-on. Hameg valaki azt merné mondani, hogy a Pcl84-85 nem hang-cső, az letérdelhet, mert az EL-PL-500,504,509,519 is soreltérítő cső volt a ruszki 6P45SZ-el karöltve, és azok is a legjobb erősítőkben recsegnek!!! A tranzisztort meg felejtsd el csöves erősítőben!!! Mondok jobbat, amit már itt említettem.: Ha már van PY88-ad, akkor szépen felfűtöd, sorbakötöd magát a csövet a reléd behúzótekercsével/relé legyen minimum 24v-os, mert 12v-ossal nem mindíg tökéletes, hacsak nem táplálod min 24v-al, mert a csövön is esik egy kevés voltage/, és amikor az egyenirányító csöved felfűt a többiekkel azonos idő alatt, szépen átfolyik rajta az a 40-50ma, és behúzza a relédet. Merthogy az egyenirányító cső már ilyen ki feszkóról is tökéletesen üzemel. Úgyis PCL86-ot használsz, abból lesz a fűtésedből 15v váltó, egyenbe huszonnéhány, tehát már meg is van a relé feszkója... Idézet: „párhuzamba kötök 6 vagy 8 csövet csatornánként” Brutál csőhegy, 1000w wááúúú. Sok foglalat kell hozzá...Egyszer mi is gondolkoztunk oldalanként 4 EL84-el.. ez a csőfelfűtéses időzítő látványos cucc, annak idején mi is szórakoztunk vele kicsit, mondjuk nagyobb feszültségű relével. kár, hogy nem ugrik be milyen csővel. igaz rég volt, kb 25-26 éve, akkor még épp a tranzisztorok/ic-k használata jelentett varázst, manapság ez megfordult ;-D regards,
Nah előhoztam a PCL84 85 öket is, majd estére összerakom és meghallgatom. Egy ez mini erősítő lenne, a PY88akat a tervben lévő PL500 PP tápjába szeretném felhasználni egyenirányítónak.
A PCL86 SE be azért kell mindenképp valami félvezető elem a reléhez, mert a kis 12AT6 dióda része minimális áramot bír, mivel eredetileg detektor és előerősítő cső volt. Végüis a hangba semmiképpen nem "szólna" bele a tranyó, csupán kapcsolóeszköz lenne. Arra is gondoltam, hogy valami extra kis áramú reed relét lehet hogy elbírna még, bár a triódájával közös katódja van. Mondjuk a trióda része is csak a varázsszemet hajtaná, mert vonalszintű jelröl nemigazán akar működni Majd beszámolok a fejleményekről |
Bejelentkezés
Hirdetés |






Mondjuk nem szeretném követni a példát, de igazán jó ötlet.



párszáz (kb400db) csővel. sokminden van benne. Úgy döntöttem, hogy csinálok végre egy csöves erősítőt is. (Mivel nemrég kaptam apósomtól 1 ECC83-at és azzal csináltam egy hibridet. Ennek volt a legszebb hangja eddig amit csináltam. Ezután vettem a gigapakkot.) Azóta azt a PCL86-os "Piccolo" végfokot hallgatom, amiben 2 cső van párhuzamban. Na azóta teljesen leakadtam a csöveknél és egyenlőre csak azon agyalok, hogy mi mindent lehetne ezekkel csinálni.
Azt a tranyós gitárerősítőmbe akarom majd. Természetesen csöves lesz az előfok 
