Fórum témák
» Több friss téma |
Fórum » Sztereó DAC
Témaindító: meszattila, idő: Ápr 10, 2007
Témakörök:
Ha nincs rövidzár, akkor szakadásra tippelnék! Forraszd át jó alaposan. A doksit tanulmányozd, korábban mellékeltem is ezt a részét. Csak nézd meg a táblázatban, hogy melyik lábnak milyen szinten kell lennie ahhoz, hogy sztereó legyen és a megfelelő formátum stb. Ha 0 van benne, akkor kell földre kötni, ha 1, akkor 3.3V-ra, ha ez esetleg nem lenne világos.
A hozzászólás módosítva: Nov 10, 2014
Miért gondolod, hogy nem értem, H és L szintek beállítása nem probléma, sajnos nem ez a hiba oka.
Szakadás sincs, kimértem, a kimeneteket 220 ohm zárja le, a kimenetek és a GND között ezt mértem, közvetlenül az IC kivezetésein és a +/- kivezetések között 440 ohm is stimmel. Ezért minden szakadás vagy zárlat kizárható, ennyire egyszerű.. Mértem PCM1796 IC-vel is a kimenetek DC szintjét, L +/- 0,680V, egyforma, de a jobb kimenet már nem R/+ 0,4V, R- 0,84V, van eltérés de kisebb mint PCM1794 tokkal. Ezzel is csak a bal csatorna működik, kisebb jelszinttel, de ez az adatplap szerint érthető is, az alacsonyabb áram miatt... A hozzászólás módosítva: Nov 10, 2014
A 220ohm a panelen van, az IC-n mérted? Ha meg érted a magas éa alcsony szintet, akkor állítsd be jól és nem is kell piszkálni mennie kell. Komolyan azt gondolod, hogy minden IC hibás és mindegyiknek ugyanaz az oldala? Az a kapcsolás eleve nem jó, a gyári adatlap szerinti kapcsolást kell megépíteni a kimenetre, az nagyonjól működik (a 4.5V-os, a 2V-os verzió torzít).
Nem olvasol figyelmesen, ez csak próbára készült, leírtam..
Ha működik rendesen az OPA repül, kap másik nyákot, csöves kimenetet kap. Nem gondolom , hogy minden IC hibás, csak azt, hogy a kettő ami van, kísérletezgetés közben sérülhetett.
Mindkettőnek pont a bal fele, pont ugyanúgy? Simán kontakthiba van ott még, vagy az OPA hibás, nem cserélted még?
Rossz nyomon vagy és írtam ezt is, OPA nélkül sincs jel, közvetlenül a kimeneten!
Műveleti erősítő most sincs benne.
Nem is lesz, mivel áramvezérelt.... A gyári kapcsolással üresjáratban egy büdös mv sincs a kimeneteken.
A hozzászólás módosítva: Nov 10, 2014
Tévedsz, a 220 ohm on megjelenik a feszültség, mivel áram folyik rajta, I/U konvertálást megoldja. Ezt a működő oldal is bizonyítja.
Hogy érthetőbb legyen, jelenleg ebben a beállításban van. Idézet: „A gyári kapcsolással üresjáratban egy büdös mv sincs a kimeneteken.” Ez csak akkor lenne igaz, ha a kimenetek levegőben lenének, 4db 220R megoldja, lesz kimenő feszültség. Ha akarod képen is tudom mutatni, opa nélkül, hidd el, ha kicsit átgondolod a működését Te is rájössz..
Mint mondtam, a gyári kapcsolással, nem azzal a tákolmánnyal.
Hiába erőlködsz, a gyári kapcsolás kimenetére beteszed a 4db 220R ellenállást OPA nélkül is lesz kimeneti feszültséged. Az OPA aszimmetrikus kimenetet biztosít és feszültséget erősít. Azt hittem az alapokkal tisztában vagy..
A hozzászólás módosítva: Nov 10, 2014
Miért tenném be? Hagyjuk ezt tényleg reménytelen vagy.
Valóban hagyjuk. Értékelem, hogy segíteni próbáltál, de tapasztalataid meglehetősen hiányosak, ennek ellenére köszönöm...
A hozzászólás módosítva: Nov 10, 2014
Ahhoz képest, hogy hiányosak, nekem saját tervezésű, komplett készülékem van, ami működik is,ráadásul nagyon jól, te meg egy egyszerű DAC-ot sem bírsz életre kelteni és nem látod az összefüggéseket sem....
Ismét tévedsz!
Eddig öt konvertert készítettem és nem gyári kapcsolások másolata, ha kicsit visszakeresel itt, akkor néhányat meg is találsz. Ami nem fog tetszeni neked, egyikben sem találsz műveleti erősítőt. Képen látható ami eddig a legjobb hangzást biztosította. Ez az első ami szívat, de megoldom, nyugodj meg. A hozzászólás módosítva: Nov 10, 2014
Meg van a hiba oka, kinyírtam az IC-ket. Konfiguráció próbálgatása során a H szintre kapcsolását 5V-ról próbáltam még az elején, adatlap szerint max 3,6V amit elvisel. Ezért nem működik csatorna kiválasztása.
A hozzászólás módosítva: Nov 12, 2014
Legalább már megvan a hiba oka, megdöglöttek a bementek és rosz volt a konfiguráció, mivel magas szinten ragadt a bemenet.
Örülök, hogy meglett az oka! Annak nem, hogy tönkrementek. Közben Én is csináltam egy két mérést, és találtam forrasztási hibát. Igaz most nincs időm foglalkozni vele, de legalább van remény.
Alapvető hibát a nyáktervvel követtem el, JUMPER 5V -ra kötésével.
Próbák során nem vettem észre, többször is az 5V-ra pakoltam. Tiédnél a DIR9001 beállításával is lehet probléma, ezeket nézd meg.
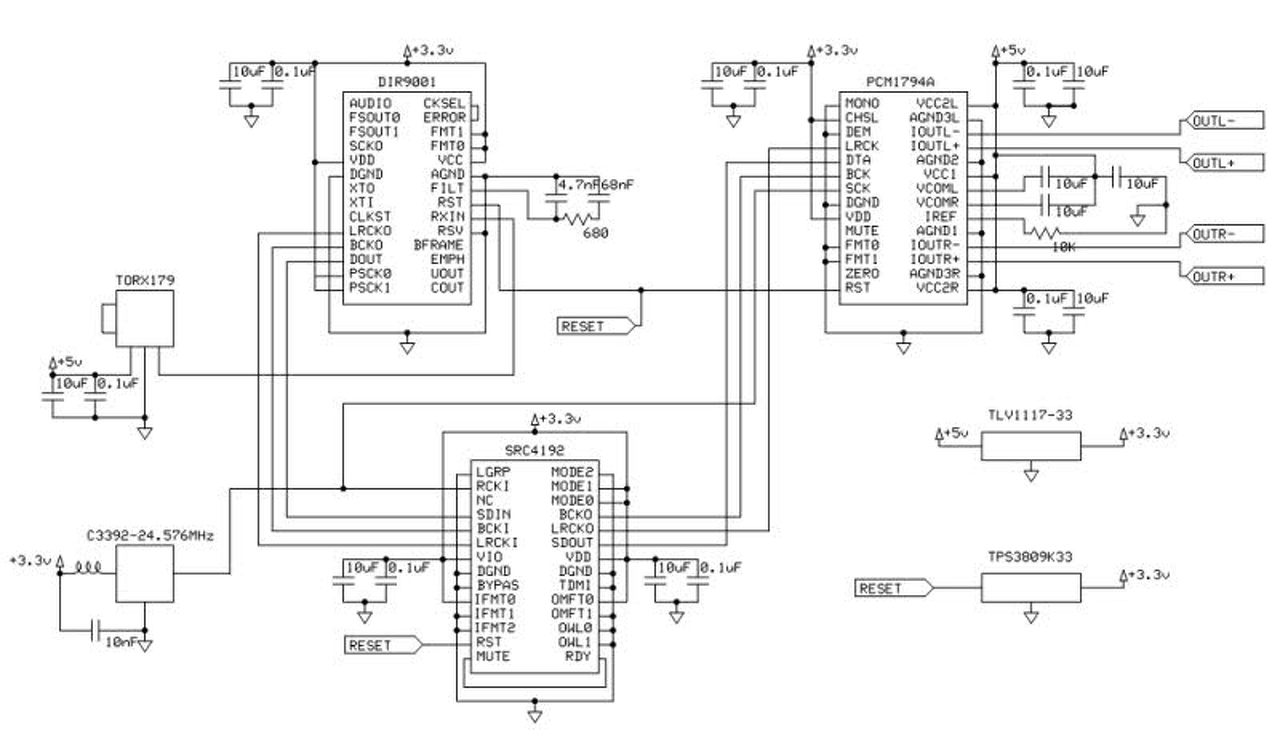
Akkor végül is jól gondoltam, hogy a Vcc és a Vdd körül lesznek a problémák. A többi rajzon mind a 3.3V-ra kapcsolták a kivezetéseket. Amiről a nyákot készítetted pedig az 5V-ra.
Tehát hibás a rajz! A nyákot még meg lehet menteni egy vezetősáv átvágással és egy kis szigetel vezetékkel. Bár ahogy nézem a munkáid minőségét képes vagy emiatt egy új nyákot készíteni. A hozzászólás módosítva: Nov 13, 2014
Már megcsináltam a módosítást, ez amúgy is csak próbára, tesztre készült.
Végleges változat nem műveleti erősítővel lesz megoldva és ahhoz készül majd új panel.
Jelenleg, nemigen tudok vele foglalkozni, de ha lesz időm nekifutok még egyszer.
Megpróbálom, mert sajnálnám, ha kárba veszne. Elég sok anyagot és energiát beleöltem.
Az enyém ez szerint készült, csak mellőzve lett belőle a külső órajel. A hozzászólás módosítva: Nov 13, 2014
Szerkesztettem az előző hozzászólást, oda került a kapcsolás is.
Benne van az SRC is? Én eszerint csináltam és elég érdekes zajokat, tozzításokat okozott az SRC.
Enyémbe is benne van. Jobb lenne nélküle azt mondod?
Nekem nem jött össze, ha már benen van próbáld ki, de nem volt az igazi.
Ja és korábban írtam, hogy az Optikai kábellel nőt a modulációs torzítás, de ez nem igaz, más probléma volt! A hozzászólás módosítva: Nov 14, 2014
PCM1794 itt sztereo beállításban van, 5V sem okozhat problémát, működnie kellene, ha a DIR9001 ehhez van belőve. DIR RESET kivezetését érdemes úgy kötnöd, ahogy a TDA1541 nyákterven van, soros ellenállás/kondi a testre.
Optikai bemenet helyett, szerintem koax egyszerűbb és jobb lehet. Optikainak nagyobb távolság áthidalása esetén lehet előnye. A hozzászólás módosítva: Nov 14, 2014
|
Bejelentkezés
Hirdetés |







