Fórum témák
» Több friss téma |
Ez még rosszabb mint az előző !
Javasoltam a szimmetrikus felépítést de itt nincs még kisérlet sem ez irányban ? A hozzászólás módosítva: Nov 30, 2014
Bár van némi kivetni való a rajzban, mérve rendkívül jónak bizonyult.
Alsó határfrekinél valahol 10Hz körül volt a -3dB-es pont, és nagyon magasra is ment, már nem emlékszem, de legalább 30kHz-et mértem. A hangja nem tetszik csak, nagyon steril, ezen szeretnék változtatni, de ha nem lesz jobb, az sem érdekel, ezen kívül van egy Heed Canampom, meg egy hibrid, ECC82-vel, fetes véggel épített fejhallgató erősítőm is, csak ezek még nincsenek dobozolva, a fent tárgyalt erősítőhöz meg már csak a fa előlapot kell elkészíteni.. A hozzászólás módosítva: Nov 30, 2014
Miért rosszabb? Rövidebbek a GND-k ahogy javasoltad. Megszüntettem egy fél hurkot is úgy mond.
Alapvetően nem jó , hiába szüntetted meg a félhurkot meg rövidebbek a GND -ék de nem jó az alap elgondolás , ha nem hiszel csináld meg és ugyan úgy zúgni fog csak mint az előző !
Inkább az intermodulációs torzítása zavar téged, az tipikusan a sávszélek gyenge érzékelésében mutatkozik meg.
A gyorsabb műveleti erősítő, a fáziskorrekció egyaránt mérsékelheti a meredek felfutású jelek túllövését. A kívánt hangképhez vezet még az is, ha nem a kimenetről hanem közvetlenül a műveleti erősítő kimenetéről csatolsz vissza.
Rendben, mi az amit másként kellene csinálnom?
Lesz egy kis időm rajzolok egy elképzelést azt majd megbeszéljük mit hogyan ha nem ma kell ...
De ha gondolod a papirt is le tudom kopirozni amit én épitettem ? A hozzászólás módosítva: Nov 30, 2014
Rendben, várom az elképzelésed, nem ma kell. (tegnaphoz egy napra)
csak vicc.... Örülnék ha segítenél, nem zavar a tatár!!! Azt is szívesen fogadom ha letudod másolni a tied, hátha erőt merítek belőle. Csak a tied nem tartalmazza a plusz 2db előcsövet, de az nem baj, ha ichletet ad az csak jó! A csövek és a kondik elrendezését szeretném megtartani. A hozzászólás módosítva: Nov 30, 2014
uA709, uA741? Klasszikus darabok. Fellelhető (az én fiókomban is) fémtokos változatuk.
Jó estét Uraim!
Fejhallgató-erösítö építésre adnám a fejem,ezért kérnék önzetlen objektív/szubjektív véleményeket... Mit ajánlanátok egy 600 ohmos füleshez? (beyer dynamic dt220) Canamp,ESP,JLH,esetleg valami csöves?
Jó estét.
A JLH szerintem jó választás nekem is indult elsőre hamar kész van a táp is olcsón megúszható, aztán esetleg hibrid és a csöves. Köszi reloop a nyáktervért.
Üdv! Kellemesen nagy a füles impedanciája, közvetlenül meg lehet hajtani műveleti erősítőről Bővebben: Link. Az OPA2134 elég kifinomult eszköz erre a feladatra.
A linken szereplö erösítöt megépítette innen valaki?-amugy ha jól emlékszem,az ESP-re esküdtél egy idöben (bocs ha mégsem)
A hozzászólás módosítva: Dec 4, 2014
A műveleti erősítő utáni aktív elemek legyen az Canamp, vagy ESP, csak az illesztés miatt szükségesek. A miattuk romló tranziens viselkedés púp az ember hátán.
Továbbá a hallgató személye és a füles típusa együttesen határozzák meg, szükséges-e az A-osztályú végfok. Amíg nem építesz meg több fejhallgató erősítőt nem fogod megtudni olyanod van-e mint amilyet szeretnél
Sziasztok!
Egy kis segítség kellene. Az alábbi kapcsolási rajzban előcsőként jó lenne a 6H8C?, és az L1-es fojtót tudom valamivel helyettesíteni vagy elhagyni?, mert nincs ilyenem. Minden más lenne. Előre is köszönöm!
Persze hogy jó, akármilyen kettős trióda megfelel. Nem át ha minél nagyobb a u -je. A fojtó helyett betehetsz 1 - 2 kohmos ellenállást, kicsit kisebb lesz az anód tápfeszültég, de attól még jó lesz.
Szia!
ECC88, E88CC, 6H23P, 6DJ8 csövek megfelelőek, más típus csak a munkapont módosítással fog működni. DC csatolt erősítő, nem lehet csak úgy cserélgetni.. Fojtó helyett FET, áteresztőnek bekötve tökéletes lesz. Az ellenállás sajnos nagy veszteséggel járna, 1k érték esetén a két oldal áramfelvétele kb 60V feszültségesést jelenten, 100V DC maradna ami kevés. A hozzászólás módosítva: Dec 5, 2014
Min kell változtatnom a munkapont módosításához?
A FET-et hogy kössem be?, és milyen jó hozzá?
Szerintem használd a megfelelő csövet, 6H23P viszonylag olcsón kapható.
DC csatolás miatt fontos mindent betartani, tápfeszültség sem lehet sokkal kisebb, az is munkapont változást okoz. IRF840 megfelelő, később lerajzolhatom. Milyen füleshez akarod használni? 32 ohm hoz nem javaslom, nagy lesz a torzítása. A hozzászólás módosítva: Dec 5, 2014
Megtaláltam a papirt amire rajzoltam anno már egy kicsit maszatos meg ilyenek de a lényeg látható .Elnézést mert nem szoktunk ilyen rajzolatokat osztogatni / komoly ember ezt csak megmosolyogja / de talán láthatod az én elképzelésemet és ezzel nincs semmi gond nem zajos nem brumos STB.
Bővebben: Link A hozzászólás módosítva: Dec 5, 2014
Jó napot.
Azok a "komoly emberek "tisztelet a kivételnek kötözködnek és nem látni tőlük egy félkész munkát sem. A hozzászólás módosítva: Dec 5, 2014
Azért szeretném a 6H8C-t mert nekem jobban tetszik kinézetre mint a 6H23P.
A táp érték AC-ban most 127V. Akkor az ezek szerint elég lesz. A rajzot meg köszönöm. 32ohm-tól 600ohm-ig van fülesem kb. 6 félefajta.
Nagyon jól szól a 6n8sz. A második ilyen erősítőmet ezért is csináltam oktál foglalatosra, mert már tudtam hogy nem lesz benne más fajta cső. Nem kell bele fojtó, csak egy jól méretezett C-R-C táp, vagy áteresztő stabos.
Talán már láttad: Bővebben: Link A hozzászólás módosítva: Dec 5, 2014
A komoly ember ha hozzá fog egy munkához akkor készít egy skiccet. Anno én ha akartam esztergálni egy tengelyt többféle átmérővel akkor csináltam egy ilyet, és utána készítettem el a szakrajzot.
Ezzel szerintem elárultam hogy nem az elektronikában nőttem fől, elnézést kérek mindenkitől ha olyan dolgokat kérdezek amik egyes embereknek alap. Ez a rajz kiinduló alapnak nagyon is tökéletes. Köszönöm!
Tudsz nekem erre a tápra adni egy megoldást?
Igen, láttam azért is kérdeztem tőled hogy milyen kapcsolási rajból csináltad? Emlékszel?
, és nekem van ilyen csövem jó pár darab és most szeretném felhasználni. Elismerésem, nagyon "Design-os" A hozzászólás módosítva: Dec 5, 2014
Az enyémben ellenállások vannak, de ahogy CHZ is ajánlotta, jobb egy fetes áteresztő, akár oldalanként.
A harmadik verzióját már biztos hogy kapcsolóüzemű táppal fogom csinálni. A hozzászólás módosítva: Dec 5, 2014
6H8C cső estén a katódellenállásával próbáld belőni az anódján megadott feszültséget.
R/C szűréssel is megcsinálhatod, de ahhoz kevés az AC127V, FET hez is kicsit több jobb lenne. Milyen, mekkora trafó ez? Rajzot megcsinálom..
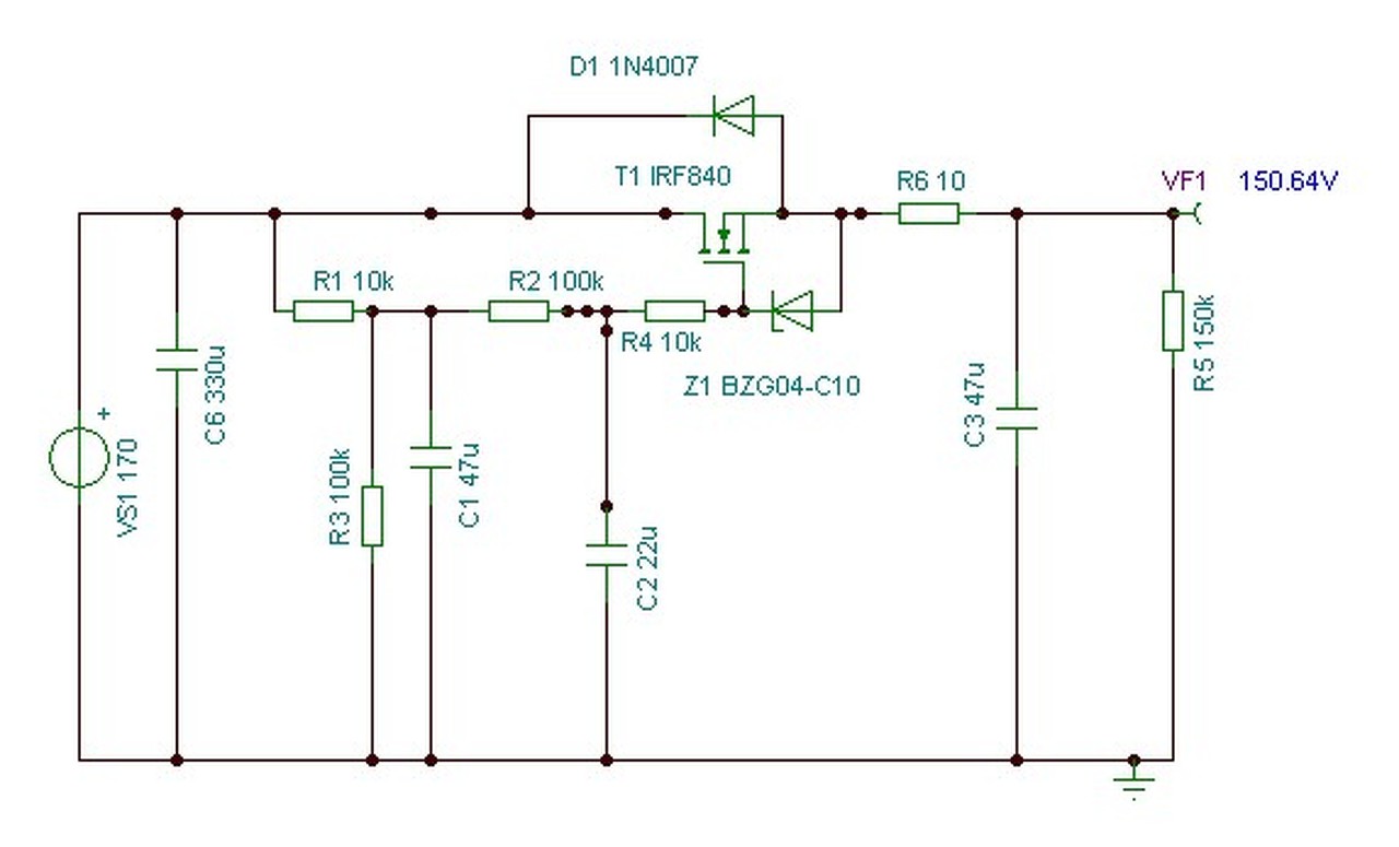
Itt van a rajz, stabilizáltra is átalakítható, ha az R3 helyére 160V Z diódát teszel.
Előnye, hogy nem kell anódkésleltetés, lassan emelkedik a kimenetén a feszültség, olyan mint ha csöves egyenirányítást használnál. |
Bejelentkezés
Hirdetés |





csak vicc.... 









