Fórum témák
» Több friss téma |
Mielőtt kérdezel, a következő két dolgot ellenőrizd!
I. A helyes tápfeszültségek megléte.
II. A kimeneten van-e egyenfeszültség.
Élesztés.
Erősítsd fel a jelet Bővebben: Link
Én is használom úgy a telómat, hogy a fülhallgató kimenetet rádugom az erősítőre, nekem kivezérli az 50W -os erősítőt Line bemeneten, csak rá kell tolni teljesen a telón a hangerőt.
Nem valami csatlakozási probléma? Egy teló fejhallgató kimenetének ki kellene hajtania egy line szintű bemenetet.
Sziasztok. Valami új szabvány vagy mi miatt maximalizálta néhány teló kimeneti jelét a gyártó. Korábban bőven fájdalomküszöb felé tudtam hajtni a fülest (nem samsung), most meg szunyogfing az egész. Sem a tv, sem a vebrádióként használt Samsung gxxx nem ad elég jelet a fülhalgató kineneten. Főleg nem 0dB szintűt. Kénytelen voltam én is a reloop átal linkelthez hasonló megoldást alkalmazni hogy szabvány hifihez lehessen illeszteni.
Igen és már szúnyogfing előtt fél hangerőn kiírja, hogy: ácsi, vedd lejjebb mert károsodhadsz, az ultra mega basszusoktól amit belédpumpál ez a telefon.
A mélyátvilelről ne is beszéljünk... Jókis panasonic fejhallgatóval a telt, lágy "drumm" basszus akár hogy állítgatom ultra, mega bass, equalézer plafont verdesi, stb a telón csak legfeljebb kvakk, kvakk, kvakk, vagy uffff, ufff, ufff, ufff, hang jön ki. Modern telefon, zenelejátszó funkcióval eladó... Mindegyikben oda van írva. Aztán egy ruppót nem ér.
PowerAmp-ba feljebb raktam az előerősitést, igy elfogadható.. (messze nem olyan hangos mint PC-ről, de már hallgatható)
Másik kérdés. Szerintetek, egy STK végfokos HIFI-hez (2x150 W, és ezt 8 Ohm-ra le is adja, mérve volt) Ez a hangdoboz jó lenne? Többnyire kint lenne használva "háttérzeneként" de azért nem minimum hangerőn.. Következő kérdés, hangzásilag ettől szerintetek mit lehet várni? Ahogy látom az egy 25 vagy 30-as mély, ráadásul B-reflex-es... megéri? Előre is köszönöm! A hozzászólás módosítva: Ápr 10, 2015
Érdekes, amit írsz, nekem a 45 Ohm -os fejhallgatómat is elég rendesen kihajtja a telóm és igencsak dörög, mikor kell...
PowerAmpot kell használni és akkor lesz rendes hangzás.
Gyári androidos zenelejátszók elég kaka hangot adnak, ez tény, de egy jó zenelejátszóval igen komoly mélyeket tud még egy gagyibb fülessel is (nekem pl az s2-hoz adott gyári füles bőven jó, megfelelő gumival tökéletes mélyet ad, és nem bántja a fület a magas sem, miközben hangos, és erőteljes hangzása van)
Akkor inkább már EZ gyári is és minőség. Ugye nem gondoltad hogy az gyári amit belinkeltél, gyárilag nem ragasztanak matricát szövetre, talán rajt volt eredetileg, és úgy néz ki a mély is valami MNC csoda.
Köszönöm, ez tetszetős!
Olyat keresek, ami kb 150 W-ot elvisel hosszabb ideig, és nem kell mellé sub, hogy jól szóljon (de ehhez, amit linkeltél, úgy gondolom nem kell)
Szia! Ott tartok, hogy rácsavaroztam a tranyókat az IRFP240-ekre és teszteltem. Nagyon jól működik. A szőrösödéssel kapcsolatban játszottam egy kicsit a nyugalmi árammal és az a helyzet, hogy hiába, mert olyan zajos a környezet, hogy nem is lehetne másra számítani. A géptől 1 méterre van a szkóp, mellette az asztali táp, nem messze pedig a router. Szóval ez ilyen. Majd a végszerelésnél úgyis rövidülnek a kábelek, meg földelt doboz lesz.
Üdv! A lehetőségekhez képest majd le kell rövidíteni a nyák és a fetek közötti huzalozást, persze legjobb lenne direktbe forrasztani a feteket. Attól elmúlik a szőrösödés. Nem tudom sikerült-e szerezni L idomot, vagy direkt a hűtőhöz lesz fogatva a végfet. Dobozolásról mi az elképzelés?
A fetek huzalozása 5 centis lesz, most 30 centis antennákon lógnak. (Akkor még fogalmam se volt, mibe, vagy hova rakom majd az egészet)
Közvetlenül 2db processzor hűtőbordára lesznek csavarozva. A dobozt lemezekből barkácsolom, egy összefüggő fémkalitka lesz az egész.
Sziasztok!
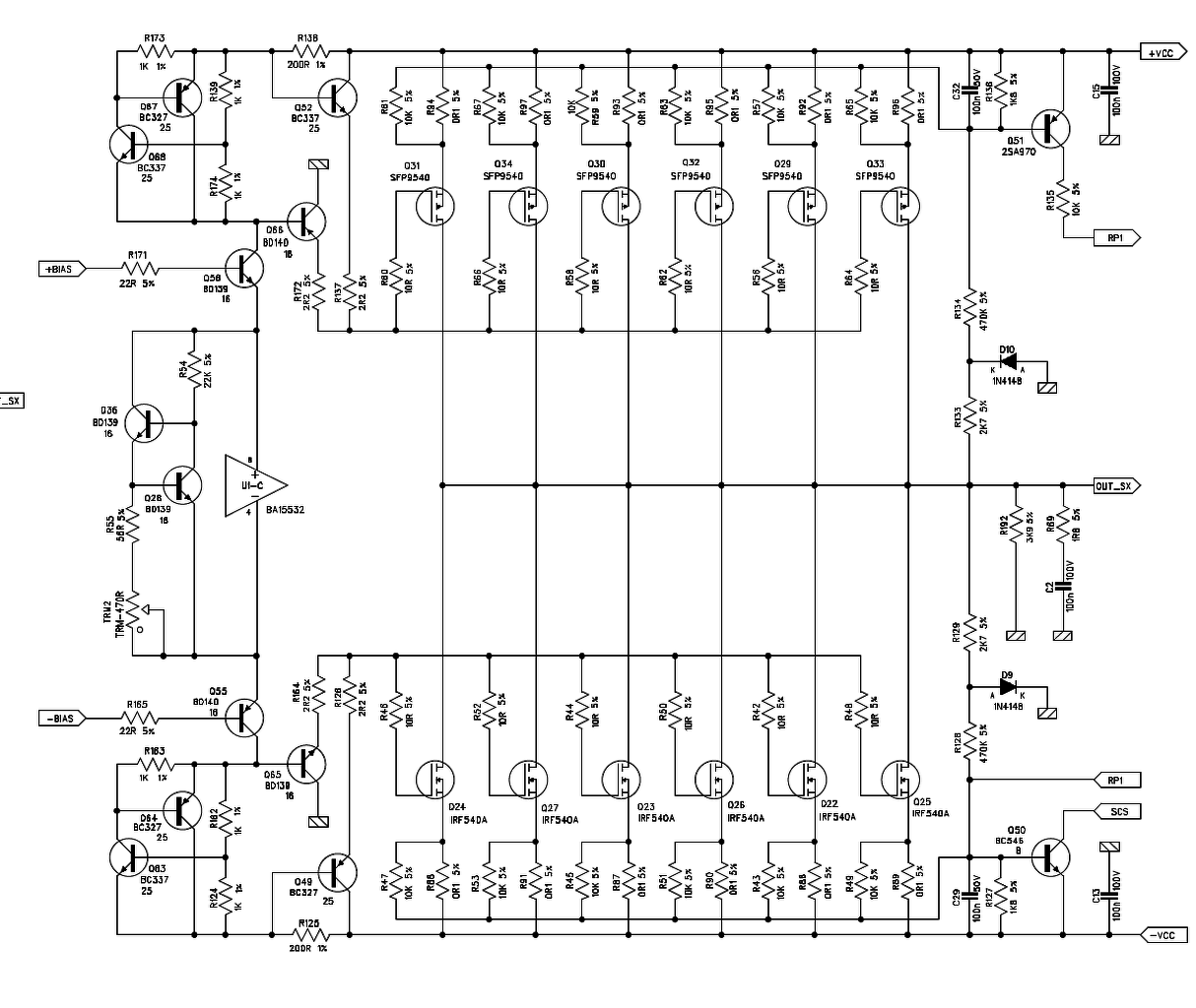
Segítségeteket szeretném kérni! Napok óta "szenvedek" ezzel a végfokkal, a tünet az a szkóp ábrán látható! A jelenség viszont az, hogy az IRF540 ből mind a 6 darab be van ültetve akkor addig nincs probléma amíg nincs rajta terhelés teljesen szép a szinusz semmi probléma, amint megterhelem 4 ohm al elkezd gerjedni. Viszont, ha csak 2 db IRF540 et ültetek be akkor terhelhetem 2 ohm al is nem gerjed, de ha már berakom a 3.ik IRF540 et már gerjed! Valószínű a meghajtás környékén lesz valami, de már végig néztem a tranyákat meg az ellenállásokat és nem találtam hibát! Üdv:Gyuri
Szia nekem is volt már ilyen problémám, szakadt volt a kimenetnél a 10 Ohm ellenállás ami a kondival sorosan van.
Szia! Megnéztem a kimeneti zobel tagot, meg volt nyúlva az ellenállás 1.8 ohm helyett 9 ohm volt, kicseréltem az ellenállást és a kondit is, de semmi változás! Ugyan úgy gerjed! Adtam neki több nyugalmi áramot akkor is gerjed!
1.8Ω szerintem kevés, oda 10Ω 5W kell próbáld ki azzal!
Szia! Mennyi a Q64 és a Q67 C-E feszültsége?
A megnyúlás valószínűleg már tünet a gerjedés miatt, a bemenet környékén is ellenőrizd a sávhatároló alkatrészeket.
Szia! Szerdán leszek otthon, csak akkor tudok válaszolni a kérdésre!
Rajz szerint is az van benne!
Üdv! Lehet hogy a nagyobb gate kapacitás miatt megnőtt a végfok késleltetése és a negatív visszacsatolás valamekkora frekin már pozitívvá válik, ami gerjedést okoz. Ez akkor következik be, ha a 180 fokos fázistolásnál a rendszer maradék nyilt hurkú erösítése nagyobb a visszacsatolással beállított erősítésnél. Próbáld meg a jelenleginél 6 dB-el magyobb erősítést beállítani legalább egy teszt erejéig. Ha van változás, akkor a hiba forrásához közelebb jutottál. Jó lenne látni a teljes kapcsolást, vagy legalább a visszacsatoló hálózatot.
Gondolom a FET-ek elszálltak, ezen kívül cseréltél még valamit?
Igen én is a gate kapacitásra gondoltam azután, hogy 2 fettel nem gerjed terhelni is lehet, de akkor a pozitív oldal miért nem gerjed? (Out sx) a hangszóró kimenet.
A hozzászólás módosítva: Ápr 13, 2015
Az R164 állapota is gyanús, ha gate ellenállások égtek el, mondjuk a terheléssel való összefüggés ebből még nem igazán vezethető le.
A komplementer fetek P csatornás fele nagyobb RDS on-nal rendelkezik, ami kisebb meredekséggel is párosul. Itt, ahogy a szkópábra is mutatja, csak a negatív csúcsokban gerjed, vagyis ott, ahol valószínűleg a nyílt hurkú erősítés a legnagyobb. Ezért írtam, hogy meg kell növelni a visszacsatoló hálózattal beállított erősítést. Másik megoldás, hogy az IRF540 ek gate ellenállásainak közös pontja és a negatív tápfesz (valahol ahová csatlakoznak azok az egy ohmok) közé be kell forrasztani egy erősítést csökkentő tagot. Pld: 4,7-22 OHM sorosan egy 100 nF kondival. Pontos értéket ki kell kisérletezni.
A hozzászólás módosítva: Ápr 14, 2015
Köszönöm a tippet! Holnap megyek haza és sort kerítek erre is! Jelzek, hogy mi a fejlemény!
Sziasztok. Egy kis segitséget kérnék, mert nem tudom merre kellene tovább menni. Van egy Maranzt PM 410-es erősitőm. Amikor hozzám került az egyik oldala csúnyán le volt égve. Több tranzisztor és ellenállás ment a kukába. Mostanra ott tartok, hogy a négyszög jelet már erősiti, bár túllövést mutat, a nyugalmit lehet állitani bár ugrál, és a két meghajtó illetve végfokozatok bázisain 0.4 és 0.8v-ot mérek a rajz szerinti 0.6 helyett. Tehát a fő problémám a nyugalmi áram ugrálása, és elbillenése. A rajzon amit csatolok mérési pontok láthatóak, ezek többnyire rendben vannak, a meghajtó 1.2v és a végtranzisztor bázisain mérhető 0.6v-on kivül. Próbáltam potit cserélni, tranyókat kimértem, rosszakat cseréltem, diódákat is kimértem, nem tudom merre lehetne tovább menni.... Annyit még hozzá tennék, hogy a végtranzisztorok mostanra BD249-250-re cserélve a meghajtók pedig MJE340-350-es tipusok lettek. Ez volt itthon cimmel.
A hozzászólás módosítva: Ápr 14, 2015
Szia!
A BD249/250 nem ajánlott, helyettük lehet, hogy mást kellene betenni, ezeket hamisítják elég gyakran. A jó oldal a referencia, tehát ahhoz tudsz hasonlítani. Lehet, hogy valahová nem jó értékű ellenállást tettél be. Az, hogy nagyjából rendben vannak a feszültségek, az nem támpont, nem mond semmit. Számítanak a tized/század voltok is. A meghajtó kör nyugalmi áramát kellene megnézni először, hogy az rendben van-e? - R713, vagy R714; 17V esik az ellenálláson. Azon mennyi van? Bejelöltem pirossal azokat a pontokat, amiket meg kellene mérni ahhoz, hogy bármit is tudjunk segíteni. Jel nélkül, hangszóró nélkül, a táp ágakban védőellenállással méregesd. Írd rá a rajzra színessel a mért értékeket.
Sziasztok,elkészült a legújabb végfokom,mind a két oldal teljesen normálisan alaphang nélkül szól.de az egyik oldala jobban melegszik,a nyugalmi az emmiteren mérve 1.5mV a kimeneti egyenfesz 00.5mW.Nem jelentős de amig az egyik oldal szinte hidegen üzemel,addig a másik az meleg.
|
Bejelentkezés
Hirdetés |




















