Fórum témák
» Több friss téma |
- Ez a felület kizárólag, az elektronikában kezdők kérdéseinek van fenntartva és nem elfelejtve, hogy hobbielektronika a fórumunk!
- Ami tehát azt jelenti, hogy a nagymama bevásárlását nem itt beszéljük meg, ill. ez nem üzenőfal! - Kerülendő az olyan kérdés, amit egy másik meglévő (több mint 17000 van), témában kellene kitárgyalni! - És végül büntetés terhe mellett kerülendő az MSN és egyéb szleng, a magyar helyesírás mellőzése, beleértve a mondateleji nagybetűket is!
Nem szeretnék venni semmit,van jack dugó kábelell csak pontos bekötési rajzot nem találom sehol,hogy a 9 pólusossal hova kell kötni a jack dugóval.Tudna találni bekötési rajzot?vagy valamit?
Sziasztok!
Megtetszett Davidovics asztali elszívója és megcsináltam, de arra gondoltam, hogy tennék a tetejére egy lámpát is. A pc tápom ventilátora 12V 0,11A , a kéznél lévő zseblámpa izzó azonban 4,8V-os, ezért kötöttem vele sorba egy 220 ohmos trimmert. A 12V-ot egy régi (transzformátoros) 5W-os dugasztáp szolgáltatja, aminek a feszültsége néhány fokozatban állítható 3-tól 12V-ig, az árama viszont a felirata szerint 300 mA. A feszültség multiméterrel mérve is megvan, üresen 14V felett, csak a ventilátorral terhelve is kicsit több, mint 12V. A lámpával együtt indítva a ventilátor rendesen felpörgött, a trimmer ellenállását elkezdtem óvatosan csökkenteni, valamivel a fele alatt kezdett hirtelen! világítani az izzó, a trimmer viszont szikrázott egyet (belül). A ventilátor fordulatszáma jelentősen leesett. Megmértem a feszültséget, 5V körül volt. A lámpát lekapcsolva a ventilátor ismét felpörgött, a feszültség 12V lett. (A trimmert és a tápcsatlakozót, a kapcsolók, a lámpa és a ventilátor vezetékeit egy kis próbapanelba forrasztottam.) Mit ronthattam el?
A trimmer nem alkalmas ide, mert az izzó áramától elégett.
A trimmerrel egy tranyó bázisát tudod vezérlni, és a tranyó kollektor áramával tudod az izzót szabályozni. A bázist nem kötheted közvetlenül a tápra, ezért a trimmerrel tegyél sorba egy 1kohmos ellenállást. A trimmer legyen 10kohmos. Viszont a tápod is kevés lesz, ha az izzótól 5V-ra leesett!!
Sziasztok! Építenék egy tápot, ami stabil 12V-ot tud és max 3A-t.
Az LM350 feszültség stabilizátorként jó a feladatra. A tápegységről többféle áramkör menne. Van közte hangszín áramkör, ventilátor stb. Az lenne a kérdésem, hogy érdemes-e a "hanggal kapcsolatos" áramköröket egy 7812-ről táplálni, és a többi dolgot, ventilátor stb... az LM350-ről, vagy minden menjen a 350-ről? Például ha elindul a ventilátor, akkor azáltal, hogy az külön stabilizátorról megy a hang részhez képest (bár ugyanazon trafóról) jelent-e némi elszigetelést zavar szempontjából a külön stab.?
Sziasztok! Szeretném kérdezni tőletek ,mi az a log potméter , ilyen van egy rajzon 10 k ohm és 50 k a lineárist azt ismerem.
Ha a potit tekergeted, nem lineárisan változik az értéke, hanem logaritmikusan.
A téma képei közt vannak bekötési rajzok, keresd meg.Nemrég lett belinkelve.
De olyan 9 din és jack kötéssel? Most kerestem nem találtam.
Írd be a Google-ba: 9 tűs DIN csatlakozó, lesz találat!
Fogalmam nincs,de a Lomexba tuti kapni mert én ott vettem nem is olyan régen
Hello! 400W toroid trafót lehet relével indítani lágyindító nélkül? A relé Omron G2RL-2. A bekapcsolási áramlöket nem teszi tönkre a relét?
Köszönöm a gyors választ!
Ha jól értem ez megfelelő lenne. (AC 128 van itthon.) És keresek erősebb tápot.
Ha már a relé megvan akkor már csak pár passzív alkatrész kell. A kapcsolás jól működik.
Bővebben: Link
Szia! Igen, nézegettem azt a lágyindítót, viszont ennek a relének most más szerepe van, ezzel kapcsolok egy +/-5V 12VA tápot, egy 12V 40VA tápot, továbbá egy (egyenlőre) 400VA 42V tápot. Mindezek párhuzamosan mennek, mintha konnektorba dugnám őket, a relé pedig a "kapcsolós elosztó" kapcsolója.
Szóval a lágyindító az más történet, azt mindenképp szeretnék, de csak a 400VA trafóhoz. Ahhoz is megvan a relém, de 12V-os (G5LE-1). Itt most csak az lett volna a kérdésem, hogy ésszerű-e lágyindító nélkül a relével kapcsolni. De mindenhol azt olvasom, hogy akár 10 vagy több 10 A is felléphet a másodperc tört részéig, ami szerintem szétcseszi a relét. Úgyhogy kell a lágyindító is. Szerinted a mellékelt cikkben mit módosítsak, hogy 12V reléhez jó legyen?
1kW -os toroid nálam simán verte a 10A-es biztit, de volt olyan makita nagyflex amiben nem volt lágyindítás és a 16A-es is kevés volt neki.
Semmiképp! Az nem tranzisztor, az egy őskövület
Nem írtad az izzód milyen, csak azt, hogy 4,8V. Kéne, hogy hány mA-es!
Hát a villanykörte fényén is ránt egyet, úgyhogy biztos nagy áramot vesz fel. Nem is próbálom lágyindító nélkül, mert besülnek a relé érintkezői.
Sziasztok!
A kérdésem a DC törpemotorokkal kapcsolatos, olvasgattam, kutatgattam, eléggé drágálltam őket, a tervem valamiféle DC törpemotorral meghajtani valamit, de a fő kérdésem, ha a motorhoz nincs hajtómű (ha jól olvastam ez csatlakozik a tengelyre, ami lehet többféle), akkor honnan tudnék beszerezni különböző méretekben,fajtákban? Milyen shopok-at javasoltok, hol induljak el?Nagy segítség lenne 1-2 link, mert nem igazán találtam, és azt gondolom rosszul ismerem még az alkatrészeket és fogalomzavarban lehetek. Hajtóművel, hajtómű nélkül érdekelne ilyesmi, köszönöm válaszaitokat előre.
Éreztem, hogy a tranzisztor választásnál el fogok vérezni
![]() Van pár újabb példányom is, pl BC182, BC547B, BC557C, és még néhány, de az adatlapokat nézegettem, ezek 1-2 tized amperesek, az "őskövületem" pedig 1A-es kollektoráramú. (Tényleg öregebb nálam, pedig én is a múlt században voltam fiatal.) Az izzó konkrétan 0,4A-es, de ilyenből van egy marékkal, a feszültségük 1-2 tized volttal tér el egymástól, a legnagyobb áram 0,75A. Jó lenne, ha évek múlva egy esetleges cserénél erre nem kellene nagyon figyelni. Amúgy a rajz elvileg jó? (Nekem már az is siker lenne!) NPN esetén pedig a bázist a pozitív ágra kell kötni?
Csak tőled függ hogy milyen a felhasználási terület, ahova ezeket szándékozod alkalmazni. Bővebben: Link
A hozzászólás módosítva: Feb 8, 2015
Hello! Az az örömhír, hogy sem a kapcsolás, sem a tranyó, sem az izzó nem jó..
- Ez egy analóg disszipatív szabályozás, így elfűti a felesleges teljesítményt. Mivel az izzó 4,7V/400mA-es, a teljesítménye így 1,9W. A 12V-ból a szabályzó tranyóra a feszültség különbsége jut, az áram pedig ugyan akkora. Így 7,3V/400mA lesz, ahol így 3W-ot kellene elfűtenie az 1W-os tranyónak. (0,75A-ról már nem is beszélve, és a germánium tranyóról, ami 60 fok felett le is izzad..) - Tehát ilyen izzót maximum hármat sorba kötve lehetne értelmesen a 12V-ra kötni. De akkor is 3W feletti disszipációjú tarnyó kellene a szabályozáshoz és megfelelő hűtés. - Tranyónál pedig így emitterkövető kapcsolást kellene használni, potinál feszültségosztót, és PNP tranyónak a + táp felé kell mennie az emitterének. Más hiba nincs is..
Azért nem adom fel...
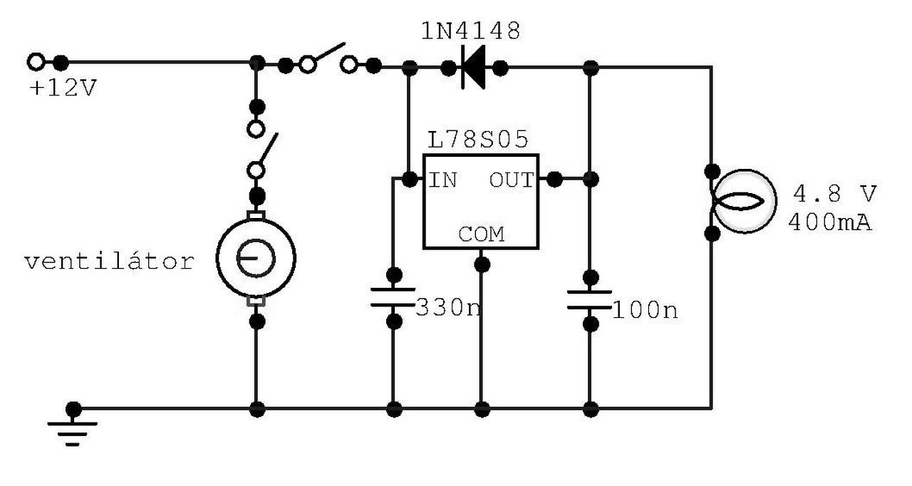
Így több értelme van? A 7805 is disszipatív, vagy ez a megoldás takarékosabb? Kell-e rá hűtőborda, mekkora? (Gondoltam, hogy az U=R*I kevés lesz, de hajlandó vagyok tanulni. Az "emitterkövető" pl elég kínai - most még.)
Sziasztok! Szeretném kérdezni ,hogy az 6.8 uf tantál kondi hogy néz ki és milyen jelzés az értékre. Egy elő erősítő kapcsolási rajzán található.Szintén a 220pf.
A 7805 ugyan úgy disszipatív mint egy tranyó. Hiszen abban is egy szabályzó tranyó van. Csak PWM áramkörrel lenne kisebb a hőtermelés. De nem igazán értem, mi értelme van kűzdeni egy 4,8V-os izzóval 12V táp mellett. Miért nem jó, egy 12V-os izzó?
Helló!
Bocsi a késői válaszért, de köszönöm megépítem akkor így ahogy rajzoltad. Mért ronda a rajzom? Amúgy olyan gagyi iskolába járok ahol a matekon kívül alig tanulunk valamit. Gyakorlat az semmi. Komolyan mondom nem tudom milyen iskolák vannak már itt ebben az országban, de pl, itt a fórumon vagy könyvekből saját magam sokkal többet tanulok mint az iskolában. Hála Istennek ez már az utolsó évem. |
Bejelentkezés
Hirdetés |









