Fórum témák
» Több friss téma |
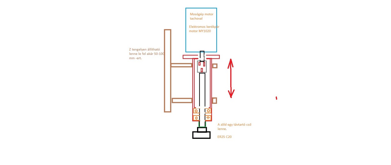
Most agyalok rajta. Amit belinkeltem azon úgy látom, hogy párhuzamos tengely. De nem látom a végét a csőnek, hogy ott menet van vagy végig cső. Próbálok valami rajzot csinálni róla, hogy én hogy képzelem el. Az létezik, hogy a ER25 nek 42mm a tokmány külső átmérő?
A hozzászólás módosítva: Feb 12, 2015
Egy kicsit gáz a rajzolásom, de bocsánat érte. Ha a cső végébe melegítéssel hűtéssel egy menetes véget beletudnék illeszteni akkor lehet, hogy még egy csapágyat kapna. Az alsócsapágyakból az egyik egy támcsapágy lenne talán.
A hozzászólás módosítva: Feb 12, 2015
A kis léptetőm ami csak próba miatt lett feltéve 30Kg ot tud tolni. Persze lassú fordulaton.
Már most tervben van. Igazából minden percben megrendelném ha biztos lennék benne, hogy dűlőre jutok a cserével. Szeretném ha annyira precíz lenne ebben a kis méretben amennyire csak lehet. Inkább ezen gyakorolok mint valami drágább berendezésen.
Motorokkal meg mindennel most kb olyan 35-36kg. Majd este lemérem. 28,5kg volt a váz magában amikor megérkezett.
A rögzítésben teljesen igazad van azon is dolgozom párhuzamosan, hogy nehogy megfeszítsem az asztalt az acél profilokkal. Azért a fotón ahol a mérleg is van egy eléggé bika gép kezd körvonalazódni ![]() A hozzászólás módosítva: Feb 13, 2015
Egy kis segítségre lenne szükségem szerszám kiválasztáshoz. Aluminiumot szeretnék megmunkálni. A gépet nagyjából már látjátok mire képes. A főorsó minimális sebessége 5000/perc így érzésem szerint 1 vagy talán 2 bekezdéses szerszámra lenne szükségem. 2 és 3mm-es alu lemezt kellne marni vele. Elsőnek ilyesmire gondoltam. 3.175mm / 1-Schneider
Fura ebből a szögből fotózva a szerszám csúcsa. Az én egyélűim mintha nem így néznének ki, de lehet, csak én gondolom rosszul. Jó lenne egy 90 fokkal elfordított kép.
Jav.: végig olvastam, látom a szára nyolcad coll. Töröltem a collra vonatkozó kérdést. A hozzászólás módosítva: Feb 13, 2015
Igen pont egy 3,175/3,175-öst linkeltem de 3,175/2mm és 3,175/3mm amit vásárolni szeretnék. Igen kicsit gyagya a kép mert pont az "éle" nem látszik.
Gyakorlati tapasztalat FME800-zal: 2-3mm 2 és 4 élűvel is dolgoztam alut, pedig a minimum fordulat ennél 10 ezer. Alkonekkel hűtöttem-kentem, teljesen rendben volt. Alu zártszelvénybe martam vele, kb. 1,5mm falvastagságúba.
Nekem a KRESS FME 1050-1van. 4 élű, 1/8"-os maróval dolgozom aluba. 700mm/perc előtolással, 0,2mm fogásmélységgel, 12.000-es fordulaton, hűtéssel. Ez a kialakult gyakorlat nálam, teljesen bevált.
Köszönöm. Ez már közelebb visz a megoldáshoz. Milyen előtolással és milyen sebességgel engeded az anyagba a marót?
Azért nyomozok mert tegnap nem bírtam magammal és martam alut. Egész jól alakult de sajnos csak kukorica maróm volt amit aztán sikerült is leamortizálni. Egész szépen vitte de túl nagy előtolást adtam a Z tengelynek és a keményfém maró megadta magát.
Ez a célom igazábol. Mondhatni tökéletes segítség. Remélem a váz is bírja. Egyetlen apró gondom van a vázzal ami miatt a hétvégén szét kell robbantanom az egészet.
A trapézorsó a két végén csapágyazva van. Viszont itt van a tengelynek egy megközelítőleg 0,1mm-es kotyogása. Azaz a trapézorsó forgatja a csapágyat néha néha de el tud benne fordulni. Ez azt eredményezi, hogy 700mm/perc mozgatási sebesség felett berezonálhat az Y trapézorsó. Nem vészesen és nem is minden esetben de néha néha hallani egy pillanatra, hogy pont holtponton van amikor a híd közép tályon mozog. Ezen kívül 1000-1200mm/perc-el nagyon finoman mozog a váz. Feljebb még nem próbáltam. Szabad ilyen esetben csapágyrögzítőt alkalmazni? Fatherom rögtön ezzel kezdte és mások is említették, hogy azt kellene tennem, hogy bekenem csapágyrögzítővel és úgy rakom össze. A hozzászólás módosítva: Feb 13, 2015
Jó a csapágyrögzítő, (igazából nincs is nagyon más alternatívád), de ne lepődj meg, ha a rezonancia ennek ellenére megmarad főleg középtájékon, bizonyos fordulatszámtartományban. Annak okozója lehet a trapézanya kismértékű lógása is. Apropó: kened az orsót?
Zoli megírta a tutit. Nálam nem napi gyakorlat az alu marás, és én óvatosabb voltam, 100-200 mm/perc előtolással mertem csak engedni. A fogás mélység viszont nagyobb volt, a teljes vastagságot (1,5mm) egy fogással martam. Persze sikerült a 2-es négyélűt eltörni, de nem a marás volt az oka, hanem a marós...
Én jobbára nyák gyártáshoz használom a gépet.
Nem kentem eddig mert csak 1-2 hete van meg és még csak barátkozunk
Mivel szabad kenni az orsót? Tegnap szépen vékonyan bezsíroztam a tengelyeket. Nagyon finoman jár azóta de az orsó száraz mint a szivacs. Az X és Z tengelyen pedig nem mertem belegondolni sem, hogy mi mennyiségű szemetet behord a trapézanyához ha kenem valamivel. Mondjuk az aluval nincs ilyen gond. De ha fát marok amivel lehet felhagyok akkor van bőven por amitől egyenesen rettegek A hozzászólás módosítva: Feb 13, 2015
Lágy zsír dukál oda is, illetve a hobbi cnc -n van egy úriember, aki ezeket a trapézorsókat megmunkálja, anyát gyárt hozzá, stb, na Ő bizonyos szilikonzsírt használ, itthon háztartási boltból szerezte be...
Sziasztok! Sikerült egy marómotorhoz hozzá jutnom, 24 V 30A Hangja meg nincs, azaz néma. 5mm átmérőjű vezeték van rajta.
A hozzászólás módosítva: Feb 13, 2015
Rá tudnád tenni a patronos tengelyt?
Amúgy a rajzodat értem, Ezt a terméket többen gyártják, avagy forgalmazzák, biztos van róla olyan rajz, vagy fotó, ahol a tengely felső vége van ábrázolva. Amit én láttam eddig, azon csupán a központfurat volt. Csak azért reflektálok erre, mert most vettem ilyet, de motorral együtt. A hozzászólás módosítva: Feb 13, 2015
Sajnos még nem mert nem ért még ide a posta. A vége engem is érdekelne, de vannak ötleteim.
Szia!
Egy Bővebben: Link
A zsír sokat segített közel minden rezonancia eltűntetésében. Ennek ellenére a hétvégén szétborítom Az X-et és Y-t és adok neki csapágyrögzítőt. Zavar, hogy a csapágy 70%-ban nem forog a tengellyel.
A linken van pár videó, hogy hogyan dolgozik. De még mindig csak erősen ismerkedési fázisban vagyunk a masinával. ![]() Bővebben: Link A hozzászólás módosítva: Feb 16, 2015
Mekkora marószárral és milyen fordulatszámon csinálta ezt a munkát a gép?
1/8-os kukoricamaró ha így hívják magyarul és 14.000-es fordulat. Ha jól emlékszem 400mm/min előtolásssal. Nem biztos mert este már 700mm/min körül is teszteltem 18.000rpm körül.
Sziasztok! Nem tudja valaki, hogy a CNCusb controllerre firmware t honnan lehet szerezni?
Csinaltam egy videot 1000mm/perc elotolas, 16000-es fordulat, 2,0mm/3,175mm 2 bekezdeses kemenyfem maroval.
1000mm/perc A hozzászólás módosítva: Feb 16, 2015
Hát igen valóban jó hangos. Bár annyira nem mint amilyennek a videón érződik. A Kress maró ilyen fordulaton már csinál egy "kis" zajt. De pl. Al marásnál cseppet sem hangos a gép a jóval alacsonyabb fordulat miatt.
Nem sok ez a fordulat fához? Nekem az a tapasztalatom, hogy még a 10 ezer is sok. Szaga van, ha nem is látszik a fán. Persze lehet, a kettes kétélű pici, nem érezni annyira.
Én levenném a fordulatot jóval alacsonyabbra, sajnos az FME800-as csak 10 ezerig "megy le" Igaz, ott szinte nincs is hangja ![]() Utána kellene valahol olvasni, milyen forgács leválasztással kell számolni az éppen használt anyagban. Ebből aztán az élek számát és az előtolást figyelembe véve megkapod az optimális fordulatszámot. |
Bejelentkezés
Hirdetés |











Mivel szabad kenni az orsót? Tegnap szépen vékonyan bezsíroztam a tengelyeket. Nagyon finoman jár azóta de az orsó száraz mint a szivacs. Az X és Z tengelyen pedig nem mertem belegondolni sem, hogy mi mennyiségű szemetet behord a trapézanyához ha kenem valamivel. Mondjuk az aluval nincs ilyen gond. De ha fát marok amivel lehet felhagyok akkor van bőven por amitől egyenesen rettegek 
Amúgy a rajzodat értem, Ezt a terméket többen gyártják, avagy forgalmazzák, biztos van róla olyan rajz, vagy fotó, ahol a tengely felső vége van ábrázolva. Amit én láttam eddig, azon csupán a központfurat volt. Csak azért reflektálok erre, mert most vettem ilyet, de motorral együtt. 


