Fórum témák
» Több friss téma |
Frankó! Milyen vágási meredekségű a váltó?
A 24 dB-es Linkwitz-Riley 3410Hz-nél keresztezve.
A hozzászólás módosítva: Szept 16, 2014
Ez a gondolat már bennem is megfogalmazódott korábban csak elvettettem a gondolatot. Mindkét tartományt szűröd vagy kivonót használsz ? Passzív vagy aktív a szűrőkör?
A hozzászólás módosítva: Szept 16, 2014
Ennyi az egész, csak az R=330Ω a C=100n. Gondoltam 600Ft-ért (NE5532-ekből) megér egy próbát (főleg ha megúsznám a passzív váltó tetemes költségeit). Azért is vannak az ic-k foglalatban, hogy fillérekért tudjam kipróbálni különböző keresztezési frekvenciákon. Még igazi hangdobozzal nem tudtam próbálni, de alapból nem tűnik rossznak. Ha nem válik be lesz egy 4 csatornás házimozi erősítőm...
A hozzászólás módosítva: Szept 16, 2014
Nagyon jó a gondolat, nem csak hogy olcsóbb, mint a hangszóróknál használt power passzív váltó, de így jobban szól majd a rendszer. Kiküszöbölöd a hangszórók és a mély/ magas váltók egymásra hatását. Azért a hangszórókra érdemes mindenképpen tenni egy-egy zobel-kört, vagy egy hangolt szívókört, az impedanciamenet kézben tartása végett. Nem minden erősítő szereti ha "elszáll" a terhelés a kimenetről.
Kíváncsi lennék milyen eredményt hoz a megoldás...
Üdv.Volt itthon pár darab LM3886 IC-m.Gondoltam csinálok belőle valami erősítőt.Jó pár kapcsolást kiprobáltam hidaltat,paralelt egyéb kapcsolásokat,de végül is ez tetszett meg a legjobban.Cambridge audio kapcsolás némi kis változtatással.Nem nagyon szeretem ezeket az IC-s ampokat,de ez nem is olyan rossz,alulról azért megüti a mércét.Képek
Szia! A négyszög szép túllövéses. Az LM3886 bemeneti 220pF lag kompenzáció és/vagy 2k2-3k3/1nF alulátersztő a legelejéről nekem valahogy hiányzik. A kimeneti 0,7uH+10 ohm úgyszintén. (vagy ott van az csak nem látom?)
Szia.A kimeneten ott van az induktivitás meg ellenállás csak közvetlenül a csatlakózóhoz szoktam rakni azért nem látszik a 220p is ott van csak a másik felén .Igen majd kell még dolgoznom ezen a túllövésen hátha hoz valamit a konyhára,nem hiszem,hogy a szűrő hiánya okozná.Hangra azért nem rossz tényleg.
A hozzászólás módosítva: Feb 5, 2015
Sziasztok!
A JLH mellé gondoltam építek egy LM1875-öst is próbából. Persze ez sem hibamentes. Ha mindkét bemenetet rádugom, akkor búg, gerjed. Szól rendesen, de zajos.A panelről csatoltam egy képet is. Annyit változtattam, hogy 100µF kondik helyett 1000µF-eket kapott a V+ és V- -nál. Táprésze: 2X12V AC, majd 8db schottky párhuzamosan mindegyikre 0.1µF kondi került. A két GND összeközösítve. Innen megy a panelre közvetlenül. A hangfalam Impedanciája 3OHM. Hangerőszabályzó nincs benne. A vezeték párokat tekerjem össze? Mit tehetnék még? Köszönöm! Zsolti A hozzászólás módosítva: Feb 19, 2015
Itt a gerjedő hang: http://diyaudio.hu/forum/download/file.php?id=2105
A trafó szerintem lehet kicsi. A szekunder feszültsége 2x17V AC ( egyenírányítva, pufferelve 25V DC ) ,a teljesítménye 50VA-100Va között legyen.
A hangsugárzók lehetőleg 8 ohmosak legyenek. A bemenetre lehetőleg árnyékolt kábel menjen. A hozzászólás módosítva: Feb 19, 2015
Ha a fóliádon is rajta van az a keret a NYÁK szélén, ami a képen is látszik, a gerjedés attól is lehet. Az körbe le kellene szedni.
A hozzászólás módosítva: Feb 19, 2015
Egy helyen már megszakítottam, mert gyanús volt. Basszus, de durva jó szemed van!
![]() Este megcsinálom!!! Köszönöm!!!!!!
Begerjed az IC, a visszacsatoló körbe tegyél alacsonyabb értékű ellenállásokat, vagy csökkentsd az erősítést én is így jártam egy 3886-al. Érdekes módon az egy, vagy kétszeres erősítést sem szereti, egyszerűen oszcillálni kezd.
Bocsánat, de kicsit pontosítanál a magyarázaton?
Milyen értékűek legyenek az ellenállások?Mi alapján lehet elvégezni a számítást? Illetve, ha 2X 18V AC-s tápot akasztok rá? Az javíthat a dolgon? Köszönöm! A hozzászólás módosítva: Feb 19, 2015
Szia Reloop!
Na megint megkapom a száraz igazságot! ![]() Olvasom is! Köszike!
Ha a panel szélén körbefutó maradvány eltávolítása nem oldja meg a problémát, akkor válasszam szét a GND-ket? Ezután az egyenirányítók GND-iről csillagpontban kössem a panelekre?
Látni kéne most hogyan néz ki a huzalozásod.
A huzalozás pont olyan, mint másnál. Az egymás melletti csatikba érkezik a táp a graetzekről. 10-12 cm hosszúak a kábelek.
Bemenet kicsit rövidebb, kimenet kicsit hoszabb. Teljesen átlagos. GND-k oldalanként csillagpontba bekötve sem jó. Jel GND-ket össze kell kötnöm? A panelen van a két 1000µF kondi, de az egyenirányitásnál nincs nagy szűrő kondi, de nem is kell szerintem. A tökért búg, ha mindkét bemenetre kötök forrást. A hozzászólás módosítva: Feb 19, 2015
A potméternél is kialakulhat földhurok, nálam megtörtént màr. Olvass vissza ebben a topikban.
Egyelőre nincs poti benne.
Már az is baj?
Az ördög a részletekben lakozik, fotózd le!
Ez nagyobb lélegzetű választ igényel, addig is olvasd el mit ír Király Tibor a tápellátásról, meg úgy általában megtalálod a cikkben mely hibákat vétettél.
A nyomtatott-áramköri tervvel jól befürödtél, az itt induló beszélgetés során feltártuk az összes hibáját. A keret is szóba kerül
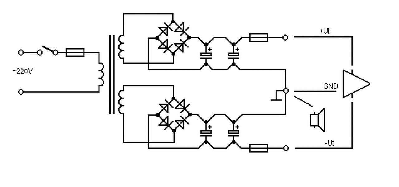
![]() Először szedd ki az 1000µF kondikat a panelekből és pótold 100µF-dal. Használd fel őket a mellékelt táphoz, a huzalozással pontosan kövesd az ábra rajzolatát! A fotón látom, azt feltételezted, hogy azon a vastag fekete dróton nem esik feszültség. A csillagpont mint a neve is mutatja tényleg egy pont legyen a gyakorlatban is! A jelföldet viszont ne a csillagpontból hozd, hanem a panel jelföld (Gmd ??) pontjából. A jel-jelföld párost sodord össze az RCA aljzatig. Próba után számolj be az eredményről, szükség esetén lépünk tovább, azért valamennyire normalizálódni kell a helyzetnek ennyitől is. A hozzászólás módosítva: Feb 19, 2015
Köszönöm a tanácsokat!
Szombaton jelentkezek a történtekkel! Zsolti
A tápszűréshez használhatom esetleg a kész, oldalanként 30.000 µF-es paneljeimet (próbára), vagy mondjuk az előzőleg lecserélt 4x 1000 µF-okat?
Nagyon izgulok! |
Bejelentkezés
Hirdetés |





Ha mindkét bemenetet rádugom, akkor búg, gerjed. Szól rendesen, de zajos.









