Fórum témák
» Több friss téma |
Mielőtt kérdezel, a következő két dolgot ellenőrizd!
I. A helyes tápfeszültségek megléte.
II. A kimeneten van-e egyenfeszültség.
Élesztés.
A hálózati betápra nem is tettél biztosítót?
Super várom a többit is.
Nagyon jó kis gazdaságos erősítőnek tűnik...
Na újabb kis szünet után megint itt. A téma továbbra is a Proxima HF panel tökéletesre csiszolása Si tranzisztorokkal. Mivel próbaüzem/meghallgatás alatti tapasztalataimmal továbbra sem voltam megelégedve tovább finomítottam 'reloop' javaslatai/feltöltött kapcsolási rajzai alapján a barkácsolást. Bevallom, hogy a hétvégén - két maréknyi ellenállás csere, kilométernyi kiforrasztó szalag és kilónyi forrasztó ón 'elpocsékolása' után -már majdnem feladtam a dolgot és azt fontolgattam, hogy az éppen előttem lévő Proxima panelt 'megtanítom repülni', mert egyre több ősz hajszálam jelent meg a 'projekt' alatt...
De, a végén csak pihentettem a dolgot a tegnapi nap délutánjáig...Nagyot gondolva az egyik, 'reloop' által feltett erősítő kapcsolás mintájára, az abban megadott alkatrész értékekkel, illetve a feleslegesnek titulált alkatrészek átkötésével/kiforrasztásával ismét teszteltem a -most rendesen megmódosított- Proxima végfokot...és SIKER! Azért most még a másik kettő panelon is elvégzem a beváltnak tűnő módosításokat és, ha ezeknél is pozitív lesz az eredmény, akkor esetleg meg is osztom a véglegesített kapcsolási rajzot...ha igény is van rá...'Reloop' tagtársnak ezer az eddigi segítségeiért!
Sziasztok,
lenne egy kérdésem? az STK4141v-t, kiváltja, az STK4141 2, mert az alap kapcsolása, mind a kettőnek ugyan az. Idézet: „The STK4102II series (THD=0.4%), STK4201V series (THD=0.08%) and STK4141X series (THD=0.02%) are pin-compatible.” Vagyis, igen.
Helló!
Valaki tudna nekem segíteni? Haverom erősítőt épít, és velem akarja megterveztetni és kivitelezni a NYÁK-ot hozzá. Ezzel az a gond, hogy nem tudom hogy rendezzem el, hogy ne búgjon, és ne gerjedjen. (csináltam már pár tervet, de mind nagyon nagy lett, és össze vissza, tele átkötésekkel. A kérdés: meg tudná tervezni nekem valaki? (jobban mondva haveromnak)
szia. klasszul néz ki, jól látom hogy analóg VU kijelzőt használsz ? Esetleg 250 uA es VU skálás műszerhez nincs egy meghajtó rajzod ? Köszi
XVI. Önálló problémamegoldás! A fórum és az önálló fejlődés alapja, hogy a problémákat magunk oldjuk meg, és a fórumon maximum segítséget vagy útmutatást kérünk. Nem végeztetjük el mással a munkát, "ki csinálja meg helyettem" módszerrel.
Hello! Bár nem engem kérdeztél -meg ez itt amúgy is off-, de itt egy kiválló cikk Proli007 fórumtárstól: ITT
Tisztelt fórumozó Társak!
A tanácsaitokra, javaslataitokra lennék kíváncsi. Kaptam egy Regent 300k típusú erősítőt. Működik de van elég "szép" alapzaja, és a potmétereket is szeretném kicserélni. Arra kérném a tőlem tapasztaltabbakat, hogy javaslataikkal segítsenek nekem ebben. Gondolom ilyen régi alkatrészeket már nem lehet beszerezni, ezért azt szeretném tudni mit mivel lehet helyettesíteni. Előre is köszönöm.
A kisjelű fokozatokban a tranzisztorokat kicserélheted mondjuk BC549C-re, nem egy nagy költség, de nagyon sok eredménye sem lesz. Sajnos ezek a kapcsolástechnikájuk miatt is zajosak.
A potikat tekintve bármi jó ami mechanikailag berakható. Arra figyelj, hogy megfelelő karakterisztikájú potikat vegyél, a jelölésük csalós lehet, lásd csatolt táblázat. Pihert kerüld, sokan szidják! A hozzászólás módosítva: Feb 20, 2015
Vagy a BC-k helyett valami japán 2SC-2SA tranyót beletnni, sokkal jobbak, mint a BC-k, tapasztalat.
Nekem a gitáromban kéne potit cserélnem de sehol nem találtam. D500K van rajta. Az mit takarhat?
Egyetértek. Igazi eredményt úgy lehet ilyenkor elérni, ha kb. egy marék ellenállást is kicserélne a kolléga, mert a munkaponti Ic-ket is lejjebb kéne venni ahhoz, hogy a zaj jelentősen csökkenjen.
Az a "nagyon" logaritmikus karakterisztikájú poti. Ha nem kapsz, tegyél be sima log potit.
Kábelezésnél sokkal jobb az árnyékolt kábel, mint a csavart érpár? Kicsit szűkös a hely, és az árnyékolt sok helyet foglalna.
Egy készülék belsejében történik ez a kábelezés?
Az árnyékolás a környezetből kapacitív úton a jelkábelre csatolt zavarjelektől hatékonyan véd, amit az árnyékolás nélküli sima csavart érpárról nem lehet elmondani. Függ a jelszinttől, alkalmazott erősítés mértékétől, és a készülék belső kialakításától is (trafó, 230V kábel milyen távolságra van a kisjelű elektronikától), hogy mennyire rizikós az árnyékolt helyett a csavart éprár használata. Egy fotó segíthet pontosabb tanácsot adni.
Ami még fejembe jutott zajcsökkentésre, hogy minden tranzisztor helyére be kell tenni 2-3 tranzisztort "párhuzamosan" kötve. Régebben egy Philips keverőpultban láttam ezt a megoldást, először nem akartam hinni a szememnek, aztán kipróbáltam ezt a technikát, és valóban csökkenti a zajt.
Ezt a megoldást sok helyen használják de főleg kisjelü fokozatoknál, pl RIAA van olyan előerősítőm amiben 6 db párhuzamosan kapcsolt dual fet van
Szia! Célszerű a nyomtatott áramkör felületét megtisztítani, néha csodát tesz!
Tranzisztorból a 2SC2240-nel vannak kedvező tapasztalataim. A jel útját megszakítva, esetleg testre csatolva behatárolhatod hol termelődik kellemetlenül sok zaj, ott a teljes passzív-alkatrész csere sem csillagászati összeg.
Sziasztok,még annyit hozzátennék hogy ha jól van megválasztva az árnyékolt kábel,nem füles,vagy tescós valami akkor még a 230v sem zavarja.Nekem a 90 es évekből maradt pár száz méter Mechanikai Laboros árnyékolt kábelem,ők a műszereket ezzel vezetékezték be,és eddig a világon semmi zajt sem szedett össze sehonnan.
Bocs, h késtem, 2 napra ledöntött a láz.
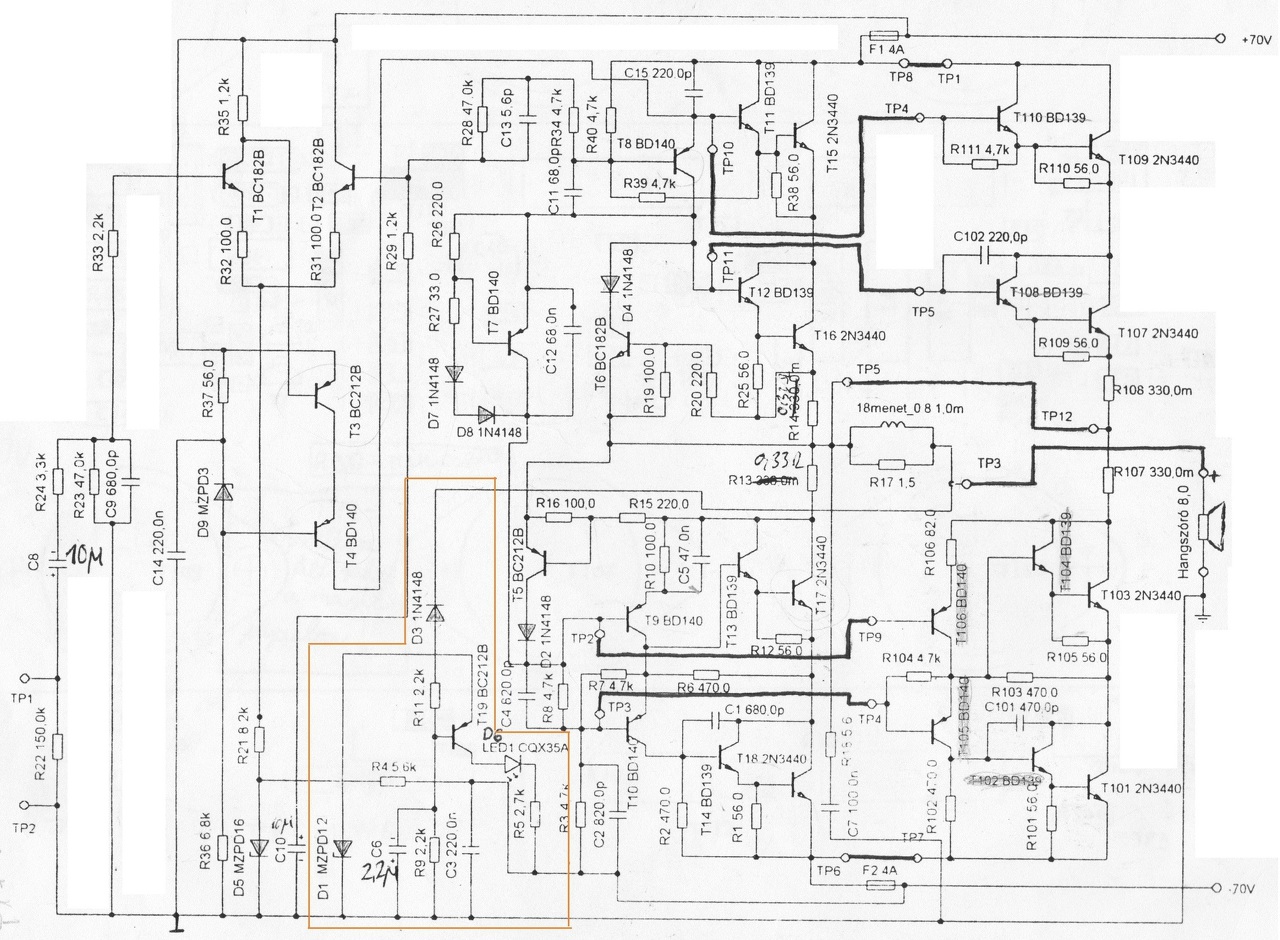
A kapcsirajzon egy 250W-os erősítő van. A clip áramkör a narancssárga kereten belül van, kivéve az r4-es alkatrészt, az nem a clip körhöz tartozik! A rajz mindent megmagyaráz. A fetes nyáktervén viszont már NEM PNP-s tranyót használtam, hanem NPN-eset, és minden alkatrészt fordított polaritással kötöttem be, mivel a pozitív táphoz képest figyeltetem, ha a kimenet már torz, és egészségtelen a hangszórók számára. Lényegtelen, hogy miért rajzoltam így, már jómagam sem tudom. Így működik!!! Egyébként akár melyik változatba működik, a levegőbe összerakosgatva. 12Vos zener növelésével később villan a led, ha csökkentem, akkor pedig hamarabb villan a led, mint a jel torzulna. A 12V-os zener +-70V-os tápnál helyes értéknél villantotta a ledet, szkóppal mérve. A hozzászólás módosítva: Feb 20, 2015
Köszi a választ!
Közel van a 230V-hoz. Túl van tárgyalva, akkor lesz árnyékolt és kész.
Köszi,engem most döntött le az influenza'de ez jó lesz.
Elkészült a legújabb végem,azt hiszem most talán már elég lesz egy ideig.A képen az alsó ami megkapta az ST.400w paneljeit.És a többiben is mind a saját paneljeim vannak.
Szia!
Ezzel kérdéssel teljes tudatlanságomat elárulom, de elmondod hogy mit csinál/mikor jelez a "fault" jelzés? Csak kíváncsi vagyok.... |
Bejelentkezés
Hirdetés |




De, a végén csak pihentettem a dolgot a tegnapi nap délutánjáig...Nagyot gondolva az egyik, 'reloop' által feltett erősítő kapcsolás mintájára, az abban megadott alkatrész értékekkel, illetve a feleslegesnek titulált alkatrészek átkötésével/kiforrasztásával ismét teszteltem a -most rendesen megmódosított- Proxima végfokot...és SIKER!
Azért most még a másik kettő panelon is elvégzem a beváltnak tűnő módosításokat és, ha ezeknél is pozitív lesz az eredmény, akkor esetleg meg is osztom a véglegesített kapcsolási rajzot...ha igény is van rá...
az eddigi segítségeiért!
















