Fórum témák
» Több friss téma |
Nekem sem búg, holott a rajz szerint van a NYÁK-om megcsinálva.
És még csak a középponti (hangszórókimenet)átfolyó árama sem szállt el nulla hangerőnél, hanem megmaradt szépen 0 mA-nek.
Hello, íme pár kép a (hosszú 20 év kihagyás után megint épített) kis erőlködőmről. 2 x TDA2040, a segítségetek/tanácsaitok alapján tökéletesített, hozzá készült 'low-budget' hangfalakkal. Jó barátaim számára építettem, amolyan "anti-PC-speaker" szellemben. Vagyis lebeszéltem őket valami elméretezett műanyagházas csoda megvételéről (durván 8-12 ezer Ft nagyságrend, de én max. a 10-15 évvel ezelőtti /egyébként TDA2030-akat tartalmazókat!/ tartom max. elfogadhatónak!)
Tudom, még sok csúnyaság maradt a konstrukcióban, vannak űbergagyi megoldások (pl kötelező kék-LED :o), de hál'Istennek szépen szól, nem zajos. Valami nagyon pici alapzaja nyilván van. a hangerő max. állásában. De kifutja magát, tudja a 2x20 Wattot. Csillagpontos földelésen még kell dolgoznom egy kicsit a jövőben, de amúgy sokat javult a hangja a tanácsaitok nyomán. Árakról nem nagyon van értelme beszélni, mert ez sport, régen nem éri meg ha csak az alkatrészárakat vesszük.... Trafó 4-5 ezer, doboz szintén 3,5, a két kit nyákostol mindennel olyan 2,5e további alkatrészek is 1-2 ezer, meg a rengeteg kézi munka ami vele volt... Összességében nem áll meg egy tízesből, ennél picit többért már lehet lőni egész jó kis cuccot a '80-as évekből.... de ugye ez mégiscsak más. A hangfalak is sok asztalosmunka meg próbálgatás eredményei. Olyan 8 liter körüli zárt dobozok lefurnérozva, a Lomex-ből szervált SONY(?) hangszórókkal meg elsőrendű keresztváltóval. A hangszórók úgy 2e körül lehettek dobozonként, a többi tartozékkal cirka mondjuk 16-17-ből biztos megáll a történet. Igen, ennyiért lehet gyári holmit is kapni hangszínnek vagy digit-EQ-val meg csillivilli kijelzővel, de én ezt oda merem tenni melléjük (nem olyan szép, de jobban szól....) A folytatás egy Thodio-szerű, fadobozos kis boom-box lesz Bluetooth modullal...
Megérkezett a kínai kit. Hét nyelven beszél benne a panel minősége, rendes löt stopos cucc. Kár, hogy nem hazai... 3 gyermekemmel nekiálltunk összerakni. Ilyen értelemben gyerekjáték
. Szerintem ma este kész lesz, beszámolok hogyan indul. Mondjuk valami furat benne maradt a gerberben a hűtőborda alatt. A hozzászólás módosítva: Feb 19, 2015
Nagyon ügyes!
Bár - ha a hálózati trafót egy körvasmagos Hyperszillel oldottad volna meg, akkor akár sokkal laposabb is lehetne az erősítő doboza. Én mindig azon gondolkodom, ezeknek a végfokoknak a szíve-lelke a nagyméretű trafó. De mi van olyankor, ha olyan trafót (tápegységet) használna az ember, mint pl. egy számítógép tápegysége, de minitatűrebb kivitelben (pl. egy laptop táp) Az is tudja elég sokszor a 15-18 V-ot, no meg a 2-3 A-t. Azzal sokkal könnyebb, kisebb és érdekesebb lenne. Vagy az nem vinné el? Vagy örökre ....
Dehogynem. Maximum kicsit nő a zaj.
Köszi, igyekeztem...:o) Jó a te kited is, ha jól látom tettek rá valami passzív lepke magas-mélyet is. Kíváncsi vagyok elkeni-e a hangot, elvileg sajnos sokat csillapít.
Kíváncsi leszek a tapasztalataidra! A srácokat pedig idejében be kell fogni, hadd szeressék meg az elektronikát!
Pontosan, jól látod! :o) Valami hosszabb számuk van a mágnesen (1-505-909-11, illetve a csipogóé 1-505-637-12), de a 3-jegyűeket beírva ugyanezeket kaptam. A mély gumiperemes, ezüst polipropilén membrános, 6 ohm-os jószág, elég érzékenynek írják és jól is terhelhető. 1600 pénz volt. Ezt írják róla: 15cm, 6R, 30/50W, 50-2500Hz, 92dB...hmmm.
A magas (elvileg láttam Sony mini hifiben is őket együtt valami extra magassal kiegészítve): kissé gyengusznak tűnik elsőre, van rajta gyárilag egy kondi, 5,7cm, 10 ohm, 20-30W, 3000-20000Hz, 92dB, papír membrán, PE porvédő... 400 pénz ugyanott. Tehát 1 szett 2 rongyból megáll. Állítom, hogy rendes keresztváltóval megver sok drágább cuccot. Én ezt találtam ki a TDA20x0-ekhez, szerintem remekül összeillenek. Ja, eredetileg nagyobb dómot szántam bele, de aztán végül ez lett - ezért az igényes fa adapter-karika...:o) A hozzászólás módosítva: Feb 19, 2015
Köszönöm az elismerést, remélem ez még csak a kezdet.... Igen, jobb lenne az általad javasolt trafó, vagy egy toroid, de most hirtelen ez volt. A Makraik különben nem rosszak, én még Puskásokból is csináltam egész elfogadható cuccokat. Elég duci lett a kicsike, de olyan kis kompakt ebben a dobozban (ez is akciós volt Lomexéknél). Persze még ki kellett furkálnom a jobb szellőzés miatt a hűtőborda felett (ami egy PIII hűtő volt fénykorában).
Kapcsoló tápnak nem vagyok nagy híve audionál...nemrég csináltam sógoromnak egy Boom-boxot lekárpitozott dobozban két 2-utas autóhangszóró, autós fejegység beépítve, mindez egy 150W-os régi PC-táp 12 voltjáról etetve. Persze jó, meg működik, de szerintem nem elegáns. Próbáltam én is már laptop adapterről, meg hasonlókról. Valahogy más a trafós táp, lehet "símább" a DC a jó szűrés után (hullámozhat valamennyit, de nincsenek rajta tüskék, ilyesmik...) Meg csak pozitív tápod van, lehet a kimenő kondis verziókat csinálni - én jobban szeretem a szimmetrikus táposat. Szerintem nem véletlenül nem terjedt el a hifi cuccokban (max a digit végfokoknál?)
Vannak olyan kapcsolóüzemű tápok, amik jók audio áramkörök táplálására, csak az nem a PC táp kategória sem bonyolultságban, sem konstrukcióban, sem árban. Még keverőben is láttam utóbbi időben nem egy kapcsolótápot, pedig ott tényleg nem lehet zaj a tápon, mert 60 dB erősítésnél már kicsit bajos lenne bármennyi zaj is a tápvonalon. Ezek a tápok igen kidolgozott, zavarszűrt, sok száz kHz-es kapcsolófrekin mennek. Állítom, nem amatőr / hobbi kategória.
Végfoknál az én credo-m: a trafó VA száma legyen 2x az össz. szinuszos kimenőteljesítménynek. Ha más bajuk van is elég, de nem dinamikaszegények általában a konstrukcióim. A hozzászólás módosítva: Feb 19, 2015
Igen, igazad lehet....ha visszaemlékszem a sok évemre a kereskedelmi rádiózásban, ott volt olyan probléma (stúdióban jelentkezett), hogy az egy helyen összejött sok cucc kapcsolóüzemű tápjai olyan mértékben eltorzították a hálózati 230 szinuszát, hogy rengeteg gebasz lett belőle, csak nem tudtuk miért. Rátettünk egy Dranetz hálózati analizátort és kiderült, hogy több 100%-osan torzított a jelalak! Valami méregdrága kütyüvel kellett kondicionálni a hálózati feszt. Szóval ott is sok stúdió cuccnak kapcsi tápja volt. Én magam még sosem csináltam ilyet (max. javítottam PC tápot), házilag én sem kínlódnék vele.
Az ökölszabályod elég logikus... milyen lehet egy rendszer hatásfoka? olyan 60-65%? Mennyi disszipál el a bordán? Szóval a 2 x 20 W-os erőlködőmhöz lehet még kevés is az a 60VA... próbáltam épp kéznél lévő 25-30VA-es kis trafókról is (lásd az előzőekben), nagyon nyomurultul szólt, nem bírta a kivezérlést (elfogyott a szufla)... Sajnos sok trafóról nem is lehet kideríteni, mekkora teljesítményű is valójában (ránézésre esetleg)...megintcsak "gyári csájníz" cuccokban igencsak alul szoktak volt méreteződni a trafók. Zúgnak-búgnak, az elektronika rángatja a tápot, pislog a power LED - főleg basszusoknál, fityfiritty puffer elkó, sorolhatnám. Kezdetben ilyen gyári szetteket tuningoltam fel (táp rendberakása, másik trafó ha volt, nagyobb puffer elkó, combosabb hűtés az IC-kre, vastag hangfalkábel belül is, meg rendes árnyékolt a kisjelűhöz.... de ennél meg jobb és élvezetesebb a saját építés, nem?
Lenne egy kérdésem:
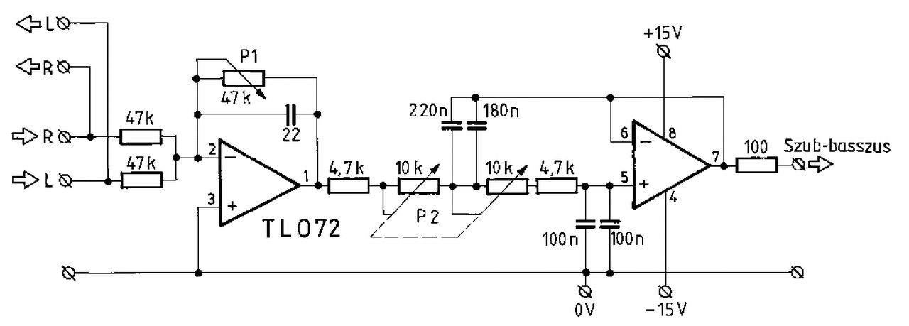
Építettem egy TDA-s erősítőt, melyet egy SUB (magasvágást végző) előerősítő hajt meg. Hiába azonban a 14W, 20W vagy éppen 32W -os IC, ha a tápfeszültségem (2x18V) eleve adott, tehát csakis pont annyi teljesítmény és hangerő fog kijönni belőle - amennyi, de mivel lehet ezeken az IC-ken az erősítést vagy a bemeneti érzékenységet kissé megváltoztatni? Azt tudom, hogy a visszacsatolás babrálásával némiképpen nőne az erősítés, de vele sajnos a torzítási hajlam is. A bemeneti érzékenység pedig? Gondolom - az IC-k gyári adatlapja és kapcsolási ajánlása szerint a bemenetet lezáró R1 (22kohm-os) ellenállás lenne az érintett. Mi van akkor, ha annak értékét valamerre "eltolom"? Például felfelé - mondjuk 100kohm-ra? Mert én simán feltételezem, hogy az erősítő-részek között csupán szint-illesztési problémák lehetnek ... A hozzászólás módosítva: Feb 20, 2015
Szia! Az R2 fordítottan arányos az áramkör erősítésével. R1, R3 értékét egyformára választva pedig egyenes arányban növelheted az erősítést.
Két lány is van köztük. A 7 éves simán felismeri a LED-et és az elkó polaritását...Érdekes egyik sem markol rá a páka meleg végére, simán tudnak forrasztani drótoka önállóan is Ilyen lett a ketyere. Gázos pákával csináltuk, fogtam a kezüket. Ma kipróbálom este a hangját is.
Köszi!
Valójában már tettem egy-két változtatást az IC gyári ajánlása s a gyárilag adott alaprajzi séma között. Az R1 értékét felvittem 51 kohm-ra, az R2-t meg levittem 470 ohm-ra. Valamennyire valóban nőtt is az erősítés. De én akkor is csak azt gyanítom, nem igazán ez lenne a hiba. Most egy TDA2050 van a NYÁK-ban, de 2x18V-tal tolva a cuccot - 6 ohm-os terheléssel csupán annyira szól, hogy ... azt én inkább olyan 2-3W-nak érzékelem, bár elviekben legalább 15W-os, már-már ablakokat megrezegtető kimenő erősítés kellene ott legyen. Létezik ez? A SUB erősítő, amint az alábbi rajzon látható - ez lenne. A kimeneti 220 ohm-ot már kicseréltem 100 ohm-ra, ámde a kimenetről mégsem tudom, már eleve alapból milyen jelszintet tol kifele? Mi van akkor, ha a kettő közé beteszek egy szintillesztő emitter-követő kapcsolást? Annyi + fogyasztás még simán beleférhet a táp rendszerébe. A hozzászólás módosítva: Feb 20, 2015
Apám! Ez gyönyörű!
Valami gyári sablon NYÁK-ot vettél hozzá, vagy afféle amatőr kitt-et?
Nagyon helyes, nekem is 2 nagylány asszisztál néha...fiúsítva vannak eléggé :o)
Szép munka, jó lett a cucc, várom a beszámolót a hangjáról is! Honnan és mi pénzért is van ez a kit?
Tudni kéne mi korlátozza a teljesítményt. Torzításba hajlik, vagy csak nem lehet már feljebb tekerni a hangerőt?
A hangerő potija a maximumon van. (100 kohm log)
És mégis alig szól. Jó, jó - én tudom, hogy egy 2x22 V-ra tervezett és ott 4 ohm-on elvileg 32 W-ot leadni képes erősítő ±18,5 V-on nem fog leadni - legfeljebb ha 15-20-at, de én akkor is - valahogy nagyon keveslem a hangját. Persze sokat lefog rajta a SUB-os frekivágó előrész, mert az hiába erősít valamit a benne levő TL082-vel, ha valami mégsem igazán OK! Amikor régebben zenélgettem, s volt egy 30 W-os de csöves basszus Fender gitár-erősítőm (Ribényi-féle), az tolta ám rendesen az ablakokat kifele - még fél hangerővel is. Nem torzít, de nem igazán hozza az elvárásaimat. A hozzászólás módosítva: Feb 20, 2015
Az előfokban az R3 helyére próbaképpen tegyél be egy 470k-t vagy hasonló értéket.
Az R10 értéke (100 Ohm vagy 220 Ohm ) a végfok nagy bemenő impedanciája miatt nem játszik szerepet az erőstésben.
A szubszűrő elég mélyen dolgozik, a témájába tettem fel alkatrészmódosítást ami kicsit feljebb hangolja. Erre azért volt szükség mert a jellegzetes mélyhangok már jelentősen csillapítottak a szabályzó szélső állásában is.
R1, R2-nek 10k-t, R3-nak 100k-t használok. Ezekkel együtt már átlagos hangkártyáról jó tartalékkal kivezérelhető.
Köszi, de majd most hétvégén kipróbálom.
Én a digitális adás vételére alkalmazott, s a TV-hez a T-online által adott digitalizáló "box"-nak a BNC- s hangkimeneteire tenném. Nem tudom, annak mekkora lehet a valós kimenő jele, mert nálam egyenlőre egy 2x15W-os sztereo erősítő van rajta. És akkor utólagosan ez lenne a "középső hang". A sztereo erősítő viszont tolja rendesen ... És mindezt persze én ugyanazzal a bemenő jelszinttel küldeném meg (egy sima sztereo fülhallgató-elosztóval).
Érdekessség, de ugyanez a SUB szűrő már az egyik régebbi Ezermester újságban is megjelent,
ám ott az R1; R2 értékének még ezeknél kissé magasabb - 47 kohm-os - értékeket ad meg. A C1 kondenzátornál viszont csak 22 pF-ot. Bővebben: Link A hozzászólás módosítva: Feb 20, 2015
A 39k és 47k között elenyésző a különbség.
Nézd meg milyen változást hoz ha 10k ellenállásokra cseréled! A 400nF-200nF-ra a 200nF-100nF-ra mérséklése kedvezőbb tartományba transzponálja a szabályzást.
Bővebben: Link Itt vettem. Sajnos kínai a cucc, de igyekszem átrajzolni sprintbe a nyákot. Komoly gond, hogy az anyag sem jön ki ennyiből...Kár. Végül is ezért vettem meg.
Hát valóban!
Már maga a TDA2030 darabja majdnem 300 Ft (pl. 280 a HQ-ban), és ott van hozzá a sztereo potmétereknek darabja, ami majd 500 Ft (én 295-ért vettem nemrég egy monot az Árwillben). S nem számoltam bele még az aprólékot, a hűtőbordákat, s az egész NYÁK-ban magában az össz szellemi munkát. Annyit szerintem mindenképpen megért, akármilyen kínai gagyi. Éppen tegnap nézegettem hasonlókat a Conradban - na de az meg a másik véglet. Rém drága!
Nem viszi el a két hangcsatorna között az áthallás kiszűrését, ha lejjebb veszem az értékeket? Mert én a sztereó hangcsatornát nem szeretném azzal áthallhatóbbá tenni, hogy akkor nincs meg a megfelelő, a hangcsatornák közötti visszahatás elfojtása.
A legnagyobb baj, hogy még gagyinak sem mondhatnám igazán. Teljesen jó cuccok vannak benne. kivétel a 3.5-ös jack aljzat. Annyit megteszek a topic érdekében, hogy a nyákot megosztom, hátha valaki meg akarja építeni hazai cuccokból. Amúgy az tényleg fura, hogy a bemeneten passzív a hangszín. Hozzá tenném, hogy 100mV nagyságrend kivezérli az erősítőt, így a bemeneti szűrő csillapítása simán kompenzálva van egy vonal bemenetet feltételezve.
|
Bejelentkezés
Hirdetés |










. Szerintem ma este kész lesz, beszámolok hogyan indul. Mondjuk valami furat benne maradt a gerberben a hűtőborda alatt. 









