Fórum témák

» Több friss téma
Fórum » Gitár torzító / Effekt / Erősítő / Pickup
Lapozás: OK   263 / 317
(#) steelbird válasza jani1987 hozzászólására (») Feb 25, 2015 /
 
Csatolva....

fuzz2.jpg
    
(#) jani1987 válasza steelbird hozzászólására (») Feb 25, 2015 /
 
A diódát kitörölted.
(#) steelbird válasza jani1987 hozzászólására (») Feb 25, 2015 /
 
Ja igen, bocs, a két dióda lemaradt. Anélkül nem fog torzítani... Azokat rajzold vissza magadnak.
A hozzászólás módosítva: Feb 25, 2015
(#) ZSozsóó válasza steelbird hozzászólására (») Feb 25, 2015 /
 
Sziasztok!
Ezzel az ötletel azért kicsit óvatosan, mert elég alacsony impedanciával terheled így a hangszín kört, lehet kcisit "fuldokolna" tőle...Az utolsó tranzisztor helyére egy jfetet tennék inkább, nagy bementi impedanciával, becsatoló kondi sem kéne, az sem utolsó szempont...
Csak ötlet...
(#) jani1987 válasza ZSozsóó hozzászólására (») Feb 25, 2015 /
 
Tudsz valami jó példát? Mert ha most befejezem a rajzot akkor nem fogok másikat rajzolni.
(#) ZSozsóó válasza jani1987 hozzászólására (») Feb 25, 2015 /
 
Kapcsolásilag ugyanaz ,mint a bipoláris tranzisztoros, csak nincs a 470k bázisosztó , 10µF becsatoló helyett rövidzár, 47k helyett 1M ohm pl...bipoláris tranyó helyett meg jfet, a drain és source ellenállásokat be kell lőni az adott fethez. Gyakorlatilag ha az eredetihez megcsinálod a panelt, akkor bele lehet tenni fetet is, csak amit ki kell hagyni kihagyod, amit át kell kötni átkötöd...vagy nem, maradhat is benn a 10µF elkó, a fetet nem zavarja, de ha nem kell ,akkor minek alapon... Zs.
(#) steelbird válasza ZSozsóó hozzászólására (») Feb 25, 2015 /
 
Jó ötlet!
A hangszín után pl. egy ilyesmi.

out.jpg
    
(#) ZSozsóó válasza steelbird hozzászólására (») Feb 26, 2015 /
 
Így van! Köszönöm, hogy lerajzoltad, pontosan erre gondoltam. Azt a hangszínkört bizony illik kicsit nagyobb impedanciával terhelni. A hangszín rajzon szereplő 100k-s hangerő poti is kevéske szerintem, bár az nem is kell a kapcsolásba, csak megemlítettem! A nyákot ki lehet alakítani úgy, hogy megegye a bipolárist meg ezt is, csak az adott fet lábkiosztását kell ismerni és úgy tervezni a nyákot, hogy "párhuzamban" betenni a bipolárissal és vagy az eredeti kapcsolás az eredeti tranyóval, fet nincs benn, vagy a fetes és akkor a fet van benn a bipoláris nem , egy ellenállást kihagyni, egy kondit átkötni, a többi ellenállást változtatni, de a nyákot önmagában ez nem befolyásolja. Vagy csak az eredeti tranyó lábkiosztását betervezni és a fet lábait hajlítgatni...csak fantázia kérdése! További szép napot mindenkinek! Zs.
(#) steelbird válasza ZSozsóó hozzászólására (») Feb 26, 2015 /
 
Ja igen, két hangerő poti felesleges. Én viszont inkább a FET -es kimenő fokozat elé tenném, nehogy túlvezérlődjön, mert kb 10 dB erősítése van. Torzítós üzemmódban lehet, hogy már sok lesz neki a jel.
A Marshall kapcsolásában ott van a hangszín után a poti, ha nekik így jó volt, akkor nekünk is megfelel.
Legfeljebb 1Mohm -ra ki kell cserélni.
A végére csak összehozzuk...
A hozzászólás módosítva: Feb 26, 2015
(#) ZSozsóó válasza steelbird hozzászólására (») Feb 26, 2015 /
 
Vagy a source/ drain értékekkel játszani kicsit, kisebb erősítést belőni...6dB szerintem is vastagon elég, még van tartalék is, így is többet tol, mint egy egyszerű diódás klippű dolog...vagy egyszerűen egy source követő... Zs.
(#) butuska hozzászólása Márc 6, 2015 /
 
Sziasztok!

Egy Peavey Sanpera II típusú effektpedállal kapcsolatban kérném a segítségeteket. Nagyon különös problémám van vele, megpróbálom összefoglalni:

A bal oldali pedál (hangerő, hangoló) kapcsolja a jobb oldali pedál funkcióit is (wah, pitch shifter).
Csatornaváltáskor időnként aktiválódik a wah pedál, teljesen véletlenszerűen, kiszámíthatatlanul.
Olyan is volt már pl. hogy a loop felvétel indítót aktiválta a hangerőpedálnak a kapcsolója.
A legrosszabb, hogy tényleg teljesen random módon, tehát van olyan is, hogy kapcsolsz vagy 20-at a hangerőpedállal és nem produkál hibát...

Készítettem egy videót a jelenségről, és egy kapcsolási rajzot is tudok küldeni.

https://www.youtube.com/watch?v=DXq_jbu6Eq0

Minden nemű hibabehatárolási ötletet örömmel fogadok, mert mivel SMD alkatrészekről van szó, még nehezebb a dolgom.

Köszönettel: butuska
(#) Gránátalma válasza butuska hozzászólására (») Márc 7, 2015 /
 
Szia!
Első körben a kábelt próálnám kicserélni, nekem mikor annó a fender csatorna váltójánál megtört az árnyékolás a kábelen simán kapcsolgatott falsul.
(#) Hollowdrums hozzászólása Márc 8, 2015 /
 
Sziasztok!

Csak érdekességképpen raktam fel ezeket a képeket, legalábbis nekem az.
Ilyen pickup-ot én még nem láttam. Valamelyik nap leltem rá, kíváncsiságból szétkaptam és ez a látvány fogadott.
Látott márvalaki ilyen megoldással készült hangszedőt? Miért ez a megoldás?
(#) Hx-2 válasza Hollowdrums hozzászólására (») Márc 8, 2015 /
 
A Jolana gitarokban volt anno ilyen hangszedo igaz nekem henger alakuak voltak a magnesek benne. A regi csoves radiomon meglepoen szepen muzsikalt!!
(#) Allen Collins hozzászólása Márc 8, 2015 /
 
Sziasztok!
MXR phase 90 utánépítésének a gondolatával kacérkodok, találtam is hozzá jó rajzokat, szóval még tervezni sem kéne igazán. Annyi a gondom így elsőre, hogy 2N5952 és 2N4125-t nem nagyon találtam itthon elérhetőt, pláne nem párosítva. Tudtok ajánani helyette valami mást, vagy felejtsem el a cserélgetést?

Phase 90
(#) steelbird válasza Allen Collins hozzászólására (») Márc 8, 2015 /
 
Szia!
Idézet:
„...nem nagyon találtam itthon elérhetőt...”

2N5952 van itt.
Itt meg talán mindkettőt megkapod.
Párba válogatni magadnak kellesz, vegyél többet belőlük.
(#) Allen Collins válasza steelbird hozzászólására (») Márc 8, 2015 /
 
Köszi! Párba válogatáshoz mi kell? Oszcilloszkóp, vagy elég a multiméter is?
Nincs erről egy jó cikked esetleg? Nem ismerem a dolog menetét.
(#) szendi001 válasza Allen Collins hozzászólására (») Márc 8, 2015 /
 
Karakterisztika rajzoló kellene, de felesleges. Válogasd bétára.
(#) szendi001 válasza Hollowdrums hozzászólására (») Márc 8, 2015 /
 
Ez nekem is új. Gyártani könnyű lehetett. Anno mindig csévére próbáltam meg tekerni hangszedőt. Idegölő játék. Ez meg egyszerűen oda van ragasztva . Ami még érdekes lehet az a 45 fokos szög a húrra bármely esete. Nem tudom zaj ellen kompenzál-e valamit az alak.
A hozzászólás módosítva: Márc 8, 2015
(#) Longa György válasza Hollowdrums hozzászólására (») Márc 9, 2015 /
 
Szia.Valamikor 40 éve csak ilyet lehetett kapni nálunk.Vetekedett az akkori Jolana hangszedőkkel.
(#) Longa György válasza Hollowdrums hozzászólására (») Márc 9, 2015 /
 
Az én Jolanámba csévére volt tekerve a huzal és a cséve közepén volt a mágnes.A mágnes ellenkező polaritását hajlított vaslemez vezette ott is.Talán még van is valamelyik fiók mélyén.
(#) Gránátalma válasza Hollowdrums hozzászólására (») Márc 9, 2015 /
 
Szia!
Igen.
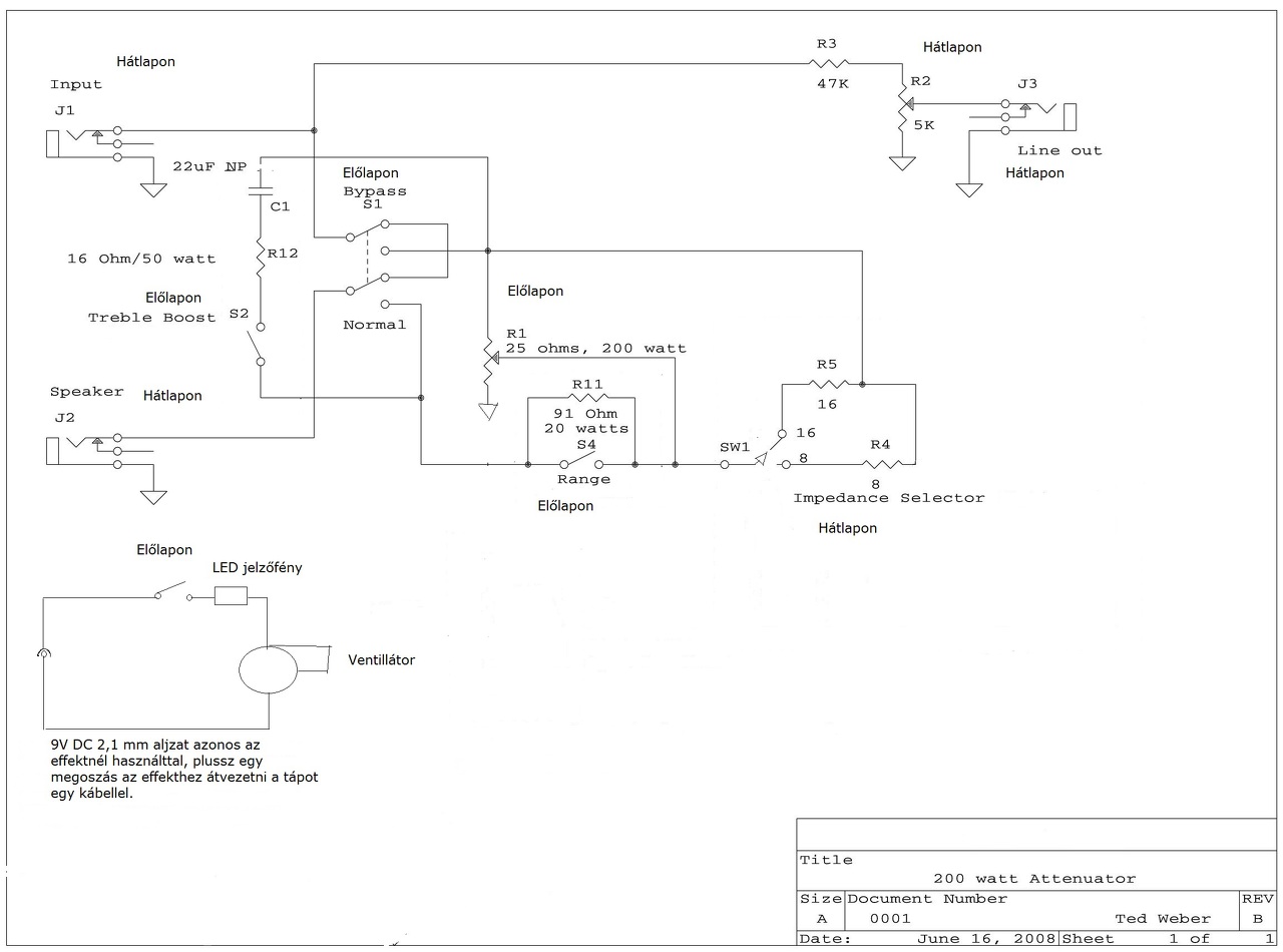
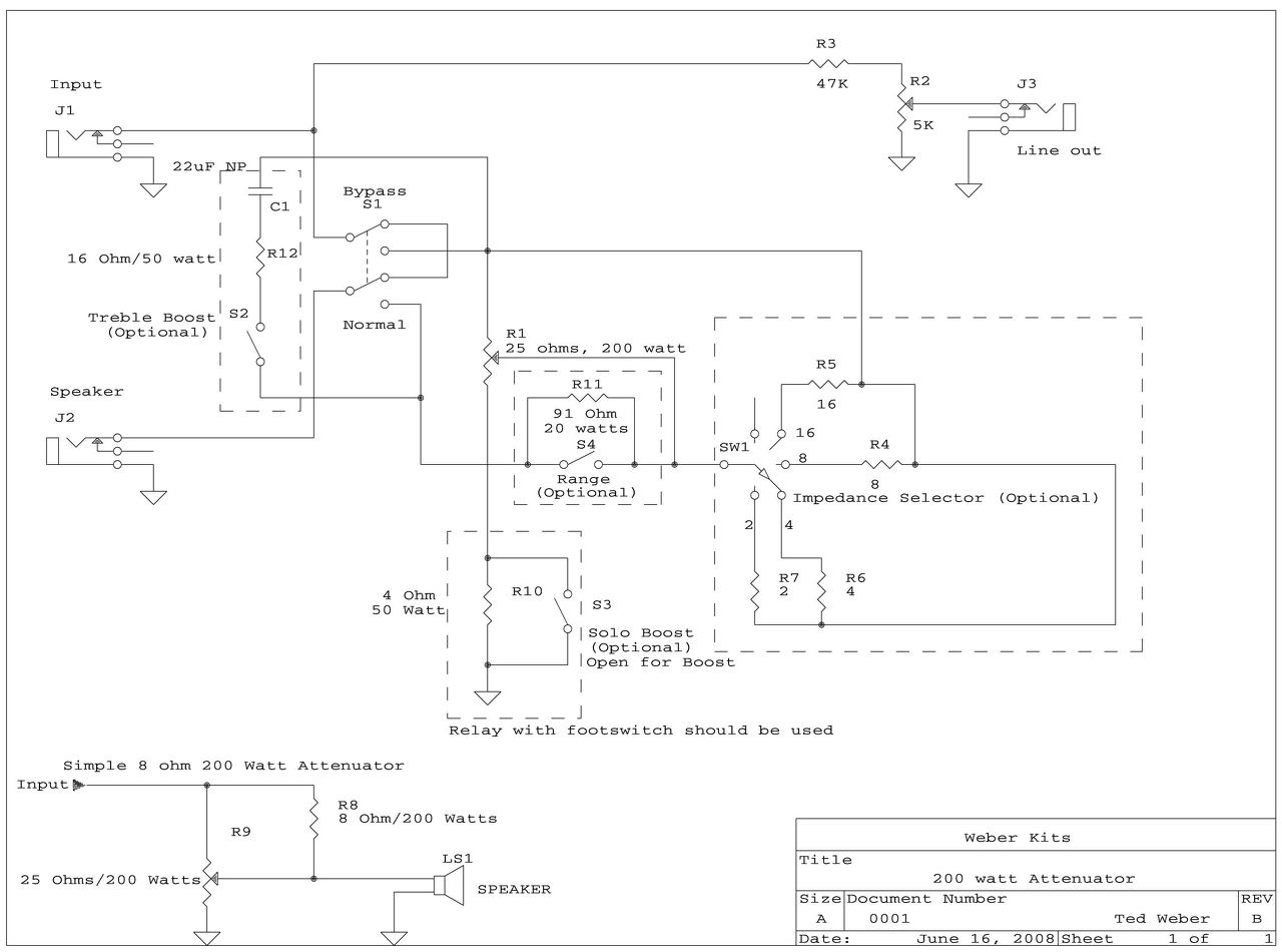
(#) gajdossmd hozzászólása Márc 10, 2015 /
 
Sziasztok!

Ezek a rajzok így életképesek lehetnek?
(#) gajdossmd válasza gajdossmd hozzászólására (») Márc 16, 2015 /
 
Nos senki?
(#) Hollowdrums hozzászólása Márc 16, 2015 /
 
Nagyon szépen köszönöm a hozzászólásokat az "ezer éves" hangszedővel kapcsolatban, nem gondoltam volna, hogy ilyen régicuccról van szó, arról nem is beszélve, hogy ez gyári!
(#) szendi001 válasza gajdossmd hozzászólására (») Márc 25, 2015 /
 
Miért ne lenne, passzív csillapító, nem elrontható, ha nincs elkötve.
(#) jani1987 hozzászólása Ápr 15, 2015 /
 
Már feladtam az alkatrész rendelést és majd péntek délután hozzák meg a potikat meg az ic-ket. A tervek szerint egy gitár "kombót" rakok össze két TL072-ből és egy LM1875-ből. A kapcsolásokat mellékelem. Az én gondom annyi, hogy az ic kimeneteket egymás után kötve egy torzítót építek, de vajon egy darabból is meg lehet-e oldani. Vagy van még egy J201-es fetem is amit berakok.
(#) csoka69 válasza jani1987 hozzászólására (») Ápr 15, 2015 / 1
 
Szia!
Az előerősítő részt nem értem, miért kell Neked jobb és bal oldal? Másrészt szerintem nincs értelme a műveleti erősítőket túlhajtani, mert rossz, recsegős hangja van. Bár Neked lehet pont az lesz a megfelelő, mert az a hangzás tetszik.
Én is építgetek egy gitárkombót (eléggé elhúzódik). Ott tartok, hogy megépítettem egy végfokot, és dugdosós próbapanelen kísérletezek J201-J113 JFETekkel, abban reménykedve, hogy megtalálom a számomra tökéletes hangzást.
Ha mindenképp műverősítővel szeretnél építkezni, próbáld ki EZT. Hasznos, tanácsos leírás is van hozzá.

Zoli
(#) jani1987 válasza csoka69 hozzászólására (») Ápr 15, 2015 /
 
Nem két csatornásat akarok, hanem a kimeneteket egymás után kötni. A J201 alkotná az előfokot, utána egy kapcsoló váltana a torzítóra/hangszínre és onnan az erősítőre. Amúgy az erősítő magában már kész van és működik is (igaz nem a legszebb dehát ez van) de ez magában édes kevés.
A hozzászólás módosítva: Ápr 15, 2015

Picture 4.jpg
    
(#) csoka69 válasza jani1987 hozzászólására (») Ápr 15, 2015 /
 
Mindenképpen próbálkozni kell. Nagyon ritkán sikerül elsőre megtalálni azt a hangzást, amire szükség van. Továbbra is azt tudom tanácsolni, hogy ha már megvan a végfok, próbálgasd az előfokot ilyen-olyan összeállítással.
pl.:
-Első fokozat egy műverősítő TL072/A. Nem terheled le a gitárt, vagy az erősítő előtti effektet. Visszacsatolását/erősítését okosan kiszámolni a hangszínszabályzóhoz. Mivel passzív, elég nagy a csillapítása, kell a jelszint.
-Tehát ezután a hangszínszabályzó. A Volume egyben Gain is.
-TL072/B műverősítője visszaemeli a hangszín jelét a harmadik fokozatnak.
-Harmadik fokozatnál történne a torzítás egy J201 túlhajtásával. Ezután jöhet a végfok.

Ez egy példa, ezekből az alkatrészekből. Nem tudom, hogy szól, próbáld ki...
Következő: »»   263 / 317
Bejelentkezés

Belépés

Hirdetés
XDT.hu
Az oldalon sütiket használunk a helyes működéshez. Bővebb információt az adatvédelmi szabályzatban olvashatsz. Megértettem