Fórum témák
» Több friss téma |
Tisztelt Simpi.
Az én elektronikámban nincs semmilyen "referencia feszültségforrás" A tápot jól meg kell csinálni, az tény én egy 1000µF és 100nF kondit alkalmaztam. A pic ezt a szűrt tápot kapja, de a pic táp bemenetére is raktam 100nF kondit. A 2k Ω nem válik be, kipróbáltam. Azt még elfelejtettem, hogy a panel és a szenzor között olyan 2 méter van, és tökéletesen működik. A tápnál raktam bele a nyákra forrasztva egy 100n kondit, ami a tápot szűri. A hozzászólás módosítva: Márc 9, 2015
Szia !
Van arra valami megoldás, hogy felprogramozáskor a PIC eeprom területét ne írjam ? Az lenne a lényeg, hogy az eepromba előre megadott értékek lennének, amit újra programozáskor nem szeretnék törölni. Köszi !
A főprogram elejére tegyél eeprom írást akkor bekapcsoláskor mindig az oda be írt adatokat fogja beírni a eepromba
Hogyne:
PICkit2 kezelő programja esetén vedd ki a pipát az adat EEProm elől, MpLab esetén Programmer / Settings / Preserve device EEPROM -ba kell a pipa.
Sziasztok.
Nem tudjàtot véletlenül a flowcode6 létezik demóba, vagy ahhoz is kell a reg kód? Ha van demó az időkorlátos? Köszi előre is. A hozzászólás módosítva: Márc 11, 2015
Szia
Megoldódott a probléma, sirlkerült rájönni mi okozta a hibát?
Sziasztok.
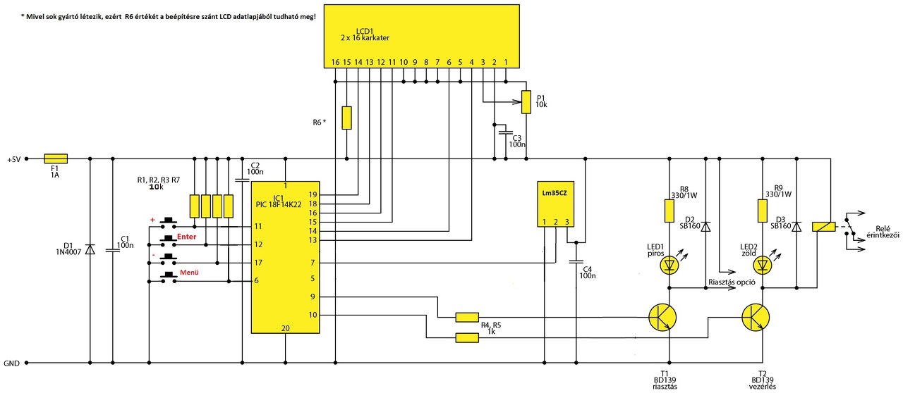
Felteszem a kész művemet, hátha valakit érdekel. A szondára egy 82 ohm plusz egy 1µF polyászter kondit sorba kötve a kimenet és a föld közé kell tenni, különben össze vissza mér! Teljes dokumentáció A hozzászólás módosítva: Márc 12, 2015
Én próbáltam demóban, egyből kódot kér, el sem indult, nem volt demóban használható. De lehet, hogy ez csak egy ilyen változat, esetleg másik 6-os változat indulna.
A kazánvezérlőnél én nem merném 90 fokig engedni a riasztási szintet, nagyon határeset, akkor már nemigen van idő forrást elkerülni. A hozzászólás módosítva: Márc 12, 2015
Szia
Köszönöm, kód még tudtommal még nincs ehhez a verzióhoz.
Valmikor kipróbáltam, van Demo üzemmód, de regisztráció és online kért ideiglenes aktiváló kód kell hozzá. Továbbá Demo üzemmódban vannak bizonyos korlátozások.
Sziasztok
Tanulmányozom a pic és a flow világát, és egy számotokra nagyon egyszerű dolgon most elakadtam, ez pedig az óra. A mintaprogramot teljesen értem, vannak változók (másodperc,perc,óra). Ha a program lefut, mindig a program elejére ugrik, és a megszakításnak köszönhetően (ez a lelke az órának) mindig egyet hozzáad a változóhoz, ha elér egy szintet nullázódik, hozzáad egyet a következő változóhoz, én így tovább. Igen ám, de hogy alkalmazunk menügombokat, én csináltam egy egyszerűt hozzá, felvettem két változót egy fel, és egy le névvel. Beállítottam hogy ha a le aktív, akkor vonjon egyet le az óra értékéből ha fel aktív akkor egyet adjon hozzá. Ez nem is nagy dolog, de ha megnyomom a fel, vagy a le gombot, elkezd pörögni, hisz olyan gyors a TMR ha viszont a gomb lenyomása után és az érték változtatás után a programnak azt mondom, hogy várj míg a gomb 0 érték lesz (elengedem a gombot), akkor az időt befolyásolom. Küldöm a fcf fájlt. Segítsetek, hogy tisztán lássak ebben a kérdésben is, köszönöm. A hozzászólás módosítva: Márc 13, 2015
Talán így használnám a gomb makrót
Szia kaqukk
El tudnád magyarázni, hogy mit rontottam el? Illetve még anyit nem étrek, hogy ha a fősoron van a megszakítás, és én előhívok egy makrót amibe mondjuk azt mondom hogy várj (delay) 1s-t allot mátis késni fog az órám ha visszalépek a főmenübe, nem?
Ennek kiküszöbölésére érdemes használni egy RTC IC-t. Sőt, az még akkor is megjegyzi az időt, ha nem kap áramot az egész óra. Én DS1307 -tel szoktam órát készíteni, kb. kéthavonta késik egy percet, ami nekem bőven megfelel. Ráadásul úgy, hogy egy hét alatt kb. 3-4 napig teljesen ki is van kapcsolva.
Nézd meg a elágazásokat mit tettem bele ? Ha a megszakítást mondjuk tmr2 ben csinálod a pörög magában a program többi része nem zavarja , de ha a beállításhoz teszel delayt az senkit nem befolyásol úgyis a végén nullázod a másodpercet és a megszakítást amikor kilépsz a beállításból
A hozzászólás módosítva: Márc 13, 2015
Szia Bakman
Én úgy gondoltam el, de lehet, hogy rosz a gondolatom, hogy a pic egyik lábára adok kívülről impulzust amit számol. És így oldanám meg az órát. De ebben az esetben sem lehet a delay parancsot alkalmazni, a fentiek miatt.
Szia simpi
Lehet, hogy a megszakítást (működését) nem értem még 100%-ba. Tehát ha jó értem a szavaidat elindítom a megszakítást, és onnantól kezdve a háttérbe számol, teljesen mindegy hogy milyen makrót hívtam, hogy adtam-e delay parancsot, az szépen teszi a dolgát. Jól értem?
Szia
Szuper kis ic de mivel kezdő vagyk a pic-be egy kicsit bonyolult nekem az I2c kommunikáció.
Az a lényeg, hogy ha makrót hívok, akkor ne legyen ott sok ideig, hogy a főprogramra vissza tudjon mindíg ugrani.
Akkor ezt úgy képzelem el mint a watchdog időzítőjét. Bármit csinál a program ő akkor is számol.
Még egy kérdés. Óra esetében mit javasoltok, és miért belső órajelet használjak, vagy rezonátort? A belső ora sok pic-nél már elég magas.
A hozzászólás módosítva: Márc 13, 2015
Idézet: viszont cserébe nem elég pontos .... „A belső ora sok pic-nél már elég magas.”
Köszönöm. Akkor megy a rezonàtor, vagy a kvarc.
Önmagában még a külső kvarc sem elég pontos. Nem ártana utána számolni, hogy az az 50 ppm mennyi is. Ha már óra, érdemesebb RTC -t használni. pontosabb is, és van még több hasznos funkciója is, csak írni, olvasni kell.
Szia
Mivel kezdő vagyok, nem értem mit írtál. Mi az a 50ppm és a RTC?
Nem kell messzire menni, nézz meg egy kvarc adatlapját a HEStore -ban. A ppm a kvarc pontosságát jelenti, az 50 az 1 s 50 -ed részét. Egy napban azért elég sok másodperc van, és sok kicsi sokra megy a nap végére.
Az RTC (Real Time Clock) egy valós idejű óra, hőkompenzált kristály oszcillátorra, és sok egyéb beépített funkcióval. PL. DS1337 De kezdőként utána is járhatnál. |
Bejelentkezés
Hirdetés |

















