Fórum témák
» Több friss téma |
Ha szkóp-képet teszel fel, legyen látható a kezelőszervek beállítása, vagy add meg a beállításokat!
Sajnos nem olyan egyszerű a helyzet.
A normál BNC aljzat rövid 6 mm-el. Pesten lehet kapni ilyet valahol? Végig néztem azokat a boltokat (web áruházakat) amiket ismerek, de mindegyikben csak ilyen rövid van. Csak 11mm-es az a része ahova a BNC dugó megy. Ami most a szkópban van annak 17mm-es. Ilyen fajta van benne csak hosszabb. A hozzászólás módosítva: Márc 25, 2015
Sikerült szétszednem. Hát nem semmi alkatrész temető van benne az biztos.
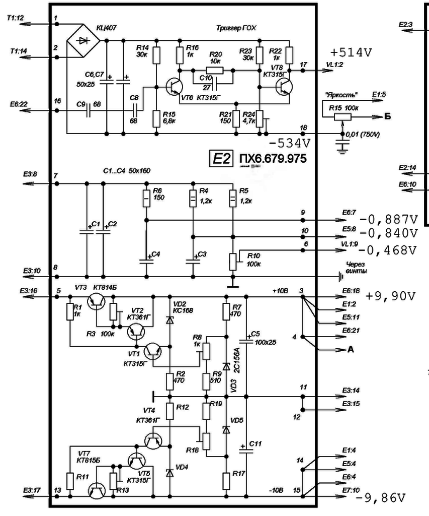
![]() Hiányzik a +10V, a minusz 10 rendben van.
Nem a jóságával van baj, hanem azzal, hogy így nem lehet ütközésig rátekerni a mérőkábelen lévő dugót.
Maga az aljzat az előlap mögött lévő lemezhez van rögzítve. Az előlap 4 mm vastag.
Viszont könnyen javítható. Ha lenne benne néhány spec IC, meg lennél lőve, még akkor is, ha csak egy egyszerű ellenállás hálózat lenne.
Létezik olyan is, csak keresgélni kell.
Ki kell rakni az előlap elé. Hosszabb menetű itt is van.
Szerintem is kell léteznie. Ezért is keresem már vagy 2 órája, de eddig sikertelenül.
Ehhez az előlapon meg kellene nagyítanom a helyét, de nem szeretném ilyen mértékben átalakítani.
Vagy egy alátétet tenni alá és kész is. Persze a tiéd azt csinálsz vele amit akarsz.
A Conradnal a 741242-67 szerintem megfelene
Ilyen cikk számon nem találtam semmit. Tudnál linket küldeni?
Keresd a német oldalon mert a conrad magyar oldala gyakran csak vicc. ( szerencsére a megrendelést elfogadják).
Keresgélj
Bővebben: Link
A magyart néztem, azért nem találtam. Köszönöm.
Sajnos nem jártam sikerrel.
Bementem ma néhány boltba (Kontha, HR Elektrinka), de itt sem árulnak ilyet. Valakinek van ötlete, hogy merre keressek tovább? A hozzászólás módosítva: Márc 26, 2015
Ha eredetit nem találsz akkor nem marad más hátra, mint az általam ajánlottat szigetelö alátétekkel ugy szerelni, hogy megfelelöen kiemelkedjen az alapchassibol. Az a BNC 5,5 mm vastag panelhez valo. gondolom a te gépeden az alaplap talán 1 mm vastag, azaz 4,5 mm vastag alátéttel ennyire ki tudod emelni az alaplap szintjéböl.
Más megoldás nemigen lesz, lehet, hogy az eredeti valami egyedi darab ( mint a Iphone csavarjai....) igy nem igen fogsz tudni ilyet venni. A hozzászólás módosítva: Márc 26, 2015
A menetes rész rövid, vagy a csatlakozó rész ? Leghosszabb csatlakozó rész amit láttam
12,5 mm talp nélkül, talppal 15 mm
Sajnos ez se jó. Az előlap 4,5 mm vastag. Ehhez jön hozzá a váz 1 mm vastagsága. Így már nem marad menet amire az anyát rá tudom tekerni.
Más megoldást kell találnom. Lehet a végén nem marad más, mint az előlap átalakítása.
A csatlakozó rész a rövid. Ami most benne van annak 5 mm-el hosszabb ez a része.
Itt talán jól látszik ez a rész. A hozzászólás módosítva: Márc 26, 2015
Nem egyértelmű amit írunk. Mennyi a menetes rész hossza, mennyi a talp vastagsága és mennyi a csatlakozó hüvely hossza ? Ezeket a méreteket kérdezem.
Lemértem:
menetes rész (szerelőpanel nélkül): 6 mm szerelőpanel vastagsága: 1 mm talp vastagság: 1 mm csatlakozó hüvely: 17 mm előlap: 3 mm előlapon lévő lyuk: 12 mm Itt van néhány kép arról, hogy hogy néz ki.
HV (high voltage) típust keressél. Annak hosszabb a nyaka.
Így már egyértelmű, igen különleges darab, nem találkoztam még ilyen hosszú csatlakozó
részes típussal. Szerintem a hosszú menetes csatlakozó amit a képen csatoltam jó lenne. Az előlap és a szerelőlap között ha jól látom van kb. 3 mm, ha a menetes részre egy anyát rácsavarsz és úgy teszed a szerelőlapra elég hosszú lesz a csatlakozó rész az anyacsatlakozó csatlakoztatásához.
Sok BNC 2 anyával jön. A menetes rész a hosszabbikon 7 mm. 1,5 mm elég a hátso anyának. Erre jön a szerelölap 1 mm, azaz marad még 7-1-1,5=4,5 mm. Ide megy a második anya majd a csati nyaka igy vigan elég mert az elölap csak 3 mm.
Ha az anya nem fér bele az elölap lyukába, akkor egy vékonyfalu csövet huzz a menetes részre. Szerintem már többet spekulálsz mint amit az ügy ér.
Csak rosszul mértem. Megvan a +10V is.
Az E2 panel kivezetéseit megmértem és az alábbi képre beírtam mit hol mértem. Segítségre lenne szükségem a továbbiakban, mivel azt sem tudom mihez lehet nyúlni. Ha az segít akkor van egy erőteljes sípoló hang aminek a forrását nem igazán találom.
Az eltérítő lemezeken kellene feszültséget mérni, hogy páronként azonosak-e a feszültségek, ill a függőleges (VT13, 16), és vízszintes (VT10, 14) végfokokat kéne vizsgálni.
Hello! Az E1 panelen van a "fütyülős dolog".. Vagy a vas törött, vagy eleve ilyen.
Ezek a feszültségek messze nem azonosak.
Beírtam a csatolt képbe hol mennyit mértem. Arról viszont fogalmam sincs mennyinek kellene lennie. A hozzászólás módosítva: Márc 28, 2015
|
Bejelentkezés
Hirdetés |














