Fórum témák
» Több friss téma |
Fórum » Csöves erősítő készítése
Ne feledd betartani a fórum viselkedési szabályait, és a topik megmaradásának feltételeit. [link]
A téma átmenetileg fagyasztva lett, hozzászólni nem tudsz!
Jól van az.. épp most tapasztalsz. Sok "fura" tapasztalásod azaz tudásod lesz majd a témában ha kitartó vagy.
3. Csöves erősítőm lessz ha elkészül.
Hogyan tudom csökkenteni szegény PL504 rácsán a feszültséget? Már 5K van benne de még mindig 277V .
Már elkészült az erősítő,szól is szépen a segítségeknek köszönhetően,holnap felteszem az új kapcsolás ami már kiválóan működik.
Sziasztok!
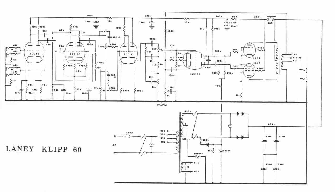
A neten talált módosított kapcsolás alapján építettem egy gitárfejet. Nem lett még élesztve és most lenne egy kis problémám a bias beállításával kapcsolatosan. A rajz szerint az előfeszültségnek -50v-nak kellene lenni de rámértem és meglepően nekem -25v és a végcsöveknél pedig -14v-ot mérek. Most nem tudom helyesek ezek az értékek, mivel látom hogy a végcsövek segédrácsainak 470ohmos ellenállásai is 1k-ra lettek módosítva. Szóval nem tudom helyes e a rajz, vagy épp mi hiba lehet benne, persze ha egyáltalán van benne.
Úgy érzem annyiban marad az egész mert nem akarom elrontani hosszú munkám eredményét és most teljesen tanácstalan vagyok hogyan tovább. Nem merem ezekkel az értékekkel az új végcsöveim kockára tenni, szerintem túl kevés az a -14v rácselőfesznek az EL34 hez. Vissza kellene állítanom a gyári fix biasos megodás szerint?
Helló!
Amikor mértél,az anódfesz jelen volt? -14V valóban kevés,amennyiben az anód feszültség terhelve annyi amennyi a rajzon van.1ébként azzal az 56K-s ellenállattal tudod változtatni a bias-fesz. tartományt.(szerintem a hálótrafód alacsonyabb szek. fesz.-eket produkál,ezért volt ilyen kevés a bias feszültséged.) Annó javítottam egy hasonló gyári fejet(Showmaster),és én kidobtam belőle ezt a bias kapcsolást,és ez használtam:jcm800 A hozzászólás módosítva: Ápr 15, 2015
Szia! Anódfeszültséget nem kapcsoltam rá, fontos lenne a méréshez,változna valamit esetleg? A táptrafót ismét kimértem és 458-0-459v értéket kapok, tehát ez ok.
Ha a sorba kötött 100k ellenálláson és az 56k-n változtatnék megoldható lenne? Sajnos már nem tudok komolyabban belenyúlni mert nyákra terveztem és akkor még nem gondoltam hogy gondom lesz vele.
Szia Mindenki.
Szeretném kérdezni hogy az ecc82 csövet ha a bemenetet az egyik ,oldalt a 2 lábra rakom a másikat a 7 re kötöm ,akkor sztereóhoz elég a 2xel 84és egy db ecc82 cső...köszönöm előre is. A hozzászólás módosítva: Ápr 15, 2015
Az ECC egy kettős trióda. Egyik fél az egyik csövet , másik fél a másik csövet hajthatja SE-kapcsolásban, és/vagy egy mono PP kapcsolásban.
A hozzászólás módosítva: Ápr 15, 2015
Azért azt jegyezzük meg, hogy az ECC82 nem a legjobb választás, helyette inkább ECC83, 6N2P, ECC85, 6N3P, 6N1P, de még az ECC81 is jó lenne.
Szia mindenki és mi a jobb ,a se vagy a pp.?
Igen.. ezt én is akartam írni, visszatöröltem, mert láttam már "dicsért" meghajtást ECC82-vel is.
De nekem is inkább ECC85-tel jött be. ECC82-vel is próbáltam.
SE-hez a guberált légréses televíziós és rádiós kimenőtrafók is "jók". PP-hez viszont már tekertetni kellene. SE-ben 3W/oldal. PP-t akkor építs ha nagyobb "kakaó" kell.
Ki dicsérte meghajtásként az ECC82 -t?
Nálam van egy ECC82 EL84 páros. SE-hez bőven elég az ECC82 is ha nem használsz visszacsatolást. Próbáltam más csövekkel is de ennek volt a legbarátságosabb hangja. PP-hez már elkelhet az ECC83 is. Az ECC85 nem túl lineáris cső, viszont nagyon jó hangja van. Az orosz csövek nekem nem nagyon jöttek be hangra, viszont olcsóságuk miatt jó alternatívák.
Boroscsöves ECC82-EL84 A hozzászólás módosítva: Ápr 15, 2015
Megha az SE3% torzítása sok, akkor is PP-t kell építeni. :o))
Szia .A BEAG kimenő az 10 w s az jó lesz e?
De milyen? Miben volt? Kicsit konkrétabban kérdezz.
Vagy ha nem tudsz adatokat mondani hozzá ,akkor egy fénykép is "beszédes" lehet, és akkor mondjuk hogy mire használhatod fel. A hozzászólás módosítva: Ápr 16, 2015
Sziasztok!
A 0.22µF és a 0.47µF csatoló kondenzátoroknál olajpapírt(oroszost) szeretnék beépíteni, mekkora legyen a feszültség tűrésük?
Szerintem elég beszédesek az anódfeszej adatok, én oda így (min.) 300V -osokat tennék.
C8-C9-re kevés lesz a 300V, elég nagy előfeszültsége van a 6C33C-nek, a meghajtás anódja meg 400V-on van, amíg nem fűtenek fel a csövek. Én 630V-sat tennék, sőt mi több, azt is tettem a triódás PP erősítőmbe.
A 220n (C4, C5) lehet 400V-os.
Bizony igazad van, az előfeszt nem kalkuláltam.
Nem kimondottan az előfesz a gond, hanem a DC mellett, még AC fesz is van rajta, nem is kevés.
Nem az lenne a csatolokondi lenyege, hogy a nagy DC kulonbseg ellenere az AC mindket felen azonsos amplitudoval jelen van?
Ezt hívják leválasztásnak, de lényegében rajta van az egyik oldalon, ha nem bírja, akkor a másikon is. Én nem szeretném, hogy ez bekövetkezzen.
Kevered a szűrőkondi esetével. A csatoló kondinak az átvitt hagfrekvenciás sávban elhanyagolhatóan kicsinek kell lennie az impedanciájának a következő fokozat bemeneti impedanciájához képest. Ezért nem is eshet rajta hangfrekvenciás feszültség. Tehát váltóáramú szempontból mindkét végén a testhez képest ugyanakkora hangfrekvenciás feszültséget kell tudnod mérni.
Mégis érdemes a csatoló kondik feszültség tűrését túlméretezni, mert a szívárgó áram is kisebb, az üzembiztonság is nagyobb. |
Bejelentkezés
Hirdetés |


Most nem tudom helyesek ezek az értékek, mivel látom hogy a végcsövek segédrácsainak 470ohmos ellenállásai is 1k-ra lettek módosítva. Szóval nem tudom helyes e a rajz, vagy épp mi hiba lehet benne, persze ha egyáltalán van benne. 


