Fórum témák

» Több friss téma
Fórum » Erősítő mindig és mindig
Mielőtt kérdezel, a következő két dolgot ellenőrizd! I. A helyes tápfeszültségek megléte. II. A kimeneten van-e egyenfeszültség. Élesztés.
Lapozás: OK   1699 / 2571
(#) vipera1997 válasza rexi77 hozzászólására (») Ápr 26, 2015 /
 
Szerintem igen, de ez a végtranyóktól is függ.
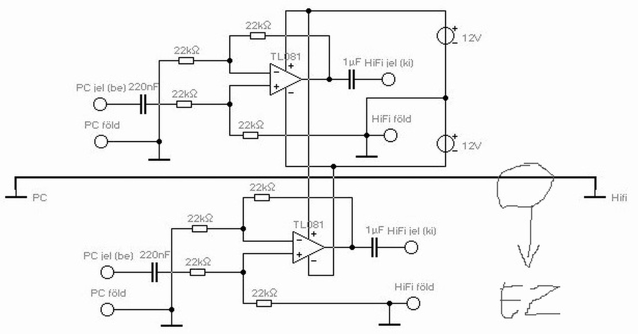
(#) vipera1997 válasza tothbela hozzászólására (») Ápr 26, 2015 /
 
Találtam róla képet
(#) rexi77 válasza vipera1997 hozzászólására (») Ápr 26, 2015 /
 
Ha töltök fel képet a kapcsolási rajzról, akkor megtudnád mondani biztosra?
(#) vipera1997 válasza rexi77 hozzászólására (») Ápr 26, 2015 /
 
Ránzéhetünk
(#) rexi77 válasza vipera1997 hozzászólására (») Ápr 26, 2015 /
 
Köszi.
(#) vipera1997 válasza rexi77 hozzászólására (») Ápr 26, 2015 /
 
Szerintem menni fog, ha ezekkel az alkatrészekkel dolgozol akkor biztos
(#) rexi77 válasza vipera1997 hozzászólására (») Ápr 26, 2015 /
 
Szuper! Megkönnyebbültem
Köszönöm hogy megnézted
(#) vipera1997 válasza rexi77 hozzászólására (») Ápr 26, 2015 /
 
Kész van vagy még csak tervezed?
(#) tothbela válasza vipera1997 hozzászólására (») Ápr 26, 2015 /
 
Úgy veszem ki a rajzodból,( most már a fotóról is) hogy te is pókhálóba kötötted a randszert. Próbáld a következőt: Mint ha busz sofőr lennél ,megállsz minden megállón és aki akar fekszáll, aki akar le. Jobb oldali inputtól elindulsz, persze árnyékolva , venti alatt elhaladsz, bal input, bal végfok, bal végfook táp, pufferek, poti, poti, jobb oldali nyák. A lényeg, hogy a végállomáson már ne legyen olyan utas, aki nem tudott elmenni a célhoz, A kimeneteket bekötheted a legrövidebb úton, de ha lehet, azt is ezen az úton vezesd végig. A trafód ha jól látom beag. Nem olyan rossz az. Jó éjt kilépek.
(#) vipera1997 válasza tothbela hozzászólására (») Ápr 26, 2015 /
 
Rendben, köszönöm!
Azt mivel oldjam meg?
ha egy egyszerű réz huzallal végigviszem jó vagy kábelcsatornát kéne alkalmaznom?
Köszönöm a tanácsod.
Igen 2 beag kimenő így megvan a 600W-os össz kimeő teljesítményem
(#) rexi77 válasza vipera1997 hozzászólására (») Ápr 26, 2015 /
 
Még csak tervezem. Ez lesz az első kapcsolásom amúgy
(#) vipera1997 válasza rexi77 hozzászólására (») Ápr 26, 2015 /
 
Lehet nem ártana egy kicsivel kezdeni, nem lebeszélni akarlak, csak méhis hogy legyen valami "alapja" a nagynak
(#) rexi77 válasza vipera1997 hozzászólására (») Ápr 26, 2015 /
 
Hát egy nagyon alap fényorgonát már építettem egy tranzisztorból, 9 ledből, egy kondenzátorból, egy potméterből és 4 ellenállásból. De azt nem is NYÁK-ra csináltam, hanem csak úgy össze forrasztottam őket. Már egy ideje gondolkoztam rajta hogy ideje lenne valami érdemlegeset is csinálni, úgyhogy erre a kapcsolásra esett a választásom. Meg azért is választottam ezt mert nemrég hozzájutottam egy 100w-os hangszóróra is, amit nem volt mivel meghajtanom. Egyébként már óvodás korom óta érdekelnek az elektronikák, akkoriban még csak szétszedni tudtam őket Az utóbbi egy évben kezdett el komolyabban érdekelni a dolog.
(#) vipera1997 válasza rexi77 hozzászólására (») Ápr 26, 2015 /
 
Megértelek én is a középiskolai éveim alatt foglalkoztam ezzel behatóbban, de főként erősítőket rakosgattam össze, de eddig kb 80-100 db-ot építettem/javítottam eddig és ez csak
egyre fentebb megy remélhetőleg.
De arra emlékszek hogy egy TDA2050-el kezdtem légszerelve, ami akkor egy nagy "felfedezés" volt számomra utána már jöttek a 50,70,100W-os panelek, mára van 2 db 2*300-as erősítőm
Sok sikert a kapcsoláshoz.
(#) rexi77 válasza vipera1997 hozzászólására (») Ápr 26, 2015 /
 
Köszönöm! Neked meg még legalább ennyi javított/épített erősítőt
(#) reloop válasza tomi1990120 hozzászólására (») Ápr 26, 2015 /
 
Nem tart sokból mind a négyet rákötni, meglátod mennyit kíván.
A feltekert potinál csökkenő búgás azt is jelentheti, hogy túl nagy értékű potenciométert választottál, illetve nincs kellő árnyékolása a jelvezetéknek, de inkább a táp hullámosságára gyanakszom, a kapcsolás nem elég kidolgozott a táphullámosság-elnyomás szempontjából. Ha nem boldogulsz a kondikkal erre még visszatérhetünk.
(#) musicproo hozzászólása Ápr 26, 2015 /
 
Sziasztok.
Van egy Yamaha RX-797-es erősítőm.
A kérdésem az lenne hogy amikor csatlakoztatva van az rca kábel bármelyik bemenetére, de a kábel jack része nincs semmilyen készülékhez csatlakoztatva, akkor cincogó hangot hallok a hangfalakból, illetve fülhallgatón is. Minden kábellel így van. Próbáltam más hálózaton is.
Ez a hang akkor szünik meg, ha a kábel jack részével közelítek az erősítő házához, illetve odatartom egész közel hozzá. Ha nincs csatlakoztatva kábel a bemenetre, akkor nincs cincogás.
Videó: Link
A vidi nagy hangerőállásnál készült.

Kérdésem, hogy mi okozza ezt a jelenséget, ileltve hibának számít-e?
(#) Buvarruha válasza vipera1997 hozzászólására (») Ápr 27, 2015 /
 
Igazából hallani kellene a zajt, mert a zúgás bármit jelenthet és kapásból kiderülne egy avatott fülnek, hogy mi a gond. Amúgy ez akkor fordulhat még elő, ha a bemeneti DC leválasztás, vagyis a kondi nem jó és a kiemenet magasabb impedanciája miatt lehet zajos, illetve a bemeneti RC szűrő alkatrészeit ellenőrizném még.
A hozzászólás módosítva: Ápr 27, 2015
(#) steelbird válasza musicproo hozzászólására (») Ápr 27, 2015 /
 
Szia!
Szerintem akkor lenne hiba, ha rendesen, mindkét végén csatlakoztatott kábelnél is jelentkezne a zúgás.
Valószínű, hogy a közelben van egy elektromos készülék, ami ezt a zavart generálja, az erősítőbe dugott vezeték pedig antennaként összeszedi, ha a másik vége a levegőben lóg.
(#) tothbela válasza vipera1997 hozzászólására (») Ápr 27, 2015 /
 
Nem kell kábelcsatorna, csak összefogod a vezetékeket, s pár helyen kötegelő, vagy madzag. Enyhén sodorni is lehet. Csak a inputot meg a poti vezetékét kell érnyékolni. Az a lényeg, hogy, hogy ne alakulhasson ki olyan terület, amin a szórt mágneses tér áthaladva feszültséget indukálhat. Bele kell kalkulálni a bemeneti kábeleket is. Nekem ilyesmi volt, mint a zölddel becsíkozott terület. Azóta, ha közös táppal megy két végfok, már inkább egymás mellett helyezem el az inputokat. Pedig olyan szép ez a szimmetrikus elrendezés. Ha nem akarod átvezetékelni az egészet, van alternatív megoldás is. Az pedig egy dupla opás kis fokozat. Csak kis tűrésű ellenállásokat kell bele tenni (max 1% ).
(#) tiborjan hozzászólása Ápr 27, 2015 /
 
Sziasztok!

Tanácsra ill. tippre lenne szükségem. Szeretnék építeni egy kisebb hordozható hangfalat sztereó (vagy dual monó) kivitelben. 4 ohmos hangszóróim vannak. Na-mármost milyen IC-t ajánlanátok a kivitelezéshez? A lényeg, hogy viszonylag kevés amperrel beérje, mivel adott egy 12V/7Ah-s akkumulátor amiről hajtani szeretném, ebből kifolyólag minél tovább tart benne a kraft annál jobb. TDA2005-ön akadt meg a szemem eddig. Köszönöm a segítséget előre is!
(#) pucuka válasza tiborjan hozzászólására (») Ápr 27, 2015 /
 
Ha jó hatásfokú erősítőt szeretnél, D osztályút válasszál.
(#) vipera1997 válasza tothbela hozzászólására (») Ápr 27, 2015 /
 
Azt megcsinálhatom hogy a 2 bemenetet egymás mellé teszem meg a 2 kimenetet is, van hely a dobozon bőven (reflex rx 800-ról van szó)
(#) vipera1997 válasza vipera1997 hozzászólására (») Ápr 27, 2015 /
 
Megcsináltam a kábelezést, és jó is lett külön oldallal.
Csak mivel én hídba használom és úgy még mindig jelen van, nemtudom mit lehetne még
(#) Beringer 600 válasza vipera1997 hozzászólására (») Ápr 27, 2015 /
 
Heló!
Még azt meg próbálhatod,hogy az egyik végfok modulról le kötöd a táp kondik közös pontjáról a GND-t,és az utóbbi csatalkozást,a másik modul GND-jéről viszed át.Nekem a Quad405-nél ez vált be.Próbáld meg,kárt nem teszel vele.
(#) tiborjan válasza pucuka hozzászólására (») Ápr 27, 2015 /
 
Valami tipp vagy beszerezhető modell? Csak egyfajta TDA-t találtam és 2*50W, nekem elég lenne 2*10 vagy 2*20 is.
(#) vipera1997 válasza Beringer 600 hozzászólására (») Ápr 27, 2015 /
 
A bemenet testpontjára gondolsz ugye?
Egy próbát megér.
(#) vipera1997 hozzászólása Ápr 27, 2015 /
 
Kész lett a castoneom is, megvan a nagy toroid bele végre
A hozzászólás módosítva: Ápr 27, 2015
(#) Ge Lee válasza tiborjan hozzászólására (») Ápr 27, 2015 /
 
Ebben a teljesítménykategóriában ez az egyik legjobb. Az IC és a kész erősítő bedobozolva.
De 5-10W-os tartományban elég sokféle típus van már.
(#) szfejleszt hozzászólása Ápr 28, 2015 /
 
Sziasztok! *

* Törölve, erre való az aprónk ingyen van!
A hozzászólás módosítva: Ápr 28, 2015
Következő: »»   1699 / 2571
Bejelentkezés

Belépés

Hirdetés
XDT.hu
Az oldalon sütiket használunk a helyes működéshez. Bővebb információt az adatvédelmi szabályzatban olvashatsz. Megértettem