Fórum témák
» Több friss téma |
Fórum » RFT SV 3000 Hi-Fi tuningolása
Témaindító: 187BodyGuard, idő: Júl 23, 2009
Témakörök:
A 22v AC hogylesz 25v DC egy diodátol?
Nem a diódától, hanem a kondenzátortól emelkedik gyök2 vel.
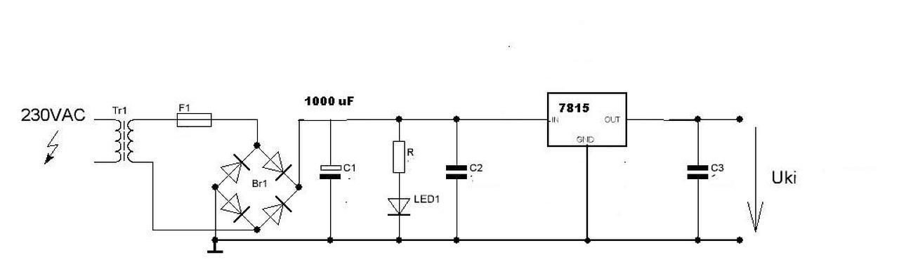
A meglévő táppanelt egy ilyen kapcsolásra célszerűbb kiváltani.
Természetesen csak a táp felső részére gondolok, ami a szabályzóra megy. A végfokra levő rész maradna, de oda se árt egy-egy biztosítékot betenni. A hozzászólás módosítva: Máj 5, 2015
Az eredeti egyutas kapcsolásnál jobb megoldás.
Dióda hibának elég szokatlan volna. Ha a méréseket helyesen megválasztott testponthoz képest végezted, akkor ez úgy néz ki, mintha az 1000µF kondenzátor egyáltalán nem kapcsolódna az áramkörhöz. Az egyutas egyenirányítás egyrészt felezi a feszültség effektív értékét, másrészt a diódán elvész annak nyitóirányú feszültsége. Így pontosan 10,4V-ot kapunk a pufferelés hiányában.
A kondi pozitív láthatóan korrektül kapcsolódik a diódához, viszont azt nem tudjuk, hogy a negatív hibátlan összeköttetésben van-e a testtel. Ezt ellenállásméréssel ellenőrizd, 0 ohm lenne a megfelelő érték. A kérdéses 10nF-ra tekints úgy mint egy zavarszűrőre, az alkalmazása indokolt.
Ez a panel hol kapja a testet?
A hangszóró kimenet negatívjához mérve a C03 felöl 20V
középen 27V másik oldalon 20,7V mérhető.
Haladunk
Gondolom a V07-en mérted ezeket.Elképzelhetőnek tartom, hogy egy leszakadt, esetleg rossz helyre visszaforrasztott vezeték a bajok forrása. Töprengek kissé mi a tettenérés legegyszerűbb módszere és újra átnézem hozzá a fotóidat.
A beültetési rajzon mutatom a testet: a 09-es jelzésű fülről megy a 10000µF kondik közös pontjára egy vezeték. A trafó előerősítőhőz tartozó szekunderének végei pedig a 01 és 02 fülekre mennek, ebből a 02 a test. A panelen belül összeköttetésben kell állnia 09-cel. Ellenőrzés "kicsipogtatással".
02 és 09 határozottan sípol 0,6ohm-al
C01 negatívja szintén sípol 02vel és 09el is. 01és 02 közt4-5ohm van. 02-höz mérve a V07en ugyanazok a feszültségek ,mint korábban írtam a hangszórókomenet negatívjához! A hozzászólás módosítva: Máj 5, 2015
Meg tudnád oldani, hogy leméred C01 lábain a feszültséget? Például 02 (vagy 09) illetve V07 középső lába (vagy a dióda katódja) között.
C01 pozitivja és 09közt 26,9V
C01 negativ és V07 középső lába 26,9V
Igen, ez jó érték.
Erre mondtam, hogy 25V körüli értéket kell kapnod. A hozzászólás módosítva: Máj 5, 2015
ujbol kicseréltem C01et mert tegnap amit beleraktam már egy éve megvolt (hátha esett a kapacitása) ,de nemsokat segitett sőt!
V07-en a: C03 felőli láb 19,6V középső 26,6V másik oldal 20,4V 09-hez mérve A hozzászólás módosítva: Máj 5, 2015
C02 is kicseréltem, de semmi változás!
Trimmert esetleg ha tekergetném? A hozzászólás módosítva: Máj 5, 2015
A trimmerrel vigyázz, mert ha az IC-k 12V-nál többet kapnak, mennek a szilicium völgy mélyére.
Akkor rossz hírem van mert a 09hez mérve a hangerőszabályzónál lévő A273D IC 13as lábán 16,8V van!
Sajnálom, hogy pillanatnyilag nem tudok osztatlan figyelmet szentelni a javításnak, de rá kell kérdezzek: a 09 és a pufferek közös pontja össze vannak kötve, mint azt a rajz megkívánja?
Természetesen ha nem volna, ne is kösd össze, előbb a 09 és 12 ponttok között 15V-ra kell állítani a feszültséget a trimmer segítségével.
Ha a 10 000mikrós pufferekre gondolsz akkor igen. össze van kötve a 09el!
Leválasszam mielőtt elkezdem állítgatni a trimmert?
Ezek szerint a készülékház nincs testen, mert onnan mérve egészen más értékekről számoltál be.
A beállítás során a korrekt eljárás a 12-es fülről leforrasztani a vezetéket, így nem kerülhet túlfeszültség az IC-kre. Az első mérést is meg kéne ismételni.
Igaz nem választottam le a 12es ről a vezetéket mert ugy nemtudok mérni mert nem indul el az egész annak hiányában , de a 09 és 12 között a trimmerrel19,0-20,0ig tudok csak szabályozni.
akorábbi mérés ismétlése: minimumnál 16,9V maxnál 18,3V
Közben előkerestem én is egy SV3000-et. A készülék alján lefotóztam egy fekete vezetéket, ami össze van kötve a puffer elkókkal. Ez ott is megvan ? Mert akkor a készülék háza is a test.
Érintkezik rendesen, vagy el van szakadva , hogy mérésnél ez nem derül ki ? Ez az előfok mellett nálad is a képen a piros csatlakozó mellett van átvezetve. A hozzászólás módosítva: Máj 6, 2015
Leköthetsz a 12-esről, attól még van tápfeszültség, ha nem is látszik a készülék működésén.
Az IC-k megengedett maximális tápfeszültsége 18V, tehát a 19V-ot nem szabad rájuk engedni.
Mint írod, a szabályzás korlátai 19 és 20V. Mérd meg testhez képest a trimmer végeinek feszültségét, abból áttekinthető mi a gondja.
Igazad van, kikerestem az adatlapját. A273D Bővebben: Link
Írják a 12V-ot, de a maximális valóban 18V. A hozzászólás módosítva: Máj 6, 2015
Az enyémen semmi ilyesmi nincs.
trimmer R08 felőli láb 14,3V
R06 felőli láb 19,95V középső 20,3V
V08nak az R02 felőli lábán 20,8V
V02 felőli lábán 8,4V középen 20,3V
Ügyesen rátapintottál a lényegre
Ez amúgy miből derül ki ,hogy rossz?
|
Bejelentkezés
Hirdetés |






Gondolom a V07-en mérted ezeket.

