Fórum témák
» Több friss téma |
Fórum » Csöves erősítő készítése
Ne feledd betartani a fórum viselkedési szabályait, és a topik megmaradásának feltételeit. [link]
A téma átmenetileg fagyasztva lett, hozzászólni nem tudsz!
Úgy vélem hogy itt is a segédrácsot stabilizálták a végcsö foglalatnál a magas anódfesz miatt szintén egy enyémmel megegyező erősítőben.
A hozzászólás módosítva: Máj 6, 2015
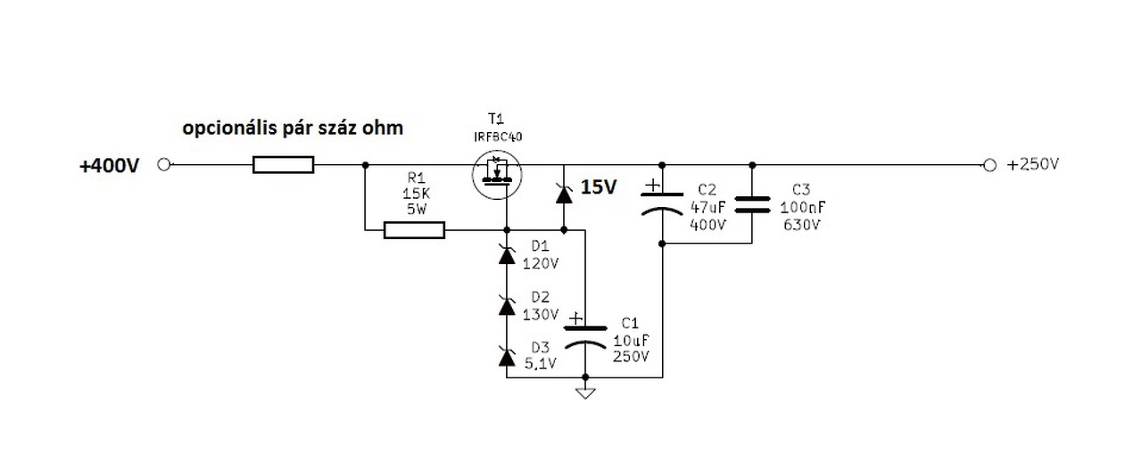
Igen, tudok. Ha estig nem linkelnek, akkor berakom ide az általunk használt rajzot. Igazából zener lánc ez is, csak meg van fejelve egy áteresztő FET-el. Ilyen nagy feszültség esetén a zenerek nem biztos, hogy bírják az áramot, ha csak nem nagyon sokat kötsz sorba. IRF840, IRFBC30 vagy 40-es FET-eket szoktunk használni, esetleg egy kisebb hűtőbordával (szigetelni kell majd mindenképpen a zászlót).
A hozzászólás módosítva: Máj 6, 2015
Kicsit pontosabban. A kimenő csak váltóáramon jelent ellenállást a csőnek, de a megszaladást általában a statikus, DC állapotok okozzák (gerjedéseket leszámítva).
Ez a kapcsolás egy nemrég elkészült erősítőben adja az EM83 varázsszem tápfeszültségét.
Ezt simán módosíthatod úgy, hogy 600V-ról stabilizáljon vissza 400V-ra. A zenerláncot kell 405V-ra beállítani (a +5V a FET-et kompenzálja). Az előtét ellenállást úgy kell megválasztani, hogy a zenerláncon max. 10mA folyhasson. Ez 200V-hoz kb. 22Kohm. A védőzenert nem biztos, hogy jól rajzoltam bele, azt értelemszerűen ültesd be. Az elejére odaraktam egy opcionális ellenállást. A kimenetre nem feltétlenül kell a 47µF-os kondi. Az IRFBC helyett viszont 800V-os FET lenne jó. A hozzászólás módosítva: Máj 6, 2015
Sziasztok!
ECL86 4 Ohmos kimenőjére rákötöttem egy 10W 33 Ohmos kerámia ellenállást védelem gyanánt. Ez így jó? Vagy csréljem ki másra?
Szerintem túl közel van a 8 ohmhoz*. Én 100 ohm alatt nem tennék, feleslegesen vesztegeted a kimenőteljesítményt (még ha csak 1-2 tized watt is). Nem kell 10W, annyit a névleges terhelésére nem tud. 2W-os elég.
Még a 4-hez is. A hozzászólás módosítva: Máj 6, 2015
Köszönöm!
Azért raktam ezt, mert ebből volt sok. 5W 100 ohm van még.
a teljesítménye végül is mindegy, köss legalább még egyet vele sorba, de az 5W 100ohm tökéletes.
Sikerült, köszönöm! Nagyon jó a kapcsolásod. 400V-on stabilizáltam a segédrácsot, a nyugalmi áramot is gyári értékre tudtam ez által állítani. Nem tudom mennyire viselte a végcsöveimet a korábbi terhelés de nem veszek észre zajokat szerencsére. Köszi!
Örülök, hogy jól sikerült!
A FET-re azért mindenképpen tegyél hűtőbordát, a TO220-as tok csak 1,5W-ot tud magában eldisszipálni.
Igen, elég forró. Szerencsére kicsit túlméreteztem a sasszit arra ha esetleg később bármi közbejönne. Így még elfért egy plusz nyák a cső fűtés áramköre mellett. Egyenlőre egy gusztusos kék PC chipset hűtőbordát tettem rá, de marad is. Nem szabom kisebbre mert szépen hűti a FET-et.
PL504 pp ha triódának van kapcsolva mekkora az illesztőellenállása? Vagyis mekkora primer ellenállású kimenőtrafó kell hozzá? Plachtovics György-féle kapcsoláson gondolkozok. A cikkben erről nem ír a szerző.
A hangzás karakterisztikája változik, az illesztés nem.
ITT van az 504-el egy szimpatikus megoldás.
Üdv én is srpp meghajtást tervezek a se 6c33 erősítőmhöz megvettem a gyári kimenőket is
HANG magyarokat meg a 500w toroidot is jól szól szerinted ez a meghajtás?
Ilyen meghajtási módot még nem használtam sajnos gyakorlatban,így nem tudom.
Pávó Ferenc féle kimenők, 6c33c PP-n várom, hogy megszólaljanak. ( kicit lasszú kínai poszta, de ingyé van)
Azért változik az illesztés is. Pl. GU50 esetében a pentódát 350V körül 3500 ohmra illesszük, triódaként pedig 2500 ohmra. Szóval csökken az optimális illesztés. Hogy mennyivel, hirtelen nem tudnám kiszámolni Pl504 PP-re.
Ez abban az esetben igaz, ha a segédrács és az anód feszültsége nem azonos. Ellenkező esetben csak a hangzás karakterisztikája változik. Nem néztem az említett kapcsolást.
Csökken a cső belső ellenállása (ra) és emiatt csökken az optimális illesztő ellenállása is (Ra). Viszont figyelembe kell venni, hogy a PL csövek segédrácsa nem szereti a nagy feszültséget, tipikusan 150-160V-ot kér és triódába kötve ez nem minden kapcsolásban teljesül.
Itt van a cikkből a kimenő tekercselése. Ebből ki lehet számolni, hogy mekkira a primer belső ellenállása? Persze nekem a szekunder 4 ohm is rossz. 8 ohmra kellene illeszteni (vagy mindkettőre) Van egy csomó ilyen PL504-es csövem jó lenne egyszer építeni belőle egy jó erősítőt. Csak a gondom a következő. Kimenőnek való vasam csak M102/52 vagy SM85B, esetleg SM102B van erre a célra. Valahogy ezekhez a vasakhoz a cikkben lévő menetszámokat át kellene számolni, hogy meg tudjam tekerni, vagy mással megtekertetni. Tud ebben segíteni valaki, hogy miként fogjak hozzá?
Ha megvan a 4 Ohmra a menetszámod, megszorzod 1.41-el és az lesz 8 Ohmra.
Leméred a vasaid oszlop-keresztmetszetét, és arányítasz. Nem lősz mellé, ha pl. az M102/52-re megtekercseled a (z RT-s) középső oszlopban számolt mennyiséget (vagy akár a 3. oszlop szerinti menetszámokat). Az ablak (tekercselési hely) mérete fontos, hogy beférjen a huzal (+szigetelés) mennyiség. Ezt kiszámolod, és amelyikbe belefér, arra a vasra tekersz. Én 0.7-0.8-as kitöltési tényezővel szoktam számolni; mindig elfértem. Az SM vasak jobb minőségűek, tehát valamivel kisebb keresztmetszethez is jók az adatok, ha az ablakba belefér.
A hozzászólás módosítva: Máj 11, 2015
SRPP akkor lesz jó, ha van utána egy, a 6c33c rácsára direktcsatolt 5687, 12BH7 esetleg ECC82 vagy hasonló, Kondo-módra. De annak a fokozatnak külön tápfeszültség kell, és szerintem nem érdemes ennyire elbonyolítani. 6e5p vagy 6e6p triódának kötve kellően lineáris, és ha közvetlenül (katódellenállás nélkül!) testre kötött katóddal még jól is szól. (A rácselőfeszítés így, bemenő kondi nélkül kicsit trükkös, de talán már betettem a kapcsolást.) És két fokozatból megvan a végfok. A toroid hálózatit szerintem kerülni kellene, ha tényleg csöves hangot szeretnétek...
Szörnyűség amit írsz. Ez legfeljebb mákdaráló meghajtásnak lesz jó. :o)))
Az SM vasak rikácsolós, mélybassz nélküli hangot adnak. Semmire sem jók. Hallottál te már rendes csöves erősítőt?
Szia!
Nekem SU vassal jól szólt ("vájtfülű" barátom szerint is!), ebből indultam ki (2 SU=1 SM? de lehet, tévedtem). Lehet, hogy ezek a mai vasak nem olyan jók, mint amik a VKI-ben voltak '75-ben. Mondjuk rendes csövest már (sk!-t) '63-ban hallgattam (a trafóit is én csináltam). Aztán a betörő tranzisztorok elcsábítottak, utána meg ~35 évet kihagytam az elektronikából. Mákdarálót a mai napig kézzel üzemeltetem. Van SU vasam, direkt ebből fogok kimenőt csinálni GU50PP-hez, EBL21PP-hez. (ha befejeztem a fiamnál a lakásfelújítást, és a házam átépítését). Szia: Kálmán
Készült egy kis 6P14P(EL84) SE retró stílusban. 6N3P a meghajtó cső. Nem lesz festve a doboz csak csiszolva lesz és trisóval megmaratva. A kimenők szép nagyok EI78-as magon 3/2 arányban osztott tekercseléssel. 4W jön ki belőle.
Szép lett, egyszerű felépítéssel! A DIN csatikat remélem csak viccnek szántad, főleg a hangszóróét.
Hihetetlen, mit tudsz alkotni, ha a kezed közé kerül pár "retro" alkatrész, meg a forrasztópáka.. Nekem tetszik, a hangszórócsatival sincs gond, ide ez illik. A régi piszkos hálózati zsinór mellett az új hangszórócsati semmit sem érne. Tetszik! A végeredményre kíváncsi leszek, remélem kapunk képeket! Szép nagyok ezek a kimenők, biztos nem mélyhiányos.
|
Bejelentkezés
Hirdetés |





Aztán a betörő tranzisztorok elcsábítottak, utána meg ~35 évet kihagytam az elektronikából. Mákdarálót a mai napig kézzel üzemeltetem. 









