Fórum témák
» Több friss téma |
Ha már a megjegyzéseknél tartunk:Bővebben: Link.
Sziasztok
Ha egy régi 250W-os számítógép tápegységét szeretném felhasználni autórádió üzemeltetésére akkor azt hogyan tegyen ? Melyik vezetékekkel tudom bekapcsolni a tápegységet ? Valahol olvastam hogy az 5V-ra mindenképpen tenni kell valami fogyasztót mert ha nem akkor baj lesz igaz ez ?
A műhelyemben, tisztán praktikussági alapon, egy autós fejegységet fogok használni. Ebben van rádió, cd, meghajt külön végfokot (lehet bömböltetni), rengeteg funkciót tud, és még sorolhatnám az előnyöket.
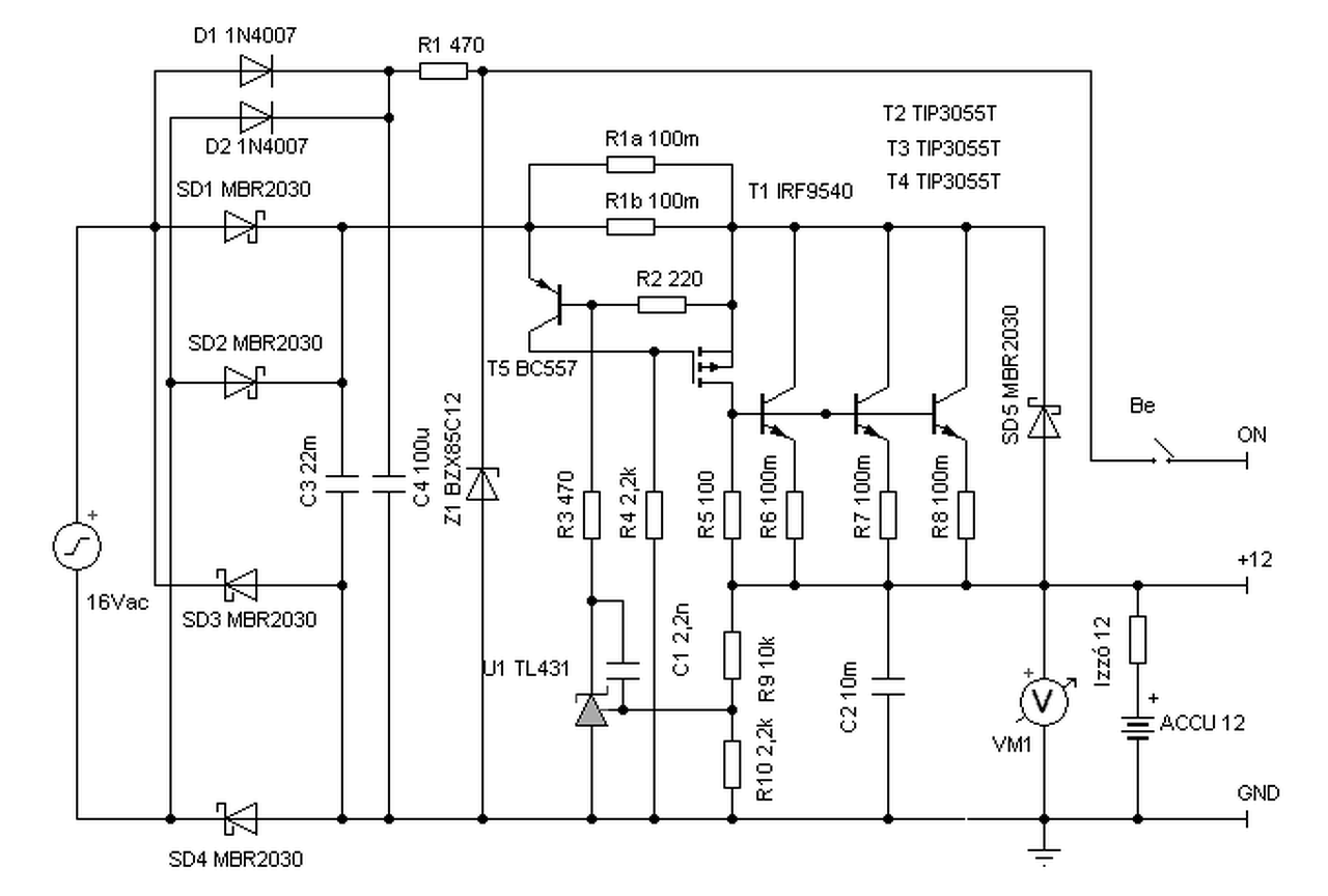
De jelentős kihívás egy ilyen készüléket korrekt körülmények között táplálni, mert kimondottan kocsiba lettek kitalálva, ahol az akkumulátor viszonylag speciális áramforrásnak tekinthető. Megkértem Proli007 fórumtársunkat, hogy találjon ki nekem valamit a probléma megoldására. Ő most is nagyon készséges volt, és remek kapcsolást tervezett. Ehhez készült egy panelterv, és az első próbákon már túl is vagyok. Az eredmény remek. A rajzon látunk egy akkumulátort, ami az én esetemben egy riasztó "mini" aksija. Ez bekapcsoláskor folyamatosan töltődik a soros izzó áramkorlátjának megfelelően. Kikapcsolás után ez adja a feszültséget a memóriák őrzéséhez. Természetesen a használata opcionális, ki is hagyható. Azért külön akkumulátor, és nem egy hálózati feszültségről táplált másodlagos áramforrás van a terven, mert a műhelyemben központi áramtalanítás van, tehát ha kikapcsolok akkor a dugaljakban sincs feszültség. Egyenlőre még nincs hűtés a félvezetőkön, de kis árammal már így is kipróbáltam, és semmilyen működési zavart nem tapasztaltam. Eltérés a rajztól, a TL431-en lévő kondit 2,2nF helyett 6,8nF-al helyettesítettem. C4 kondin van egy párhuzamos ellenállás, ami az egyértelmű és gyors kisülést segíti. A terven néhány LOMEX kód is megtalálható, de persze egy csomó egyéb alkatrész-alternatíva is használható. Értelem szerűen, a funkcióhoz igazodva, a "főtáp" mellett, egy úgynevezett kapcsoló feszültség is van, ami kikapcsolás után gyorsan megszűnik, ezzel letiltja a készüléket a pufferek kisülése előtt, elkerülve a bizonytalan működési állapotokat a fejegységben. Szinte biztos vagyok abban, több fórumozó keresett már megoldást hozzám hasonlóan, ezért jó érzéssel tudom ajánlani a mostani kapcsolást. A tényleges próbák után még vissza fogok térni a működésre de erre még várni kell egy kicsit. A hozzászólás módosítva: Okt 12, 2014
Most már hűtőbordával, de még mindig a saját trafója helyett labortápról táplálva. Ube = 20 V mellett, Uki = 13,71 V a kimeneti feszültség terheletlen kimenet esetén. Ha Iki = 4,85 A, akkor Uki = 13,68V (a panel kimeneti pontjain mérve). Ezt rendkívül jó értéknek gondolom, messze jobb mint amire szüksége lenne egy fejegységnek.
Kb. 20 perc folyamatos terhelés mellett (Iki = 4,85 A), a képen lévő passzív hűtéssel, a borda hőfoka kb. testmeleg (18°C -os műhelyben). Ez megint nagyon jó érték. Feltételezésem szerint, ha a fejegység saját erősítőjét is kihasználjuk (4x50W-ot írnak rá, de talán 4x20W körül lehet), akkor sem fog ettől nagyobb átlagterhelést produkálni. A félvezetők felfogását most már be kell látnom, kicsit túlgondoltam. Az áteresztőkre ésszerű a kengyel, de a diódákra és a meghajtóra elég lenne a saját csavarjával való lefogás is. Ártani biztosan nem fog, elfér mert a helyet eleve beterveztem neki, csak kicsit túlzóan néz ki. Nem próbáltam ki, de azon is érdemes lehet elgondolkozni, hogy a 4 diódát és a meghajtót egy lapra tenni külön, és az áteresztőknek adni egy külön bordát, akár ventilátorral megtámogatva. Még a saját trafós próba, és a fejegységgel való együttműködés tesztelése van hátra. Bízom ezek sikerében is, de azért várjuk ki a tényleges teszt eredményét.
Sziasztok!
Egy megfelelő minőségű, de perpill. felesleges autórádiót szeretnék szobai üzemre használni. ![]() A dobozban gyári tartozékként adott csatlakozót nincs szívem szétvágni, így keresnék olyan üres, kompatibilis csatlakozót, amivel csatlakoztathatnám a tápot és a hangszórókat. A kérdésem az lenne, hogy mi a neve ennek a csatinak? Hogy keressem? Köszi a válaszokat előre is.
Szia!
ISO csatlakozó autórádióhoz. De, ha magaddal viszed meg tudod mutatni.
Szia!
Erre van szükséged ISO aljzatnak hívják : Bővebben: Link A hozzászólás módosítva: Nov 18, 2014
Húú, de gyorsak voltatok! Nagyon köszi mindkettőtöknek.
![]() Kérdezek akkor még egyet "izibe'": ezzel a táppal (csatolt képek) meg fogom tudni hajtani a rádiót, ugye? A 7 amper, gondolom, elég lesz, de a 13,2 V is rendben van? Gondolom, a 12 V-os névleges gépkocsi feszültség nem 12,000000000 Volt. Tudom, ki tudnék menni az autóhoz, és pl. a szivargyújtónál megmérhetném esetleg, de itt egyszerűbb megkérdeznem - már bocsánat. ![]() Köszönöm előre is!
Nem biztos. A feszültség után van egy egyenes vonal, és alatta egy szaggatott. Ez azt szokta jelenti, hogy egyenirányított, de egyáltalán nem, vagy csak minimális mértékben szűrt a feszültség. Ezt jó lenne ellenőrizni. Persze ez nem akkora baj, csak a kimenetére tenni kell egy jelentős puffert, mondjuk 10.000 µF/25V.
Értem. Neked is köszönöm a választ.
Ellenőrizni nem tudom, hogy szűrt-e vagy sem ez a 13,2V, de ha alapból bekötök egy ilyen kondit, nyilván nem csinálok semmi bajt (és ahogy látom, pár száz Ft-ba kerül mindössze egy ilyen kondenzátor). Újabb kérdésem: hogyan tudom kideríteni a két kis csatlakozó polaritását? Elektronikai felszereléseim listája egyetlen, 1.500 Ft-os multiméterből áll. (Ja nem: vagy egy klasszikus, csehszlovák pillanatforrasztópákám is. )Köszönöm előre is a választ.
A multiméter megmondja. A vezetékeit úgy csatlakoztasd, hogy a "COM" a fekete, a "~=Ω"/"V, A, R" vagy valami hasonló a piros. Állítsd 20V feletti egyenfeszültség tartományba, kapcsold be a tápot, mérj rá. Ha a multi kijelzőjén nem jelenik meg a "-" jel, akkor helyes polaritással mérsz: piros +, fekete -, ha megjelenik, akkor fordítva.
A hozzászólás módosítva: Nov 18, 2014
Köszi!
Így már oké, nem fogom tönkre tenni a rádiót (azt tudom, hogy az a biztosítékkal ellátott betápon a pozitívat kapja meg). Köszönöm még egyszer mindkét válaszod.
A legjobb, ha belenézel a tápba, legalább kiderül, mekkora trafó van benne és milyen körítés a szekunder oldalon. Simán lehet benne puffer is, az egyenes+alatta a szaggatott vonal a DC felirat helyett használt rajzos jelzés. Kapcsoló üzemű adaptereken is használják, ott meg gáz lenne, ha nem lenne benne puffer.
A szétszedés közben meg tudod találni a + és - pontokat is és akár csinálhatsz normális kivezetést is és hanyagolhatod ezt a gyári csatlakozós részt. Mérd meg a feszültséget, főleg, ha kondit raksz rá, 16V fölé ne menj, általában ekkora pufferrel kezdődnek az autós fejegységek. Az ISO csatlakozóban adni kell +12V-ot a sárga és a piros szálra is. Az egyik az állandó, a másik a gyújtás, anélkül nem valószínű, hogy menni fog.
Köszönöm szépen!
Este belelesek, esetleg teszek föl megint fotót, hogy ugyanígy megbeszélhessük a látottakat.
Sziasztok, íme a fényképek. Mérni egyelőre még nem mértem feszültséget, és a polaritást sem derítettem ki.
A polaritással kapcsolatban azt említeném meg, hogy sajnos a NYÁK-on nem látok a csatlakozóhoz vezető kivezetéseknél erre utaló jelzést. Kérlek szépen benneteket, hogy nézzetek rá a fotókra, hogy a benne lévő kondik alapján ez egy kellően zavarszűrt feszültség lehet-e, vagy pedig szükséges még bekötnöm egy 0,01F-os kondit. Köszönöm! A hozzászólás módosítva: Nov 18, 2014
Nem kell rá kondi, mint várható volt, van benne. Sőt egy kapcsoló üzemű, szabályzott tápod van. A kivezetést azért elég könnyű lekövetni, ott az a barna, meg fehér vezeték, nem?
Igen, az a kettő megy ahhoz a speckó, menetes valamihez.
Zoli, ha megnézed a 0283 sz. képen, a ház maga műanyag, és két tüske (érintkező) áll ki belőle...
Mindegy, a multiméteremmel ki tudom deríteni már, hogy melyik a pozitív, és azt kapja meg a majd a sárga és a piros.
Köszi mindenkinek a segítséget!
Üdv.
Vásároltam egy 800 wattos autó erösìtöt, de én szobába szeretném használni, hogyan tudom megoldani a tápellátást, hogy lehetõleg minden a lehetõ legjobban mûködjön? Elméletileg csak egy trafòra, illetve egy pufferkondira van szükségem?
A korrekt megoldás minimum annyiba van, mint egy hálózatról működő erősítő, és akkor még nem is beszéltünk a veszteségekről. Egy közel 70 A-el terhelhető 13,4 V-os tápot kellene produkálni
Add el (akár áron alul), vagy cseréld el, és vegyél egy "normál" dobozos erősítőt.
Azért egy egyenirányító sem árthat
![]() Attól, hogy elvileg tudna az erőlködő 800W-ot, még nem kell 800W-on hallgatni. Egy normális, emberi méretű táppal is használható, emberi hangerőn!
Hello!
Ha csak szobában használod, akkor érdemes a belsejében megkeresni az erősítő közvetlen megtáplálásának pontjait. Oda pedig csatlakoztathatsz egy megfelelő feszültségű trafós tápegységet.
Bedobzoltam a tápegységet, és fejegységet is. A panel éppen olyan méretű, ami kényelmesen illyeszthető a fejegység szélességéhez. A trafó is és táp is képes a fejegység saját hangszóróin való folyamatos zenehallgatásra is, de nálam ez a rész egyenlőre nem lesz kihasználva, mert külön erősítőt hajtok róla.
A rádiójáról mindenképpen külön is említást kell tennem. A jól árnyékolt pincémben -mobil vétel egyáltalán nincs-, egy 60 cm-es huzaldarabbal is minden szokásos adót elérek, sőt még a nálunk nagyon kis térerővel rendelkező MuzikFM-et is (89,5 MHz). A mostani új rádióm az autóban ebben lényegesen rosszabb. A doboz teljesen célirányos, képes fogadni szinte bármilyen szabványos "1-magas' egységet. A tápegység a rádión kívül egy régi, kiszuperált, teljesen zárt akkumulátort is tölt bekapcsolt állapotában, ami kikapcsoláskor őrzi a memóriát. Nem tudni mennyire rossza az aksi, de több hónapig is képes lehet az őrzésre. Természetesn Proli007 rajza az engedélyezést is kezeli, tehát kikapcsoláskor azonnal némít, és bekapcsoláskor is csak a felállás után engedélyezi a kimenetet. Minden funkció hibátlan, praktikus a méret, jó a rádió vétel, prímán szól a CD-je. Ettől többet nem is várok el tőle.
Szuper lett,imádom ezeket a műhelyfotókat az embert már csak így képernyőn keresztül is megcsapja az ónszag!Van nekem is ilyen csak PC táppal megy meg nem ilyen szép.Azt ugyan nem kellett szünetmentesre készíteni mert volt benne gombelem.
üdv.
Segítséget kérnék, van nekem egy ilyen 12V 10A 120W HÁLÓZATI LED TÁPEGYSÉG, erre ráköthetek egy autórádiót gond nélkül?? 4db nagyobb 100w max ovál hangszóró meghajtására alkalmas???? Vagy nagyobbat kell e vennem? Rádió: Pioneer deh-3600ui Előre is köszönöm a a segítséget! A hozzászólás módosítva: Feb 22, 2015
Elvileg elég lesz hozzá. Ezekben az autórádiókban 10A-es bizti szokott lenni általában. Kb. 4x25W-ot tudnak leadni.
Szerintetetek egy ilyen táp meghajthat egy 300wattos(híd) erősítőt mélyládával?
Sziasztok!
Van egy Magnat Classic 360- as autós erősítőm és az a problémám vele, hogy egyszerűen nem tudom működésre bírni. A táp le tud adni 25A-t 12v-on. Üres járatban az erősítő csak 0,6A-t vesz fel (ezt már sikerült megmérni, ott ahol vettem). A jelenség a következő. Bekötöm a pozitív részhez a sárgát, negatívba a negatívat, a RMT-ba szintén a tápkábel pozitív része. Amikor bekapcsolom a tápot, az erősítőn felvillan a piros, és mikor a zöldnek kellene, akkor a táp kikapcsol, mintha valami zárlatos lenne. Ezt miért teszi? Az üzletbe visszavittem, és ott jól működött 12V-on. Van valakinek valami ötlete? |
Bejelentkezés
Hirdetés |













)




















