Fórum témák
» Több friss téma |
Üdv.
Ellenüemű kimenő trafó méetezésében kérnék segítségt. Magyari Béla rádiótechnikai zsebkönyv alapján számolnám, és abban szerepel lm mágneses fluxszus közepes hossza ,cm ben (506 oldal ) valamint IAo egy cső nyugalmi anódárama és Ia egy cső anód-váltakozó áramú csúcsértéke (507 oldal) ha valaki segítene azt megköszönném.
Értem, köszönöm.
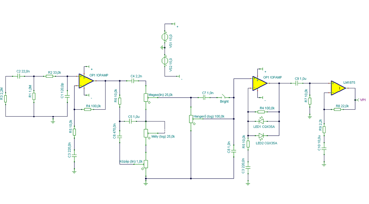
Megnéztem az LM1875 adatlapját amit Kriegger ajánlott (köszi) és lehet hogy abból építkezek. Persze akkor egy előfokkal együtt. Köszönöm Zsozsó neked is és igen kezdő vagyok még erősítők terén. Eddig csak a suliba építettünk egyet-kettőt de most már saját magam szeretnék tervezni egyet. Azért gondoltam hogy az IC-k adatlapján lévő áramkörökől indulok ki. De találtam komplett gitár erősítő kapcs. rajzot előfokkal együtt. Lehet hogy kezdésnek azt építem meg ami tuti; hogy legyen egy kis sikerélményem elsőre, aztán ráérek kisérletezgetni .Majd este vagy holnap felrakom a rajzot mert egy hangszínt is szeretnék belerakni csak nemtudom hova. Arra gondolt az előfok kimenetére raknám a végfok bemenete elé hogy a már csak a szűrt jelet erősítse. De majd feltőltöm a rajzot kíváncsi vagyok a véleményetekre.
Ne bonyoítsd el. A kimenőtranszformátor is csak egy transzformátor, ahogy a nevében van. Mivel a feszültség, áram és impedancia úgy fonódik össze mint a tér és az idő, ezért mindegy melyik szemszögéből méretezel a három közül, akármilyen képletekkel számolod is ki a végén, akármilyen hihetetlen: mindegyikre érvényes lesz. Válaszd a legegyszerűbb megoldást! Szép napot! Zs.
Egy képlet van ahoz pedig ezek az értékek kellenek csak nem tudom,hogy az Ia meg az Ia0 honnan kerül oda ez ahuzalvastagság meghatározásához kellene
Idézet: „mert egy hangszínt is szeretnék belerakni csak nem tudom hova.” Én már építettem LM1875-el és nem raktam elé csak egy 2 sávos hangszínt. Azt hiszem 23V-os volt mégis akkorát szólt "mint az ólajtó". Illetve házon belül elég hangos volt.
Bármily hihetetlen: a cső adatlapjáról (pl. Frank's electron tube). A mágneskör hossza meg a vas középvonala, ahol az erővonalak haladnak.
Túl hangosat nem akarok egyenlőre, szerintem a 20W is sok de ha annyit bír azért nem baj
.Találtam egy pár kapcs.rajzot (a mellékletben) mi a véleményetek? Mindenkinek érdekelne a véleménye, mert ez lesz az első erősítőm és szeretném ha tuti sikerélményem lenne. Az erősítővel kapcsolatban az lenne a kérdésem, hogy előerősítőnek használhatnék-e valamilyen más egyszerű műveleti erősítőt aminek kb: 8 - 10 szeresre méretezném az erősítését? Vagy van erre valami szabály vagy kitétel hogy milyen műveleti erősítőt lehet használni előerősítőnek? Pl: kis zajú, nagy bemeneti impedencia,...stb? Milyen szabályok vannak erre? A hangszínt, az előerősítő után gondoltam vagyis az 50K (Gain) potiról kapná a hangszín a bemenetet, és a végfok 2,2µF -os kondijára (végfok bemenete) menne a hangszín kimenete. Úgy ahogy van, volume -val együtt. Ez így jó lesz?
Hagyd el az erősítő rajzáról a hangerő potit és annak a helyére tedd be a hangszínt. Annak a kimenetén ott van a hangerő szabályzó is és ott van jó helyen.
Az LF351, LF356 jó lesz az elejére. (Az erősítő rajzán az 50k -s poti nem Gain, hanem Volume szabályzó.) A hozzászólás módosítva: Máj 23, 2015
20w elég sok tud lenni ha normális megjelenítőre kötöd.
Nekem van 0.5Wattos erősítőm, meg 2.5wattos full csöves, ami bezengi a szobát. A hozzászólás módosítva: Máj 23, 2015
A végfokozat vagy az előfokozat (esetleg mindkettő) mély átvitelét is csökkentheted, 50-100Hz @-3dB szerintem teljesen kultúrált szóló gitár erősítésére, normál hangolásban a mély E-húr 80Hz környékén van, alatta teljesen felesleges erősíteni jelentősen, csak a test dübörgését erősíted jobban fel. Némi aluláteresztés sem ártana, felesleges ekkora sávszélességekkel dolgozni, egy átlag gitár tányér 5-6kHz-en már hatalmasat csillapít amúgy is. Egy plussz műveleti erősítős fokozat nem ártana a hangszín köröd után, amit úgy építs be, ahogy Steelbird írja, tehát opa - hangszín - opa, végfokozat. A második opa a hangszín csillapítását is képes kompenzálni, másrészt a kimenete kis impedanciás, jobban szeretne az az LM egy néhány 10kOhm lezáró ellenállást a bemenetén, jobbat tesz az offszetnek. A bemeneten a 470nanó kicsit túlzásnak tűnik 1Mohmra, 22nF bőven elég. A bemeneti csatoló bemenet felőli lebegő végét is húzd le egy 2,2MOhmmal mondjuk a földre. Ha megnézel egy fenderes tisztát pl csövesben, az tonális DNS-ét simán leutánozhatod, két lineáris freki átvitelű fokozat közé a hangszínkör, aztán meg a végfokozat, ahogy fentebb is említettem és javasoltuk. Ilyesmi...elég jól ki lehetne ezt matekozni, némi limitálás is elférne a végfokozat elé, csak úgy finomam...A lehetőségek határtalanok! Zs.
Értem, köszi.
Gránátalma: 20W-ot csak nagyjából gondoltam hogy annyi biztos elég lesz. Szomszédok nincsenek, úgyhogy lehet pengetni ezerrel .Csöves erősítőt is szeretnék majd építeni de azt majd azért később. Az erősítő rajzán a hangszóró 8 Ohm -os de nekem csak 4 Ohm -os (300W) van. Mennyiben befolyásolhatja ez az áramkört? Mármint akkor duplája lesz a kimeneti áram, vagy van áramkorlát az IC-ben? Az IC adatlapján 4-8Ohm van a hangszórón jelölve, de egy 1 Ohm -os ellenállás és egy 220nF -os kondi van párhuzamosan kötve a hangszóróval. Az adatlap szerint csináljam, vagy a kapcs.rajz szerint amit feltöltöttem?
Ezt dobtam gyorsan össze, én így csinálnám, a második fokozatban kicsit lágyan limitálok is, erősebb odacsapásoknál kcisit gömbölyítem a jelet. Most színházba megyek, de este a végfokozatot átvariálom kcisit úgy, hoyg legyen benne egy kis hangszóró impedanciával arányos visszacsatolás is, így kicsit nagyobb lesz a kimeneti ellenállás, úgy reagál a terhelésre, mint ahogy a csöves csinálja (hatásilag...nem ugyanaz persze..)A kimeneti zoebel tagot lehagyhatod, ha rendes gitár ládára kötöd, az nem komplex terhelés az IC-nek. Egyelőre így hirtelenjében ennyi! Szép napot! Zs.
A hozzászólás módosítva: Máj 23, 2015
Úgy érted hogy a hangszín után rakjak még egy ugyanolyan erősítőt mint az előerősítő? A többit értem, köszönöm.
A ledek helyett a limitnél lehet hogy inkább 2-2Si dióda (pl 4148) kellene, ezt úgy kéne belőni, hogy a végfok IC még épp ki tudja rajzolni a kimenetén a legömbölyített jelet, de ez már csak finomhangolás (alkatrész értékek) kérdése. R7 legyen inkább 22k, az offszet miatt helyesebbnek tűnik ,csak kapkodtam kicsit...
Egy ilyen sémával nem nagyon lősz mellé rendes gitár ládán ez szól akkorát, hogy soha nem tekered ki szobában...Továbbá, ha 4Ohmon hazsnálod, elég lesz a végfoknak is a +/-15V szerintem. Ne feledkezz meg egy jó hangszóró védő áramkörröl sem! Zs. A hozzászólás módosítva: Máj 23, 2015
Rendben, köszi minden segítséget. Befejezem a rajzomat és felrakom hogy mi a véleményetek, vagy mit finomítsak még rajta.
Annyival kiegészítenélek, hogy az EQ után célszerű egy olyan buffer fokozatot építeni, amivel erősítést is lehet végezni, olyan 15-20dB-ig, így még vagányabb hangokat lehet kihozni belőle.
Pl mxr micro amp, elég egyszerű kapcsolás, nullás poti állásnál 1:1 az ávitele, nem színez, ha meg feltekered 26dB-t erősít. Én ezzel csatolom a gitár jelet a pedál boardomra, illetve onnan ki, az előfok után is van egy, a send kör előtt. Sose lehet tudni...
Az EQ utáni fokozatot is írta, pár hsz -szel előrébb.
Tudom, elolvastam. Én azt írtam, hogy egy olyan fokozatot, ami nem csak 1:1 es átvitelt tud, hanem szabályozható erősítése van, mint pld az mxr micro amp.
Most már egy kicsit kezdek bezavarodni mennyi mindennel kell kiegészíteni a jó hangzás érdekében.
Ha segítenétek összerakni egy olyan rajzot amiben van egy előfok, 3 sávos hangszín, végfok és torzító nélkül szép tiszta hangja legyen azt nagyon megköszönném. Nem feltétlen ragaszkodom a 20W -hoz, lehet 14W is. Torzítóval kapcsolatban valami olyasmit szeretnék építeni, ami jó mélyen torzít az E húr tompított pengetésénél (Metallica, Megadeth ...stb stílus) esetleg ha olyan Doom metálos hangzása lenne az nagyon jó lenne .Már egy pár napja nézegetem a rajzokat meg az IC -k adatlapját, de még mindig nem találtam megfelelőt. A suliban az offsetet egy trimmerrel lőttük be a lehető legközelebb a 0 -hoz, de nem tudom hogy a gitárnál mennyire számít ez. A gitár dupla humbucker -es, ha esetleg számít valamit az erősítő vagy a torzító építésében. A hozzászólás módosítva: Máj 23, 2015
Ha mély torzítást akarsz építs egy ts808-at viszonylag alacsony gain beállításokkal, meg hozzá egy sima ts9-et ami meg emeli a jelszintet.
A ts808 tompa mély distortion hangot ad, a ts9 meg meglöki az érzékenységedet, meg a jelszintedet. én ezzel állítom elő a durvább mélyebb torzításomat, ha tiszta csatornára tolom a gitáromat. Rengeteg dolog kell egy jó stabil erősítőbe... lsd: Bővebben: Link Legjobb ha keresel egy neked tetsző előfokot, amit aztán összekapcsolsz egy bufferelt hangszín körrel és hozzácsatolod egy lineáris végfokhoz, amiről levágod a 80Hz alatti cuccokat, meg a 10kHz feletti cuccokat kb. Pl: Bővebben: Link Itt a kics csöves pedált megépítettemmarha jó hangja van.marha hangos, ehhez ha teszel még egy ts808-at, utána, simán metál hangzásod lesz. Az egy ekhte előfok. Valami ilyesmi fog belőle kijönni:Bővebben: Link A hozzászólás módosítva: Máj 23, 2015
Sokkal egyszerűbbet javaslok. Én megcsináltam gyakorolni. A végfok IC-t LM386- ra váltottam ki. 6 voltról akkorát szól, hogy a család a másik szobába zavar vele. 2 db 0,5 wattos hangszórón szól.Bővebben: Link Az a baj, hogy a végén semmi nem készül el, annyira bonyolultat néz be az ember.
Amit belinkeltél az nagyon ott van. Erre majd talán egy év múlva vissza térek ha már szakmailag is elérek egy magasabb szintet
.A ts808 viszont tetszik. Melyikre gondoltál, mert két típus is van belőle (Original, Truebypass)? A ts9 melyik? (Tubescreamer vagy Offboard Wiring)? Kezdésnek még ezeket bevállalnám.
Na az utolsó linken lévő hangzás az nagyon állat. Valami ilyesmire gondoltam
.szendi001: Köszi, átnézegetem a rajzot de egy picit nagyobb teljesítményűre gondoltam de lehet kezdésnek elsőre ez is jó lesz a sikerélményhez.
Amiket te sorolsz azok az effektív megvalósítások.
TS808 van digitális kapcsolású, illetve true bypassos. én az utóbbit preferálom mindenből, hogy ne kelljen a fetes kapcsoló áramkörrel bíbelődni, plusz jobban szeretem a fizikális leválasztást, egy esetleges meghibásodás esetén nem kell kihidalnom a rossz pedált, csak kikapcsolni és már ott sincs... ts9 és a ts808 között az a variáns, hogy másfajta félvezetővel torzít, ezáltal a hangkép is más. A ts808 limitáltabb, mélyebb, lomhább torzabb hangot ad. a ts9 meg olyan középkiemelt (orrhangú) éles hirtelen meginduló csöves csilingelős hangot ad. az offboard meg azt jelenti, hogy panel nélkül építik meg, légszerelve. Én a modolt változatot ajánlom, ami 3az egyben, ts9, ts9-mod és ts808 kapcsolóval váltható. Vagy az OCD-t ajánlom még, ha hozzáteszel egy buffert az is jó előfoknak is, magas a kimenete. Bővebben: Link A hozzászólás módosítva: Máj 23, 2015
Hát ez már nem az igazi, egy kicsit rock&roll -os bár amikor feltekeri a drive-t akkor nem rossz de az előző jobb volt.
Hogy érted a buffert? Ezt nem értem.
A hangszínt most építem egy külön próba panelre.
Rendben. Ha kész és tesztelted majd írd meg a véleményed. Az erősítő rajzához mit szólsz?
A helyzet az hogy már egy hete ígérem a fiúknak hogy bemutatom a művet. DE: nem tudok hangmintát készíteni mert a kamera mikrofonja nem hajlandó visszaadni azt a hangot amit kellene, de majd megoldom valahogy.
Na a hangszínt leteszteltem gitárról és torzítóról. Nem rossz, de mintha a középsávot elég szűken venné.
|
Bejelentkezés
Hirdetés |





.






