Fórum témák
» Több friss téma |
Mielőtt kérdezel, a következő két dolgot ellenőrizd!
I. A helyes tápfeszültségek megléte.
II. A kimeneten van-e egyenfeszültség.
Élesztés.
Szia! Olyan érzésem van, hogy szimmetrikus clippeléshez féltáptól lejjebb kéne vinni a nyugalmi drain feszültséget. Például 15 ohm hangszóróhoz és 15 ohm munkaellenálláshoz Ut/3-at választanék. Mondjuk 1-2W ígyis-úgyis megfogja a szinuszos kivezérelhetőséget.
AZ IRFP úgy *** rossz!ahogy van
. Nem tudom hogy ebből az A FET es kapcsolásból ki lehet e valamit hozni? A hozzászólás módosítva: Máj 25, 2015
Mekkora a tápfeszültséged, milyen IRFP-d van, hány ohm a munkaellenállásod és hány ohm-os hangszóró lenne rákötve? Begépelem áramkörszimulátorba és rögvest meglátjuk
Minden esetre működik, ha lesznek pontos adatok megnézem mit lehet kihozni belőle.
Jó reggelt
![]() (24V váltóból) 34V az üresjárati feszültség. Vagy 17V, úgy nem melegszik annyira. Van 2 IRFP 240 em, meg 2SK 1058 am. A hangsugárzó névleges impedanciája 8 OHM. A munkaellenállás 15 OHM. Kisérleteztem az ellenállás mellett az oroszoktól ellesett izzóval, jópofa... Most megpróbálom egy NE5532 vel meghajtani hátha kevés a bemeneti feszültség... Az áram az IRFP esetén 0.95, a 2SK esetén 1.12...mégis az IRFP szól nagyobbat, de rondábban
Az áramfelvételt mekkora tápfeszültségnél mérted? A nyugalmi drain feszültség beállításához a terhelés alatti tápfeszültséggel kéne számolnom.
A nyugalmi tápfesz 34,2 ami terhelésre 32,9 re esik (IRFP) A D-S itt 16V
33V tápnál a drain feszültséget 9V-ra csökkentve az IRFP-ből 3W nyúzható ki 10% torzítás mellett a szimulátor szerint. Az SK-hoz nincs makróm, de annak is 8-9V-os beállítást javaslok, várhatóan kevésbé fog torzítani.
Ez szomorú, tudtam én hogy ez bukott project, gondoltam ha 10-15 W elmegy a FET en akkor a jó hatékonyság miatt 10W marad a hangra ha jól ki van hajtva... Ezek szerint nem
Ez egy szemléltető kapcsolás, nem használati célt szolgál. Ha megszólalt, eredményt értél el
Vannak akik ezt rendesen bedobozolják, előfokot raknak elé. Kellene egy használható FET es kapcsolás (aminek a vége FET, és kihasználja az előnyeit)
Gyártósoron van egy LM3875, azal nem lesz gond A hozzászólás módosítva: Máj 25, 2015
Csak a 2SK1058-cal van esélyed normál hangminőségre, a teljesítmény korlátok viszont itt is adottak. A 2-3W szobában kényelmesen elegendő teljesítmény.
Állítsd be a javaslatom szerint!
Tina-val készült.
A hozzászólás módosítva: Máj 25, 2015
Üdv. Köszönöm a linkeket. Értem. Olyan fokozatok vezérlődnek túl nagy jelváltozásnál, amik alacsony frekis szinusznál még szépen teszik a dolgukat. Volt olyan gondolatom korábban, hogy a globális visszacsatolásból az alacsony határfrekvenciájú egységnyi erősítésű nagyáramú fokozatot ki kellene kerülni a hangfrekis sáv felett, így nem késne akkorát a kimenetről visszacsatolt jel. Viszont ekkor a nagyáramú fokozatnak szépen kellene dolgoznia. Megmaradhatna a nagyobb sávszélesség.
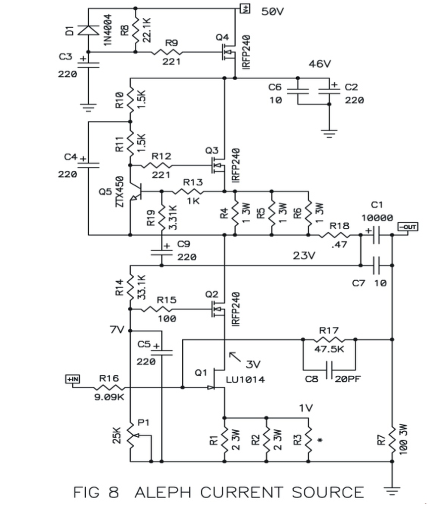
Üdv. Ha sikerül szerezni powerjfet-et, akkor itt egy Nelson Pass féle kapcsolás. Én régi asus pc alaplapból guberáltam LD1010D-ket, ami nagyon hasonló az LU1014-hez. Ez fölé azért kell kaszkódba az IRFP, mert csak 25 V-ot lehetne rákapcsolni. A második és a harmadik IRFP az áramgenerátor és a táp stabilizáló, hiszen ekkora áramnál nagyon nehéz a búgást kiszűrni. Csak az a baj vele, hogy akár egy főzőlapot is megmelegít, igy nyugottan megfő rajta a tea.
Áramgenerátorral a Drain körben sokkal jobb a kapcsolás, de kb. 2A -t kellene beállítani nyugalmi áramnak, ami az áramgenerátoron is, meg a végtranzisztoron is kb. 24-24W teljesítményveszteség, pár W kimenő teljesítményért, ráadásul 2-3% torzítás alatt nem úszod meg IRFP -vel.
2SK- val 1% körül lesz a torzítás.
Steelbird kolléga kisegített a 2SK1058 makrójával, bizony oda a jelerősítés az IRFP-hez képest. Egy source ellenállással próbáltam menteni a menthetetlen torzítást, az eredményt csatolom (1kHz-en 4%).
reloop, Tudnál nekem segiteni ? Ő pontossan mekkora is lehetett??
A hozzászólás módosítva: Máj 25, 2015
Szia! A kondikon 63V feszültségtűrést látok, 2-300W-os lehet. Nagy áldozatot nem hoznék a javítása érdekében.
Köszönöm. És igen a kondik 63v osak. 300w ot ha tudná 8 ohmon az már tökéletes lenne a tranyok adatlapja. azt irja 140v az üzem feszkó. az 2*70v.
A megengedett tápfeszültség 8 ohm-on csak 150-200W-ot tesz lehetővé.
Áramgenerátorral 1kHz -en 1,5% THD mellett 3W -ig sikerült feltornázni. De már 2,3A a nyugalmi áram.
![]() @simongab: Egy próbát megér, ha nem gond az a kb 55W hőmennyiség, amit az egész termel. Két végfoknál az már több, mint 100W hő, 2x3W kimenőteljesítményért. Jó hatásfok.
Ezek az egytranzisztoros erősítő téma képei. Több helyen is felbukkan a szóban forgó kapcsolás, a hozzászólásokból árnyalt kép rajzolódik ki.
Igen, ismerem a kapcsolást. Szerintem áramgenerátorral lehet a legtöbbet kihozni belőle. Egyébként nagyon hamar torzít.
Esetleg ha át kondiznám 100v os kondikra. Többet kilehetne hozni belőle? Diodák 250v ot birnak. Meghajto tranyok is 150-200v ot birják.
Köszönöm a segítséget FET ügyben, majd még visszatérünk rá...
A végtranzisztorok feszültségtűrése komoly gát a 8 ohm-ra leadható teljesítménynek. Az áramkör működését sem ismerjük, van fent kép a forrasztási oldaláról? Ha arra kerülne sor vissza tudod rajzolni a kapcsolást?
Igen van pillanat és teszek is fel.
|
Bejelentkezés
Hirdetés |




. Nem tudom hogy ebből az A FET es kapcsolásból ki lehet e valamit hozni?


















