Fórum témák
» Több friss téma |
Az Y és X kondik, kimondottan hálózati üzemre készülnek. Az Y-t a hálózat és GND közé, míg az X-et a hálózat két pontja közé ajánlják. A lényeg a megerősített szigetelő réteg, tűzállóság és az öngyógyuló kivitel, mely átütés esetén nem megy át zárlatba, hanem inkább "elgőzölög" a vezető réteg..
Arra gondoltam, amit én raktam fel, de nem a sajátom az sem. A PA-elektronika oldalán találtam, csak a biztosítékot és a nagyobb méretű kondihoz igazítottam a nyákot. Elég szomorú, hogy egy ilyen komoly hibával megáldott terv van fent.
A hozzászólás módosítva: Ápr 19, 2015
Ennek a hozzászólásnak a középső harmadában írok erről néhány sort.
Egyszerűen csak arról van szó, hogy a hálózati feszültség átüthet a közel lévő vezetősávok között. Ha ez itt megtörténik, akkor sem fog életveszélyes helyzetet teremteni, csak elolvaszthat biztosítékot vagy leveri az automatát. A hozzászólás módosítva: Ápr 19, 2015
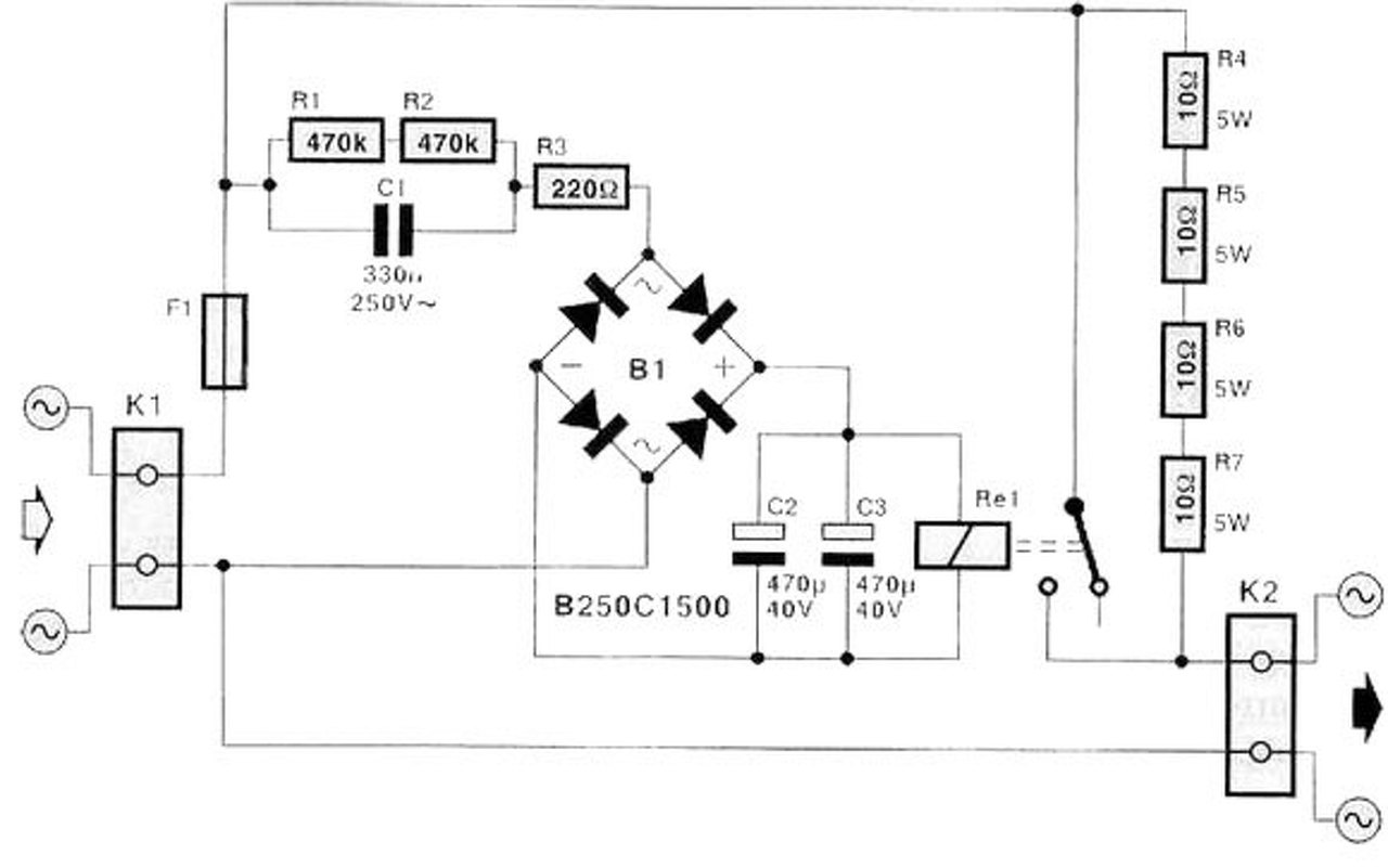
Üdv! Egy meglehetősen spártai lágyindítót leltem a neten. Azoknak ajánlom, akik szeretnek gyorsan túllenni problémákon. A hozzá való történet ITT
Az izzók 230V/28W halogén. A hozzászólás módosítva: Ápr 21, 2015
Hali. A fent említett géphez (vagy bármely más szénkefés vagy szénkefe nelküli pl: 1600 W porszívó,2000 W 230 orosz flex) szeretnék lágyindítót csinálni. Láttam itt megoldást de valami gyors egyszerű cucc kellene.
Tudnátok ebben segíteni? Előre is köszi.
Bővebben: Link
Én hasonlót csináltam nagy torodihoz, teljesen jó. De flexhez csak úgy tudod, megoldani, hogy ha csinálsz egy hosszabbító szerűséget és egy pici dobozba beépíted. Gyárilag a lágyindítóval ellátott flexben egy motorvédő ic van ami tudja ezt a funkciót viszont nem olcsó.
Sziasztok.
Megépítettem ezt a kapcsolást, de rossz akatrészt rendeltem. 0,33nF helyett 0,47nF-s kondit vásároltam. Mekkora probléma ha azt építem be? Illetve mekkora biztosítékot kell használnom, vagy hogyan számolhatom ki?
Üdv!
A biztosíték értékét a táplálandó erősítő igénye szerint kell megválasztani, általában lomha kivitelt használnak a pufferelkók miatt. A 470nF-al sincs különösebb probléma, valamennyivel kevesebb lesz a relé késleltetése. Ha ezt nyújtani szeretnéd, a 220 Ohmos soros ellenállást növeld meg 270-330 Ohmra.
Közben találtam egy 0,33nF-os kondit egy PC tápban. Az erősítőt egy 320W-os toroid látja el delejjel, amiről jó ha 180W-200W teljesítményt akasztok le. Én egy T4A-es biztire gondoltam.
Én 1.6-ra...
Hmmm... Akkor kap T2A-t, mert az a le kissebb ami van itthon.
Na jó, nem bánom...
Jajj... Még annyi lenne a kérdésem, hogy van a lágyindító előtt egy EMI filter panel, ami 3,15-el van biztosítva... Nem lesz problémám belőle hogy "agyon" lesz biztosítva?
Nem hát. A filterét, vagy a lágyindítóét rövidrezárod és viola...
![]() Felesleges kettő. A kisebbik biztit hagyd élni. A hozzászólás módosítva: Jún 20, 2015
Akkor a filterét zárom rövidre.
Inkább azt hagyd meg, ami a betáphoz legközelebb van..
sziasztok!
Azt a kapcsolást, ami itt a cikkek között van, meg lehet építeni 12V-os relével (ez van itthon)? Tudom akkor az ellenállásokkal és/vagy a kondival kell variálni, de milyen mértékben? Így nem fog sokat disszipálni az ellenálláson? Esetleg nagyobb teljesítményűre kell cserélni?
Melyik az? A kondenzátor határozza mag a feszültséget, áramot, azt kell átszámolni a relé áramához.
erről lenne szó.
Két hét múlva lesznek 24V-os reléim is.
Sziasztok!
egy 3kW-os Toroid trafóhoz (Trakis TD3001) keresek egy lágyindító megoldást, van valakinek javaslata? Két évvel ezelőtt vettem valakitől egy lágyindító áramkört amiben volt Triac, diac, relé, stb. de két év után a 3 db teljesítmény ellenállás elfüstölt, illetve a szigetelő a vezetékeiken füstöltek el. 1800 Watt a legnagyobb teljesítményű fogyasztó amit rákötök, de persze előbb mindig a trafót kapcsolom be és 5-10 másodperccel később a fogyasztót. Így sem bírta a lágyindító 2 évnél tovább. A három db. ellenállást kitudnám rajta cserélni, de valószínű, hogy más alkatrész is galyra mehetett.
Egy picit visszaolvasva Alkotó nemrég töltött fel nyáktervet, ami ha jól tudom Skori elgondolása alapján készült. Az jó lehet, szerintem.
Vettem egy neten árult triakos (relé nélküli) lágyindító áramkört amit 3 kW-ra garantált a készítője, sajnos nem működik és a készítője illetve akitől vettem le se sz@r, úgyhogy most ott állok, hogy vagy ugrott 5000 Ft-om vagy esetleg megpróbálok rá jönni, hogy mi a hiba:
- méretezés vagy - tervezés vagy -alkatrész vagy - forrasztás Az alap probléma az, hogy a triak nem kapcsol be ezért a teljesítmény ellenállásokon keresztül kapja bekapcsolás után is a toroid trafó és az arra rákötött robotgép a feszültséget és emiatt a robotgép is csak terhelés nélkül tud forogni és a teljesítmény ellenállások is nagyon melegednek. (először csak a trafót kapcsolom be és csak utána 5-10 másodpercel később kapcsolnám be a fogyasztót.) Arra kellene rájönni, hogy a triak miért nem kapcsol be és veszi át a vezetést az ellenállásoktól. Ebben tudna valaki segíteni? Kapcsolási rajzot (természetesen) a készítője nem adott hozzá de képekkel tudok szolgálni a nyáklap mindkét oldaláról, sőtt egy rajzot is készítettem a nyáklap alsó oldaláról a forrasztó pontokkal, de a komponensek nincsenek berajzolva: https://tinyurl.com/nlptwdq A hozzászólás módosítva: Szept 18, 2015
Szia! Ez bizony egy hibás kapcsolás
El sem tudom képzelni mi járt a szerző fejében.
Én ezt használnám a helyedben.
Idézet: A két ellenállatot még használhatod belőle.„ugrott 5000 Ft-om”
Konkrétan hol látsz hibát vagy hibákat a kapcsolásban?
Én nem vagyok elektronikai szakember, csak nagyon minimális amihez értek ilyen téren, ma megnéztem a triak működési elméletét a neten és láttam, hogy van egy vezérlő áramköre amire pluszos és negatív feszültséget is kaphat, próbáltam a nyáklap rajzomból kifigurálni, hogy hogyan kapja a vezérlő jelet, de feladtam. Lehet, hogy azért nem jöttem rá mert itt is van egy hiba vagy máshol vannak a hibák?
ismerem ezt a kapcsolást, Skorié ha jól emlékszem, biztosan jó, mert sokan esküsznek rá, de egy, ez nem 3 kW-ra van tervezve, és nem csak az ellenállásokat kell változtani hanem a relét is és még ki tudja mit (én nem), de a fő probléma, hogy én nem vagyok felszerelve nyáklap készítésére, és anélkül bajos lenne a dolog. Vagy tudsz valakit aki árul ehhez az áramkörhöz már kész nyáklapot? (3 kW-ra is jó nyák lapot?) Mert ha az meglenne, magam is betudnám a komponenseket forrasztani.
Elég jól kivehető, hogy a kondenzátoros áramkör semmilyen kapcsolatban sincs a triak gyújtásával.
reloop, köszi a rajzot, ez nagy segítség nekem ahhoz, hogy jobban értsem az egészet, valóban úgy látszik, hogy nincs közük egymáshoz, gondolom, hogy az általam rajzolt nyáklap alapján rajzoltad vissza ezt az áramkört, lehetséges, hogy valamit én rajzoltam félre a nyák fotója alapján és lehet, hogy van egy szakadás a valódi nyákon ahol a rajzomon nincs vagy fordítva?
Vagyis inkább úgy értem a kérdésem, hogy a kondis áramkör önmagában egy jó áramkör és a diac-triacos áramkör szintén jó (persze nem teljes), vagy ha még a kondis rész passzolva is lenne a diac-triac körhöz a rendszer más szempontból is hibás? Vagyis mi a verdict: ez egy jó kapcsolás hibásan megrajzolva, vagy semmi értelme az egésznek? (Egyébként a készítője azt írta nekem, hogy villamosmérnök.) |
Bejelentkezés
Hirdetés |






El sem tudom képzelni mi járt a szerző fejében. 

