Fórum témák
» Több friss téma |
Mielőtt kérdezel, a következő két dolgot ellenőrizd!
I. A helyes tápfeszültségek megléte.
II. A kimeneten van-e egyenfeszültség.
Élesztés.
Zsír, köszi!!
Hi!
Szereztem egy-ket germaniun vegtranzisztort (allitolag lagyabb hangzasu erosito epitheto beloluk). A kerdesem a digitalis multimeteren levo tranzisztor teszterrel le tudom ellenorizni a Beta ertekeket vagy csak siliciun tranzisztorokhoz jok ezek a tesztelok?
A teszternek mindegy. Igazán 'munka' közben (ill. többpontú mérés) lehetne meggyőződni, mennyire öregedtek el.
EZ milyen értékű R1 : 160 m=0.160 ohm?
Igen, ha kis m, akkor milliOhm. Ha nagy M, akkor MegaOhm.
Szia! Nagy reményeket ne fűzz az előállítható hanghoz, ha lenne benne fantázia máig gyártanák
Tanácsotokat és segítségeteket szeretném kérni! Építek egy Quadot és a 0,1 ohmos ellenállásom nem akar elférni a PCB- n. Gondoltam letöröm a kerámia bevonatot az 5 w -os ellenállásról. Így király lenne de nem tudom, hogy a bevonat eltávolítása milyen problémát okozhat? És későbbiekben az erősítő terhelésekor nem - e meghibásodhat? Segítséget előre köszönöm ! elektrik.
Hajlítsd vissza az ellenállás egyik lábát vissza, és állítva ültesd be. De ne koppanásig.
A képen látható erősítő kapcsolásból hogyan tudok két fokozatú erősítőt csinálni?
Szia! A világháló tele van kapcsolási rajzokkal. Indokold meg miért pont ebből szeretnél kétfokozatú erősítőt faragni?
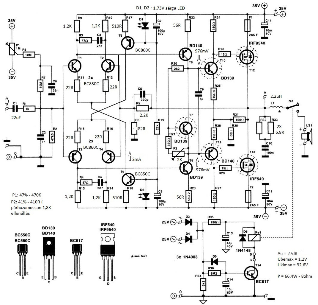
Üdv! A mellékelt erősítőnek, 100mA tápágankénti nyugalmi áram jó? Most még csak szimulációban tesztelgetem, nincs megépítve.
Köszi!
Szia!
Az nagyjából jó érték, de ebből mennyi a fetek árama?
3,72mA és 78uA a fetek árama. A negatív ágban lévőnek, pár mV- al nagyobb a Gate feszültsége, de ennél jobban nem tudtam beállítani a szinteltolót.
A hozzászólás módosítva: Jún 25, 2015
Üdvözlet Fórumtársak!
Egy kis erősítőre lenne szükségem, 5-10 watt A osztályban elég lenne. Az alábbi kapcsolást több oldalon is megtaláltam. Skicceltem hozzá egy nyákot, pár átkötéssel. Életképes lehet? Köszönöm!
Sziasztok
Nemrég vettem ezt az erősítő modult. Esetleg valaki ráismer? Esetleg egy kapcsolási rajz valakinek? Köszönöm válaszotokat
A V3 és V4 igazából egy led. Ha kiveszem az R19 et akkor nem nyitnat ki.
Ó már mindjárt másabb
. De ha led van ott akkor az kell oda. Így 34mA az áramfelvétel.
Tegyél be áramérzékelőket a végfetek drain körébe. Ha szinuszt kap a bemenetén, akkor nagyon szépen lehet látni a hullámformán a keresztezési torzítás hatását.
A szimulációban használhatod ezt a megoldást is, de ez nagyon körülményes. Szimulátorban egyszerűbb egy feszgenerátort bekötni a T10 és a köré épített komplexum helyett.
Azon az 1k-s R19-en baromi nagy áram folyik, teljesen feleslegesen. Legyen mondjuk 22k, arra még egy jobb LED világít és a két áramgenerátor tranyónak is lesz bázisárama.
Nekem gyanus hogy ez PA300, csak nem az a védelem van hozzá, amit általában melléraknak, meg más a panel elrendezése.
Maga az R19 értéke sem ilyen a rajzon, a LED zokon is venné.
A végtranyók drain áramát állítsd 100mA-re! Szerk.: kicsit elkéstem a küldésre kattintással. A hozzászólás módosítva: Jún 25, 2015
Bakker, észre sem vettem. Nem tudom hogy lett az akkora
. Hogyan állítsam? Ha a szinteltolóval csinálom, akkor eltérő lesz a gate feszültség.
Az a baj hogy nincsen oszcilloszkópom. Azért próbálok szimulátoron meghatározni egy hozzávetőleges értéket.
A P és N csatornás MOSFET-ek Ugs-e azonos áram mellett természetes eltérő, elég az adatlapra tekintened.
A rajzzal kapcsolatban vannak fenntartásaim, ez például épp az egyik.
Van a Tinában led is, miért nem azt teszel bele, ahogy a rajzon van?
Mert akkora nyitófeszültségüt akarok használni, ami van nekem. Ott meg ha módosítom az értékét, néha megbolondul a tina.
Mondjad csak nyugodtan, hogy mik azok
. Még nincs megépítve, szóval tudok módosítani. A source körbe nem lehetne tenni egy áramfigyelő ellenállást? Ha meglódulna a drain áram akkor a vezérlö jelet elvezesse.
Hát eléggé különbözik a karakterisztikájuk
karakterisztikájuk. A meghajtó áramkör ezt hogy tudja garantálni hogy szimmetrikus legyen a két fél? |
Bejelentkezés
Hirdetés |














. De ha led van ott akkor az kell oda. Így 34mA az áramfelvétel. 



