Fórum témák
» Több friss téma |
Fórum » Csöves erősítő készítése
Ne feledd betartani a fórum viselkedési szabályait, és a topik megmaradásának feltételeit. [link]
A téma átmenetileg fagyasztva lett, hozzászólni nem tudsz!
Most sajna nem tudom, csak telefonról (6,3 colos), de jól látszódik az összes képed
A hozzászólás módosítva: Júl 4, 2015
Az új sem roszabb mint a régi, és még a 6Sz19P PP nincs is kész.
Tényleg nem jó. Az a legrosszabb benne, hogy könnyen módosítható.
Imi nekem ez màr a sok kategòriàba megy àt. Nem illenek össze a szinek és formàk , veszélyes ha kettőnél több szint hasznàlunk, .
Énis adnék pozitív szavazatot azokon kívül akik lepontoztak a kérdésem kapcsán, de a tiédre pozitív minősítést adtak. Szerintük nem illik ide. A válaszod viszont a számukra meggyőző. A kérdésem, feltételezésem is helytálló volt akkor, amire Cirkol a "fejét a falba verte" válaszában. - ittmeg pozitívan értékelte.
Ki-érti-ezt. Kicsit elvonatkoztathatnátok az elektronikától, nemmindenki csak azért vanitt, mert kiszeretné használni a fórumban jelenlévő hozzáértő embereket. Egyszerűen csak szeret ittlenni, és beszélgetni a témában, -ról. ON A hozzászólás módosítva: Júl 4, 2015
Ez igaz. Egy "szelídebb" szín jobban állt volna neki. Ha árnyalataiban közelebb állnak egymáshoz a színek, akár többféle is lehet.
A GU50 nekem jobban tetszett, az a mai ízlésvilágba jobban beillik. Ez inkább retrósra sikerült, mint valami régi rádió az 50-es évekből vagy ilyesmi. De azért szép a maga módján kicsit megosztóbb a forma. Amit viszont kicserélnék rajta az a potinak a gombja. Az már semmihez sem illik ebben a környezetben.
Miért kell mindig elutasítani a kondenzátorok "hangját"? Nem véletlenül próbálkoznak több típussal is erősítőkbe és hangváltókba , hogy a legjobb eredményt elérjék.
Amit említettem kondikat 210 forintba kerültek. Annyiba egy egyszerű lapos wima is kerül. Nem a drágább kategória, hanem a kondenzátorok kialakítása volt a mérleg két végén. Nincs itt semmi hókuszpók.
Törölték a hozzászólásom, valószínűleg a hivatkozásom miatt. Még egyszer nem írom le. Annyit mondanék röviden, a minőségnek ára van. Két 200 ft-os alkatrész között nem fogsz jelentős kükönmbséget hallani.
Ez volt az első reakcióm.Csak az egyik csatornán,de semmi változás... Azt hiszem,nem küzdök vele sokáig,ha amúgysem meggyőző a hangja(gerjedés nélkül,fél teljesítménnyel),nincs értelme tuningolni.Csak egy kis kitérő lett volna,de megint önönmagamat igazolta...EL34 nem single end-nek való.
Plexit vagy polikarbonátot lehet használni a doboz tetejének (csövek alatt), vagy a hőtől megolvad. Igazábol olyanra gondoltam, mint az xperia telefonok hátlapja. Plexi alulról lefestve feketével.
Esztétikus,szép megoldás,nekem a hiraga teteje van eképp kivitelezve,de több,mint valószínű,hogy a végcsövek által termelt hőtől deformálódik,megolvad.Bár EL 84-hez porcelán foglalattal még talán...de nagyobb teljesítményűhöz már nem merném alkalmazni.Vagy tégy egy próbát egy db végcsővel, egy kis darabka plexire rászerelve.
Adatlapja alapján max 200°C lehet. Fűtésnek "benyel" 0,6-0,8A-t 12,6V-on.
A hozzászólás módosítva: Júl 5, 2015
És az anóddisszipációról még szó sem esett! Én nem tenném, a plexi tuti, hogy megolvad, polikarbonáttal még nem volt dolgom, de nem épp egy karcálló cucc, és magában is rugalmasabb, mint a plexi (ezáltal szerintem kevésbé hőálló is), ha nem hazudik az internet. Szép megoldás lenne, de nem csöveshez való..
Valami ilyesmire számítottam.
Szerintem ezek ha nem is égnek meg, beopálosodnak a hő hatására. De hát csak cserélgeted vagy ilyesmi... Esetleg hőálló üveget kell vágatni.
Én pl. nagyon több
fénymásolót bontottam már szét és gyönyörű üveglapokat mentettem belőlük - asztalra, műszerek szerelésére alátétnek - ez az üveg szerintem elég jól tűrheti a meleget...
Az üveggel "csak" egy baj van: nem tudom kifúrni. Még 2-3mm-es lyukat tudok fúrni dremellel, de akkorát, mint a csövek...... Nem tudom, hogy lehetne megoldani.
Erre üvegező szakember tudna érdemlegeset mondani.
Más, átlátszó/tetsző anyagot nem tudok hirtelenjében, ami a melegnek fittyet hány.
Ha kész lesznek a panelok és meg lesz minden (trafók és dobozai, csatlakozók) (ez még sokára lesz
), akkor kérek árajánlatot egy üvegestől.
Ha a csöveket a doboz tetejére szereled, vagy kilógnak, és nem a beltartalom láthatósága a célod, akkor egyszerű a megoldás. Festett fémlap doboztetőre átlátszó plexit csavarozol, esetleg festetlenre fekete plexit. Vékonyat ne használj, mert hosszabb távon deformálódhat a sugárzó hőtől. Felesleges feltalálni a spanyolviaszt, hiszen az Audio Innovations formatervezője rég megtette...
/Az ívelt kivágás nem csak esztétikai elem - így nem kell a műanyagot összefurkálni a csövek körüli hűtő-szellőzőfuratok miatt. /
Az a fémlapos dolog az jó, csak az ívelt kivágássa van bajom, mert az enyémnél a táp panelja kerülne középre.
Végülis szerintem a lényeg az hogy kell egy minimális távolság a csövek és a plexi között. (Még az is lehet, hogy elvetem ezt a plexi dolgot, de még lehet a fémet is) Idézet: „Magasföldről viszont én nem hallottam” Skót-magasföld - ott lakik MacLeod, a Highlander...
Az üveget is lazán ki szokták fúrni. Nem tudom, hogy mivel és hogyan. Olvass utána vagy szakival csináltasd meg, ami meg már biztos nem lesz olcsó.
Ez a minimális távolság nem nyert. A meleg felfelé száll (levegő + sugárzás) és a cső fölött körkörösen fogja tönkretenni a plexit.
A csö mellet felszálló levegő először hideg. A cső felett NINCS műanyag!!!
Mindenesetre egy jó csöveshez vas, vagy alumínium ház kell, profiknál fa/réz. Mindenféle műanyag kerülendő. Szerintem . Az AI jó konstrukció.
Igen, már észrevettem, hogy alulra akarja rakni, bennem az volt, hogy a cső fölé, vagy köré. De amúgy a hő sugárzik lefelé is, nem csak a levegővel. Ha megfogsz működő cső körül bármilyen sasszit, forró lesz, még ha nem is 200 fokos. Nem nagyon tudok olyan műanyagot én sem, ami ezt hosszútávon bírná és megmaradna az esztétikusan.
Sziasztok!
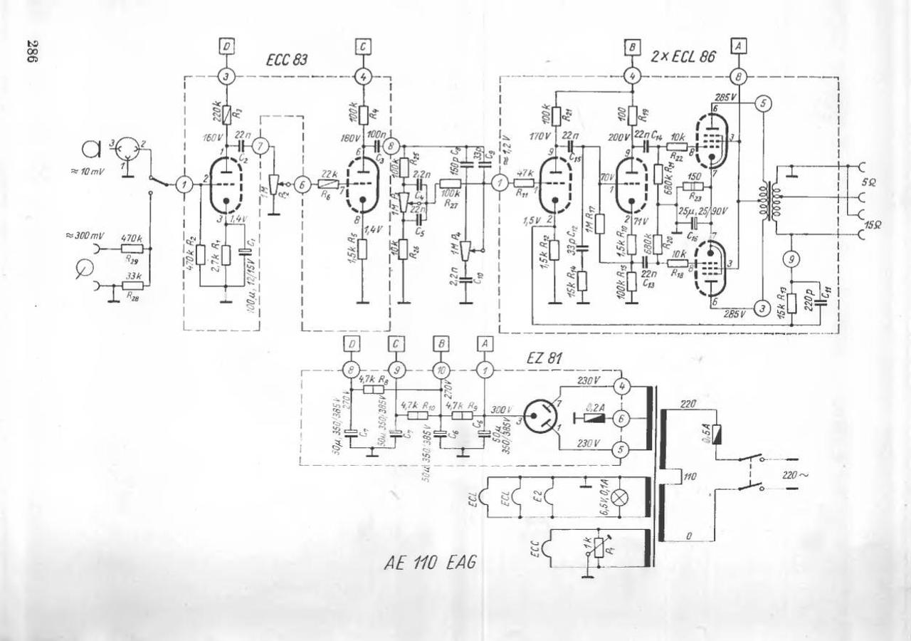
Van egy EAG AE110-es erősítőm aminek a Ki is bányásztam a két puffer kondit, hát az egyik igencsak ramatyul fest, a képen látszik is. A kérdésem, az, hogy milyen kondikat rakjak be helyettük? 50+50µF-10%+50% 350/385V van írva az eredeti kondikra, szerezzek be ugyan ilyen kondokat, vagy megfelel helyette két darab 50µF-os? Továbbá érdemes-e kicserélni az összes kondit, beleértve a nem polarizáltakat? helyenként lett beműtve egy-egy fólia kondi a c13, c14, c15 22nF-os az eredeti kapcsolás szerint, de 10nF-os van most benne. A hozzászólás módosítva: Júl 7, 2015
|
Bejelentkezés
Hirdetés |









), akkor kérek árajánlatot egy üvegestől. 


