Fórum témák
» Több friss téma |
![]()
A régi dugasz zárlatos lett, és amiatt égett ki a töltő.
Fogok vásárolni egy másik töltőt! Mindenki válaszát köszönöm!
Helló!
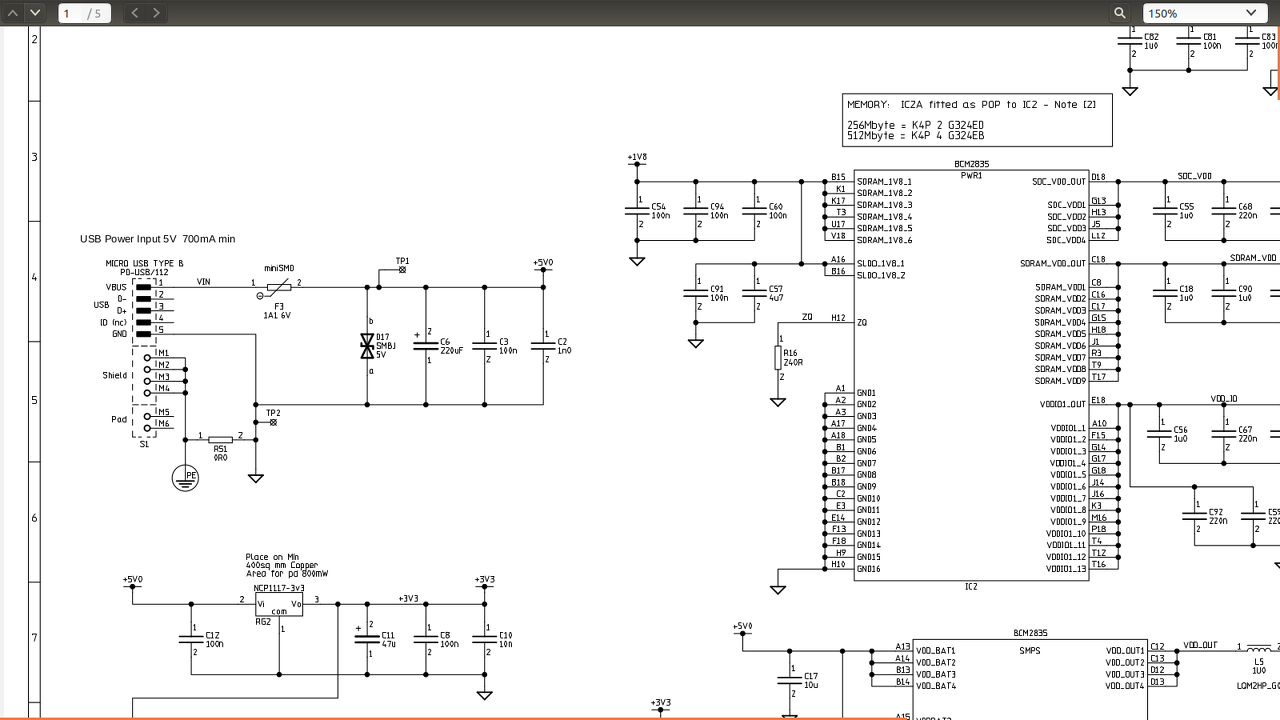
Ahogy a rajzon is láthatod, csak egy bizti választja el az 5 V bemenetet az 5 V belső tápfesztől, tehát akár rá is lehet forrasztani nyugodtan a TP1-re a töltőd 5 Voltját. Ha félted a töltődet, berakhatsz egy biztit, vagy nem a TP1-re, hanem a bemeneti USB-re kötöd az 5V töltődet és akkor védve lesz. Nekem szükségem volt a mikro USB-re más célból, ezért az RCA csatlakozóra kötöttem az 5 V bemenetet (mert az RCA nagyon rossz minőségü képet adott, soha nem akartam használni), ahonnan ment az 5 V a belső biztire.
A legjobban azzal jársz, ha veszel egy 4-portos aktív HUB-ot 2000,- Ft-ért és onnan táplálod meg a RasPi-t. Lesznek plusz USB-id, mellyel akár külső HDD-t is meg tudsz hajtani.
De ez csak félmegoldás lesz, mert 1db 2A adapterrel 1*re nem fogja tudni használni a kettőt!
Mivel a HUB elosztja a 2A-t 4 felé, az kevés lesz a pi-nek, így megint csak kel hozzá +1, 2A adapter!
Kérdésem: van az RPI2-höz külön img fájl, vagy a hivatalos oldalon
található 2015.05.05 kiadásút kell használni ?
Kipróbáltad? Úgy gondolod, hogy portonkén 2000/4=500mA-t tud leadni?
Már csak azért kérdem, mert akkor nekem spéci kütyüm van ![]() RasPi B (700mA) ment 1 évet úgy, hogy mellé volt akasztva egy 2.5" WD HDD külső házban (550mA), egy Logitech billentyűzet (50-100mA) és egy Logitech egér (50-100mA), alkalomadtán egy Pendrive. Egyedül a HUB volt meghajtva. Simán bírta. (A HUB-ba a RasPi "táp ága" is be volt csatlakoztatva, nem csak az adat ága) Azóta a RasPi B ki lett cserélve egy RasPi2 B-re (~400mA) és ugyanúgy ment mint eddig. Üdv.: PLaci
Azt használod, amelyiket akarod. Az egyetlen feltétele, hogy RPI2-re legyen "fordítva".
Én személy szerint a hivatalos oldalon fellelhető RaspBian-t használom az RPI2-n, az RPI1B-n meg az OSMC-n találhatót.
Köszönöm a válaszod,legrosszabb esetben azt csinálom,hogy TP1,TP2-re tápot adok.
Placi84:Előkerült a drone-om USB kábelja, szerinted ezzel a kötéssel sikerülne az adathordozót elérnem a RasPi-vel? A töltő 5V-t ad le 2A-en.
Ha az ott egy aktív HUB, akkor mennie kell egy USB2-es külső HDD-vel.
Jól látom, hogy ott van még egy WiFi dongle is? A hozzászólás módosítva: Júl 9, 2015
Sziasztok! Vettem egy raspberry pi 2-t, és szeretnék rátenni egy windows 8-at. Az a gondom, hogy nem tudom, hogyan fogjak hozzá, ugyan az a win 8 kell rá, ami a gépre, vagy másik? Eddig csak arduinóval foglalkoztam, ez az első raspberry-m. Előre is köszi!
Nem lehet rátenni win8-at
Akkor milyen windowst tudok rátenni? 7 vagy 10 vagy windowst egyáltalán nem lehet? Meg azt olvastam, hogy androidot lehet.
Hali!
10 lesz rá állítólag Bővebben: Link ez persze nem ugyanaz a win10, mint amit az asztali gépedre telepíthetsz...
Tehát ha jól olvasom, még nem jelent meg... És 10-en kívül más windows nem is jó rá?
Ne tegyél rá Windows 10-et! Már lehet rá rakni valamilyen előzetes változatot, nem ajánlom.
Mire akarod használni? Ha csak filmnézésre, torrentre, samba-ra és még nem dolgoztál linuxxal, akkor OSMC! Bővebben: Link Ha ki akarod használni a 40 pin-es GPIO-t, de esetleg akarsz filmezni, torrentezni, samba is kell, akkor Raspbian! Bővebben: Link A Raspbianon nehezebb összehozni mindent, nekem úgy hogy már nem kezdő linuxos vagyok egy hét volt mire minden úgy működött ahogy akartam. Az OSMC-t meg felrakod és 1-2 dolgot feltelepítesz és kész.
Aktív HUB, az ott egy RC12-es billentyüzet+egér adapterje.
Üdv mindenkinek!
Vettem egy Rapberry Pi 2-t és feltelepítettem rá a Raspbiant. Olyan problémám lenne, vásároltam mellé egy ilyen wifi adaptert: http://malnapc.hu/yis/mini-usb-wifi-modul-802-11bgn Eléggé kezdő vagyok a Raspbianban és egyéb ehhez hasonló Linux-disztribúciókban. A legnagyobb problémám, hogy az 'lsusb' parancsot használva nem látom a wifit a listában. Próbáltam feltelepíteni az 8192cu drivert, de itt hibába ütköztem. (Van egy driver a realtek honlapján, azt töltöttem le, majd az install.sh-t indítottam. Jelszót kért egy idő után, beírtam, de azt írta ki, hogy a hitelesítés nem sikerült... Utánaolvastam a neten, azt írták, hogy valami karakterkódolási hiba van ennél a drivernél. Találtam egy 8192cu-fixed verziót is, követtem abban a leírást, de még így sem sikerült működésre bírnom.) Valaki tudna ezzel kapcsolatban valamit mondani, hogy ezt hogyan tudnám megoldani? Gondolkodom azon, hogy megpróbálok egy másikat venni, de nem akarok ebbe a hibába ütközni megint... Tudnátok ajánlani párat? Illetve, hogy hogyan lehet "telepíteni" azt raspbianra? (Szeretnék erősebb wifit venni, mert a cél az lenne, hogy egy vezeték nélküli kaputelefont csináljak belőle. Esetleg, ha valaki szívesen segítene nekem, van még jó pár kérdésem a témával kapcsolatban, és szívesen elbeszélgetnék vele ezzel kapcsolatban... )Köszi a segítséget! Ui.: Egyik ismerősöm ajánlotta ezt: TP-Link TL-WN722N Ennél a verziónál nem kell telepíteni semmit? Úgy értem, hogy elég csak az interfacest konfigurálni úgy, hogy felveszem ezeket a sorokat: auto wlan0 iface wlan0 inet dhcp wpa-conf /etc/wpa.conf
Ma kiprobáltam, és elsőre müködött.Mindenki válaszár köszönöm!
ivj94:Az asztalon lévő ''WiFi Config''-al probáltad?
Igen, próbáltam de semmi... Ott kezdődik a probléma, hogy még csak fel sem ismeri a wifit, ha bedugom az USB-be...
Vedd meg a TL-WN722N nekem is az van és az asztalról be lehet állítani.
Milyen táppal hajtod a RasPi-t?
A wifi donglek igencsak szereti a mA-eket... A hozzászólás módosítva: Júl 12, 2015
Telefontöltővel, de nem ezzel van szerintem a gond... egeret, billentyűzetet stb rákötök és rendesen működnek.
Pedig valószínűleg az lesz a gond hidd el... Egér-billentyűzet 50-100mA, wifi dongle 500-1000mA...
Szia!
Egészen biztos, hogy nem a táppal van gond! Nekem 700mA-es adapterrel is ment amikor anno csak az volt. +1 Miért árulnának egy raspberry-s árúházba olyan adaptert amit nem tud kezelni? ![]() Nehogy vegyél új adaptert már az első hibánál, a Rasberry és a Linux erről szól, ha nem tetszik akkor inkább add el, mert bármit akarsz vele csinálni keresgélni kell, mindig előjön valami apróság. 1. Az SD kártyára rakd fel újra a Raspbiant, hogy tiszta rendszered legyen. 2. Raspi-configban állítsd be amit kell. 3. Ha elindult a rendszer dugd be a wifi adaptert. 4. Terminálba írd be hogy dmesg, itt láthatod, hogy nem talál drivert. 5. Ez alapján telepítsd fel a drivert. (Közben legyen kihúzva az adapter.) 6. Ha kész a telepítés, dugd be és terminálba add ki ezt a parancsot: sudo reboot -f Innentől már biztos, hogy működnie kell. A 2. lépés után én még megcsinálnám azt hogy LAN-on összedugom internettel és egy teljes upgrade-et csinálok. Fontos, hogy ha wifi driver telepítése után csinálsz upgrade-et, nem fog működni a driver. A hozzászólás módosítva: Júl 13, 2015
Köszi! Még egy kérdés ezzel kapcsolatban. (Sajnos elég kezdő vagyok Linux terén, ezelőtt nem használtam...)
Itt van egy olyan sor, hogy: make ARCH=arm CROSS_COMPILE=/usr/bin/arm-linux-gnueabihf- -C PATH_TO_BUILD_SUBDIR_OF_YOUR_KERNEL M=DIRECTORY_WHERE_THE_DRIVER_LIVES modules -C utáni rész a Raspbian kernelének helye, amit így tudok megadni: /lib/modules/$(shell uname -r)/build igaz? Illetve az M= rész után a driveremnek a helye, ahova kicsomagoltam? Az ez: /home/pi/Downloads/RTL8188C_8192C_USB_linux_v4.0.2_9000.20130911/driver/rtl8188C_8192C_usb_linux_v4.0.2_9000.20130911/ igaz? Megpróbáltam ezt megcsinálni, de mégis hibát ír ki. Azt mondja, hogy nincs ilyen parancs... -bash: shell: command not found make: *** /lib/modules//build: No such file or directory. Stop. Erre megpróbáltam ezután telepíteni ezt a fordítót: apt-get install arm-linux-gnueabi-gcc: E: Could not open lock file /var/lib/dpkg/lock - open (13: Permission denied) E: Unable to lock the administration directory (/var/lib/dpkg/), are you root? Pedig root vagyok, így nem értem, hogy miért nem férek hozzá ehhez... Ebben még tudnál segíteni? ![]() Ui.: A teljes parancs: make ARCH=arm CROSS_COMPILE=/usr/bin/arm-linux-gnueabihf- -C /lib/modules/$(shell uname -r)/build M=/home/pi/Downloads/RTL8188C_8192C_USB_linux_v4.0.2_9000.20130911/driver/rtl8188C_8192C_usb_linux_v4.0.2_9000.20130911/ modules
Kérdésem az lenne: kinek milyen aktiv usb hub-ja amivel az RPI-2 látja az usb
vinyot bootoláskor. Nekem SPEEDLINK SL-7416-SBK van, és azzal nem látja bootoláskor Az RPI-1 viszont igen.
Szerintem ez nem HUB függő probléma lesz.
Azt tudom, hogy nekem be kellett állítanom azt RPI1-nél, hogy a transmission-daemont 1 perces késleltetéssel indítsa csak el, mert addigra "állt össze" a HDD. RPI-2-nél még nem néztem ezt, automatikusan "örökölte" az 1 perces késleltetést. Gondolod, hogy az aktív hub késleltet bármit is, de csak RPI2-n? Üdv.: PLaci
Szia Placi ! Nem tudom mit gondoljak, de nekem igy mukodik.
Most egy dokkolo állomás van rajta,azzal jo Szivesen kiprobálnam az általad vázolt megoldást, ha megirnád hogyan kell. Udv:advisor
Mármint melyik megoldásra gondolsz? Melyiket írjam le? A Transmission-daemon késleltetett indítását?
Szia ! Bocs, utannaneztem, transmission egy letolto alkalmazas, ugye ?
Akkor targytalan a keresem |
Bejelentkezés
Hirdetés |














