Fórum témák

» Több friss téma
Fórum » Villanymotor bekötése
 
Témaindító: kozmaj, idő: Jún 28, 2006
Lapozás: OK   199 / 351
(#) elektroncso hozzászólása Aug 9, 2015 /
 
Sziasztok.
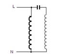
Van egy villanymotorom. Régi csehszlovák gyártmány, 30W-os 1 fázisú motor. Három drót lóg ki belőle. Egy kék, egy fekete és egy piros. Annyit tudok a motorról, hogy 2µF-os segédkondenzátor kell hozzá (rajta van az adattáblán), de azt, hogy a kondenzátort hogyan kell rákötni az nem. Én a józan paraszti eszemmel úgy gondolom, hogy a kék a nulla, a fekete a direkt fázis a pirosra pedig kell kötni a kondenzátoron keresztül a fázist. Sajnos a típusszám alapján csak képet találtam róla az interneten sehol sem tünteti fel a bekötését. A típusszáma: CJ2C62E. A GOOGLE csak két találatod ad. Még a szabványszámát tudom megadni: CSN35 0060. Sajnos az itthon lévő szabványtáblázatban nincs benne. Még holnap elmegyek a könyvtárba, ott láttam talán erősáramú szabványtáblázatot (nekem csak gépészeti van itthon de ebben is vannak motorok, de sajnos csak háromfázisúak).
Előre is köszönöm.
(#) ferci válasza elektroncso hozzászólására (») Aug 9, 2015 /
 
Válaszd ki a kisebb ellenállású tekercset, az lesz a főfázis. Egyik vége legyen a nulla, a másik vége a fázis és onnan kösd rá a nagyobb ellenállású tekercsre a kondit, az lesz a segédfázis.
Védőföldet ne felejtsd el rákötni a motortestre.
(#) elektroncso válasza ferci hozzászólására (») Aug 9, 2015 /
 
És ha a segédfázis tekercsre kerül direktbe a fázis akkor gondolom leég ugye?
(#) ferci válasza elektroncso hozzászólására (») Aug 9, 2015 / 1
 
Jó kérdés.. az a vékonyabb drótos tekercs.
3 féle ellenállást tudsz mérni - a legnagyobbat felejtsd el, mert akkor kötődne sorba a két tekercs. A két kisebb közül a kicsi a főfázis. Ha ez megvan, az előző beírásom szerint csináld.
Ha véletlenül egyforma lenne a két tekercs, akkor meg mindegy, melyik melyik, habár ez furcsa lenne.
A hozzászólás módosítva: Aug 9, 2015
(#) elektroncso válasza ferci hozzászólására (») Aug 9, 2015 /
 
Nem kell lerajzolni, értem.
Ami furcsa, hogy a kék-fekete 100 ohm, a kék-piros 200 ohm, de a fekete-piros szintén 100 ohm. Félek, hogy hibás lesz a villanymotor.
(#) ferci válasza elektroncso hozzászólására (») Aug 9, 2015 /
 
.. vagy áttekerték egyforma drótokkal és egyforma menetszámmal..
Akkor a kék-piros közé tedd a kondit, aztán meglátod..
A hozzászólás módosítva: Aug 9, 2015
(#) elektroncso válasza ferci hozzászólására (») Aug 9, 2015 /
 
Megpróbálom, sajnos megnéztem nincs itthon hozzávaló kondenzátorom, nem tudom mikor tudok szerezni. Majd annyit megteszek azért, hogy a fázissal sorba kötök egy 10-15W-os izzót az első teszt idejére, majd megpróbálom 40W-ossal is és ha jó akkor kapja direktbe a fázist.
(#) ferci válasza elektroncso hozzászólására (») Aug 9, 2015 /
 
2 régi fénycsőkondi sorbakötve?
(#) elektroncso válasza ferci hozzászólására (») Aug 9, 2015 /
 
Sajnos nem. Csak 20µF-os van, az 10µF lesz, az sok. Nekem 2µF kell. Reménykedek, hogy a találkozón találok.
(#) elektroncso válasza elektroncso hozzászólására (») Aug 9, 2015 /
 
Közben szétszedtem a motort, leégésre utaló nyomot (kormosodás) nem találtam, szemre egyforma huzalból van mindenhol a tekercs. Még egy kérdés, ennek a motornak a forgórésze lemezelt, ezt nevezik rövidrezárt forgórészű motornak? Jól gondolom?
A hozzászólás módosítva: Aug 9, 2015
(#) proli007 válasza elektroncso hozzászólására (») Aug 9, 2015 / 1
 
Nem a vas, a rövidrezárt forgórész, hanem a beleöntött alumínium "tekercselés". Ami gyakorlatilag egy menetet alkot.
(#) erbe válasza ferci hozzászólására (») Aug 9, 2015 / 1
 
Kisebb motoroknál gyakori, hogy egyforma a két tekercs. Egyszerűbb az irányváltás.
(#) elektroncso válasza erbe hozzászólására (») Aug 10, 2015 /
 
Ebben is egyforma a két tekercs.
Találtam két darab 4µF-os kondenzátort, így ki tudtam próbálni a motort. Bekötöttem egy soros 40W-os izzóval, először erősen világított, majd ahogy szépen felpörgött a motor elhalványult a fénye, végül csak halványan parázslott. Kicsit lassan érte el a fordulatszámát, de ezt a lágy indítás okozta. Miután eltávolítottam az áramkörből az izzót bekapcsolás után egyből felpörgött a motor és a működtető füst se szált fel.
Mindenkinek köszönöm a segítséget!
(#) Dkny hozzászólása Aug 10, 2015 /
 
Sziasztok! Segítséget szeretnék kérni egy nagyteljesítményű elektromotor forgásának szabályozásához és irányának váltásához. Egy régi benzines külmotorba szeretném beépíteni, ami egy kis motorcsónak testre lenne majd rátéve. A válaszokat előre is köszönöm! (Adattábla a melékelt képen)

DSC_0541.JPG
    
(#) martin66789 hozzászólása Aug 11, 2015 /
 
Sziasztok
Remélem jó helyre teszem fel kérdésemet.
Egy régebbi típusú villanymotor bekötésénél akadtam el.
Egy darálót építek már minden megvan, csak a motor bekötése nem akar összejönni. Van egy gyári kapcsolási rajza is mellékelem róla a képet ( Gyári bekötés 1, 2 ,3 néven mind a 3 valamelyiken biztos jobban látható), odaadtam villanyszerelő szomszédunknak hogy kösse már be nekem indítókondenzátorral, nem nagyon jött össze neki. Az első bekötésénél szépen indult az indítókondenzátorral csak rossz irányba, elvitte majd később azt mondta hogy nem tudja miért nem akar a másik irányba indulni mindig ellentétes irányba forgott. Valaki tudná esetleg hogy hogyan lehet bekötni ? Jobbra kellene forognia a Gyári bekötés 1,2,3 képeken felül bal oldali kellene nekem mert ugye 220V-on használnám és nem 110V-on.

Az indítókondenzátor is kérdéses mellékelt képen (Bekötött kondenzátor ) 10 mikrofarados látható, de van még egy másik (Másik kondenzátor néven ) az már egy 25 mikrofarados, azt mondták hogy nagyobbat ne kössek rá. Szerintetek melyik kondenzátorral lenne ideális?

Mellékeltem a jelenlegi bekötést (Bekötés 1,2 ,3 néven) a fehér vezeték a hálózati bejövő, a fekete a kondenzátor felé menő vezeték. Elég sok bekötési lehetőség van és van egy átkötés is.

A motorról is mellékeltem képet, meg a motor adatai is láthatók a képen elvileg 1400 fordulatos, egy mosógépet hajtott még régen.

A segítséget előre is megköszönöm.
Bocsánat a rosszabb minőségű képekért.
(#) martin66789 válasza martin66789 hozzászólására (») Aug 11, 2015 /
 
Maradék képek.
(#) ha9pi.feri válasza martin66789 hozzászólására (») Aug 12, 2015 /
 
Szia! Ez a fajta bekötés csak akkor jó, ha a motor leégetése a cél. A villanyszerelő szomszéd hiányzott az iskolából, mikor az egy fázisú motorokat tanították. A gyári bekötés képeken egyértelmű, hogy kell bekötni. A 230V mindkét forgás iránynál az U-ra és V2-re megy, a 10µF-os kondenzátor egy sorba kötött nyomógombon keresztül(!) V2-re és Y1-re, a rövidre záró lemez U-ra és Y2-re megy az egyik forgás iránynál, a másik forgás iránynál pedig, V2-re és Y2-re, a rövid zár az U-ra és Y1-re. A nyomógomb feltétlen szükséges, amit csak addig kell nyomni, amíg fel nem pörög a motor.(Ezt gyárilag, ahogy a rajzon is látható egy relével oldották meg) Nem tudom mit akarsz darálni, de nekem kételyeim vannak a motor teljesítményét illetően. Sok sikert!
A hozzászólás módosítva: Aug 12, 2015
(#) martin66789 válasza ha9pi.feri hozzászólására (») Aug 12, 2015 /
 
Egy ugyanilyen motor csak más bekötésű hajt egy kukorica morzsolót, az indítókondi nélküli és be kell rántani, de az még az életben nem állt le hogy nem elég erős ha beragadna kukorica akkor is forgott tovább.
A hozzászólás módosítva: Aug 12, 2015
(#) martin66789 válasza (Felhasználó 13571) hozzászólására (») Aug 12, 2015 /
 
A bekötés ennél a motornál volt a bekötések fölött lévő védőburkolatba ragasztva, csak elengedte azóta már a ragasztó.
A hozzászólás módosítva: Aug 12, 2015
(#) ha9pi.feri válasza martin66789 hozzászólására (») Aug 12, 2015 / 1
 
Kösd be, ahogy leírtam. Ez 1961-ben készült motor, akkor még nem használtak üzemi kondenzátoros motorokat. Egyébként nagyon sok változatban készültek ezek a motorok. A mellékelt képen egy 1957-es látható (10,5kg!), ennek van egy régebbi változata az 230W-os (rest voltam felmenni a padlásra érte), annak sárgaréz a segédfázis tekercse és ellenállással indult. A Tiéd féle típusúból is készült üzemi kondenzátoros is később. Ebben az időben még sok helyen 110V-os hálózati feszültség volt (nálunk is), azért néz ki olyan bonyolultnak a bekötése, (ott párhuzamosan kapcsolódik a 2-2 tekercs). Ránézésből nem lehet megkülönböztetni őket, leégetni pedig elég könnyen.
A hozzászólás módosítva: Aug 12, 2015

IMG_0006.JPG
    
(#) stoky hozzászólása Aug 18, 2015 /
 
Üdv!
3 fázisú 0,25kW-os kis villanymotor csillagba kötve eredetileg.
1 fázisról hajtva mekkora üzemi kondi az ajánlott?
Hagyjam csillagba + kondi, vagy kössem át deltába + kondi?
(#) proli007 válasza stoky hozzászólására (») Aug 18, 2015 / 1
 
Hello! Nyilván deltába kell kötni, ha mód van rá. És várhatóan egy kb. 2µF-os kondi (fénycső fázisjavító) megfelelő számára.
(#) stoky válasza proli007 hozzászólására (») Aug 18, 2015 /
 
3µF-os kondim van kéznél, az még megfelel?
Mekkora teljesítménycsökkenésre számíthatok?
A hozzászólás módosítva: Aug 18, 2015
(#) proli007 válasza stoky hozzászólására (») Aug 18, 2015 / 2
 
Ha nem melegszik, vagy morog, akkor megfelelő. A 250W eleve nem egy "vadállat", remélhetőleg kb. 70..80%-ára számíthatsz az eredetinek.. De indító nyomatéka csak a negyede lesz.
A hozzászólás módosítva: Aug 18, 2015
(#) stoky válasza proli007 hozzászólására (») Aug 18, 2015 /
 
Köszönöm a segítséget!
(#) Kari55 hozzászólása Aug 19, 2015 /
 
Sziasztok. Adott egy villanymotor, (adatok a mellékletben) ami bekapcsoláskor véletlenszerű irányban indul. Ez nem jó, mert egy szalagfűrészhez kellene. A bekötését próbáltam beírni a másik képen. A kapcsolódobozában volt egy papír, amire le van rajzolva ez a bekötés, és egy másik bekötés, de bármelyiket alkalmazom, ugyan az a helyzet. A nyomógombot -- talán rásegítés -- nyomva tartva bekapcsoláskor, nem tudja eldönteni merre induljon. Bekapcsolás után nem reagál a nyomógombra.

Hogyan lehetne bekötni, hogy mindig ugyanabba az irányba induljon a motor

Előre is köszönöm a segítséget.
(#) ferci válasza Kari55 hozzászólására (») Aug 19, 2015 /
 
Szia!
Ellenőrizd le, hogy a segédfázis kondija tényleg rákapcsolódik-e a helyére a nyomógomb megnyomásakor, ha tényleg azzal indítasz.
(#) granpa válasza Kari55 hozzászólására (») Aug 19, 2015 /
 
Az 1-es tekercsvég kivel van?
(#) ferci válasza Kari55 hozzászólására (») Aug 19, 2015 /
 
Jobb lenne, ha kirajzolnád a pillanatnyi helyzetet, mert ezzel a képpel sokra nem megyünk.
(#) Kari55 válasza granpa hozzászólására (») Aug 19, 2015 /
 
A 230 volttal és egy másik tekercsvéggel
Következő: »»   199 / 351
Bejelentkezés

Belépés

Hirdetés
XDT.hu
Az oldalon sütiket használunk a helyes működéshez. Bővebb információt az adatvédelmi szabályzatban olvashatsz. Megértettem