Fórum témák
» Több friss téma |
Fórum » Sprint-Layout NYÁK-tervező
Alkotó fórumtárs Sprint Layout 6 leírása: sp6_alkoto.pdf
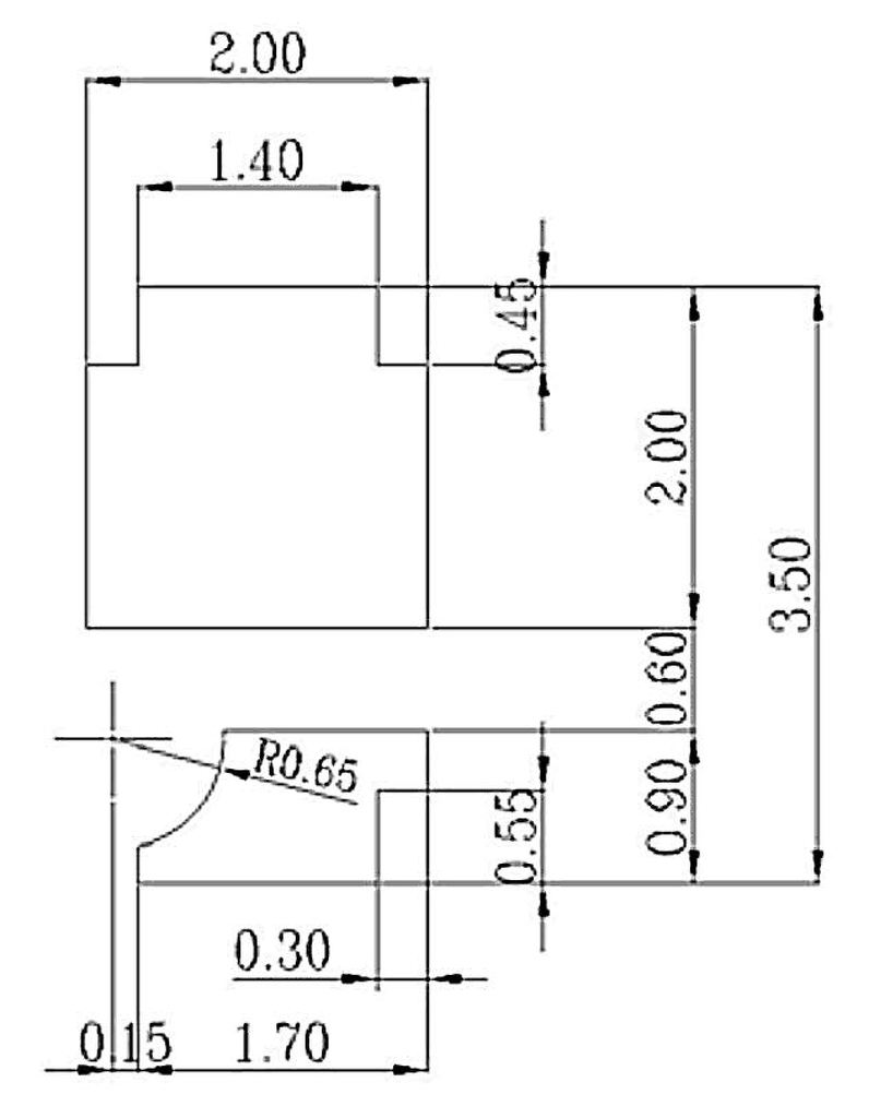
De tudok rajzolni. Csak pontos méretű kellene smd-be most tervezek először és még a méretekkel nem vagyok nagyon tisztába főleg ilyen kis dolgoknál. Van csomó makróm smd-hez de ilyen pont nincs.
És ha egyszer írni támad kedved, akkor a betűket is mástól fogod elkérni...
Máskor nem kérek segítséget. Valaki nem profi akkor már le kell nézni. Gratulálok hozzá.
Megkeresed a leded adatlapját, benne vannak a méretek, még talán a komplett footprint is.
Vonalak és négyszögek rajzolása még nem profizmus ( ha a modern festészetet nem számítjuk
). Az első adatlap alapján rajzoltam, ha neked is ilyen van.
Köszi a segítséget, de megrajzoltam már majd kiderül a felforrasztásnál hogy jó lett-e a méret
Ebből könnyű megrajzolni.
Nem a forrasztásnál kell kiderülni, hanem megrajzolod,kinyomtatod, rápróbálod, aztán
Sziasztok!
Sprint Layout tud alkatrészlistát csinálni? Úgy tudom, az eagle az tud, bár még nem próbáltam.
Tud.
És hol lehet ezt elérni?
Jobb felső sarok "components" ikon.
Köszi.
Ha nekem kellene röviden válaszolni, akkor tud is, meg nemi is!
Amit általában alkatrészlistának hívunk, azt nem a panelrajzolótól várjuk, hanem a kapcsolási rajz készítőtől. E miatt, az SL komponens listája elég távol esik az ideális alkatrészlistától. Persze lehet eleve úgy felépíteni a tervet, hogy a végén a lista használható legyen (mindent beteszünk a komponens listába, és igyekszünk azokat az adatokat megadni, amiket majd várunk a listától), de ennek lehetnek hátrányai is (pl. a felirat nem fér el a felirati oldalon, illetve jelentős korlátokat állít az alkatrész utólagos szerkesztésekor).
Minden alkatrészt úgy raktam bele, hogy amikor előjött a kis ablak, akkor megszámoztam(Pl:R1, R2) és beírtam az értékét, így nagyon szép listát adott. Gondoltam, hogy tudja, mert akkor minek kérné ezeket.
Ha elégedett vagy a listával, akkor már célba is értél.
Ettől függetlenül, szerintem nem maga a lista a lényeg, hanem hogy ezzel automatikusan létrejön egy feliratozás, ami segíti a beültetést, vagy a későbbi javítást, hibakeresést. Illetve nem tudom felfigyeltél-e rá, hogyha a listában kiválasztasz egy elemet, akkor az a panelon is aktiválódik, úgymond megmutatja neked hol van a kijelölt alkatrész.
Igen, nekem ez így tökéletes.
Igen, figyeltem, így könnyebb megtalálni azt az alkatrészt.
Sziasztok!
6.0-s verzióval volt valakinek olyan gondja,hogy a vezetősávok a nyomtatási képen még megfelelő vastagságúak,ám amikor tényleges pdf készítésre kerül a sor,az összes vezetősáv szerkesztővonal vastagságú lett? Ez valami beállítási probléma lehet? Az alkatrészkhez tartozó forrpontok jó méretűek,ám amiket külön leraktam Pad paranccsal,azok sincsenek meg. Az 5.0-s verzióval ilyen problémám nem volt,lehetséges hogy 'legalizációs' problémáról van szó? A hozzászólás módosítva: Aug 24, 2015
Szia!
Volt, és csak annyi a teendő hogy frissíted.
A 6-ost csak akkor használom ha valami olyat kapok/találok amit az 5-ös nem nyit meg. Nem szoktam pdf-et csinálni, hanem közvetlenül nyomtatok, de ilyet nekem sosem csinált, pedig ez sem eredeti.
Próbálgattam egy kicsit a komponens listát (valójában inkább sokat). Rövid tapasztalatom alapján, kimondottan érdemes használni, javaslom mindenkinek a kipróbálását. Kell hozzá egy kis önfegyelem, de ha már ráéreztünk a dologra, akkor ez szinte automatikus.
Az alkatrészlistának számomra nincs jelentősége, de az őt ábrázoló táblázat cellái aktívak, ami remek dolog, közvetlen beírással (is) lehet akár a pozíciót, akár az értéket, akár a megjegyzést variálgatni. Egyetlen dolog zavar, mikor valami miatt meg kell piszkálni egy alkatrészt, akkor ahhoz őt ki kell vonni a komponensek közül (ez simán megoldható), de a folyamat eredményeként elveszik a korábban beírt pozíció és érték, és minden egyéb megadott információ.
Nekem eddig csak a biztosítéktartón kellett változtatni, meg a csőfoglalatot a nulláról megcsinálni.
Ilyen problémám nekem is volt. A megoldásra nem emlékszek, lehet én is csak frissítettem.
Halihó,
nekem az a gondom, hogy a "Macros" menüben nincsenek benne a diszkrét alkatrészek??? Megnéztem illetve átmásoltam az általad küldött ini fájlt, de ezzel sem műkszik, valami ötlet??
Közben rájöttem, hogy neked ez a 6.0-ás verzióhoz van, esetleg nincs meg az 5.0-ás verzióhoz való?
Köszönöm szépen a frissítési javaslatot mindenkinek. Egyenlőre félretettem a 6.0-t,keresek hozzá frissítést és megpróbálom úgy. Mivel nagyon sürgős a teendőm,így elővettem az 5.0-t,és újraterveztem a rajzolatot.
A frissítés néhány perc csupán, ezt javaslom neked is.
A 6-os több mindenben is jobb mint kisebb testvére.
Én megvettem, nincs ilyen gondom. Ha használom, akkor nem pénz érte amennyibe kerül...
Üdv!
Készítettem magamnak egy logót sprint layoutban hogy fogom tudni majd átméretezni? Előre isk öszönöm!
Az SL lehetőségeivel sehogy. A programnak az a lényege, hogy mérethelyes alkatrészeket kell vele definiálni, és aztán azokat használni.
Ha többféle méretben szükséges a logó, akkor azokat egyesével meg kell rajzolni (vagy más módon létrehozni). |
Bejelentkezés
Hirdetés |




). Az első adatlap alapján rajzoltam, ha neked is ilyen van.


