Fórum témák
» Több friss téma |
Fórum » PC táp átalakítás
Aki átalakitott ár ilyen tipusút, amilyen nekem van, és bekarikázná a rajzomon, hogy melyik diódákról van szó, akkor Neki nagyon megköszönném.
Szia!
Az a bizonyos 2 vagy 3 dióda olyan, mint az 1N400x dióda, a -12Vos kimenettől kell vissza csipogtatni. A képeiden nincs rajta, általában a sárga fojtó és a hűtőborda között található. A kék vezeték a -12V( ha minden igaz). Üdv.! A hozzászólás módosítva: Szept 4, 2015
Helló, lehetséges átalakítani egy PC tápot (AT vagy ATX), úgy hogy feszültség és áramkorlátos legyen? Értem ezalatt, hogy lenne egy kapcosló amivel át lehetne kapcsolni feszültség vagy áramgenerátoros üzemmódba?
Úgy szeretném ezt megtenni, hogy közben nem használlok semmiféle soros áram vagy feszültségszabályzó (LM317, stb..) eszközt.
Erről szól az egész topik, csak vissza kell olvasni. Kapcsolgatni sem kell semmit, mert alapból ugye szabályozott (feszültséggenerátoros) egészen addig, amíg el nem éri a kimeneten az áram a beállítottat, mert onnantól áramgenerátoros lesz. Persze csak nagyjából, mert egy sima pwm szabályozó nem tud áramgenerátorként működni (csak hasonlóan), ahhoz árammódú pwm szabályozó kell.
Ha olyan lenne amit szeretnél (átkapcsolós) az nem működne sokáig, ugyanis feszültséggenerátoros üzemmódban semmi nem korlátozná a körben folyó áramot, ergo rövid úton kijönne a tápból az őtet működtető füst.
Sziasztok!
A képen lévő bázismeghajtó trafón lévő 9-10 kivezetésre kötött ellenálláson hogy változik a feszültség a primer áram hatására? Csúcsáramfigyelésre szeretném felhasználni az egyik gyári doksiban lévő kapcsoláshoz.
A vezérlést a tranyók a T2 6-7-8-as primer tekercséről kapják, a 2-3 és 4-5 szekundereken keresztül. A primer áram az 1-5 tekercsen van figyelve, ez egyrészt áramváltóként működik a 9-10 tekerccsel, másrészt a vezérlőjelhez képest ellenfázisban lesz rajta a jel, annál nagyobb amplitúdóval, minél nagyobb a primer áram. Tehát nőni fog.
Valószínűleg csak a gyártójukban van eltérés. Ha biztos akarsz lenni a dolgodban akkor összehasonlítod a tápod kapcsolási rajzát egy hasonló TL494-es táp rajzával. Ha nagyjából egyeznek akkor a két IC egy és ugyan az.
Köszönöm 20sz Jófiú!
Üdv! Ahogy említettem át szeretnék alakítani egy atx tápot labortáppá. A cikkben azt írták hogy Idézet: „Ezt a védelmet könnyedén kiiktathatjuk. A 4-es lábra állandó GND-t kell kapcsolni. Ezt úgy a legegyszerűbb elérni, hogy a 4-es lábnál lévő feszültségosztó felső tagját (vagy tagjait) kivesszük. Ilyenkor az alsó tag ellenállásán keresztül ezt a lábat le is húztuk a GND-re.” Nem tudom hogy mi lenne az a feszültség osztó. Akkor most mit kéne kiszedjek? Előre is köszönöm!
A legegyszerűbb, ha a 4es lábról mindent visszakövetsz és kiszedsz kivéve azt az 1 ellenállást ami a 4es láb és a föld közé van kötve. Ekkor automatikusan elindul maximum kitöltéssel és a soft-start nélkül. Ha utóbbi funkciót akarod használni akkor az adatlapban ott a képlet, hogy kell méretezni. Ekkor a 4-es láb és a VREF közé kell betenni pluszban a kondit, valószínűleg azt karikáztad be.
Szia!
Csak a Q7 tranzisztor mögötti diódát kell eltávolítanod. A C27 és az R38 maradjon a 4-es láb áramkörében. A hozzászólás módosítva: Szept 13, 2015
Köszi a választ (kicsit lusta voltam), aztóta megtaláltam Amarton cikkjét is amiből szinte minden világos lett.
Idézet: „Persze csak nagyjából, mert egy sima pwm szabályozó nem tud áramgenerátorként működni (csak hasonlóan)” Ezt esetleg el tudnád magyarázni részletesebben? A hozzászólás módosítva: Szept 14, 2015
Az átalakítást ne az alapján a cikk alapján csináld mert nem lesz jó, találsz itt a topikban normális rajzot ha visszalapozol.
A hagyományos és az árammódú vezérlésről meg találsz bőven infót a neten, a lényeg hogy pl. a 494 (vagy akármelyik pwm vezérlő) nem tud kikapcsolni az áramjelre az aktuális periódus alatt, csak a következőnél tudja a kitöltést csökkenteni. Az árammódú (pl. UC, UCC) pedig azonnal, ahogy az áramjel megjön. Tehát utóbbi áramszabályozása jóval gyorsabb, aminek az lesz az eredménye hogy nem szökik az egekbe a csúcsáram, életben maradnak a félvezetők. Mondhatjuk úgy is (sőt így a helyes), hogy az árammódú képes a csúcsáramra szabályozni, a hagyományos pedig csak az átlagáramra (kapcsolóüzem van, ahol nem DC hanem AC áram folyik). A 494-el épült "labortáp" is működik, áramot is szabályoz, de pl. egy akkus fúróval gyorsan tönkre lehet tenni.
Köszi a választ!
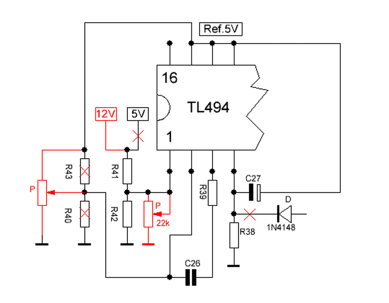
Készítettem egy rajzot hogy hol milyen alkatrész van, elég gagyi lett, de azért sztem lehet látni hogy mi micsoda. Az R egyértelműen ellenálás a D pedig dióda. A következő kérdés(eim): 1. Ugye az 5v-os ágból át kell kötni az ellenálásokat a 12v hoz itt mit hogyan kössek? Idézet: „a TL494 1-es lábán lévő feszültségosztó felső tagjait (rendszerint itt több ellenállás van) átkötjük a 12V-ra. Csipogós multiméterrel meg tudjuk nézni, hogy az 1-es lábtól milyen vezetősáv megy az 5V-hoz. Ha szerencsénk van akkor csak egy átkötés, amit könnyen kiszedünk, és átforrasztjuk a 12V-hoz” 2. A trimmer potinak melyik lábát hova kössem? Idézet: „Az 1-es láb feszültség osztójának az alsó tagjaival párhuzamosan rakunk egy 22K trimmert” 3. Melyik kondenzátorokat cseréljem ki? Ezt nagyából sejtem, de azért megkérdem hogy biztos legyek benne. Idézet: „Mielőtt elkezdjük a feszültséget felvinni a maximálisra, előtte a kimeneti kondikat ki kell cserélnünk, mert csak 16V-osak vannak benne.” 4. Melyik ellenálásokat szedjem ki és hova tegyem a potmétert? Idézet: „Az adatlapból azt látjuk, hogy a kimeneti feszültség függ az 1-es lábon lévő feszültségosztótól és egy referencia-feszültségtől. Tehát kizárásos alapon a referencia-fesz. a 2-es lábra csatlakozik. Erről a lábról az összes ellenállást kitakarítjuk. Bekötünk egy potmétert. A potmétert feszültségosztó üzemben használjuk, azaz a két széle a táp, és a középső lába pedig megy az IC 2-es lábára. A potméter tápellátását a következőképpen tudjuk megoldani. Valahonnan szereznünk kell stabil 5V-ot. Az adatlapból látszik, hogy a 14-es lábon van egy stabilizált 5V-os feszültség. A poti egyik szélső lábát ide kötjük, a másik szélsőt pedig a GND-re.” 5.Melyik diódákat cseréljem ki és hova tegyek átkötést? Idézet: „Ha a -12V-os ágat multiméterrel visszacsipogtatjuk, eljutunk 2 vagy 3 db piciny diódához. Ha három darabot találtunk, az azt jelenti, hogy 2 db van közvetlenül a trafó tekercsekre kötve és egy darab van ezek között és a negatív ág kimenete között sorban. Ami sorban van, azt pótolhatjuk egy rövidzárral. Itt járjunk el körültekintően. Nézzük át többször is a vezetősávokat, hogy biztosan a soros diódát söntöljük ki.” 6. Hova tegyem a biztosítékot, mert már van egy a hálózati bemenetné?! Idézet: „már csak egy biztosítékot kell bekötnünk, hogy egy véletlen rövidzár ne tegye tönkre az eddigi művünket.” Na hát elég hosszúra sikeredett. Ne haragudjatok, elég kezdő vagyok még, de azért jól jönne ez a táp. Lehet hogy nagyobb részét magamtól is meg tudnám csinálni, de nem akarom elrontani a tápot. Előre is köszönöm és örök hála aki segít elkészíteni ezt a tápot!
Szia!
-1. Ha jól értelmezem a szöveget és jól veszem ki a mellékelt képből, az átalakítást a mellékelt vázlatom szerint kellene elvégezned. -2. Nyilván a megmaradó 12 voltos ág kondenzátorait kell nagyobb feszültségtűrésűre kicserélned. -3. A -12 voltos ág diódái a második képen látható diódák, vagy azokhoz hasonlók lesznek. Ahogy a cikkben is írják, az azonosításukhoz kövesd vissza a -12V kimenettől a diódákig az áramutat. Ezek helyett kell nagyobb diódákat alkalmaznod. -4. A biztosítékot a szabályozott feszültség kimenetre kell kötnöd. Csak mellékesen jegyzem meg, a félvezetőket nem fogja megvédeni, mert mire a biztosíték kiolvad, azok már rég a szilíciumvölgy égi vadászmezején járnak! Ettől függetlenül nem szabad elhagyni, mert különben katasztrofális következményei lehetnek. Durva zárlat esetén akár ki is gyulladhat a kütyüd! Jó munkát! A hozzászólás módosítva: Szept 15, 2015
Köszönöm szépen! Neki is állok!
Na elkészítettem, szerencsére amitől legjobban féltem nem történt meg, nem nyírtam ki a tápot.
Kicseréltem a kondikat + még 1 kondit egy 200v/330µF-ost mivel enyhén púpos volt.Kiszedtem azt a két ellenálást és egy kondit. Átkötöttem az ellenálást amit megjelöltél a 12v-hoz. Amikor beraktam a trimmert kipróbáltam 3-6v között tudtam tekergetni. Átnéztem a kapcsolást és észrevettem hogy a diódát nem vettem ki. Ez is megtörtént és bekötöttem a potmétert is így viszont már sem a trimmerrel sem a tengelyessel nem tudom változtatni. 3,4-3,9v között változott folyamatosan. Kicseréltem a két diódát hátha az a baj így 4,3-4,7v között változik. Ami feltűnt hogy a trafó viszonylag hangosan búg, amikor csak a trimmerrel tekertem akkor teljesen feltekerve alig volt hangja, teljesen le viszont nagyobb. A ventilátor kimenetén mértem a feszt, de ez gondolom nem baj. Rakok néhány képet hátha valami feltűnik. Előre is köszönöm!
Nekem ami feltűnt az az, hogy a cikk alapján csináltad az egészet. Így már nem is volt kedvem tizenkettedszerre is leírni hogy nem lesz jó. Ha segédtáp nélkül járatod a vezérlést abból nem sok jó fog kisülni. De nem követtem az eseményeket, és ha ez nem AT hanem ATX és a saját segédtápjáról jár, akkor nem szóltam. Vannak rajzok a topikban, azok alapján kell eljárni.
Néhány észrevétel:
- A C27 kondit tedd vissza a helyére! Abban állapodtunk meg: Idézet: „A C27 és az R38 maradjon a 4-es láb áramkörében.” A vázlaton se jelöltem be, hogy el kellene távolítani! Ez a kondi fontos eleme a tápegységnek. A lágyindítás mellett ez akadályozza meg, hogy a két, ellen ütemben működő kapcsolótranzisztor egymásra nyisson. Bármilyen gyors is egy tranzisztor,a kapcsolások között kell egy kis idő, amíg az egyik korrekt módon lezár..Erre utal a 4. láb elnevezése. DT= Dead Time = holtidő. - A kondik csereberéjekor ügyeltél a helyes polaritásra? Ellenőrizd le újból! Ónpaca nem zár rövidre valahol? - Ne a ventin mérd a feszültséget, hanem a 12V kimenetén. (Nem biztos, hogy a venti ide van kötve!) - Amennyire lehetséges, kerüld a hosszú, kusza vezetékelést. Gerjedékennyé válhat miatta a táp. - Csak most futottam át az ominózus cikket, ami alapján próbálod átalakítani a tápod. Igazat adok Ge Lee fórumtársunknak. Jobban jársz, ha egy másik leírást választasz. Az egész tápról is készíthetnél fotót, hogy kiderüljön egyáltalán AT-s, vagy ATX-es ?
Azt csak azért szedtem ki mert egy másik topicban azt irták hogy ez a feszültségosztó első tagja.
A kondi polaritások jók, ellenőriztem. Olyan problémám lenne hogy sajnos nincs meg az a kondi! (Beledobtam a bontott kondiaim közé ott meg van egy párszez db.Mekkora lehetett?
Egyenfeszültségnél kondi mint feszültségosztó? Ez nekem új.
Rajz nélkül csak tippelni tudom a kondi értékét. Általában 2,2µF 50 V 105 C fokos szokott itt lenni, de ez nem szentírás! 1-22µF között bármilyen érték szóba jöhet. Láttam már 100nF-ot is itt, de a fotód alapján ezt most kizárnám.
És lehet valami baj ha rossz méretet teszek bele?
A konkrét érték nyilván a többi áramköri elem értékétől függ. Dokumentáció híján csak a próbálkozás marad.A tapasztalatom szerint az efféle tápok 50%-ába ebbe a pozícióba 2,2 µF-os kondit ültetnek. A többiben a már említett határok között szór a kondi értéke.
Ha kondi nélkül túlélte, kondival -még ha nem is pontosan egyezik az eredeti értékkel, - nagyobb esélye lesz, hogy jól működjön. Az eset tanulsága: vagy jegyezz meg mindent alaposan, vagy jegyezd fel mikor mit változtattál. - Használt elkót szerintem amúgy sincs sok értelme gyűjtögetni. A legtöbb már túl van a garantált élettartamán. Ha pl. kapacitásmérővel és ESR mérővel megmérnéd a "készletedet", meglepődnél mennyi példány bukna el ezen a vizsgán! Aránylag olcsók a kondik. Sokkal többe fáj, ha egy használt kondi miatt elszáll mondjuk a tápegységed.
Kerestem egy 2,2µF-os kondit Most lejjebb esett a feszültség 2-3v-ra. Igaz nem mértem be hogy tényleg 2.2µF-e pedig mindig meg szoktam, de holnap bepótolom!
Azért gyűjtöm a kondikat, hogy ha hirtelen kéne valamihez pl. elromlik egy. Ha valami új projektnek állok neki természetesen nem a bontott cuccokból fogom készíteni.
Helló
Át szeretnék alakítani egy AT-s tápegységet, szimetrikus labortáppá. Visszaolvastam a topikban 5 oldalt ahol találltam ezt a rajzot. Azon gondolkodtam, hogy nem-e lehetne szimetrikus labortápot készíteni, berajzoltam a rajzba pirossal a változtatásokat ahogy gondolom. Az X nevű alkatrész valami olyasmi lenne ami kiválasztja a két bemenete közül a nagyobb feszültséget és az jelenne meg a kimenetén. Így a táp mindig figyelné melyik ágában folyik nagyobb áram és azt szerint szabályozna. 1. Van valakinek ötlete milyen alkatrésszel vagy kapcsolással tudnám ezt megoldani (mikrokontroller nélkül)? Működőképes lehet így ez a koncepció? 2. A feszültségfigyelést hagytam a + ágban ha csak a - ág lenne terhelve okozhat ez feszültségesést? Úgy gondolom mivel egyazon trafó tekercsen vannak a - ágbeli terhelés feszültségesést okozna a + ágban is így visszaszabályozna az áramkör 3. A - ágban levő gyengécse diódák helyett használnám a vaskosabb +5V ágban levő diódákat (megfelelő vezetősáv átvágásokkal és átkötésekkel), azonkívül a - ág folytótekercse is elég vékonyka, használhatom itt is a +5V ág folytóját? 4. A +5V ágban miért van két vastag folytótekercs (egyazon vasmagon) párhuzamosan kötve? 5. Miért ilyen a táp kimenetének felépítése hogy minden ágnak egy közös vasmagon van folytótekercse aztán külön-külön is van egy-egy folytótekercsük még? Miért nincs 1 darab tekercsel letudva az egész? Bocsi a sok kérdésért a végén már nagyon elméleti jellegűek . A hozzászólás módosítva: Szept 20, 2015
1: Bevallom, nem igazán látom a dolog értelmét, de ha a - kimenetet invertálod (-1 erősítésű műveleti erősítő pl.), akkor két diódával közösítve elérheted a kívánt eredményt. Persze a jelet le kell osztani erősítés-közösítés előtt, mindkét ágon. De őszintén szólva, nem értem a lényegét.
2: Elhúzza, de ezért van benne a közös tekercs gyárilag. 3: Azt a diódát csak 6-8 V-ig tudod használni, afölött jó eséllyel tönkre fog menni. 4: A közös tekercs segít a terhelések eltérését kiegyenlíteni, a másik tekercsek egy-egy kimeneti PI-tag, szűrésnek.
Miért ne lenne értelme? Ha szimetrikus tápellátású erősítőt élesztenék ilyen labortápról vagy olyan szituáció lépne fel ahol csak azt az ágot használnám (akár csak ezt kötném be) amelyik nincs figyelve leesne a feszültség és törhetném a fejem h mi történik.
Idézet: „Persze a jelet le kell osztani erősítés-közösítés előtt, mindkét ágon.” Le tudnád rajzolni vagy elmondani, hogy mennyire osszam le? A hozzászólás módosítva: Szept 20, 2015
Illetve javítanám magam, hogy abban az ágban amelyik nincs figyelve nem tudnám beállítani a maximális áramot. Így pedig beállíthatok egyet ami mindkét ágra árványes lesz, akkoris ha a két ág közé (+ és -) lenne valami kötve a földet kihagyva.
A hozzászólás módosítva: Szept 20, 2015
Sziasztok!
Erősítőhöz szeretnék 63V és 10A körüli szimmetrikus tápegységet készíteni egy vagy akár több PC táp átalakításával (és összekapcsolásával, ha szükséges). Ez megoldható? Ha igen tudnátok ehhez valami leírást, kapcsolási rajzot mutatni, ami alapján utánépíthető a szerkezet? Köszönöm |
Bejelentkezés
Hirdetés |



















(Beledobtam a bontott kondiaim közé ott meg van egy párszez db.
. 







