Fórum témák
» Több friss téma |
Szerintem ebbe az alkalmazásba egy relés lágyindító lenne a legmegfelelőbb. Jól gondolom?
Igazad van, kicsit elnéztem a dolgot. A lényeg annyi lenne, hogy a kondin növekvő feszültség billenti a diac-ot és az gyújtja a triac-ot. Lentebb proli007 is írta, hogy mi a helyzet vele.
1. A toroidtrafó akkor autotrafó, ha úgy tekercselték, vagy úgy kötötték be. Ez igaz bármelyik másik trafóra is.
2. A lágyindító szerepe a toroidnál nem másodpercekre, csupán egyetlen félperiódusra korlátozódik. A lényege, hogy ha a toroid bekapcsoláskor véletlenül éppen a szinusz félhullámának csúcsánál kapcsolódna a hálózatra, ne tudjon a lehetséges maximális áram átfolyni. Erre az ellenállás+relé kombináció sokkal biztosabb, mint a triakos áramkörök. Az se rossz, de vagy nullátmenet kapcsoló kell, vagy olyan, ami biztosítja, hogy az első bekapcsolás a félhullám lecsengő ágának vége felé történik. A korábbi lágyindító nem így működik. 3. A jól működő lágyindítónak mindegy, hogy mikor kapcsolod rá a fogyasztót, sőt általában a fogyasztóval fixen összekötött trafót kapcsol. Pl. világítási rendszerek.
Tehát akkor lehet, hogy az eredeti kapcsolás is jó?:
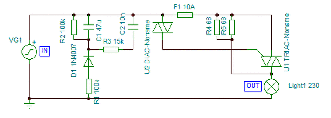
Link Legalább is ami a diódát illeti és a többi része ha rossz, miért rossz vagy nem szükséges? sany: Aki készítette a lágyindítót azt mondta nekem, hogy 2kW felett ő nem ajánl relés megoldást ezért is van ez a kapcsolás relé nélkül. Azt nem mondom, hogy amit ő mond az szentírás, csak megemlítem. Az okot nem részletezte, hogy miért.
Azért létezik olyan relé, amely 16 A is tud kapcsolni. Így aztán akár 3KW -ot is lehetne vele kapcsolni. Például egy ilyen.
Az, hogy toroid vagy sem a trafó, annak nem sok köze van ahhoz, hogy "autotrafó". Mert ilyen már rég is volt, mikor toroid még nem is létezett. De a lényeg, hogy célszerűbb lenne az "auto" megnevezés helyett a "takarék transzformátor" elnevezés. És ez egyben a működésének lényegét is jobban szemlélteti. Hiszen azért alkalmazzák, mert nincs szükség galvanikus elválasztásra, és a szekunder egyben a primer része is, akkor helyet és rezet takarítunk meg. Innen az elnevezés is.
Ebben a hozzászólásban találsz egy ilyen kapcsolást.
erbe csak erre a postingomra válaszolt:
http://www.hobbielektronika.hu/forum/topic_post_1841295.html#1841295
Ez kell neked! Itt a hobbielektronikán már cikk is készült a toroid transzformátorok lágyindításához..
A hozzászólás módosítva: Szept 18, 2015
Az eredeti kapcsolás, ha tényleg így van, az nonszensz. Vezérlés nélkül nincs kapcsolás.
A kontaktusos zárást én is kívánatosabbnak tartom, mert a Triac mindenképpen a félperiódusok végén kommutál. Tehát minden periódus elején újra gyújtani kell. Vagy egyenáramú gyújtás kell, de egy nagyobb teljesítményhez nagyobb gyújtóáram is tartozik, ami esetleg egyenáramon túlterhelné a Gate-t. Többek között ezért is van impulzus gyújtás. Induktív fogyasztónál, pedig csoportimpulzus gyújtást alkalmaztak rég. De ezek taglalása kissé messzire vezetne..
Igen, ez a kapcsolás nekem is tetszik, csak azért nem törődtem vele komolyan mert az első mondata azt mondja, hogy csak 2kW-ig javasolt:
"ez a kapcsolás 2000Wattos toroid trafóig nyugodtan használható."
kössz a lágyindító elméletet, és mi a helyzet azzal a korábban említett Apex triacos kapcsolással, ott ezek szerint az említett feltételek teljesülnek?
Link
Én úgy oldanám meg, hogy vennék egy kocsihoz vagy kamionhoz való relét. Azok igen nagy áramot tudnak kapcsolni akár 50 vagy 70 A is. Azt tenném a cikkben bemutatott relé helyére.
Csak egy ötlet. Idézet: !!!„A korábbi lágyindító nem így működik.” A lágyindítóhoz nem kell irtózatosan nagy relé, hiszen az ellenállással "megvezetett" toroidot veszi át. Az ellenállás értéke a korábban hivatkozott kapcsolásnál kisebb is lehet, a lényeg, hogy az induló áram ne verje le az automatát (kismegszakítót). 16 A-esnél pl ~15 Ohm. Persze ennek megfelelően nagyobb teljesítményű kell. 3 db 4,7 Ohm 20W-os sorba. Fontos, hogy a relé késleltetése egy-két periódusnál ne legyen nagyobb. 20-40 msec. A lágyindítóba soros kondi helyett inkább ellenállást tennék, hiszen a mai minirelék ellenállása 24 V-on 1200-1500 Ohm, a fogyasztás minimális. Az érintkező meg 230V~ -on 16 A. A hozzászólás módosítva: Szept 18, 2015
Igen ott teljesülnek az adott feltételek. A kapcsolásban megadott triak 40A kapcsolására képes. Az ellenállásokon is esik valamennyi áram, amikor a triak "vezet".
Azok a relék 12 vagy 24V-on működnek mindkét oldalon, a vezérelt oldalon elbírnának 230V-ot?
Vagy csak az áramerősség számít? (ez lehet, hogy hülye kérdés volt de már kezd későre járni.)
erbe, én nem az én, nem működő lágyindítómhoz mutató linkre utaltam, hanem valaki máséra.
(De ha te erről a kapcsolásról írtad a korábbi véleményed akkor viszont nincs értelme annak amit eddig írtál.)
Jó a kérdés. Igen a "kocsi" relé nem a legjobb megoldás. De természetesen lehet kapni 230V -os teljesítmény reléket is.
A hozzászólás módosítva: Szept 18, 2015
A hozzászólásodban szereplő APEX-es triakos lágyindítóról írtam, hogy alkalmatlan. (csak nem akartam nevet írni, de így nem egyértelmű). Mindenképpen a reléset javaslom.
értem, és észrevettem a módosítást is, köszönöm.
Kössz a relé tippeket, alakjukat nézve nem igen férnének el az eredeti HE nyáklapon, hát igen, a nyák az én legnagyobb problémám mert azt nem tudok készíteni ezért is vettem már két lágyindítót az elmúlt két évben ahelyett, hogy csináltam volna magam egyet.
OK, most már megyek elteszem magam holnapra, van mit emésztenem, holnap majd mégegyszer elolvasom az egész brainstorming thread-et tiszta fejjel.
Nincs mit! Igen valóban a NYÁK az nagyon fontos lenne, de természetesen ki is lehetne vezetni onnan.
De a legnagyobb probléma mégis a mágus (ahogy reloop fórumtárs nevezte ) , ha valóban azt adta volna el amit hirdet, akkor nem kellene áramkört módosítani, NYÁK-ot tervezni, stb.
Relék:
24V 16A 230V~ 24V 230V~ 16A Esetedben akár 10 A-es is megfelel, mert nem terhelés alatt kapcsol. 24V 230~ 10A A "rezisztív" kitételre sem kell figyelni, mert nem a teljes áramot kapcsolja vagy megszakítja, csupán "átveszi" az ellenállástól. A lényeg, hogy a tekercsellenálláshoz kell méretezni az időzítést. Ha nem megy, segítünk. A hozzászólás módosítva: Szept 18, 2015
Egy hálózati feszültségű, jelentős áramot kezelő panel nem éppen belépő szint a hobbielektronikába. Erre inkább adj fel egy apróhirdetést! Nem csak elektronikai, hanem tűzvédelmi szempontból is kifogástalannak kell lennie!
Többszörös tapasztalatom szerint, a toroidok bekapcsolása relé szempontból valóban nem kritikus. De a kikapcsolás nagyon is az. Jelentős ívek alakulhatnak ki.
Ha ezt elfogadjuk, akkor egyáltalán nem elhanyagolható a jó relé választás. Az OMRON G2R-1 nálam jól bevált, igaz sosem próbáltam "hegesztő trafó-nyi" terhelésekkel.
Milyen eszközt üzemeltetsz, amihez kell ez a toroid?
Itt írta tegnap a fórumtárs.
|
Bejelentkezés
Hirdetés |




