Fórum témák
» Több friss téma |
Sziasztok!
Van egy ilyen késleltetőm, sajnos megépíteni nem tudom: http://www.conrad.hu/conrad.php?name=Products&pid=853242 De ezzel az a baj hogy mindegyik ajtó nyitására más ideig késleltet. Egyik ajtónál már a riasztó is bekapcsol mert beélesedik mire lekapcsolná a lámpát . Illetve próbáltam ledes világítással is, de ott kikapcsolás után is halványan világítanak a ledek. Valahogy ki lehetne küszöbölni ezeket a problémákat. Vagy tudtok ajánlani olyan kész késleltetőt ami 3 másodperc után lekapcsolja a lámpákat? Üdv!
Ezekre az anomáliákra ki kéne találni valami kis műkapcsolást. A gond vélhetően az, hogy túl nagy áram szivárog el az izzót kapcsoló eszközön. Próbaképpen, valami apró relét tennék az izzó elé (2 A-esnél nagyobb talán nem kell), amit az eredeti kapcsolt szálról hajtanék meg, így lenne az izzóval sorosan egy olyan dolog, ami zárt állapotban biztosan 0 Ohm körül van, nyitva pedig garantáltan nem szivárog, és az elektronika talán így már rendesen működhet. A relé tekercslábai közé mindenképpen kell egy dióda záróirányban és esetleg még egy pártíz nanós kondi, és elképzelhető, hogy kelleni fog egy kisebb értékű (n * 10-100 ohm) ellenállás, ha nem akar elengedni, vagy panaszkodik rá a fedélzeti.
Még egy ötlet: nem lehet, hogy az ajtókapcsolók kontaktja már nem 100%-os és nem kapcsolnak egyből? Milyen idős az autó?
31 és 29
![]() De nincs baj a kapcsolóval, és az az érdekes hogy mindkét kocsinál ugyanúgy viselkedik minden azonos ajtónál. Ma szereztem egy komolyabb, mint ez a két vezetékes összekötős. A hozzászólás módosítva: Júl 30, 2015
Ki is próbáltam, tökéletes!
Nem villognak és halványan se világítanak kikapcsolás után a ledek, nem számít melyik ajtót nyitom és 3 másodperctől felfelé lehet állítani a késleltetést. Egy szálat kellett behúzni a lámpákhoz az ajtóktól jövő helyett, csak ennyi macera volt vele...
Sziasztok!
Nekem valami Ilyesmire lenne szükségem, csak a riasztó (F és G pont) helyett univerzális központi vezérlő nyitó és záró szálára szeretném kötni. Lenne rá megoldás? Köszönöm!
Üdvözlet!
Szükségem van egy időzítős utastérvilágításra. Bizonyára több autóban is van már, de én E46 BMW-ben láttam most ezt. Folyamat: Nyitom centrállal az autót > időzítő rákapcsolja a feszültséget a belsőtér világításra - ami ráadásul elhalványuló - (továbbiakban röviden: lámpa) úgy is marad 1 percig HA nem nyitunk ajtót, amennyiben ajtót nyitunk azzal a mozdulattal deaktiváljuk az időzítőt és innentől már a hagyományos módon ajtókontaktusról kapja a testet a lámpa. Becsukjuk az ajtókat ezzel elvesszük a testet a lámpáról ami rövidesen ki is alszik. Ha megint ajtót nyitunk újra kap testet a lámpa újra világít és így tovább.. Időzítő kizárólag centrál nyitásra indul el és ad testet a lámpának. Mindenképpen a legegyszerűbb megoldással szeretném megoldani semmi külön érzékelő, kapcsoló, kontaktus nélkül. Kizárólag a kocsi jelenlegi kontaktusaival a minél kisebb hibalehetőség érdekében.
A rajz oké, mi a kérdés? 555-ös időzítő, vagy az elhalványuló része nem tiszta még? Szokott olyan is lenni, hogy amíg beülsz és becsuksz, világít a lámpa, aztán slusszkulcs elfordítására azonnal halványul, ez praktikus dolog még, én majd olyat fogok csinálni. Az 555-ös IC-t monostabil kapcsolásban kell használnod, ahhoz sok-sok rajzot találsz képlettel együtt (Például). A trigger lábbal indítasz, egy impulzussal test felé. A kimenet ekkor magas szintre vált, a beállított ideig. A reset láb testre húzásával pedig megszakad az időzítés. Mivel neked mindezeknek pont a fordítottja kell (a reset kivételével), a triggert mindenképp invertálni kell tranzisztorral vagy inverterrel, a lámpa felé meghajtáshoz pedig szükség lenne a használni kívánt kapcsolásra.
Oda első körben erdgab kapcsolását néztem ki: Bővebben: Link
Ja és még az utastérben lévő kézi lámpa-kapcsolót is a halványító elé kéne kötni hogy annak lekapcsolása után is halványodjon. Van itt egy másik megoldás is Bővebben: Link csak ott az nem tetszik hogy az időzítés minden egyes ajtó nyitásnál megtörténik. pedig nekem csak a centrál nyitásakor van rá szükségem egyébként meg 3-4 mp után való halványulás lenne a kívánatos. A hozzászólás módosítva: Szept 20, 2015
Akkor szedd külön a halványítást, az legyen mindig az izzón. Az időzítéseket meg kapcsolhatod külön-külön.
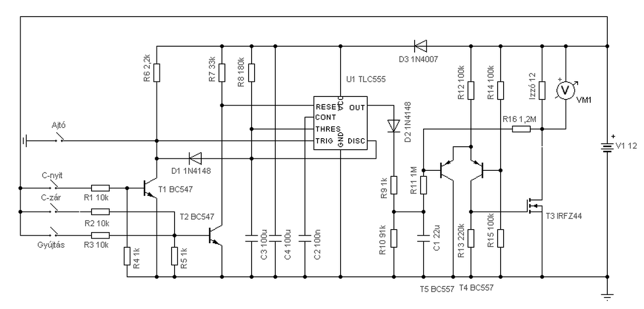
Tehát a rem kontaktus indítja az 555 trigger bemenetét ami egy diódán és egy ellenálláson át a mosfet gate-jére adja a feszültséget. Az ott lévő zener ezt megfogja 5,6V-on és az időzítő lejárta után ha a 100µF-os kondi elkezd kisülni halványul a lámpa. DE ha az ajtókontaktus nyit akkor azzal a mozdulattal reset-eli az 555-öt és egyben biztosítja a BC557-nek a bázisáramot amely ugyancsak feszültséget juttat a mosfetre. Becsukódnak az ajtók megszűnik a bázisáram, elkezd kisülni a kondi halványul a lámpa.
Körülbelül ez a folyamat?
Hello! Ez. Persze ez az "elhalványulósdi" nem túl korrekt áramkör, mert egy Fet elég "sarkosan kapcsol ki". Amíg a kondi feszültsége el nem éri a Fet zárási pontját, ég az izzó és az egy "holtidő", majd ez alatt hirtelen csökken le. Csakhogy a lezárási pont feszültsége függ a terhelés nagyságától és a Fet típusától is. Ha túl magasra választjuk a zéner feszültségét a küszöbfeszültségtől, akkor a holtidő hosszabbodik meg. Ha alacsonyra, esetleg nem nyit ki a Fet teljes fényerőnél. Szóval működni fog ez, csak a dolgok nem függetlenek egymástól. De próbáld ki, megfelelő-e így. CMOS 555-öt érdemes alkalmazni, mivel ez álladóan feszültség alatt lesz. Nem minegy a fogyasztása.
Itthon most csak IRF530 van kéznél hirtelen, azzal is mennie kéne, de mondom "az ajtónyitás reset-elés egyidőben majd tovább világítás" volt a nagy dilemma, és így viszont teljesen logikus. Azért zongoráztam végig a működési elvét, mert szeretek tisztában lenni a folyamattal, hogy később kedvem szerint bele tudjak nyúlni akár. Sokat segítettél
![]() Ha most este találok hozzá dolgokat akkor esetleg összedobom. zenerből is csak 5,1-esem van..
Proli, és ha bipolár tranzisztor lenne? Az rögtön megfogja a bázisfeszültséget az EB dióda szintjére, így azonnal halványulni kezd, ahogy megszűnik a + táp, és a H11 paramétere egyben kisütőellenállás is a kondihoz. Nekem is így van a sajátomban kitalálva, 47 µF és az EB átmenet egy kb. 5 másodperces időt ad.
Hello! Tőlem lehet bármi, én csak az igényeket öntöttem áramkörbe. Az viszont elég érdekes, hogy tranyónál bázisáram igény is van, a kollektoráram függvényében és azt meddig szolgáltatja egy 47uF?..
Bétafüggő, persze. Én bepróbálgattam valamit egy adott tranzisztorhoz (meg nem mondom a típusát.. A fiókból az első combosabb), és ez lett jó.
Összeraktam. Működik ezekkel az értékekkel igen kellemesre sikeredett. 5W szofitát tettem rá terhelésnek, IRF630 volt itthon bordán
60 mp az időzítő, majd a halványuló az 4 mp teljes fényerő + 1-2mp elhalványulás. Így próbaasztalon tetszik Nyugalmi áramfelvétel: 7-8mA csak sima 555-öm volt.Nos a trigger láb testre húzásával indítok kontaktussal a rajzon is és a próbapanelen is. A kocsiban viszont impulzusom van (12V kb. 500ms) . Mi lenne jó oda erre a célra? Relé? bipolár?
Egyszem NPN tranzisztor C-E lábai a gomb helyére, bázisára pedig 10 k föld felé, 10 k sorosan az impulzusra.
Működik vele, egy 548-at tettem be, csak annyi hogy az ellenálláson lehet, hogy majd változtatni kell mert attól is beindul, ha hozzáérek kézzel
![]() Itt a végleges rajz, meg beszámoztam az IC-t is.
A test felé tartó lehet 1 k-s is akár, annak csak annyi a dolga, hogy lezárja a tranzisztort, ha a zár kimenete esetleg OC-s. 1 k-ig biztosan ki tud nyitni a tranzisztor, ha kb. 12 V érkezik.
Ha teszel a bázis-emitter közé, egy 100nF-os kondit, nem lesz zavarérzékeny. De az 1K ellenállás is célszerűbb, mint a 10k.
Sziasztok!
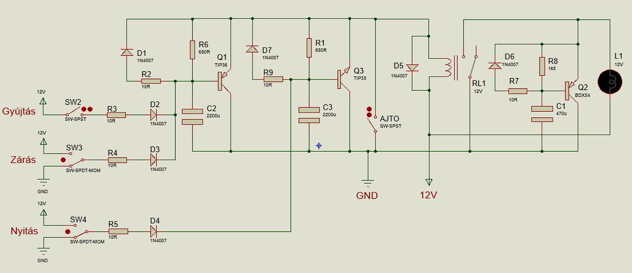
Működőképes lenne-e a csatolt kötés? Az elképzelés a következő lenne: 1. Ajtó kinyitása, majd becsukása után kb. 20 másodpercig bekapcsolva tartja a világítást, majd fokozatosan, kb. 5 másodperc alatt elhalványítja. 2. Ajtó kinyitása után, majd becsukása után a 20 másodperc késleltetési idő alatt a gyújtást ráadva elhalványítva kikapcsolja a világítást. 3. Ajtó kinyitása után, majd becsukása után a 20 másodperc késleltetési idő alatt a központi zárat lezárva elhalványítva kikapcsolja a világítást. 4. Lezárt autónál a központi zárat kinyitva felkapcsolja a beltérvilágítást, majd ha ajtónyitás nem történik 20 másodperc után elhalványítva kikapcsolja a világítást A nyitás és a zárás univerzális központi zár nyitó és záró szálaira lenne kötve . C3-ban nem vagyok biztos, hogy kellene-e (szimulációban nem töltődött-sült ki) Köszönöm!
Ha szimuláltad és jó volt, akkor valószínűleg működőképes, de én kicsit bonyolultnak érzem, főleg a relét, és kicsit nagyok az elfolyó áramok-tudom, a kondikat kell gyorsan kisütni-tölteni, de ha FET-et használsz, a kondik nagyságrendekkel kisebbek lehetnek. Valamint, mintha Q3 fordítva lenne-illetve nem tudom, miért ekkora nagy áramú, de kicsi bétájú tranzisztorokra gondoltál. Fentebb Proli007 beillesztette saját elképzelését, az tulajdonképpen ugyanezeket a dolgokat tudja, a gyújtás ráadását kell még belehúzni, szintén a reset lábra, mindezt kis helyen, kis áramokkal.
Nekem is jobban tetszene az alacsonyabb áramokkal
Proli007 mester ezekben a dolgokban, Mzolee követelményeinek meg is felelnek, én viszont nem igazán értek hozzá. Megakadtam az átalakításban, mert nekem kicsit komplikáltabb lenne a követelmény. Hosszú időzítés ajtónyitásra, és centrál nyitásra kellene, ami az elsőnél negatív, a másodiknál pozitív jel. Rövid időzítés centrál zárásra, és gyújtásra ráadásra kellene, ami mindkettőnél pozitív jel.
Hello! Én úgy gondolom, hogy amit belinkeltél nem teljesíti az elvárt kritériumodat. De nézd meg, hogy kb. erre gondoltál-e.
Üdv!
Ez így szuper, erre gondoltam! R10-et lecseréltem 100K-ra, hogy ne legyen olyan hosszú a rövid időzítés, gondolom az nem probléma. Indításkor fel kell töltődnie C3-nak majd kisülni, hogy meginduljon a működés, vagy én rajzoltam rosszul? Szimulációban így indul... Mit találtál az én linkemben ami nem teljesít? Én nem találtam meg...
Hello! Én ezt a "fényszabályozást" nem tartom túl korrektnek, mert sok mindentől függ a működése, csak "megtartottam" előző rajzok alapján. Többek között a terheléstől, a Fet küszöbfeszültségétől stb. Ha a kondi feszültsége sokkal magasabb, mint a küszöbfeszültsége (zéner) akkor úgy működik, hogy egy darabig teljes fénnyel ég, majd viszonylag gyorsan "leszabályozódik". Mert a Fet inkább kapcsoló eszköz mint szabályzó. De ha neked megfelel, akkor nekem is. De rajzoltam egy másik szabályzót is ami szerintem sokkal korrektebb.
Az 555 néha késleltet egyet bekapcsoláskor, néha nem. Igazából Reset jelet kellene számára biztosítani a táp felépüléséig. De szimulátor sem mindig azt teszi bekapcsoláskor mint egy IC. De mivel ez gyakorlatilag állandó táp alatt van, részemről nem sok értelme van ezzel foglalkozni. Ez a kettős időzítés elég érdekes. A TIP35 pld. fordítva van benne a táp szerint. A gyújtás pld. csak a Q1-et "hatástalanítja" Q3-at nem. A nyitás, pedig nem "indítja", hanem leállítja a Q3-at. De ezzel én nem sokat foglalkoztam, csak a feladat 1..4 követelményeire koncentráltam.
Üdv!
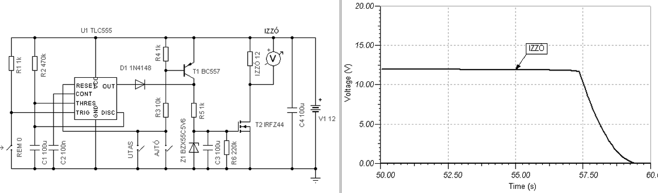
Tényleg lágyabb a működése, nagyon jó. Viszont a nap játéka következik: A csatolt képen 1,56V látható a mérőeszközön 12 helyett... Hol a hibázott a rajzoló? Egy kis bambaság tőlem, nektek... ![]() Nem találom...
Ez a hátsó fokozat, egy erősítő. Melynek erősítését, az R2/(R15+R16) állítja be. Vagy is 1,1-szeres. A munkapontot R12/R11 adja, ami 6V. A differenciál erősítő másik bemenetén (Q5 bázisa) ugyan ekkora feszültség van, ha ki van egyenlítve. Vagy is ha R15+R16-on 6V van, akkor az R2-őn 6,6V-nak kellene lenni, ha a tápfesz megengedné. Vagy is nem lehetne 1,56V feszültségesésé az izzón. De miért nem próbálod ki? Amúgy az izzónak milyen paraméter van beállítva?
|
Bejelentkezés
Hirdetés |









Nyugalmi áramfelvétel: 7-8mA csak sima 555-öm volt.










