Fórum témák
» Több friss téma |
Rendben ,köszönöm! Szombaton készre szerelem,aztán írok hogy szuperál!
Remélem minden összejön! Ha minden szuperál, azért nem árt egy lakkréteg a panelre, + az IGBT-k, diódák lába között "ecetes" szilikonnal feltölteni a közöket. Megelőzve, hogy később a köszörülési keletkező vaspor kárt tegyen benne. A venti befújja.
Ecetessel inkább ne, mert a ecetsav kiválás kötéskor semmilyen elektronikának nem tesz jót. Neutrálissal inkább. De ha egyszer javítani kell, akkor lesz ám ajjjaj...
Nem tudom, hogy mik kaphatók otthon, a legjobb a "konstrukciós" amit autó tömítések helyett is ehet használni. Az 300 fokig hőálló. De az előzővel sem volt gondom eddig lakkozás, és a száradása után. De már nagyon régen tanultam kémiát, így nem vitatkozok.
A friss forrasztásokat lakkozam? Az átlátszó körömlakkal nagy butaságot mondok? Köszi ,én is remélem hogy minden rendben lessz..
Igen mosd le, ha van izoprpilod az a legjobb, A házi pálinkát sajnálnám rá! akkor megfelel a lakkbenzin is. Lényeg, hogy a flux, gyanta el egyen távolítva. Egy kiszuperált fogkefével szoktam sikálni. Utána mehet rá a színtelenen lakk spray, de akol nagyobb mélyedés van, ott n is körömlakkot használok. Égett panel... kiköszörülve a beégés, mert nagy fesz alatt vezethet! Ez véd a párától, itt főleg, mert minden reggel minden vizes... Utána már szerintem nem tud ártani a szilikon, viszont megelőzi, hogy a lábak között felhalmozódjon a vaspor, amit a venti beszív.
Tisztelt fórumozók én nem javítója ,hanem felhasználója vagyok az inverter hegesztőnek .Egy gépvásárlással kapcsolatban szeretnék segítséget kérni ,nem ismeri valaki a tig200ac dc digi pulse multifunkciós gépet ami fut alfaveld ,tacuna stb néven,minden infót megköszönnék üdv Sándor.
Üdv!
Van egy cem sx 131 tipusú inverterem. A probléma vele, hogy elég erőtlen, éppen csak csillagszórózik az elektróda vége, nem gyújt ívet. Először csak ritkán csinálta, most már viszont szinte csak úgy működik. A ventillátor megy, a hőleoldó led nem jelez. Van valakinek ötlete mi lehet vele, esetleg rajz hozzá? A hozzászólás módosítva: Szept 23, 2015
Üdv mindenkinek!
Segitséget szeretnék kérni egy inverteres hegesztő vezérlő paneljével kapcsolatban.A gép tipusa sajna ismeretlen. Amikor hozzám került a gépezet,a fő egyenirányitó hid volt elszállva,meg a 3 drb 470µF/400V elkóból az egyik ESR-je nagyon rossz volt.Ezeket azonnal lecseréltem,da viszont a gép még nem akart indulni(természetesen izzón keresztül).ekkor tovább kutatva újabb hibákra leltem. A vezérlő panelen tönkrement az UC3846 vezérlő IC,ami direkt vezérli a két IRF530N mosfeteket (az első képen piros zsugorcső alatt). Amikor lecseréltem az UC-t,a vezérlés beindult (külön a kispanel),de nem tökéletesen.Valami zavarok vannak benne,de a két IRF kivétele után maga az UC tökéletes jeleket produkál.Na de van még egy gondom.Ugyanis amikor az UC elszállt,a 8-as lábán lévő kondi mellett volt egy smd ellenállás is,ami szószoros értelemben eltünt.Annyit kideritettem,hogy a 8-as láb és a massza közé volt kötve.Frekimérővel bemérve az UC mindkét kimeneten egyazon 42,xxkHz frekit produkál.Szerintem ez kicsit sok.Próba képpen az ujjamat megnyálazva bevittem a körbe pár kohm -nyi ellenállást,és ekkor az UC frekije lejjebb eset.Tehát a hiányzó ellenállással volt bekalibrálva a freki(különben a 8-as láb az UC egyik oscilátor felelős lába).A kérdésem az lenne hogy vajon mekkora frekin kellene járatni az UC-t (hogy az IGBT-k ne szálljanak el,de a készüléket munkára tudjam fogni),ha tudjuk,hogy az IGBT-k G4PC50W jelzésűek,és van belőlük 8 drb. Minden segitséget előre is köszönök. Néhány fotót is mellékelek,hátha segit. A hozzászólás módosítva: Szept 23, 2015
Szerintem, Kb 30KHz lenne az ideális.Tegyél ar ellenälás helyére egy 100K potit, ésazzal állitsd be a frkit.
jópár oldalt elolvastam már az inverter javitás,épités témában ezena fórumon,és emlékeim szerint én is 30-32kHz körülire gondoltam (azért is sokalltam a 42kHz-et),de jobbnak tartom inkább kérdezni.
Szóval én is úgy terveztem,hogy egy potival fogom beállitani a kivánt frekit,majd utána cserélem fix ellenállásra,csak a megfelelő frekvencia nagysága érdekelne.Mivel itt vannak tőlem sokkal nagyobb szakértők e téren,inkább kérdezek,minthogy a saját fejem után menve valamit eltoljak. A hozzászólás módosítva: Szept 24, 2015
Szia! Végre kész a gép! Gyanta eltávolítva,friss részek lakkozva,lábak közt szilózva...Valaki előttem javíthatta mert az az egy darab fet ki van szilózva?! Remekűl szuperál bár a 2,5 pálcával kissé gyengének érzem,mintha kevés lenne az Amper... Köszönöm minden segítségeteket! Sokat tanultam megint
Üdvözlet kollegák! érdeklődnék hogy valakinek nincsen-e kapcsolási rajza erről az inverterről?
Szia, A kapcsolási rajzon, 1 db SGW25N120 IGBT szerepel, + 1db 2x30A-es dióda. Most már 2. Szóval nagy csodát ne várjál tőle. Használj 2mm-es pálcát, amit rendesen beéget, s menj rá még-egy varrattal. Az enyémben még FET van, 12 db IRF460, 20A/db. + 3db impulzus trafó. Az simán viszi a 10-es lemezt 4-5-ös pálcával. De nincsen értelme az IGBT-t nagyobbra cserélni, ha a többi része nem bírja....
Üdv. Mindenkinek!
Érdeklődnék van-e tapasztalata valakinek GYSMI 161 inverter javításában. Nem nagyon akar indulni, van benne egy mikrokontroller. Gondolom ez nem kap meg valami feszt. és igy nem engedélyezi. Valaki tudja-e esetleg ezeket az értékeket amit a mikrokontroller bemenetén mérnem kellene.A segédtáp rossz volt, javítva, a kontroller 5v-ja megvan a táplábakon.
Szia, A gysmi 160 ról találtam ezt.
Köszönöm a rajzokat, az egyik már megvolt de a 160HF-s még nem.Elég részletes, remélem segít.
Üdv mindenkinek!
Csupán hogy befejezzem a megkezdett témámat,az inverteres hegesztő végül beindult. Mint az előzőkben is irtam,a fő diódahid,3drb 470µF/400V kondi,az UC3846 mellett mérések alapján bekalibráltam a hiányzó ellenállás értékét az UC 8-as lábán egy 18k ohmos ellenállással.Ekkor az UC kimenő lábain 29,8kHz lett.A biztonság kedvéért kicseréltem még az két IRF530N meghajtókat is.Összeraktam a gépet,természetesen az első próba 100W égőn keresztül történt,majd anélkül,és csak végül jött a pálcás próba.3 drb 3,25mm-es pálca egymás utáni elhegesztése nem okozott gondot.Remélem egy jó darabig menni is fog. Az inverter tipusa Walter W2200TIG(ezt irja a gépen),de a neten Walter atom200tig alatt található meg.
Üdv Mindenkinek!
Egy WECO Discovery 200T inverter javításában szeretnék segítséget kérni. Doksit nem találtam róla a neten, esetleg valakinek nincs meg? A segédtáp IC ( UC3845D ) pukkant el és a mellette lévő FET amit meghajt. Mindkettőt kicseréltem, most nem pukkan de nem csinál semmit be sem kapcsol a gép. Esetleg ha valakinek lenne kapcsolási rajz azt megköszönném, vagy ha valaki javított már ilyet és leírná a tapasztalatait. Köszi előre is
Először át kéne nézni,hogy megvan-e a 340V körüli egyenfesz a nagykondikon.
Majd az UC adatlapja szerint megnézed hogy kap-e tápot,meg esetleg az UC milyen kimenetet produkál (ha van tápja).
Szia,
azt elfelejtettem írni hogy 3 fázisú a gép, de egyébként megvan a kondikon a kb 540V egyenfesz. Az IC táp lábain 8V-ot mértem, ezt picit keveslem. Az adatlap szerint 30V-ig mehet a táp
Hát igen az UC-k,invertereknél (báris amelyekkel én találkoztam) általában 15-18v tápon mennek.
Az UC 7es lába a táp láb,a 8as láb az egy ref 5V(arra is mérj rá,szerintem az sincs meg). Egy einhell BTIW100 inverternél megszivtam az UC3845-el,és tapasztalatból mondom,hogy mig el nem érte a tápja a 10,5V-ot,addig meg se nyikkant az IC.Szerintem ilyen irányba keresgélj.
Sajnos eddig nem jártam sikerrel, kapcsi rajz nélkül nem egyszerű.. Ha jól sejtem a "Fő" DC580V körüli tápból valami ellenállás sorral leosztja a tápot az IC-nek? Ezután ha az IC elindul akkor a FET fogja megszaggatni ezt az 580V DC-t a trafóra és a szekunder oldalon lesznek meg a segédtápok.
Jó a gondolat menet?
Szia, Talán csinálj pár képet. Ha látsz nagy kerámia ellenállásokat, akkor valószűleg az osztje le a feszt. De ha a 0-is be van kötve, akkor van/lehet 240V-od is.....Én is cak annyit találtam, hogy az új ára 1700 font.
Szia!
A 3845 adatlapja szerint min7 max 8,2 V on lekapcsol, és min7,8 és max9V alatt be se indul. Én megpróbálnám labortáppal 12V ról indítani, ha indul akkor tuti kevés a tápod, ha még így se akkor valami nem engedi...Pl engem az szivatott egyszer, hogy az I_sense lábon lévő rc osztón szakadt volt az ellenállás. Tehát ha nincs megfelelő visszacsatolás, akkor se indul el, például. Persze előtte kösd le a végfokról A hozzászólás módosítva: Okt 8, 2015
Sziasztok,
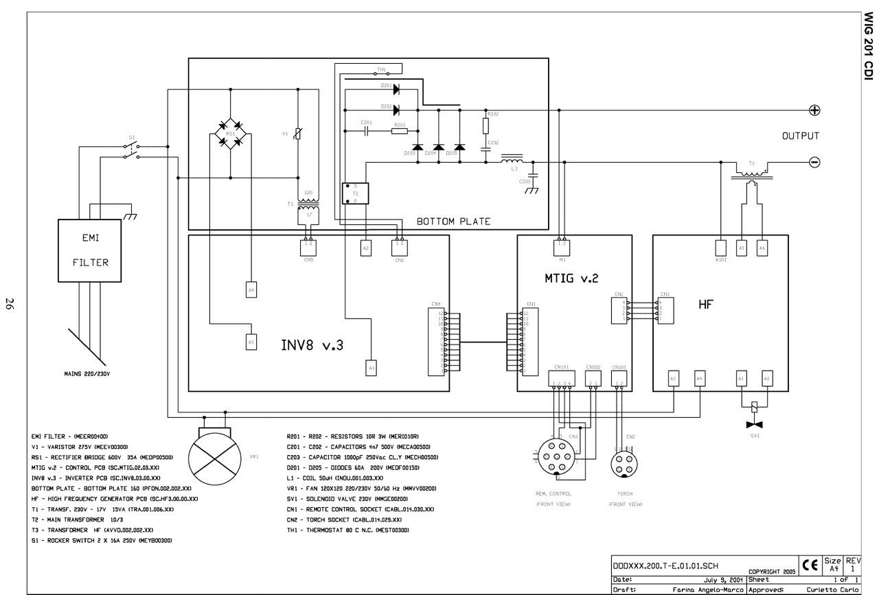
Új emberként segítséget, megerősítés kérnék awi hegesztőgép vezérlőpedál építéséhez. Van egy ERGUS WIG 201 HF CDi inverterem. Van rajta gyári csatlakozó a távvezérló / pedál csatlakoztatására és van gyári kapcsolási rajzom is, amit mellékelek. A kérdésem az lenne, hogy jól értelmezem-e, hogy a 22 kOhm-os poti két szélső lábát a 4 és 7-es pólusra, a középsőt a 3-as pólusra kell kötnöm? A pedállal történő kapcsolás nem szükséges, azt továbbra is a pisztolyról intézném, de ahogy látom az is megoldható lenne. A másik kérdésem, hogy tudok-e valami kárt tenni a vezérlő elektronikában, ha valamit netán félrekötnék? Elég drága gép, nem szívesen füstölnék el benne bármit is. A gyári pedál meg nettó 65 ezer lenne, ami szerintem egy vicc. Előre is köszönök minden szaktanácsot.
Szia, A 2. kép elég kicsi, nem látható rendesen. Ha jól látom 2 csatlakozó van rajta, mindkettőről lehet indítani a gépet, az 1-2 lábak összekötésével. A poti 2 vége a 2-4 lábakra megy, a közepe a 3. lábra. Gondolom a csatlakozón fel van iratozva, mert nem mindegy, hogy honnan nézed! Legbiztosabb, ha műszerrel kiméred a gépen a csatlakozót, nehogy a tápot esetleg leföldeld.
Sikerült a gépet életre kelteni. A probléma a következő volt, Egy ellenállás osztón keresztül kapta a tápot az IC, az ellenállás "nyúlt meg" 22k helyett felment 100k fölé, csere után rögtön indult a gép.
Köszönöm mindenkinek a segítséget.
Lenne egy új kerdésem, most hoztak egy IWELD gorilla 200 IGBT invertert. A hibát nem volt nehéz megtalálni, az összes IGBT megadta magát. FGH40N60UFD volt benne, tudom helyettesíteni
IRG4PH50KDPBF IGBT-vel? Elvileg tudja azt amit az eredeti, de ez kapható a lomexben, én onnan szoktam vásárolni. |
Bejelentkezés
Hirdetés |

















