Fórum témák
» Több friss téma |
Üdv mindenkinek(!) hozájutottam egy Profi Pioneer deh p 717-es autos fejegységhez(.) de<>mint japán<>belpiacos<>révén(,) csak 76-89.9 közt fog a rádioja(.) abban kérnék segitséget(,) hogyan lehet<>képesé<>tenni a készüléket(,) az europai<>norma<>szerinti rádio állomások vételére-elörre<>is köszönöm(,) minde<>válaszolonak a segitségét._tiszteletel.
A hozzászólás módosítva: Szept 27, 2015
Szia!
Ezt a kérdést itt tárgyalják: Rádió áthangolása Ügyelj a helyesírásra, mert szóközök nélkül nehezen olvasható a szöveged.
Szia !
Lehetne itt is tárgyalni, a probléma nem olyan egyszerű ha nem akar külső konvertert használni, a rádió szintézeres pll tunerrel hangol, a processzor programját kellene módosítani. A VCO is utánhangolást kíván, de ez a kisebbik probléma. Ha nem külső memóriában van a processzor szintézert vezérlő programja eltárolva akkor csak európai felhasználásra készült processzor / ha létezik ilyen/ cseréjével lehet orvosolni a problémát.
hali(!) a külsö<>konverter is jo<>lenne de nem<>találtam eddig csak<>ojat(,) ami 66-73.ig konvertál(.) de<>az nekem nem<>jo(.) ha tudtok tanácsot adni hol<>keressem(,) azt nagyon megköszöném.
A hozzászólás módosítva: Szept 27, 2015
A szabályzat II. pontja: Gondolatainkat szedjük össze, és egy jól megfogalmazott és nyelvtanilag is helyes hozzászólásban írjuk meg azokat.
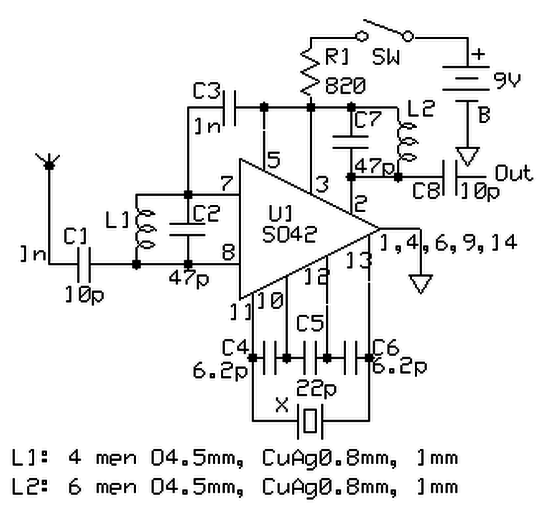
Külső konverter kapcsolás, kis fémdobozba építve 9V telepről működik. Mivel a rádiód 76-89,9 MHz
között hangol, a CCIR sávot 2 kvarc kristállyal tudod átfogni, egy kis váltó kapcsoló beépítése is szükséges. 1. sáv 12 MHz-es kristály 76+12= 88-tól 89,9+12= 101,9 MHz-ig hangolható 2. sáv 24 MHz-es kristály 76+24 =100-tól 89,9+24 =113,9 MHz-ig hangolható A bemeneti és kimeneti rezgőköröket a két sáv közötti sávközépre kell hangolni. Az ic. típusa S 042 vagy a lengyel UL 1042 is jó. A csatolt képen a tekercs menetszám adatok és a rezgőköri kapacitások nem mérvadók, mivel a képen CCIR-OIRT konvertálás látható, azaz magasabb frekvenciát alacsonyabbra alakít. A hozzászólás módosítva: Szept 27, 2015
Sziasztok!
Egy Videoton RA3101-es rádiót szeretnék áthangolni 89-90MHz és ettől felfelé. Ha tud valaki segíteni jobban körülírom a helyzetet. Előre is köszönöm!
Szia!
Ha miden igaz a te rádiód és az én ra3101-em megegyeznek felépítésben. Szeretném én is áthangolni. Esetleg tudnál nekem segíteni, hogy te pontosan mit csináltál?
Sziasztok!
Jó ez a konverter kapcsolás, de az s042-t és az ul1042-t egyre nehezebb beszerezni. Jó helyettük az orosz k174(psz)1 IC is. Viszont találtam a neten (valami szlovák oldalon) egy kapcsolást, amihez sokféle IC használható. Találtam is párat a kacatok között régi Internationale, Goldstar, stb piaci rádiók URH fokozatából. LA1185, KIA7358, TA7358, AN7205, KA22495, TA7378, KIA6058, DBL1017 Ha jól tudom ezeknek a tápfesz max 6V lehet. A tekercsek 0,8mm-es zománchuzalból készülnek 4,5mm belső átmérővel. L1,L2=4 menet L3=6 menet
Sziasztok. Van egy SATURN 423 RFT. Szeretném áthangolni, hogy működjön nálunk is. Mit ajánlanátok hozzá?
C111 27 pF csere 6,8 pF -re, C115 27 pF csere 3,9 pF -re, aztán némi utánhangolás. A gond csak az lesz, hogy így csak 104 MHz -ig fog menni.
Sziasztok!
Adott egy Líra 68 rádió és ennek az URH sávját szeretném áthangolni, csak nem tudom hogy csináljam és ebbe szeretném a segítségeteket kérni. A kapcsolási rajzot mellékelem.
Szia, C17,C30,C54 kondikat kisebb kapacitasura csereld, majd hangolni kell.
Skalahelyesen beallitani az oszcillator hangolasaval, majd az egyuttfutast, tobb lepesben maximumra hangolni.
Értékeket tudnál adni, hogy körülbelül mekkora kapacitásúra cseréljem?
Üdv mindenkinek. Van egy RFT Akkord 1510 rádióerősítőm. A radióját szeretném áthangolni. Meg oldható a dolog a rádión belűl vagy külső konverter kell hozzá?
A válaszokat előre is kőszönöm. Esetleg valaki szaki aki meg tudná csinálni. Pest előny.
Sziasztok!
Van egy Videoton RA 3101 rádióm, és egy R 4902-m. Utóbbi külföldről hazakerült export változat, szépen veszi a 87,5-104 MHz közötti adókat. Ránézésre nagyon hasonló az RA 3101, azonban a "keleti" URH-s. Jó lenne áthangolni, mert egyébként szép hangú készülék. Megoldható az átalakítás kondenzátor cserével, vasmag tekergetés nélkül? Műszereim (feszültségmérő és oszcilloszkóp, és jelgenerátor kivételével) nincsenek, nem lenne jó tönkretenni. Nem tudom, mi értelme volt az OIRT-ról CCIR sávra átállni, sőt, véleményem szerint inkább össze kellett volna vonni a két URH sávot, (63-180 MHz lenne) így nem kellene összezsúfolni az adókat, és nem lenne frekvenciából hiány...
108 MHz-et akartam írni, bocs.
A hozzászólás módosítva: Jún 6, 2016
Ja és kellő tisztelet és alázat a rádióhoz, mert nagyon tud ütni, különösen bekapcsolva és az anódján...
Ez nem lesz egyszerű menet. Ha tényleg szintézeres, legjobb esetben szervízmenüben régió változtatás, jobb esetben szoftver/eeprom tartalom csere, legrosszabb esetben fizikai átalakítás, főleg ha már itt is említett módon más féle ic kell bele a 88-108 Mhz es tartományhoz. Már megbocsátsz, de ha ezt így itt kérdezed, akkor jobb ha bele se nyúlsz, mert feltehetőleg nincs meg hozzá a megfelelő tudásod.
Sziasztok!
Egy AKAI AJ-350 rádiós magnót kellene áthangolnom a mai URH sávra. Sajnos rádiófrekis műszereim nincsenek, és így aztán tapasztalatom se sok rádiójavításban. Viszont a magyar nyelvű szervizleírás elég részletesen taglalja a rádiórész hangolását, ez alapján gondoltam, meg tudnám csinálni. (5-6-odik oldalakon). Persze, a keleti sávra behangolást írja, de az részletkérdés, csak máshová kell állítani a generátort. Apropó generátor: az megfelelő megoldás, ha egy autós FM transzmittert 87,5-re, ill. 108-ra hangolva, számítógépről generált 1kHz szinuszt kötök a bemenetére? Nem az a gagyi fajta, nem szokott elhangolódni több óra alatt sem. A kapcsolási rajz benn van az 1980-as magnósok évkönyvében, meg a szervizkönyvben is. Viszont a rajzzal összenézve a leírást, nekem nem áll össze a kép. Csak hogy egyet emeljek ki: az FM-nél említi az L102-t, ami a rajz szerint a rövidhullámú részhez tartozik - innentől ez nekem gyanús.. Inkább nem álltam neki, nehogy teljesen eltekergessem. Tudna valaki útbaigazítást adni, hogyan induljak el? Hogy hihetek-e a szervizutasításnak, vagy ha nem, akkor melyek a megfelelő szabályozó elemek? A trimmer kondenzátorok gondolom, a forgó hátulján vannak. A hozzászólás módosítva: Szept 2, 2016
Szia !
A trimmer kondenzátorok a forgó tetején vannak, kettő (osc.+modulator) az AM sávra, kettő az FM sávra. Az oszcillátor 3,5 menetes tekercsét kell eggyel csökkenteni, a modulátor kör trimmer kapacitásával párhuzamos 22 pF-ot kell eltávolítani. Egy frekvencia mérőre szükség lenne, a lokál oszcillátort becsukott forgónál 88,5+10,7=99,2 MHz-re kell állítani. Az oszcillátor kör egész sávon stabilan kell üzemeljen. A modulátor kört a trimmer kondenzátorral a sáv végén, a tekercs meneteinek állításával a sáv elején maximum hangerőre kell állítani.
üdvözlöm az urakat ! ha valakinek lenne SALUT 001 teljes kapcsolási rajza és el is tudná küldeni részem re megköszönném üdv. mindenkinek .
A hozzászólás módosítva: Szept 15, 2016
Íme.
Az eredeti djvu egy picit jobb minőségű, mint a belőle készített pdf. De gondoltam, esetleg nincs kéznél djvu nézegető. A hozzászólás módosítva: Szept 15, 2016
Szia!
Szerintem, egy konverteres megoldás, egyszerübb./ pl SO42-vel/
oirt ccir áthangolás menete a következö. vagy legalább is annak idején igy csináltuk. minden tekercsböl (általában 6 menet) egy menetet levágtunk. majd az oszcilátort hangolva beállitotuk a sávot. majd több lépésben az also sávszéltöl kicsit beljebb a tekercscsel, a felsönél ugyanigy a kondival hangoltunk maximumra. oszt jolvan.
A hozzászólás módosítva: Szept 15, 2016
köszönöm szépen , további szép napot !
A hozzászólás módosítva: Szept 15, 2016
Szervusztok,
kár, hogy a TME-nél nem lehet kapni ezt a kis építőkészletet. Láttatok valahol hasonlót? |
Bejelentkezés
Hirdetés |













