Fórum témák
» Több friss téma |
Sziasztok!
Szeretném feltenném a következő kérdésem: HA passziv hűtésű TDA7294-es végfokot építek, +-35V-os tápfesszel (úgy is esik rajta 1-2V feszültség) mekkora hűtőbordára lenne szükségem? A lefogatás kengyeles megoldással lenne létrehozva. *A terhelés 8Ohm-os lenne. A hozzászólás módosítva: Okt 7, 2015
Értem. Köszönöm! Gondolkodom egy passziv hűtésű egység életre keltésében is.
kb. 350-400 cm2/végfok (feltételezve, hogy eleve passzív hűtéshez tervezett bordaprofilod van). A felfogás milyensége kulcskérdés.
Ez lesz a borda, hosszában megfelezve. És erre ha minden jól megy akkor 2 modul fog helyet foglalni.
Ez szemre kb. 3500 cm2. Túlzó 2 db TDA7294-hez. De vannak olyan nézetek, hogy a borda sosem elég nagy, ezért ha elfér, akkor hajrá. (Ebből kb. 5cm-es szelet elég 1 végfokhoz.)
Ha a kényszerkeringés is szóba jöhet, akkor töredéke méretű borda is jó lehet (pl. processzor hűtő), sőt még akár hatékonyabb is. A hozzászólás módosítva: Okt 7, 2015
A tervezet szerint egy 2.1 lesz majd... Tehát ha félbe vágom bőven elég lesz a 2 mono blokknak plusz egy hidalt verziónak is. Ha netán melegedne, akkor sincs minden veszve, mert lerekesztem a tetejét, kap egy 12V-os ventit és kész is.
*Proci hűtőm van egy rakatnyi, de azokat nem szeretem használni, mert sosem férnek be oda ahova rakni kellene. Így lehet hogy majd felteszem ide az apróba. A hozzászólás módosítva: Okt 7, 2015
A processzor hűtő, az egyébként nagyon hatékony hűtésén felül azért is lehet jó választás, mert mivel belül van, ezért nem kell feltétlenül elszigetelni a bordát az IC-től, és ez óriási előny a hőelvezetésnél.
Barbár dolog, mert nem erre van kitalálva, de én ventilátor nélkül is használok ilyeneket.
Az előzőleg készült erősitőm dobozából kettő van és abba nem fér bele a processzor hűtőborda... A TDA2050-eseim viszont köszönik szépen jól vannak, AMD rézmagos bordákat kapott.
Elvégeztem hidalást, de azért rákérdezek, jól értelmeztem-e?!
Így sajnos nem lesz jó. Nézd csak meg mégegyszer Bővebben: Link!
A pa az a tda-t jelképezi. Én így tustam értelmezni a rajzot, amit küldtél. Az invertáló bemenetet közösítem a nem invertálóval. Így azonos, de ellentétes fázisú jel kerül egy-egy tda bemenetére.
Nem tudom miért hagytad le a többi ellenállást. A rajzodon a műveleti erősítők nyílthurkúan erősítenek, az eredmény négyszögjel lesz.
A J2 csatlakozó első négy lábából kell kettőt-kettőt összekötnöd.
Ja, hogy az a baj! Én már valami elkötésre gondoltam, dehát máshogy kötni nem is lehet.
Nos, az ellenállások természetesen csak a rajzról hiányoznak. A valós áramkörben mind a helyén van. Az átkötést az lm valós nézeti rajza szerint végeztem el. Avagy az átkötés az ellenállások előtt van. Akkor is rossz így az átkötés? Ellenállások előtt kössem át?
A J2 csatlakozónál kell a kötést megvalósítsd, nem véletlenül ilyen a panel kialakítása.
Híd kapcsolás elvileg kész, zéneres stabok a helyükön, átkötések készen. Hétfőn próba újra!
Nagyon kíváncsi vagyok az eredményre, mennyivel lesz másabb hangja a szimpla üzemhez képest?! A hozzászólás módosítva: Okt 10, 2015
Javításon van nálam egy TDA7294V-el épített erősítő. A Mute lábon +7.24 Vdc és a Standby lábon +5 Vdc-t mérek. Ha jól értelmezem az adatlapot akkor így nem aktív egyik sem. Jól gondolom?
Köszi a segítséget.
Szia! Igen, ennek szólnia kell, vagy legalábbis kellene
Köszi. Szerintem is kellene de mégsem teszi. Bővebben: Link
Sziasztok, egy rendkívül egyszerű problémával küszködök, a kapcsolás a TDA7294 IC adatlapjából van, a STBY és a MUTE lábakat (9,10) hogy kell kötni, hogy működjön az erősítő? Válaszokat előre is köszönöm!
Szia! Mondanám, hogy keresd vissza, csak magam több tucatszor leírtam már erre a választ. Az a lényeg, hogy az 1-es lábhoz (testhez) képest legalább 3,5V-tal pozitívabb legyen mindkét lábon a feszültség. Amit linkeltél, azon a VM és a VSTBY ajánlott feszültsége +5V.
Sziasztok!
Ebben a kapcsolásban mekkora lehet a 680 Ohmos ellenállás után lévő kondi(JB1, JB2)? Illetve szükség van rá? A hozzászólás módosítva: Okt 17, 2015
Kettővel feljebb pont látszik a kapcsoláson, hogy 22 µF a gyárilag javasolt és bevált érték. Igen, ez egy szükséges alkatrész.
JB1 és JB2 nem kondenzátorok hanem kapcsolók (Jumper-ek), amiket a hídkapcsolás kialakításához kell/lehet használni. És nem csak ez a kettő van, hanem még 2 ha jól megnézed a bemenet környékén.
Ezt a rajzjelet általában olyan esetekben használják, amikor a panelból kiáll két tüske, amikre vagy ráhúzol egy összezáró "kupakot", vagy éppen nyitva hagyod őket. A ritkán kapcsolt kötések esetében van értelme alkalmazni.
A jumperekkel tisztában vagyok. A JB3 és JB4 tiszta, viszont a JB1 és JB2 áthidal egy kondit. Találkoztam már olyan kapcsolással, hol a 680 Ohm után nincs kondi. Ezért kérdeztem hogy mennyire fontos? A rajz szerint sztereóban kell a kondi, hídban meg nem. A leírásban az volt hogy sztereó üzemben mind a négy jumper nyitva van. Szóval találkoztam már olyan rajzal ahol van kondi, és olyannal is, ahol nincs.
Szia! A kérdéses kondenzátor egyrészt egységnyire szűkíti a kapcsolás egyenfeszültségű erősítését, melyre a kimeneti egyenfeszültség alacsony szinten tartása miatt van szükség. Másik feladata a felüláteresztő szűrés, melyet a bemeneti csatoló kondenzátorral egyetemben végez. Fontos, attól alacsonyabb frekvenciájú jelet ne engedjünk a hangszóróra, mint aminek az érzékelhető lesugárzására képes. Ezzel csak fűtenénk és szélsőségesen nagy kivezérlésnél a hangszórónkat is tönkretehetjük általa. Természetesen a hídkapcsolásnál is mindig alkalmazom Bővebben: Link.
Sziasztok!
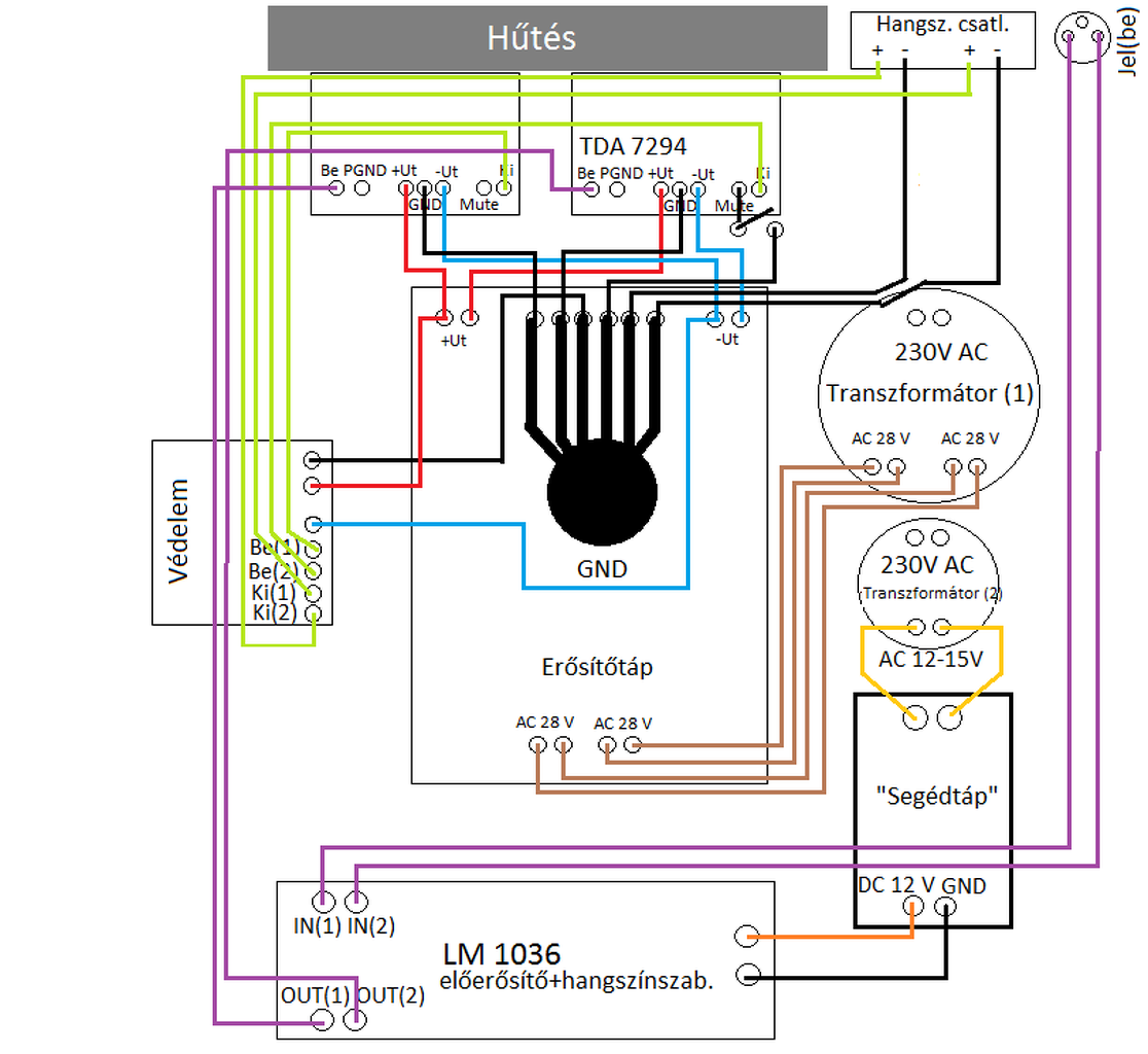
Lassan, de biztosan haladok a TDA 7294 sztereó erősítő projekttel. A mono prototípus már kész és működik is, a "teszteket" jól bírta az IC .Már csak a hangszóróvédelem és a hangszínszabályzó legyártása hiányzik és neki tudok kezdeni a dobozolásnak. Közben elkezdtem tervezni a dobozon belüli kialakítást (mivel már a panelméretek nagyjából megvannak), ám egy "apró" huzalozási probléma merült fel számomra. Mivel ilyen transzformátort használok majd a két végfok hajtására, ezért a hangszínszabályzónak (és a kivezérlésjelzőknek) a táplálását egy kisebb teljesítményű másik tanszformátorról oldanám meg. Egy esetleges földhurok okozta zúgást el szeretnék kerülni, ezért abban szeretnék kérni némi segítséget, hogy a rajz szerinti elrendezés földelését, pontosabban a jelföldet hogyan lehetne úgy "megoldani", hogy ez a probléma ne merüljön fel. A bemenő jelet árnyékolt vezetéken vinném persze, ám a rajzon ennek(valamint a két végfoknak) a földje nincs berajzolva, ugyanis számomra ez a kérdéses rész. A rajz azért sikerült ilyenre(egyrészt mert painttel csináltam ),másrészt mert ez nagyjából tükrözi a majdani házon belüli elrendezést. A hozzászólás módosítva: Okt 24, 2015
|
Bejelentkezés
Hirdetés |












),másrészt mert ez nagyjából tükrözi a majdani házon belüli elrendezést. 





