Fórum témák
» Több friss téma |
Szerintem az AC csapágyas, de még működik és csak nyomás alatt zajos.
Szerintem első körben a biztosítéktáblán...
Köszi, de azon már túl vagyok. A biztosítékot folyamatosan veri. Gondoltam a vonóhorog csatira, de nem az. A hátsó ablakfűtést lekötöttem, de az sem jött be.
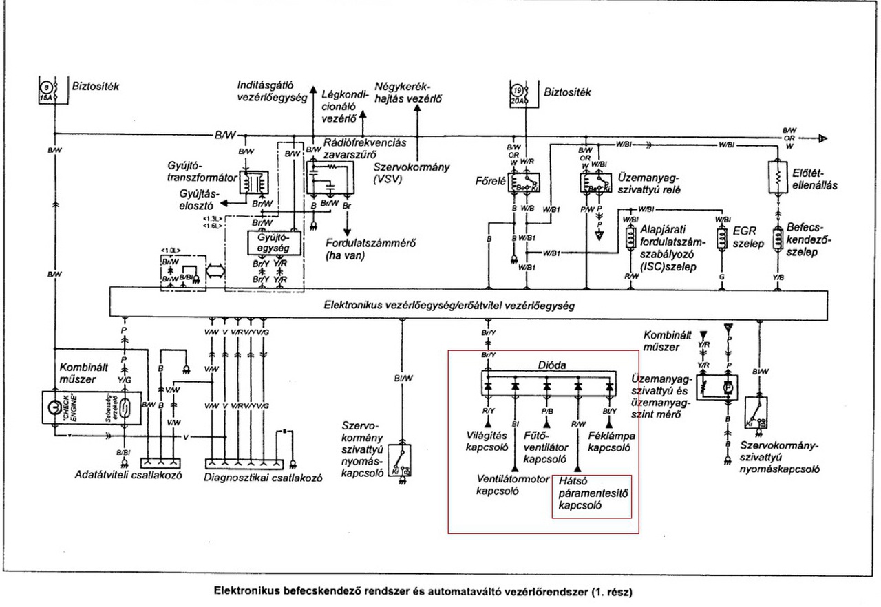
Szia! A rajzok talán segítenek kideríteni a hiba forrását. Talán a "gumiharmonika" átvezetésben lehet valami zárlat? Az "5" számú 10A-os biztosítékot veri?
Szia! A képen látható, hogy hiányzik a bizti. Amikor a világítás kapcsolót elfordítom, abban a pillanatban csattan.
3 dolgot soroltál, 1-t kizártál, akkor a másik kettő maradt. Nézd meg a csomagtartó ajtajára rögzített kábelköteget és próbáld meg kimérni, hogy nincs-e szakadás.Ha nincs vedd le a rendszámtábla körüli nagy prizmát és nézz alá hátha szétcsúszott valami kötés. Ha ez sem jön be akkor a műszerfal alatt kell keresni a hibát, az pedig nagy meló. A belső órára is megy kábel ami a fényerőt szabályozza, meg a szivargyujtó megvilágítása is ekkor kapcsol. Modjuk a szivargyújtó csak gyújtáskapcsoló bekapcsolása után műkődik, úgyhogy az nem valószínű. Több tippem nincs, jobban még nem szedtem az autómat. Sok sikert a kereséshez
Kimaradt a helyzetjelző lámpák vezetékei, amiket érdemes megnézni.
És a tompított izzók foglalata? Nekem volt hasonló gondom emiatt.
"Amikor a világítás kapcsolót elfordítom, abban a pillanatban csattan." Elsőre csak a helyzetjelzőket a rendszámvil. , műszerfal és a középkonzol megvilágítását kapcsolod. A tompított csak a következő kapcsolóállás.
Üdvözlet az Uraknak!
Segitségeteket kérem egy Suzuki Swift világítás "bekapcsolvamaradást" jelző dobozka bekötésével kapcsolatban. Egy öreg Swiftből bányászták ki, de pl. Nissan Micrában is ugyan ilyen a doboz sípol ha gyujtás lekapcsolása után nyitjuk ki az ajtót és a világítás bekapcsolva marad. Ezen a kódszám van a kis dobozon. 38590-60B20 Köszönöm a segítséget!
Szia. Kulcsőrnek hívják. Most nem találom a bekötési rajzát, de ha meg lesz felteszem. Ha sürgős akkor a neten keress rá.
Szia.
Köszönöm az információt. Ezt keresem, ( az elsó sorban található képek)de kulcsőrként nem találok róla infót
Egy másik fórumról kopizva:
A csipogóba hat vezeték megy be, , ebből a középső kettő föld (egy állandó, és egy amit az ajtókapcsoló ad nyitott állapotban (ezt a kettőt összekötve például a dobozon belül a lábakat, a doboz azt hiszi, hogy mindig nyitva van az ajtó, így csukott ajtónál is csipog, ha álló motornál ég a lámpa), egy +12V, ha a lámpa ég (minimum helyzetjelző), egy +12V, ha ha a kulcs bent van, a maradékot nem tudom (gondolom valamiféle jel a motortól, hogy jár-e), ezeket mértem ki multiméterrel. Nos, ha a világítás és kulcsőr kábelét elvágod, majd egyszerűen a világítás kábelét kötöd a kulcsőr kábelére, akkor nem sípol, hanem csipog, ha bekapcsolva maradt a világítás. A kulcsőr kábele nincs sehová kötve, nincs rá szükségem. Ha szétszeded a dobozt, nagyon vigyázz! A hátulját tudod leszedni, oldalt kell négy kis fület kipattintani, nagyon óvatosan járj el, mert a nyáklap közvetlenül a fedél alatt van, én felsértettem, és járhattam a köröket a bontókban új doboz után...
Szia.
Nagyon szépen köszönöm! Egy Opel Combo ( Opel Corsa) fogom ma beépíteni, ugyanis állandóan bekapcsolva feljetem a világítást. Így talán nem kell tologatnom a lemerült akku miatt az autót ![]() Mégegyszer köszönöm! Üdv. reparo
Sziasztok!
A kérdésem az lenne, hogy mennyire macerás a gyári kulcsos központira rákötni egy távirányítós vezérlőt? Hol keressem a gyárit?(Vezérlőt) Bármilyen univerzális megfelelő? Mivel 3 ajtós így két (oldal) ajtót nyit és zár jelenleg kulccsal. (2002 swift GS) Köszi előre is. A hozzászólás módosítva: Okt 29, 2015
Szia!
Nem túl bonyolult. Itt még külön áramkör van a vezérléshez. Üdv: Gábor
Köszönöm. Akkor mindegy hogy milyet veszek? Igazábol csak rá kell dugnom a gyári vezérlő megfelelő "bemenetére"?
Köszönöm. És azt megtalálom valahol, hogy pontosan mit hova merre?
Az új vezérlőhöz gondolom kapok rajzot, de a mostani gyári nekem nem teljesen tiszta érdekelnek az ilyen bütykölések, de kezdő vagyok, szóval bocs a tudatlanságom miatt
Szia!
A kapcsolási rajz alapján beköthető a vezérlő. A táv két kimenetét a vezérlő nyitó és záró pontjához kell kötni. Üdv: Gábor
még valami...hol jobb rákötni az új vezérlőt? Hátul a gyári vezérlőnél vagy elől a kábelkötegnél?
kösziköszi
Szia!
A vezérlőnél minden kapcsolódási pont elérhető egy helyen. Üdv: Gábor
Ezt kellene összehangolnom a gyári vezérlővel
Esetleg valaki nem "oktatna" ki esetleg mondjuk facebookon pribátban? Bocsi de kezdő vagyok :/ vagy inkább vigyem autóvillamossági szerelőhöz?
Na végigolvastam az ide tartozó hozzászólásokat és azthiszem "kivilágosodott" a kép
már csak azt nem tudom, hogy az állandó 12V-ot lebehetem-e a csomagtérvilágítás állandó pozitívjáról? Elbírja e az a relatív vékony vezeték? (az új vezérlő rövid piros vezetékén van egy 15 ös bizti, de nem tudom hogy az csattan-e el előbb ha gond van, vagy a csomagtartó világítás gyári pozitív vezetéke amibe egy 5W-os izzó van gyárilag) A hozzászólás módosítva: Nov 3, 2015
Az a vezeték nem fogja elbírni, mert tervezve van, nehogy többet tudjon.
|
Bejelentkezés
Hirdetés |
















