Fórum témák
» Több friss téma |
Fórum » Egyenirányító
Sziasztok!
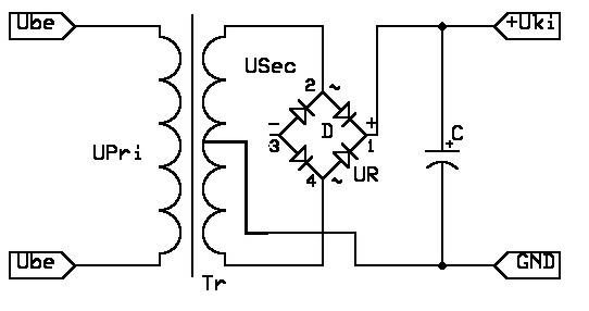
Az lenne a kérdésem hogy háromfázisú váltakozó áramot egyenirányíthatok-e 3db 1 fázisú graetz híddal, úgy hogy fázisonként kötöm be őket. Egy motorkerékpár 3 fázisú váltakozóáramú generátoráról lenne szó. Csillag kapcsolásban vannak a tekercsek, a csillagpont nincs kivezetve. Kivezetések: U; V; W Tennék egy hídat: U-V U-W V-W kivezetésekre, a három pozítívat es a három negatívat természetesen közösíteném. Csinált már valaki ilyet?
Ha a csillagpont nincs kivezetve, esélytelen. Független tekercseknél meg lehet oldani, csak nem célszerű. 1 db híddal + 2 diódával meg lehet oldani, ha úgy gondolod, hogy komoly hűtés kell és jobb a gyári tokozott, akkor 1 kocka + a másik kockának a fele 3 f hídba kötve használható.
Ez lenne az elképzelés. Tudom hogy 6 diódával egyszerűbb lenne de van itthon néhány megfelelő méretű graetz, a célra megfelelne. Megtennéd hogy leírod nekem hogy Így miért nem jó?
Mondom, "ESÉLYTELEN". Ha jobban átnézed, a csillagponton keresztül rövidzárba kerülnek a diódák. Ha bekötöd és megpörgeted a motort, jön a csillagszóró.
Bocs hogy akadékoskodom, csak meg szerezném érteni a problémát. Berajzolnád nekem hogy hol lenne zárlat? Ha háromfázisú tekercselés csillagba van kötve akkor két fázitekercs feszültsége négyzetgyök 3-szor nagyobb mint egy tekercs feszültsége a csillagponthoz képest.(pl.: Hálózati fesz: 230/400) Végignéztem a kapcsolást de én nem látom hogy a tekercsek rövidre záródnának a diódákon, vagy a csillagponton.
Esetedben valóban nincs zárlat. Túl gyorsan válaszoltam, trafóknál szoktak olyanokat elkövetni, hogy egy tekercs 2 megcsapolására külön Graetz aztán összekötik, aszerint reagáltam. Viszont mi értelme 6 dióda helyett tizenkettőt használni? Az eredmény pontosan ugyanaz. Ilyeneket is lehet kapni.:
3f dióda híd Végeredményben használható, minden ágat duplázol, kétszeres terhelhetőség. A hozzászólás módosítva: Márc 3, 2014
Tudom de nekem egyfázísú graetzek vannak itthon és ha ezekkel meg lehet oldani akkor nem költenék rá.
Hozták, nálam maradt... Akkor ha jól értem működne az ötlet?
Így is megfogalmazható a végeredmény és így is be lehet kötni a kockákat. :
Köszi! Ez a rajz lényegesen egyszerűbb! Kicsit bosszant hogy nem jöttem rá hogy lehet így is.
Kösz a segítséget.
Sziasztok!
Rámbíztak egy feladatot a munkahelyemen, ami nem igazán a profilom (nagyon nem). Egy háromfázisú 22.2V os motoron eső feszültséget kellene megmérnem, és rácsatlakoztatni egy bemenetre, amihez szeretném egyenirányítani. Ez egy része a megoldásnak. Sajnos ott akadtam el, hogy mivel sosem kellett még egyenirányítót használnom, nem tudom milyen kritériumoknak kellene megfelelnie. Maximum 25A menne át rajta. Szóval a kérdésem az, hogy mi alapján válasszak egyenirányítót? Én ezt néztem, de sajnos fogalmam nincs, hogy jó-e. http://lib.chipdip.ru/204/DOC000204530.pdf Ez 26A-t bír, és 1200 V-ot. Ez pedig a motor: http://montorc.com/mn4014kv330.aspx Köszönöm előre is a segítséget. Ha esetleg van valami anyag ehhez, szívesen elolvasom, de már 2 napja kutakodom, és semmi.
Nem a diódán kell átmennie a motor áramának, így nagyáramú, nagyfeszültségű diódára sincs szükség.
A feszültséget mérhetsz a motoron fázisonként egy egyszerű egyenirányítóval, amit pl a multiméterekben használnak. Ugyanezzel az egyenirányítóval tudsz feszültséget mérni a motor fázisaival sorbakapcsolt (test felőli végén) kisértékű ellenálláson, ami arányos a motor fázistekercsein keresztül folyó árammal. Egyenirányító kapcsolásokat találsz pl. a műveleti erősítők kapcsolási példái között.
Értem, akkor nem kell félnem, hogy szénné égetem a dolgot
Köszönöm, utánanézek!
Üdv Mindenkinek!
Segítséget szeretnék kérni. Személyautóba szeretnék bekötni ledet, led szalagot, és mivel a kapcsolása egy kicsit bonyolult, ezért szükségem van egyenirányító diódára, és azt szeretném megkérdezni, hogy erre a célra ez a dióda megfelel: http://www.tme.eu/hu/details/egp50d/univerzalis-tht-diodak/fagor/ vagy van valami megfelelő, amit be tudnék forrasztani a vezetékbe, zsugorcsővel szigetelve? A válaszokat mindenkinek előre is Köszönöm!!!
Miért kéne egyenirányítani? Személyautóban tudtommal nem használnak vátófeszültséget, (a generátort kivéve, de annak a kimenő feszültsége rögtön egyenirányítódik) Az akkumlátorból is egyenáram jön.
Lehet kapcsolási, biztonsági célokra van az áramkörödben dióda, de az biztos nem egyenirányító. A kapcsolásod ismerete nélkül nem sokat lehet mondani. Ha a felvett áram a dióda max áramánál kisebb, akkor megfelelő. 200 V -os is felesleges, de az nem korlátoz.
Az a lényeg, hogy rakok be feszültség szabályzót, hogy állandó 12 voltot kapjanak a ledek töltéskor is. 3 feszültség szabályzó lesz. Az egyik egy állandó áramot fog kapni, a második egy gyujtás, a harmadik egy világítás áramot. És ott a probléma, hogy ha nincs még a feszültségszabályzók közös testje bekötve, viszont én a az állandó áramot odaadom az első feszültségszabályzónak, akkor a világítás feszültség szabályzójának a bemenő pozitív vezetékén keresztül testet kap az gyujtás feszültség szabályzója és működik, de ha a világítás bemenő vezetékét lekötöm a feszültségszabályzóról, akkor már nem megy a másik fesszabályzó, ezért kellene a világítás vezetékébe a feszültség szabályzó elé egy egyenirányító dióda, hogy onnan a másik 2 feszültség szabályzó ne tudjon testet kapni, csak nem tudom milyen kellene.
Az egész koncepció nem jó, írd le az eredeti ötletedet. Mit is akarsz végülis?
3 helyről szeretnék ledet illetve led szalagot működtetni, ezért 3 db a képen látható feszültség szabályzó van egymás mellé felfogatva egy bakelit lapra. Külön van rajta a bemenő negatív pozitív és a kimenő negatív pozitív. A feszültség szabályzók bemenő negatívja össze van kötve mert egy vezetéken akarok nekik testet adni, de ha még a test be sincs kötve és adok egy állandó áramot az egyik feszültség szabályzónak, és egy gyújtás áramot a másodiknak, és a harmadikra nem adom rá a világítás áramot, de a világítás pozitív vezetékje be van kötve a feszültség szabályzóhoz akkor azon keresztül kap testet az másik 2 feszültség szabályzó. Oda kellene egy ellenálás hogy csak akkor menjen be a világítási feszültség a szabályzóba ha fel van kapcsolva a világítás, és onnan visszafele ne kapjon testet a másik 2 szabályzó. Ez csak akkor van, ha le van kapcsolva a világítás, de amint felkapcsolom, akkor már nem megy a másik 2 szabályzó, illetve ha a világítás vezetékét lekötöm a harmadik szabályzóról akkor megszűnik ez a jelenség.
A hozzászólás módosítva: Okt 4, 2022
Moderátor által szerkesztve
Sziasztok, kétutas egyenirányításnál (trafó szekunder tekercseinek a középmegcsapolása a föld) használható graetz-híd két diódája? (így nyilván lesz egy graetz-en lévő negatív feszültség ami csak a levegőben lóg)
Mondatokra bontsd szét a mondandódat...úgy talán megértjük!
Rajzold le, hogyan gondolod mert nem egyértelmű a kérdésed.
Egy egy fázisú Graetz hídban négy dióda van, használhatsz akár csak egyet is ha neked úgy tetszik.
Ha nem kell a negatív tápfeszültség akkor lehet így is. Ebben a formában két dióda van használva, de ha Graetz van készleten diódák helyett, semmi gond az elrendezéssel.
Ha három ilyened van, és függetlenül akarsz velük három ledszalagot működtetni, úgy hogy a kimenő testjük közös, az problémás lehet, ugyanis ezek szerintem a negatív ágon figyelik az áramleadást. Ami így már megkavarodhat.
A másik, ha a szabályzók bemenő oldali testje közös, és az nincs tzestre kötve, akkor jogos hogy hülyeséget csinálnak. Kösd a testet rendesen a helyére, attól kezdve a bejövő feszültségre jól fognak reagálni. |
Bejelentkezés
Hirdetés |







Köszönöm, utánanézek! 

